GSM/GPRS/GPS Tracker
User Manual
Car/Motorcycle/Scooter GPS Tracking Device
1. Features
- 9-90V Vehicle/scooter/motorcycle tracking
- Real-Time Tracking
- Cut fuel/Resume fuel(Optional)
- Power removal/Ignition/Vibrate alarm
- Support angle upload location
- Support 1500 data memory storage
- Remote upgrade via OTA
- External voltage detection
2. Specs.
Content | Specs. |
| Dim. | 77*28*16mm |
| Network | GSM/GPRS |
| Frequency | 850/900/1800/1900 MHz |
| GPS chipset | MTK high sensitivity chip |
| Location accuracy | <10 meters CEP |
| Time To First Fix(open sky) | Cold status <35s Hot status <1s |
| Working voltage | 9-90VDC |
| GPRS Protocol | TCP/IP |
| Operating temp. | -20°C to +70°C |
| consumption | 5mA~50mA |
2. Install SIM Card
Insert 2G GSM SIM card with activated GPRS data; Make sure SIM card with full balance; If SIM card with PIN code, must remove it advance. Insert SIM to power on device, Take off SIM to power off device.
![]()
Normal SIM Micro SIM Nano SIM
![]()
3. Device light description
Light | Signal |
Green |
|
Blue |
|
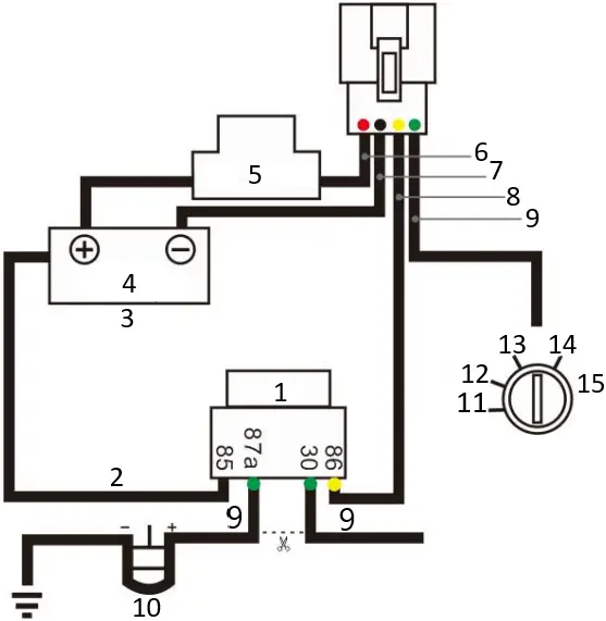
4. Wires connection
Red: Battery positive Black: Battery negative
Green: Ignition wire Yellow: Relay for cut fuel (optional)
![]()
- relay
- white
- 12V or 24V
- Storage battery
- 3A FUSE
- red
- black
- yellow
- green
- Oil Pump
- START
- ON
- ACC
- OFF
- Ignition key
5. SMS Command List
| Check Google link | WHERE# |
| Set Server IP | SERVER,1,IP,port,0# |
| Set APN | APN, [apnname]# or APN, [apnname],[user],[pwd]# |
| Check Device Status | STATUS# |
| Check Device parameters | PARAM# |
| Reset Device | RESET# |
| Upload time interval | TIMER,T1,T2# T1=0、5~18000seconds ACC ONtime interval T2=0、5~18000seconds ACC OFF time interval |
| Control Relay | RELAY,0# Resume fuel RELAY,1# Cut fuel |
| Open Vibration alarm | SENALM,ON,M# M=0~2 alarm methods 0 stands for only GPRS 1 stands for SMS+GPRS 2 GPRS+SMS+CALL |
| Close Vibration alarm | SENALM,OFF# |
| Open power off alarm | POWERALM,ON,M,2,2# M=0~2 0 stands for only GPRS 1 stands for SMS+GPRS 2 GPRS+SMS+CALL |
| Close power off alarm | POWERALM,OFF# |
| Restore factory settings | FACTORY# |
| Set timezone | GMT,,,# For example: GMT,E,5,30# or GMT,W,6,00# |
| Add Center number | CENTER,A,Number# |
| Delete Center number | CENTER,D# |
6. Web platform & Tracking APP
Website: www.gps16888.com APP name: SecumorePlus
Default IMEI as user name, password 123456.
How to change login user name instead of Use IMEI number?
Steps: Find “Detail” Button on APP → Plate Number → Input New user name in Capital Letter.

















