
Installation Guide
Model: ZL500
Lock Body: American Standard Mortise with 5 Latches
Version: 1.0
Cautions
- A new lock is defined as always in open mode until it is locked once by a MiFare card.
- Please register an authorized card, a time sync card, and a room card initially for the new lock.
- The lock is equipped with keys for manual unlocking. Remove the keys from the package and keep them in a safe place.
- To power on the lock, four alkaline AA batteries (not included) are required. Non-alkaline and rechargeable batteries ARE NOT RECOMMENDED.
- Do not remove the batteries when the lock is in a working state.
- When the battery power is low, the lock will beep to remind the user to replace the batteries. Make sure not to mix up the polarities while replacing the batteries.
- Avoid contact with corrosive substances. Do not hang any object on the handle.
- The built-in software manages the operation of access cards. Please refer the software user manual.
- For further queries, please contact the seller.
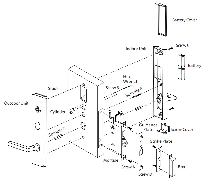
Packing List

Installation Diagram

Door Properties
- Door Thickness
Door Thickness Spindle A Spindle B Screw C 35 to 45 mm 40 mm 75 mm 25 mm Note: If the door is thicker than 45 mm, this lock will not be suitable. Please contact the sales person for queries.
- Door Opening Direction

Note: Please install the Mortise and Strike Plate according to the above illustration.
Installation Procedure
- Drill holes on the door
1) Place the installation template at the desired handle height.
2) Mark the holes to be drilled and drill the marked places.
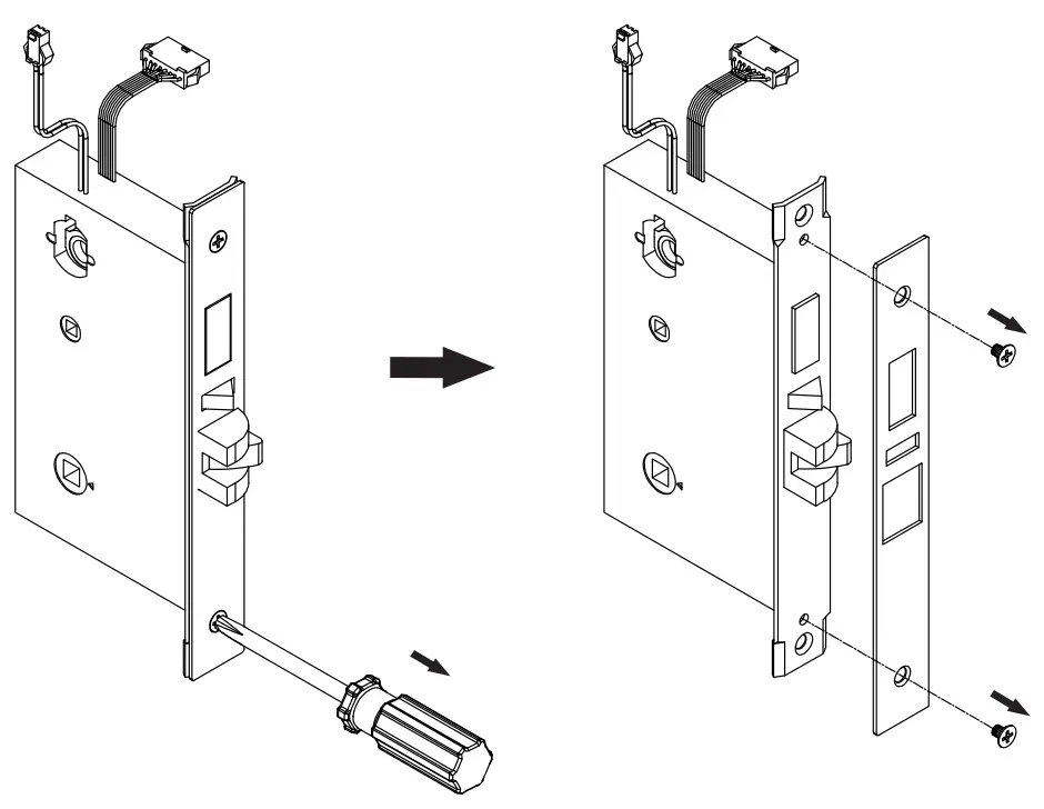
- Remove the Guide Plate
Unscrew the Screw D and remove the Guide Plate.
- Installation of Mortise
Secure the Mortise with Screw A and Screw D. Make sure the latch angle faces the doorpost.
- Installation of Lock Cylinder
Use the Hex Wrench to tighten the Screw B to secure the Cylinder.
- Installation of Spindles and Studs
1) Insert the Spindle A into the clutch, and make sure the triangles point each other. Secure the studs on the Outdoor Unit.
2) Insert the Spindle A and Spindle B into the drilled holes.
Note: Make sure that the two triangles are horizontally aligned to each other. - Installation of Outdoor Unit and Indoor Unit
1) Connect the cables of the Indoor Unit, Outdoor Unit, and Mortise.
2) Attach the Outdoor Unit and Indoor Unit on the door, and then secure them with Screw C.
- Battery and Cover Placement
Insert four Alkaline AA batteries and cover them with the battery cover. Then, cover the Screw C with a Screw Cover.
- Installation of Strike Plate and Box
1) Make sure the Strike Box is aligned with the latch bolt. Then, use the installation template to drill the holes.
2) Align the Strike Plate and Box with the drilled holes and secure them with Screw A.
- Test the lock with key
Step 1: Remove the cover on the keyhole with the Vacuum Sucker.
Step 2: Insert the key into the keyhole and rotate it by 90°, then rotate down the handle to open the door.
![]()
Warning:
This device complies with Part 15 of the FCC Rules. The operation is subject to the following two conditions: (1) This device may not cause harmful interference, and (2) This device must accept any interference received, including interference that may cause undesired operation.
This equipment has been tested and found to comply with the limits for a Class B digital device, pursuant to Part 15 of the FCC Rules. These limits are designed to provide reasonable protection against harmful interference in a residential installation. This equipment generates, uses, and can radiate radio frequency energy and, if not installed and used in accordance with the instructions, may cause harmful interference to radio communications. However, there is no guarantee that interference will not occur in a particular
installation. If this equipment does cause harmful interference to radio or television reception, which can be determined by turning the equipment off and on, the user is encouraged to try to correct the interference by one or more of the following measures:
- Reorient or relocate the receiving antenna.
- Increase the separation between the equipment and receiver.
- Connect the equipment into an outlet on a circuit different from that to which the receiver is connected.
- Consult the dealer or an experienced radio/TV technician for help.
FCC RF Radiation Exposure Statement:
- This Transmitter must not be co-located or operating in conjunction with any other antenna or transmitter.
- This equipment complies with RF radiation exposure limits set forth for an uncontrolled environment.
IMPORTANT! Any changes or modifications not expressly approved by the party responsible for compliance could void the user’s authority to operate the equipment.
ZKTeco Industrial Park, No. 32, Industrial Road,
Tangxia Town, Dongguan, China.
Phone : +86 769 – 82109991
Fax : +86 755 – 89602394
www.zkteco.com
Copyright © 2020 ZKTECO CO., LTD. All Rights Reserved.
https://www.zkteco.com/en/




























