SLEIPNER ESI-1 Side Power External Signal Inverter

Product Features
ESI-1 is an External Signal Interface to the S-link bus. It has two analogue inputs (4-20mA) that control the bow and stern thrusters proportionally. It can operate all SEP, SHP and SAC thrusters combined with the retract controller SR150000 and automatic main switch (AMS). The ESI-1 is typically used with autopilots with 4-20mA outputs and 3rd party control systems.
Function
Digital input DI1 enables the two analogue inputs AI1 & AI2 when supplied with 12V or 24V control signal. Enabling DI1 will also activate the relay output RO1 as ESI-1 activation feedback. Analog input AI1 & AI2 (two 4-20mA inputs) determines the thruster speed and direction. AI1 determines the bow thruster speed and direction and AI2 determines the stern thruster speed and direction. 12mA is the centre signal and will stop the thruster. 4mA will give 100% thrust to the port side.

20mA will give 100% thrust to the starboard side. Relay output RO2 is the run enable feedback for hydraulic thrusters. RO2 will be activated when the hydraulic thruster can run. If there is active emergency feedback from the hydraulic controller (PHC) then RO2 will be deactivated. RO2 have only anyuse with hydraulic PHC controllers.
Dip-switch Settings
Switch 3 and 4 sets the ESI-1 Operation Mode. Switch 3 and 4 must be set to OFF. Any other setting is preserved and the ESI-1 will not work as described in this manual.
Dip-switch no1 can be used to set prioritization of the ESI-1.
Switch no1 OFF (default):
All other devices sending thrust have higher priority over ESI-1. This means that ESI-1 will send 0% thrust to bow and stern when any other devices are sending bow or stern thrust. ESI-1 will resume control over thrusters 3 seconds after the last command from other devices.
Switch no1 ON:
ESI-1 will have the same priority as all other devices. In this case, ESI-1 will always send thrust with the same priority as other devices. The thruster controller will output the highest thrust received and stop if signals have conflicting directions.
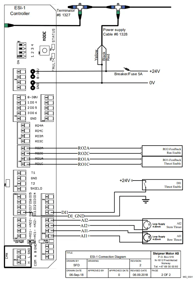
Connections
ESI-1 needs to be powered externally with 8-31V DC, and S-link connection for communication with thruster controllers. Relay outputs RO1 & RO2 is normally open (NO) relay contacts and closed when activated. Maximum relay current: 10 A. Digital input DI1 is opto-isolated from power supply ground. A signal ground connection must be provided to the GND connection on the Digital Input terminal block. Analogue input AI1 & AI2 is 4 20mA non-isolated resistive load inputs. The 4-20mA source connected to these inputs need to supply the loop power.
LED status
STATUS LED (GREEN):
| Continuous | Flashing |
| Power ok and communication on S-link is present. | Power is good but no S-link communication. |
Installation Guide
Failure to follow the considerations and precautions can cause serious injury, damage and will render all warranties given by Sleipner Motor as VOID.
Responsibility of the Installer
The installer must read this document to ensure necessary familiarity with the product before installation.
Instructions in this document cannot be guaranteed to comply with all international and national regulations. It is the responsibility of the installer to follow all applicable international and national regulations when installing Sleipner products.
The recommendations given in this document are guidelines ONLY, and Sleipner strongly recommends that advice is obtained from a person familiar with the particular vessel and applicable regulations.
This document contains general installation instructions intended to support experienced installers. If you are not skilled in this type of work, please contact professional installers for assistance.
If required by local regulation, electrical work must be done by a licensed professional.
Appropriate health and safety procedures must be followed during installation. Faulty installation of Sleipner products will render all warranties given by Sleipner Motor AS.
When installing an S-Link™ system DO NOT connect any other control equipment directly to the S-Link™ bus except original Sleipner S-Link™ products.
In case of connecting third-party equipment, it must always be connected through a Sleipner-supplied interface product.
Any attempt to directly control or connect into the S-Link™ control system without a designated and approved interface will render all warranties and responsibilities of all of the connected Sleipner products.
If you are interfacing the S-Link™ bus by agreement with Sleipner through a designated Sleipner supplied interface, you are still required to install at least one original Sleipner control panel to enable efficient troubleshooting if necessary.
Measurements
Measurement code | Measurement description | ESI | |
mm | inch | ||
| L | ESI Length | 190 | 7.48 |
| +L | Additional ESI Length | 212 | 8.35 |
| H | ESI Height | 156.5 | 6.16 |
| W | ESI Width | 58.5 | 2.3 |
| +W | Additional ESI Width | 2,8 | 0.11 |
| (a) | Distance of attachment holes (width) | 200 | 7.87 |
| (b) | Distance of attachment holes (width) | 95 | 3.74 |

Technical Specification
| Description | Value |
| Supply | 8-31 VDC/ max 7 Watts |
| Operating temperature | –20°C to +70°C [–4°F to +158°F |
| Storage temperature | –40°C to +85°C [–40°F to +176°F] |
| IP Rating | IP20 |
| Weight | 500 g [1.1 lb] |
| Digital Input DI1 to DI7 with common 0V | Opto-isolated 8-31V |
| Digital Output DO1 to DO6 | Max 4A. Dedicated supply input 8-31VDC |
| Relay contacts (NO) RO1, RO2, RO3 & RO4 | Max. switching current 10A at 24VDC |
| Analogue input 4-20mA AI1 & AI2 | Non isolated, Resistive load |
| Analogue output 4-20mA AO1 & AO2 | Isolated. External loop power required |
| Temp sensor T1 – KTY84 | 1K ohm @ 100°C |
| Temp sensor T2 – NTC | 100K ohm @ 25°C |
| Terminal connections | 0.2 to 1.5 mm² [16 to 24 AWG] Cage clamp |
ESI Installation
- Screw the ESI unit to a solid surface on the hull.

- Follow the wring guide to connected cabling for the ESI.

S-Link System Description
S-Link is a CAN-based control system used for communication between Sleipner products installed on a vessel. The system uses BACKBONE Cables as a common power and communication bus with separate SPUR Cables to each connected unit. Units with low power consumption are powered directly from the S-Link bus therefore one power cable must be connected to the BACKBONE Cable through a T-Connector.
Main advantages of S-Link system:
- Compact and waterproof plugs.
- BACKBONE and SPUR Cables have different colour coding and keying to ensure correct and easy installation. BACKBONE Cables have blue
connectors and SPUR Cables have green connectors. - Different cable lengths and BACKBONE Extenders makes the system scalable and flexible to install.
Installation of S-Link cables:
Select appropriate cables to keep the length of BACKBONE- and SPUR Cables to a minimum. In case of planned installation with total BACKBONE Cable length exceeding 100 meters please consult your local distributor. The S-Link cables should be installed to ensure sharp bend radius’s is avoided. Locking mechanism on connectors must be fully closed. To ensure long lifetime, cables, T-Connectors and Extenders should not be located so that they are permanently immersed in water or other fluids. It is also recommended to install cables such that water and condensation do
not run along the cables and into the connectors.
The POWER Cable should ideally be connected around the middle of the BACKBONE Cable to ensure an equal voltage drop at each end of the
BACKBONE Cable. The yellow and black wire in the POWER Cable shall be connected to GND and the red wire connected to +12VDC or +24VDC.
To reduce the risk of interference, avoid routing the S-Link cables close to equipment such as radio transmitters, antennas or high voltage cables. The backbone must be terminated at each end with the END Terminator.
SPUR cables can be left unterminated to prepare for the installation of future additional equipment. In such cases, ensure to protect open connectors from water and moisture to avoid corrosion in the connectors.
BACKBONE Cable
Forms the communication and power bus throughout a vessel. Available in different standard lengths.
SPUR Cable
Used to connect S-Link compliant products to the backbone cable. One SPUR Cable must be used for each connected component, with no exceptions. Recommended to be as short as practically possible. Available in different standard lengths.
POWER Cable
Required in all installations for connection of BACKBONE Cable to a power supply. It shall not be more than one POWER Cable in an installation.
T-Connector
Used for connection of SPUR or POWER Cable to the BACKBONE Cable. One T-Connector for each connected cable.
BACKBONE Extender
Connects two BACKBONE Cables to extend the length.
END Terminator
Must be one at each end of the BACKBONE bus.
4-Port T-Connector
The 4-PORT T-connector allows multiple SPUR Cables to be connected. The 4-PORT T-connector comes with two sealing caps to protect unused ports.

Visual Wiring Diagram

Service and Support
Find your local professional dealer from our certified worldwide network for expert service and support.
visit our website www.sleipnergroup.com/support
Product Spare Parts and Additional Resources
For additional supporting documentation, we advise you to visit our website www.sleipnergroup.com and find your Sleipner product.
Warranty statement
- Sleipner Motor AS (The “Warrantor”) warrants that the equipment (parts, materials and embedded software of products) manufactured by the
Warrantor is free from defects in workmanship and materials for the purpose for which the equipment is intended and under normal use and
service (the “Warranty”). - This Warranty is in effect for two years (Leisure Use) or one year (Commercial and other Non-leisure Use) from the date of purchase by the end
user (for demonstration vessels, the dealer is deemed as end user). - This Warranty is transferable and covers the equipment for the specified warranty period.
- The warranty does not apply to defects or damages caused by faulty installation or hook-up, abuse or misuse of the equipment including exposure to excessive heat, salt or fresh water spray, or water immersion except for equipment specifically designed as waterproof.
- In case the equipment seems to be defective, the warranty holder (the “Claimant”) must do the following to make a claim:
(a) Contact the dealer or service centre where the equipment was purchased and make the claim. Alternatively, the Claimant can make the claim to a dealer or service centre found at www.sleipnergroup.com. The Claimant must present a detailed written statement of the nature and circumstances of the defect, to the best of the Claimant’s knowledge, including product identification and serial nbr., the date and place of purchase and the name and address of the installer. Proof of purchase date should be included with the claim, to verify that the warranty period has not expired;
(b) Make the equipment available for troubleshooting and repair, with direct and workable access, including dismantling of furnishings or similar, if any, either at the premises of the Warrantor or an authorised service representative approved by the Warrantor. Equipment can only be returned to the Warrantor or an authorised service representative for repair following a pre-approval by the Warrantor’s Help Desk and if so, with the Return Authorisation Number visible postage/shipping prepaid and at the expense of the Claimant. - Examination and handling of the warranty claim:
(a) If upon the Warrantor’s or authorised service Representative’s examination, the defect is determined to result from defective material or workmanship in the warranty period, the equipment will be repaired or replaced at the Warrantor’s option without charge, and returned to the Purchaser at the Warrantor’s expense. If, on the other hand, the claim is determined to result from circumstances such as described in section 4 above or a result of wear and tear exceeding that for which the equipment is intended (e.g. commercial use of equipment intended for leisure use), the costs for the troubleshooting and repair shall be borne by the Claimant;
(b) No refund of the purchase price will be granted to the Claimant, unless the Warrantor is unable to remedy the defect after having a reasonable number of opportunities to do so. In the event that attempts to remedy the defect have failed, the Claimant may claim a refund of the purchase price, provided that the Claimant submits a statement in writing from a professional boating equipment supplier that the installation instructions of the Installation and Operation Manual have been complied with and that the defect remains. - Warranty service shall be performed only by the Warrantor, or an authorised service representative, and any attempt to remedy the defect by anyone else shall render this warranty void.
- No other warranty is given beyond those described above, implied or otherwise, including any implied warranty of merchantability, fitness for a particular purpose other than the purpose for which the equipment is intended, and any other obligations on the part of the Warrantor or its employees and representatives.
- There shall be no responsibility or liability whatsoever on the part of the Warrantor or its employees and representatives based on this Warranty for injury to any person or persons, or damage to property, loss of income or profit, or any other incidental, consequential or resulting damage or cost claimed to have been incurred through the use or sale of the equipment, including any possible failure or malfunction of the equipment or damages arising from collision with other vessels or objects.
- This warranty gives you specific legal rights, and you may also have other rights which vary from country to country.
Patents
At Sleipner we continually reinvest to develop and offer the latest technology in marine advancements. To see the many unique designs we have patented visit our website www.sleipnergroup.com/patents
Customer Support
SLEIPNER AS
P.O. Box 519
N-1612 Fredrikstad
Norway
www.sleipnergroup.com
To download your language go to www.sleipnergroup.com
Sleipner Motor AS
P.O. Box 519, Arne Svendsensgt. 6-8
N-1612 Fredrikstad, Norway
Register your product and learn more at www.sleipnergroup.com




















