Installation Instructions
Original Instructions Air
Conditioners
Air Handlers
Models:
AUD24AH2/A1-D(U)
AUD36AH2/A1-D(U)
AUD48AH2/A1-D(U)
AUD60AH2/A1-D(U)
Thank you for choosing commercial air conditioners. Please read this Owner’ s Manual carefully before operation and retain it for future reference.
To Users
Thank you for selecting AC PRO’s product. Please read this instruction manual carefully before installing and using the product, so as to master and correctly use the product. In order to guide you to correctly install and use our product and achieve expected operating effect, we hereby instruct as below:
- This appliance can be used by children aged from 8 years and above and persons with reduced physical, sensory or mental capabilities or lack of experience and knowledge if they have been given supervision or instruction concerning use of the appliance in a safe way and understand the hazards involved. Children shall not play with the appliance. Cleaning and user maintenance shall not be made by children without supervision.
- In order to ensure reliability of product, the product may consume some power under stand-by status for maintaining normal communication of system and preheating refrigerant and lubricant. If the product is not to be used for long, cut off the power supply; please energize and preheat the unit in advance before reusing it.
- Please properly select the model according to actual using environment; otherwise it may impact the using convenience.
- This product has gone through strict inspection and operational test before leaving the factory. In order to avoid damage due to improper disassembly and inspection, which may impact the normal operation of unit, please do not disassemble the unit by yourself. You can contact with the special maintenance center of our company if necessary.
- When the product is faulted and cannot be operated, please contact with our maintenance center as soon as possible by providing the following information.
1) Contents of nameplate of product (model, cooling/heating capacity, product No., ex-factory date).
2) Malfunction status (specify the situations before and after the error occurs). - All the illustrations and information in the instruction manual are only for reference.
In order to make the product better, we will continuously conduct improvement and innovation. We have the right to make necessary revision to the product from time to time due to the reason of sales or production, and reserve the right to revise the contents without further notice. - If the supply cord is damaged, it must be replaced by the manufacturer, its service agent or similarly qualified persons in order to avoid a hazard.
- AC PRO assumes no responsibility for personal injury, property loss or equipment damage caused by improper installation and commissioning, unnecessary maintenance, or not following relevant national rules and regulations, industrial standards and requirements in this instruction manual.
- The final right to interpret for this instruction manual belongs to AC PRO.
Exception Clauses
Manufacturer will bear no responsibilities when personal injury or property loss is caused by the following reasons:
- Damage the product due to improper use or misuse of the product.
- Alter, change, maintain or use the product with other equipment without abiding by the instruction manual of manufacturer.
- After verification, the defect of product is directly caused by corrosive gas.
- After verification, defects are due to improper operation during transportation of product.
- Operate, repair, maintain the unit without abiding by instruction manual or related regulations.
- After verification, the problem or dispute is caused by the quality specification or performance of parts and components that produced by other manufacturers.
- The damage is caused by natural calamities, bad using environment or force majeure.
This marking indicates that this product should not be disposed with other household wastes throughout the EU. To prevent possible harm to the environment or human health from uncontrolled waste disposal, recycle it responsibly to promote the sustainable reuse of material resources. To return your used device, please use the return and collection systems or contact the retailer where the product was purchased. They can take this product for environmental safe recycling.
Safety Precautions
This product can’t be installed at corrosive, inflammable or explosive environment or the place with special requirements, such as kitchen. Otherwise, it will affect the normal operation or shorten the service life of the unit, or even cause fire hazard or serious injury. As for above special places, please adopt special air conditioner with anti-corrosive or anti-explosion function.
Improper installation, adjustment, alteration, service, maintenance, or use can cause explosion, fire, electrical shock, or other conditions which may cause death, personal injury, or property damage. Consult a qualified installer, service agency, or your distributor or branch for information or assistance. The qualified installer or agency must use factory–authorized kits or accessories when modifying this product. Refer to the individual instructions packaged with the kits or accessories when installing. Follow all safety codes. Wear safety glasses, protective clothing, and work gloves. Use quenching cloth for brazing operations. Have fire extinguisher available. Read these instructions thoroughly and follow all warnings or cautions included in literature and attached to the unit. Consult local building codes and National Electrical Code (NEC) for special requirements. Recognize safety information. This is the safety–alert symbol
.
When you see this symbol on the unit and in instructions or manuals, be alert to the potential for personal injury. Understand these signal words: DANGER, WARNING,
CAUTION and NOTICE. These words are used with the safety–alert symbol.
Indicates a hazardous situation that, if not avoided, will result in death or serious injury.
Indicates a hazardous situation that, if not avoided, could result in death or serious injury.
Indicates a hazardous situation that, if not avoided, may result in minor or moderate injury.
Indicates important but not hazard-related information, used to indicate risk of property damage.
Electrical shock hazard:
Failure to follow this warning could result in personal injury or death.
Before installing, modifying, or servicing system, main electrical disconnect switch must be in the OFF position. There may be more than 1 disconnect switch. Lock out and tag switch with a suitable warning label.
Product Introduction
2.1 Product Description
The AC PRO air handler offer the perfect combination of superior product quality, operating efficiency, operating sound levels and value for money. The condensing unit uses the environmentally friendly refrigerant R410A, which is chlorine-free to help prevent damage to the ozone layer.
2.2 Optional Accessories
| Indoor unit accessories | ||||
| No. | Name | Appearance | Q’ty | Usage |
| 1 | 3/8 CPC | ![]() | 1 | Copper Pipe Connector Liquid Line |
| 2 | 3/4 CPC | ![]() | 1 | Copper Pipe Connector Gas Line |
2.3 Physical Dimension 
Clearance Side and back 0” Front 24” for servicing.
| Model | Dimension | ||||
| W | D | H | A | B | |
| AUD24AH2/A1-D(U AUD36AH2/A1-D(U) | 21-1/4 | 21-1/4 | 48-1/4 | 11-5/8 | 20 |
| AU D48AH2/A1-D(U AU D6OAH2/A1-D(U | 24-3/4 | 21-1/4 | 57 | 11-5/8 | 20 |
2.4 Names of Main Parts 
2.5 General Information
| Model | Cooling capacity(ton) | Optional electric heater (kW) |
| AUD24AH2/A1-D(U) | 2.0 | 5/8/10 |
| AUD36AH2/A1-D(U) | 3.0 | 5/8/10 |
| AUD48AH2/A1-D(U) | 4.0 | 10/15/20 |
| AUD60AH2/A1-D(U) | 5.0 | 10/15/20 |
| Model | Motor @ 230V ~, 60Hz | |
| HP | FLA | |
| AUD24AH2/A1-D(U) AUD36AH2/A1-D(U) | 1/2 | 2.1 |
| AUD48AH2/A1-D(U) AUD60AH2/A1-D(U) | 1 | 3.2 |
Model | Filter size |
| AUD24AH2/A1-D(U) AUD36AH2/A1-D(U) | 19.29×20.31×.59 |
| AUD48AH2/A1-D(U) AUD60AH2/A1-D(U) | 20.6×20.31×.59 |
NOTES:
- Based upon W/nominal tonnage, dry coil and filter should be installed.
- Use 0.96 as approximate SCFM correction factor for wet coil.
2.6 Dip switch configuration
Set the indoor fan speed through the eight dip switches of the indoor main control board. The higher level, the higher speed of the indoor unit fan. Operation Instruction is below:
Dip switch settings must be completed before power on the unit.
Model | Level | Heat (SA2) | Cool (SA1) | ||||||
|
AUD24AH2/A1-D(U) | Level 1 | 1 | 0 | 0 | 0 | 0 | 0 | 0 | 0 |
| Level 2 | 1 | 0 | 0 | 1 | 0 | 0 | 0 | 0 | |
| Level 3 | 1 | 0 | 1 | 0 | 0 | 0 | 0 | 0 | |
| Level 4-Default | 1 | 0 | 1 | 1 | 0 | 0 | 0 | 0 | |
| Level 5 | 1 | 1 | 0 | 0 | 0 | 0 | 0 | 0 | |
| Level 6 | 1 | 1 | 0 | 1 | 0 | 0 | 0 | 0 | |
| Level 7 | 1 | 1 | 1 | 0 | 0 | 0 | 0 | 0 | |
| Level 8 | 1 | 1 | 1 | 1 | 0 | 0 | 0 | 0 | |
| AUD36AH2/A1-D(U) | Level 1 | 0 | 0 | 0 | 0 | 0 | 0 | 0 | 0 |
| Level 2 | 0 | 0 | 0 | 1 | 0 | 0 | 0 | 0 | |
| Level 3 | 0 | 0 | 1 | 0 | 0 | 0 | 0 | 0 | |
| Level 4-Default | 0 | 0 | 1 | 1 | 0 | 0 | 0 | 0 | |
| Level 5 | 0 | 1 | 0 | 0 | 0 | 0 | 0 | 0 | |
| Level 6 | 0 | 1 | 0 | 1 | 0 | 0 | 0 | 0 | |
| Level 7 | 0 | 1 | 1 | 0 | 0 | 0 | 0 | 0 | |
| Level 8 | 0 | 1 | 1 | 1 | 0 | 0 | 0 | 0 | |
| AUD48AH2/A1-D(U) | Level 1 | 1 | 0 | 0 | 0 | 0 | 0 | 0 | 0 |
| Level 2 | 1 | 0 | 0 | 1 | 0 | 0 | 0 | 0 | |
| Level 3 | 1 | 0 | 1 | 0 | 0 | 0 | 0 | 0 | |
| Level 4-Default | 1 | 0 | 1 | 1 | 0 | 0 | 0 | 0 | |
| Level 5 | 1 | 1 | 0 | 0 | 0 | 0 | 0 | 0 | |
| Level 6 | 1 | 1 | 0 | 1 | 0 | 0 | 0 | 0 | |
| Level 7 | 1 | 1 | 1 | 0 | 0 | 0 | 0 | 0 | |
| Level 8 | 1 | 1 | 1 | 1 | 0 | 0 | 0 | 0 | |
Model | Level | Heat (SA2) | Cool (SA1) | ||||||
|
AUD60AH2/A1-D(U) | Level 1 | 0 | 0 | 0 | 0 | 0 | 0 | 0 | 0 |
| Level 2 | 0 | 0 | 0 | 1 | 0 | 0 | 0 | 0 | |
| Level 3 | 0 | 0 | 1 | 0 | 0 | 0 | 0 | 0 | |
| Level 4-Default | 0 | 0 | 1 | 1 | 0 | 0 | 0 | 0 | |
| Level 5 | 0 | 1 | 0 | 0 | 0 | 0 | 0 | 0 | |
| Level 6 | 0 | 1 | 0 | 1 | 0 | 0 | 0 | 0 | |
| Level 7 | 0 | 1 | 1 | 0 | 0 | 0 | 0 | 0 | |
| Level 8 | 0 | 1 | 1 | 1 | 0 | 0 | 0 | 0 | |
NOTE: 0 means dip switch to ‘on’, 1 means dip switch to number.
2.7 Fan Performance Data
| Model | AUD24AH2/A1-D(U) | |||||||||||
| Level | Static pressure(Inches W.C.) | |||||||||||
| 0 | 0.1 | 0.15 | 0.2 | 0.3 | 0.4 | 0.5 | 0.6 | 0.7 | 0.8 | 0.9 | 1.0 | |
| Speed 1(CFM) | 1030 | 900 | 840 | – | – | – | – | – | – | – | – | – |
| Speed 2(CFM) | 1080 | 960 | 900 | 840 | – | – | – | – | – | – | – | – |
| Speed 3(CFM) | 1220 | 1120 | 1060 | 990 | 850 | – | – | – | – | – | – | – |
| Speed 4(CFM) | 1390 | 1290 | 1240 | 1180 | 1070 | 960 | – | – | – | – | – | – |
| Speed 5(CFM) | 1580 | 1490 | 1440 | 1390 | 1290 | 1180 | 1090 | 970 | 830 | – | – | – |
| Speed 6(CFM) | 1720 | 1640 | 1600 | 1550 | 1450 | 1360 | 1250 | 1130 | 960 | – | – | – |
| Speed 7(CFM) | 1800 | 1730 | 1680 | 1630 | 1550 | 1460 | 1370 | 1270 | 1150 | 970 | 830 | |
| Speed 8(CFM) | 1850 | 1820 | 1790 | 1740 | 1660 | 1580 | 1500 | 1410 | 1340 | 1200 | 1080 | 930 |
| Model | AUD36AH2/A1-D(U) | |||||||||||
| Level | Static pressure(Inches W.C.) | |||||||||||
| 0 | 0.1 | 0.15 | 0.2 | 0.3 | 0.4 | 0.5 | 0.6 | 0.7 | 0.8 | 0.9 | 1.0 | |
| Speed 1(CFM) | 1150 | 1050 | 950 | 880 | – | – | – | – | – | – | – | – |
| Speed 2(CFM) | 1200 | 1100 | 1000 | 940 | 850 | – | – | – | – | – | – | – |
| Speed 3(CFM) | 1380 | 1260 | 1200 | 1100 | 950 | – | – | – | – | – | – | – |
| Speed 4(CFM) | 1550 | 1460 | 1390 | 1310 | 1160 | 1010 | 830 | – | – | – | – | – |
| Speed 5(CFM) | 1710 | 1650 | 1600 | 1560 | 1480 | 1400 | 1310 | 1210 | 1080 | 930 | – | – |
| Speed 6(CFM) | 1840 | 1800 | 1750 | 1710 | 1640 | 1590 | 1500 | 1420 | 1330 | 1220 | 1100 | 960 |
| Speed 7(CFM) | 1870 | 1830 | 1810 | 1800 | 1760 | 1690 | 1620 | 1520 | 1440 | 1350 | 1250 | 1150 |
| Speed 8(CFM) | 1900 | 1860 | 1840 | 1830 | 1790 | 1720 | 1660 | 1600 | 1540 | 1440 | 1320 | 1220 |
| Model | AUD48AH2/A1-D(U) | |||||||||||
| Level | Static pressure(Inches W.C.) | |||||||||||
| 0 | 0.1 | 0.15 | 0.2 | 0.3 | 0.4 | 0.5 | 0.6 | 0.7 | 0.8 | 0.9 | 1.0 | |
| Speed 1(CFM) | 1640 | 1500 | 1450 | 1350 | – | – | – | – | – | – | – | – |
| Speed 2(CFM) | 1680 | 1560 | 1500 | 1380 | 1300 | – | – | – | – | – | – | – |
| Speed 3(CFM) | 1810 | 1690 | 1620 | 1550 | 1380 | – | – | – | – | – | – | – |
| Speed 4(CFM) | 1930 | 1830 | 1770 | 1710 | 1580 | 1430 | 1280 | – | – | – | – | – |
| Speed 5(CFM) | 2200 | 2110 | 2040 | 1980 | 1860 | 1720 | 1620 | 1490 | 1380 | – | – | – |
| Speed 6(CFM) | 2240 | 2190 | 2145 | 2100 | 2010 | 1870 | 1750 | 1615 | 1500 | 1380 | – | – |
| Speed 7(CFM) | 2280 | 2240 | 2200 | 2180 | 2130 | 2080 | 2000 | 1880 | 1750 | 1600 | 1420 | |
| Speed 8(CFM) | 2300 | 2260 | 2220 | 2190 | 2140 | 2090 | 2040 | 1980 | 1930 | 1800 | 1700 | 1550 |
| Model | AUD60AH2/A-D(U) | |||||||||||
| Level | Static pressure(Inches W.C.) | |||||||||||
| 0 | 0.1 | 0.15 | 0.2 | 0.3 | 0.4 | 0.5 | 0.6 | 0.7 | 0.8 | 0.9 | 1.0 | |
| Speed 1(CFM) | 1660 | 1540 | 1470 | 1400 | – | – | – | – | – | – | – | – |
| Speed 2(CFM) | 1850 | 1720 | 1650 | 1600 | 1400 | – | – | – | – | – | – | – |
| Speed 3(CFM) | 1920 | 1800 | 1730 | 1650 | 1480 | 1315 | – | – | – | – | – | – |
| Speed 4(CFM) | 2110 | 2000 | 1950 | 1860 | 1760 | 1640 | 1490 | 1325 | – | – | – | – |
| Speed 5(CFM) | 2250 | 2200 | 2190 | 2140 | 2040 | 1930 | 1800 | 1670 | 1520 | 1370 | – | – |
| Speed 6(CFM) | 2260 | 2220 | 2200 | 2170 | 2090 | 2010 | 1910 | 1760 | 1650 | 1550 | 1430 | 1380 |
| Speed 7(CFM) | 2300 | 2260 | 2230 | 2200 | 2150 | 2115 | 2050 | 1990 | 1920 | 1840 | 1750 | 1660 |
| Speed 8(CFM) | 2320 | 2280 | 2250 | 2230 | 2190 | 2140 | 2080 | 2040 | 2000 | 1950 | 1920 | 1890 |
Preparative for Installation
3.1 Pre-Installation Instruction
3.1.1 Checking Product Received
After receiving the product, please check if there is any damage caused by transportation. Shipping damage is the responsibility of the carrier. Verify the model number, specifications and accessories are correct prior to installation. The distributor or manufacturer will not accept claims from dealers for transportation damage or installation of incorrectly shipped units.
3.1.2 Before Installation
Carefully read all instructions for the installation prior to installing product. Make sure each step or procedure is understood and any special considerations are taken into account before starting installation. Assemble all tools, hardware and supplies needed to complete the installation. Some items may need to be purchased locally.
Make sure everything needed to install the product is on hand before starting.
3.1.3 Codes & Regulations
This product is designed and manufactured to comply with national codes. It is installer’s responsibilities to install the product in accordance with such codes and/or any prevailing local codes/regulations. The manufacturer assumes no responsibilities for equipment installed in violation of any codes or regulations.
3.1.4 Replacement Parts
When reporting shortages or damages, or ordering repair parts, give the complete product model and serial numbers as stamped on the product. Replacement parts for this product are available through your contractor or local distributor.
3.2 Important Safety Instructions
Recognize safety symbols, words, and labels
The following symbols and labels are used throughout this manual to indicate immediate or potential hazards. It is the owner’s responsibility to read and comply with all safety information and instructions accompanying these symbols. Failure to heed safety information increases the risk of serious personal injury or death, property damage and/or product damage.
Immediate hazards which will result in property damage, product damage, severe personal injury or death.
Hazards or unsafe practices could result in property damage, product damage, severe personal injury or death.
Hazards or unsafe practices which may result in property damage, product damage, severe personal injury or death.
Before serving or installing this equipment. The electrical power to this unit must be in the “off” position. Caution, more than one disconnect may exist.
Failure to observe this warning may result in an electrical shock that can cause personal injury or death.
The United States Environmental Protection Agency (“EPA”) has issued various regulations regarding the introduction and disposal of refrigerants introduced into this

Carbon monoxide producing devices (such as an automobile, space heater, gas water heater, etc.) should not be operated in enclosed areas such as unventilated garages, utility rooms or parking areas because of the danger of carbon monoxide (CO) poisoning resulting from the exhaust emissions. If a furnace or air handler is installed in an enclosed area such as a garage, utility room or parking area and a carbon monoxide producing device is operated therein, there must be adequate ventilation directly to outside.
This ventilation is necessary to avoid the danger of CO poisoning which can occur if a carbon monoxide producing device continues to operate in the enclosed area.
Carbon monoxide emission can be (re)circulated throughout the building if the furnace or air handler is operating in any mode.
CO can cause serious illness including permanent brain damage or death.
Installation
4.1 Unit Inspection
Upon delivery, inspect the unit for damage. Any damage must be reported immediately to the carrier. Do not install such an equipment damaged by freight which determines the integrity and safety of the unit.
Please check the equipment model number to ensure the unit is appropriately sized for the condensing unit.
If an incorrect unit is supplied, it must not be installed and it is to be returned to the supplier. The manufacturer assumes no responsibility for the installation of incorrectly delivered units. The evaporator coil contains high-pressure inert gas for holding charge.
4.2 Location
This air handler is designed for indoor installation only. Do not install it outdoors.
When installing the air handler, take consideration to minimize the length of refrigerant tubing as much as possible. Do not install the air handler in a location either above or below the condenser that violates the instructions provided with the condenser.
Service clearance is to take precedence. Allow a minimum of 24” in front of the unit for service clearance. When installing in an area directly over a finished ceiling (such as an attic), an emergency drain pan is required directly under the unit. See local and state codes for requirements. When installing this unit in an area that may become wet, elevate the unit with a sturdy, non-porous material. In installations that may lead to physical damage (i.e. a garage) it is advised to install a protective barrier to prevent such damage.
This air handler is designed for a complete supply and return ductwork system. Do not operate this product without all ductwork attached.
Based upon the actual conditions, if air handler is installed as Fig. A, the air handler should be concealed in a specific room or space and make sure the air handler is not accessible to the general public.
Based upon the actual conditions, if air handler is installed as Fig. B, make sure that there is enough space for care and maintenance and the height between the air handler and ground is above 8.2ft. And the air handler is not accessible to the general public. 
4.3 Piping Work
4.3.1 Specification of Connection Pipe
| Model | External diameter (inch) | |
| Gas pipe | Liquid pipe | |
| AUD24AH2/A1-D(U) AUD36AH2/A1-D(U) AUD48AH2/A1-D(U) AUD60AH2/A1-D(U) | Φ3/4 | Φ3/8 |
4.3.2 Piping Preparation
4.3.2.1 Solder Connection
All cut ends are to be round, burr free, and cleaned. Failure to follow this practice increases the chances for refrigerant leakage.
![]() | ![]() |
4.3.2.2 Screw Connection

| Pipe diameter (inch) | Tightening torque (N·m) |
| Φ1/4 | 15-30 |
| Φ3/8 | 35-40 |
| Φ1/2 | 45-50 |
| Φ5/8 | 60-65 |
| Φ3/4 | 70-75 |
| Φ7/8 | 80-85 |
4.4 Condensate Removal
- It is not allowed to connect the condensate drain pipe into waste pipe or other pipelines which are likely to produce corrosive or peculiar smell to prevent the smell from entering indoors or corrupt the unit.
- It is not allowed to connect the condensate drain pipe into rain pipe to prevent rain water from pouring in and cause property loss or personal injury.
- Condensate drain pipe should be connected into special drain system for air conditioner.
- The drain pan has primary and secondary drain connection. Condensate removal is performed by attaching a 3/4” PVC pipe to the evaporator coil pan and terminated in accordance with local or state Plumbing/HVAC codes. The installation must include a “P” style trap that is located closely to the evaporator coil. Do not over-tighten the drain connection in order to prevent possible damage to the evaporator drain pan. See the following figure for details of a typical condensate line “P” trap.

4.5 Ductwork
This air handler is designed for a complete supply and return ductwork system.
Do not operate the unit without all ductwork completed.
Do not operate this product without all ductwork attached.
Inadequate ductwork that restricts airflow can result in improper performance and compressor or heater failure. Ductwork is to be constructed in a manner that limits restrictions and maintains suitable air velocity. Ductwork is to be sealed to the unit in a manner that will prevent leakage.
Return ductwork: Do not terminate the return ductwork in an area that can introduce toxic or objectionable fumes/odors into the ductwork. The return ductwork is to be introduced into the air handler bottom (up flow configuration).
Return Air Filters: Each installation must include a return air filter. This filtering may be performed at the air handler or externally such as a return air filter grille.
4.6 Electric Heater
The air handlers listed in this manual do not have factory installed electric heat.
Electric heat is available as an accessory. Please refer to installation instructions provided with heater kit for the correct installation procedure.
Refer to the “Electric heater kits installation” section of this manual and the instructions provided with the heater kit for the correct installation procedure.
The electrical characteristics of the air handler, the electric heater kit, and the supply power should be identical. This air handler does not have factory installed electric heater. Electric heater is available as an accessory. If installing this option, the only heater kits that can be used are the series as indicated below. It is forbidden to use the electric heater other than those recommended.
When the electric heating is on, the fan of the air handler must be on.
4.6.1 Electric Heater Kits Available
SN. | Kit | Description | Ref. air handler use(ton) |
| 1 | AHK-05C | Circuit breaker, 5kW heat strip | 2.0/3.0 |
| 2 | AHK-08C | Circuit breaker, 8kW heat strip | 2.0/3.0 |
| 3 | AHK-10C | Circuit breaker, 10kW heat strip | 2.0/3.0/4.0/5.0 |
| 4 | AHK-15C | Circuit breaker, 15kW heat strip | 4.0/5.0 |
| 5 | AHK-20C | Circuit breaker, 20kW heat strip | 4.0/5.0 |
4.6.2 Electric Heater Kits Installation
- Ensure that all power supply is disconnected prior to installing the heater kit.
- A means of strain relief and conductor protection must be provided at the supply wire entrance into cabinet.
- Use copper conductors only.
- Installation must follow national electric code and other applicable codes.
- If this appliance is installed in an enclosed area such as a garage or utility room with any carbon monoxide producing appliance, ensure the area is properly ventilated.
1) Refer to the Table for appropriate heater kit.
2) Check any physical damage, do not install damaged heater kit.
3) Remove the upper access panel from air handler.
4) Remove cover plate from air handler.
5) Slide the heater kit in to the slot and secure element plate with previously removed screws. - Insert power leads into the circuit breaker lugs or stripped red and black wires (for heater kit without circuit breaker) and tighten.
- Connect ground wire to ground lug.
- Knock off appropriate area of the plastic circuit breaker cover on the access panel of the air handler. Knock off the holes according to the actual installation number and positions of circuit breakers. If circuit breaker is not installed, do not nock off the holes; otherwise, electric shock may occur.
- Replace access panel and check operation.

- Connection of power cords and thermostat wires.

4.7 Electrical Installation
4.7.1 Requirement and Notice on Electrical Installation
The electrical installation for the air conditioner should observe the following requirements:
- The electrical installation must be conducted by professionals in compliance with local laws and regulations and the instructions in this manual. Never extend the power cords. The electric circuit must be equipped with a circuit breaker and air switch both with sufficient capacity.
- The unit’s operating power must be within the nominal range stated in the instruction manual. Use a specialized power circuit for the air conditioner. Do not draw power from another power circuit.
- The air conditioner circuit should be at least 4.92 ft away from any inflammable surface.
- The external power cords, the thermostat wires and thermostat must be effectively fixed.
- The external power cords, the thermostat wires and thermostat can’t directly contact any hot objects. For example: they must not contact chimney pipes, warm gas pipes or other hot objects.
- The external power cords, the thermostat wires and thermostat must not be squeezed. Never pull, stretch or bend the wires.
- The external power cords, the thermostat wires and thermostat must not collide with any metal beam or edge on the ceiling, or touch any metal burrs or sharp metal edge around.
- Connect wires correspondingly by referring to the circuit diagram labeled on the unit or electric box. Screws must be tightened up. Slipped screws must be replaced by specialized flat-head screws.
- Please use the power cables that are delivered along with the air conditioner. Do not change the power cables arbitrarily. Do not change the length and terminals of the power cables. If you want to change the power cables, please contact AC PRO’s local service center.
- Wiring terminals should be connected firmly to the terminal board. Loose connection is forbidden.
- After the electrical installation is finished, please use wire clamps to secure the power cords and the thermostat wires. Make sure the wires are not clamped too tight.
- The wire gauge of power cord should be large enough. Damaged power cords or other wires must be replaced by specialized wires. Wiring work must be done according to national wiring rules and regulations.
4.7.2 Electrical Parameters
| Model | Power supply | Minimum circuit ampacity (A) | Maximum overcurrent protection (A) |
| AUD24AH2/A1-D(U) | 4 | ||
| AUD36AH2/A1-D(U) | 208/230V-1Ph-60Hz | 15 | |
| AUD48AH2/A1-D(U) | 8 | ||
| AUD60AH2/A1-D(U) |
NOTICE
- Fuse is located on the main board.
- Install a circuit breaker at every power terminal near the units (indoor unit and thermostat) with at least 0.11in contact gap. The units must be able to be plugged or unplugged.
- Circuit breaker and power cord specifications listed in the above table are determined based on the maximum power input of the units.
- Specifications of power cords listed in the above table are applicable in a working condition where ambient temperature is 104°F and multi-core copper cable (e.g. YJV copper cable, with insulated PE and PVC sheath) is protected by a conduit, and is resistant to 194°F in maximum (see IEC 60364-5-52). If working condition changes, please adjust the specifications according to national standards.
- Specifications of circuit breaker are based on a working condition where the working temperature is 104°F. If working condition changes, please adjust the specifications according to national standards.
- Adopt 5pc of AWG18 power cords to be the communication cords between indoor unit and thermostat. The maximum length is 98ft. Please select a proper length according to local conditions. Communication cords must not be twisted together.
- The wire gauge of communication cord should not be less than AWG18. It’s recommended to use AWG18 power cords as the communication cords.
4.7.3 Connection of Power Cords and Thermostat Wires
- For solid wires (as shown below):
1) Use wire cutters to cut off the wire end and then peel away about 0.95in of the insulation layer.
2) Use a screwdriver to unscrew the terminal screw on the terminal board.
3) Use nippers to bend the solid wire into a ring that fits the terminal screw.
4) Form a proper ring and then put it on the terminal board. Use a screwdriver to tighten up the terminal screw. - For strand wires (as shown below):
1) Use wire cutters to cut off the wire end and then peel away about 0.39in of the insulation layer.
2) Use a screwdriver to unscrew the terminal screw on the terminal board. - Use a round terminal fastener or clamp to fix the round terminal firmly on the peeled wire end.
- Locate the round terminal conduit. Use a screwdriver to replace it and tighten up the terminal screw (as shown below).
(3) How to connect the thermostat wires and power cords.
Lead the thermostat wires and power cords through the insulation tube. Then fix the wires with wire clamps (as shown in the following figure.)
WARNING
- Before working, please check whether the indoor unit and thermostat are powered on.
- Match the terminal numbers and wire colors with the colors indicated in the indoor unit.
- Wrong wire connection may burn the electrical components.
- Connect the wires firmly to the wiring box. Incomplete installation may lead to fire hazard.
- Please use wire clamps to secure the external covers of connecting wires. (Insulators must be clamped securely; otherwise, electric leakage may occur.)
- Ground wire should be connected.
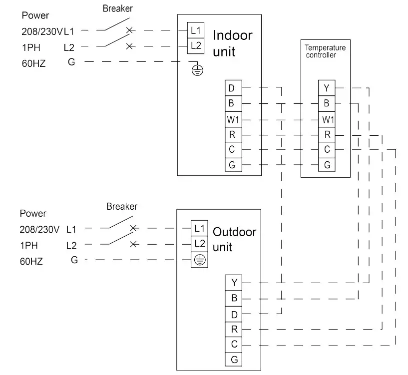
Wires of indoor unit (Only for air handler without electric heater)
NOTE: Y means Compressor control signal for the outdoor unit;
B which is energized under the heating mode means 4-way valve control signal;
D means defrosting signal;
R means 24V AC power supply;
C means 24V common;
G means indoor unit fan signal for the indoor unit; W1 means heater control signal.
NOTE: For cooling only unit, there is no need to connect the B and D terminals.
NOTE: When outdoor defrosts, D of outdoor unit will send 24V signal to avoid cold winds.
NOTE: When the electric heating operate, the indoor unit is forced to open the indoor unit fan.
Installation Check and Trial Run
5.1 Checking Items after Installation
| Items to be checked | Problems might happen due to improper installation | Check |
| Check if each parts of the unit have been installed reliably. | The unit might fall off, vibrate or emit noise. | |
| Check if the unit has passed through leakage test. | It may cause deficiency of cooling (heating) capacity. | |
| Check if the unit has been insulated properly. | It may cause condensation and water drop. | |
| Check if the water can be drained fluently. | It may cause condensation and water drop. | |
| Check if the power voltage accords with that on the nameplate. | Malfunction might happen and parts might be burned. |
| Items to be checked | Problems might happen due to improper installation | Check |
| Check if the wiring and pipe line has been installed correctly. | Malfunction might happen and parts might be burned. | |
| Check if the unit has been earthed soundly. | Hazard of electricity leakage. | |
| Check if the wiring conforms to the wire gage. | Malfunction might happen and parts might be burned. | |
| Check if there is obstruction blocking the air inlet/outlet. | It may cause deficiency of cooling (heating) capacity. | |
| Check if the piping length and refrigeration charging volume has been recorded. | Uncertain about the refrigerant charging volume. | |
| Check if the piping connection and valves have been set properly. | It may cause unit abnormality and damage the unit. | |
| Make sure there is no crack among air return and supply pipe. | It may cause air leak, vibration and noise. | |
| Check if the panel is mounted firmly. | It may cause air leak, vibration and condensation. |
5.2 Trial Run
5.2.1 Preparative for Trial Run
- Never power on the unit until all the installation work has been done.
- All the control circuit and wiring has been connected correctly and soundly. Valves on the gas and liquid line should be completely open.
- All the scattered objects should be removed, especially metal filing, thrum and clip.
- Check if the unit appearance and piping system has been damaged during transportation or handling.
- Check if the terminals are loose and the phases are correct.
5.2.2 Trial Run
- Trial run can be operated by professional personnel only after above items have been checked (items to be checked as per actual condition).
- Power on the unit and press ON/OFF button to activate.
- After compressor starting up, please immediately stop the unit when abnormal sound emits.
- Trial run under several modes and check if the unit operates normally.
Common Malfunction and Elimination
If the unit doesn’t run normally, please check the following items before ask for service.
| Phenomenon | Reason | Treatment |
| The unit can not be activated. | The unit doesn’t connect with power supply. | Connect with power supply. |
| Low voltage. | Check if circuit voltage is within rated scope. | |
| Fuse broken or breaker trips off. | Replace fuse or connect breaker. | |
| The unit operates but stops immediately. | Air inlet/outlet of indoor unit is blocked. | Remove obstacles. |
| Abnormal cooling or heating. | Air inlet/outlet of indoor unit is blocked. | Remove obstacles. |
| Inappropriate temperature setting. | Adjust setting at thermostat. | |
| Doors or windows are opened. | Close the door or windows. | |
| Direct sunshine. | Draw curtain or louver. | |
| Too much heat source in the room. | Reduce heat source. | |
| Filter screen is blocked by dirt. | Clean the filter. |
NOTE: If reasons are still unclear after checking above items, please contact AC PRO service center and show phenomena and models.
Following circumstances are not malfunction.
“Malfunction” | Reason | |
|
Unit doesn’t run. | When unit is started immediately after it is just turned off. | Overload protection switch makes it run after 3 minutes delay. |
| When power is turned on. | Standby operating for about 1 minute. | |
| Mist comes from the unit. | Under cooling. | Indoor high humidity air is cooled rapidly. |
“Malfunction” | Reason | |
|
The unit emits noise. | Slight cracking sound is heard when just turned on. | It is noise when electronic expansion valve initialization. |
| There is consecutive sound when cooling. | That’s sound for gas refrigerant flowing in the unit. | |
| There is sound when unit starts or stops. | That’s sound for gas refrigerant stops flowing. | |
| There is slight and consecutive sound when unit is running or after running. | That’s sound for operation of drainage system. | |
| The unit blows out dust. | When unit runs after no operation for a long period. | Dust in indoor unit is blew out. |
| The unit emits odor. | Operating. | The room odor absorbed by the unit is blew out again. |
| Indoor unit still runs after switch off. | After every indoor unit receive “stop” signal, fan will keep running. | Indoor fan can be set as “ON” or “AUTO” mode. Under “ON” mode, indoor fan will keep running after switch off the unit. |
There are LED indicators on the main board of the indoor unit, which are used to display the operating status and malfunction information of the unit.
LED indicator | Color | Function |
| Power Indicator | Red | Indoor unit main board is powered on, Power Indicator is on. |
| Running Indicator | Green | After detecting the indoor fan turn-on signal, the running indicator light is on, when detecting the indoor fan turning-off signal, the running indicator light is off. When detecting a system failure, the running indicator light flashes. |
Different running indicator flashing light means different system failure.
malfunction | Running Indicator status | Remark |
| Indoor Jumper cap failure | Light out 3S then flash once |
Flash means light on 0.5S then light out 0.5S |
| Indoor fan failure | Light out 3S then flash twice | |
| Indoor tube temperature sensor failure | Light out 3S then flash four times |
Maintenance and Care
Regular check, maintenance and care should be performed by professional personnel, which will prolong the unit life span.
7.1 Drain Pipe
Regularly check if the drain pipe is clogged in order to drain condensate smoothly.
7.2 Notice before Seasonal Use
- Check if the inlet/outlet of the indoor unit is clogged.
- Check if the ground wire is earthed reliably.
- Check if the filter screen has been set soundly.
- Check if the unit is installed firmly. If there is something abnormal, please contact the local appointed service center.
7.3 Maintenance after Seasonal Use
- Cut off main power supply of the unit.
- Clean filter screen of indoor units.
- Clean the dust of sundries on the indoor units.
- In the event of rusting, use the anti-rust paint to stop spreading of rust.
7.4 Parts Replacement
Purchase parts from local appointed service center or dealer if necessary.
After-Sales Service
In case the air-conditioning unit you bought has any quality problem or you have any inquiry, please contact the local after-sales service agency designated by factory.
Warranty should meet the following requirements:
- First run of the unit should be operated by professional personnel from factory appointed service center.
- Only factory manufactured accessories can be used on the machine.
- All the instructions listed in this manual should be followed.
- Warranty will be automatically invalid if fails to obey any item mentioned above.
X-Series Pre-Commissioning Checklist
Project Name:—————————-
Model #—————————-
Serial #—————————-
| Static Pressure: | |||
| Existing Static Pressure Reading (should not be above 0.6*) (Fill in): | |||
| New Unit Static Pressure Reading (Fill in): | |||
| *If existing unit has a PSC motor installed and the static pressure is above 0.6, add supply and return duct as needed. | |||
| Air Handler checklist, prior to install: | |||
| New Unit Holding Charge – double check the unit to make sure charge is holding prior to install | Y/N | ||
| Check for Position of New Air Handler | Horizontal-right | Horizontal-left | Upflow |
| Dip switch settings for air flow Level (Fill in): | |||
| Run start AH only test static pressure in factory default evel 4 (Fill in): | |||
| Adjust dip switch to the needed CFM at your current Static pressure | |||
| If default is too low increase the dip switch setting to your desired CFM see charts | |||
| Lineset guidelines | |||
| Accurately measure the existing refrigerant lines if they are over 25′ and calculate the additional footage. | |||
| When brazing use Nitrogen purge throughout the process. | |||
| Torque down the flare nuts per industry standards. | |||
| Pressurize the lineset only, leak test the fittings and the braze connections, and verify that the system is 100% leak free. | |||
| Open the valves on the indoor unit only. Pull triple evacuation on the indoor coil and linesets. | |||
| Charging guidelines | |||
| If the line set is over 31’ add .32oz per foot. | Lineset Length | Added charge | |
| ex. 50’ line set is over by 19’ multiply the overage 19’ x .32 =6.08oz of additional charge is required | |||
| Communication Wiring guidelines | |||
| Dip Switch setting for Capacity (Fill in): | |||
Add: 11700 Industry Ave., Fontana, CA 92337, USA
Tel: 1-951-360-0630
E-mail: www.acpro.com






(3) How to connect the thermostat wires and power cords.
















