BANSA ROSE HM-GY5204ACSN 52 Inch Decorative Ceiling Fan

Safety Information
- To reduce the risk of electric shock, the electricity has been turned off at the circuit breaker or fuse box before begin.
- All wiring must be in accordance with the National Electrical Code NASI/NEPA 70-1999 and local electrical codes.Electrical installation should be performed by a qualified licensed electrician.
- The outlet box and support structure must be securely mounted and capable of reliably supporting 35Ibs. (15.9kg). Use only UL listed outlet boxes marked “Acceptable for Fan Support of 35Ibs(15.9kg) or less.”
- The fan must be mounted with a minimum of 7 ft. (2m) clearance from the trailing edge of the blades to the floor.
- Do not operate the reversing switch while the fan blades are in motion. You must turn the fan off and stop the blades before you reverse the blade direction.
- Do not place objects in the path of the blades.
- To avoid personal injury or damage to the fan and other items, please be careful when working around or cleaning the fan.
- Electrical diagrams are for reference only. Light kits that are not packed with the fan must be UL -listed and marked suitable for use with the model fan you are installing.Switches must be UL General Use Switches. Refer to the instructions packaged with the light kits and switches for proper assembly.
- After making electrical connections , spliced conductors should be turned upward and pushed carefully up into the outlet box.The wires should be spread apart with the grounded conductor and the equipment-grounding conductor on one side of the outiet box.
- All set screws must be checked and retightened where necessary before installation.
WARNING:
- To reduce the risk of personal injury, do not bend the blade brackets (also referred to as flanges) during assembly or after installation. Do not insert objects in the path of the blades.
- Remove the rubber motor stops on the bottom of the fan before installing the blades o testing the motor.
- To reduce the risk of fire or electric shock, do not use this fan with any solid-state speed control device.
- To avoid possible electric shock, turn the electricity off at the main fuse box before wiring.
- If you feel you do not have enough electrical wiring knowledge or experience, contact a licensed electrician.
- Electrical diagrams are for reference only. Optional use of any light kit shall be UL-listed and marked suitable for use with this fan.
- To reduce the risk of fire, electric shock, or personal injury, mount to the outlet box marked” Acceptable for fan support of 35 lbs. (15.9 kg) or less” and use the screws provided with the outlet box.
SPECIFICATION
| Size | Speed | Volts | Amps | Watts | RPM | CFM | Net Weight | Gross Weight | Cube Feet |
|
52 in | Low |
120 | 0.22 | 10.75 | 60 | 1712 | Printed on the outer box | ||
| Medium | 0.34 | 26.05 | 105 | 3220 | |||||
| High | 0.51 | 60.62 | 172 | 5068 | |||||
The above data are for reference only, Actually the motor speed of each ceiling fan is a little different. Any products, Subject to actual products as standard
NOTE: These are approximate measures.They do not include the amps and wattage used by the light kit.
Specifications & measurements shown are subject to± 5% variations.
TOOLS REQUIRED
HARDWARE INCLUDED
components table
NOTE: Hardware not shown to actual size.
PACKAGE CONTENTS
Pis check whether the above accessories are completed or not. Yes, and install.
Installation of the hanging bracket
(suspension part)
- For the wooden ceiling, use a wood screws to drill on the wooden beam or the “junction box” to fix the hanging bracket(selection is made according to actual requirements of the customers)
- STEP 1 A-WOODEN CEILING
- Use the Mounting Bracket (A) as a guide, mark the spots where the 4 Self Tapping Screws (B) will be drilled.
- Remove the Mounting Bracket (A), drill 4 holes for 3MM diameter, install the mounting bracket onto wooden ceillng with the 4Self Tapping Screws (B)&Washers(C)
IMPORTANT: SCREWS MUST BE TIGHTENED TILL SNUG
NOTE
- According to the ceiling of different materials, use different screws to fix the hanging bracket.Don’t fix the hanging bracket on the wood ceiling less than 12MM to prevent danger caused by loosening of screws. After the hanging bracket is completed, ensure that it can withstand the tension test of more than 68KG for safety.
- For concrete ceiling, use the percussion bit with diameter 8mm to drill holes according to the length of expansion screws. Then use the attached expansion screws to fix the hanging bracket onto the ceiling (selection is made according to actual requirements of the customers).
STEP 2 A-CONCRETE CEILING
SWITCH OFF THE ELECTRICAL MAINS AT THE CIRCUIT BREAKER FUSE BOX.
- Use the Mounting Bracket (A) as a guide, mark the spots where the 4 Expansion Bolts (B)will be drilled.
- Remove the Mounting Bracket (A), drill 4 holes and insert 4 Expansion Bolts (B)into the concrete ceiling, install the mounting bracket and secure with Flat Washers (C), Spring Washers (D) and Nuts (E).
IMPORTANT: SCREWS & NUTS MUST BE TIGHTENED TILL SNUG
Electrical Outlet Box
WARNING: Contact a qualified electrician to replace the outlet box if it is not suitable for ceiling cans
- If there is an existing outlet box.ensure it is clearly marked “Suitable for Fan Support”. if not, it must be replaced with an approve one.
- Secure the outlet box (or make sure the existing box is secured) directly to the building structure. Use appropriate fasteners and building materials.wood joist and outlet box must be able to support a minimum of 50 pounds.
- Fig.1,2 and 3 are examples of different ways to mount the outlet box in different situations.A hanger support bar may be required.

Assembly – Hanging the Fan
Install download assembly
- Carefully feed the motor wires up though the download
- Align the holes and replace the hanger pin and locking pin.
- Tighten the two colar setscrews.
- Slip coupling cover.canopy cover and canopy onto the download.
Hang the fan
- Lift the fan motor assembly up to the mounting bracket and seat the hanger ball in the mounting bracket socket.Rotate the fan motor assembly until the check groove drops into the registration slot and seats firmly.The downrod should not rotate if the is done correctly
Install canopy
- Ensure the loosened screws is inserted into the key holes on the mounting bracket.
- Carefully raise the canopy up to the mounting bracket.Rotate the canopy clockwise.
- Secure the canopy by replacing the screws previously removed and tightening the screw previously loosened
- Place the canopy cover (if applicable)and rotate the canopy cover clockwise until it locks into position.
Fastening the blade arms to the motor 
- Attach a blade to the fan motor housing by first inserting the blade into the slot in the side of the fan motor housing.
- Insert a screw into the bracket. Repeat for the two remaining screws.
- Tighten each screw securely.
- Repeat these steps for the remaining blades.

- Finish

Assembly-Attaching the Lights
- Insert the “white” line in the switching box of the motor into the “white” line of the light and tie insulated rubber tape.
- Insert the “blue” line in the switching box of the motor into the “blue” line of the light and tie insulated rubber tape.

- Take the wire into the switching box of the motor.
- Align the opening of the switching box of the light at the switch locking position of the positive and negative rotation of the motor switching box. Place the cover screw in the screw of the switching box.
Install the hanging part of the ceiling fan
Making the electrical connections
WARNING: Each wire not supplied with this fan is designed to accept up to one12-gauge house wire and two wires from the fan.lf you have large than 12-gauge house wiring or more than one house wire to connect to the fan wiring, consult an electrician for the proper size wire nuts to use.
IMPORTANT: Use the plastic wire connectors(BB) supplied with your fan.Secure the connectors with electrical tape and ensure there are no loose strands or connections.
WARNING: Remove the rubber motor stops on the bottom of fan before installing the blades or testing the motor.
WARNING: Each wire not supplied with this fan is designed to accept up to one12-gauge house wire and two wires from the fan. If you have larger than12-gauge house wiring or more than one house wire to connect to the fan wiring, consult an electrician for the proper size wire nuts to use.
WARNING: Remove the rubber motor stops on the bottom of the fan before installing the blades or testing the motor.
IMPORTANT: Use the plastic wire connectors(BB) supplied with your fan. Secure the connectors with electrical tape and ensure there are no loose strands or connections.
remote control <ONLY>
SWITCH OFF THE ELECTRICAL MAINS AT TH CIRCUIT BREAKER FUSE BOX
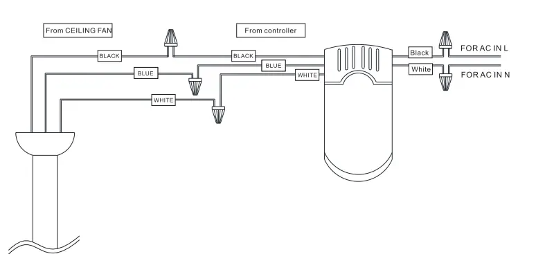
- Connect wires from the receiver to the terminal block properly as instruction diagram
Preparing for mounting Install remote control
- Carefully push the canopy to the bottom of the mounting bracket, make two sliding holes aligned to the two prominent screws on the mounting bracket, and then turn clockwise until tight.
- Push the canopy ring to the bottom oft he canopy, slide the inner holes aligned to the two prominent screws on the mounting bracket again, and turn the canopy ring clockwise until tight.
Preparing for mounting
- Remove the mounting bracket from the canopy by loosening the two canopy screws located in the L-shaped slots
- Remove and save the two canopy screws in the round holes. This will enable you to remove the mounting bracket
Use of remote control

- fan speed Low Level
- fan speed Middle LevelFanSpeed Middle Level
- fan speed High level
- FanSTOP

- LIGHT ON/OFF
- Auto-off after 1 hr
- Auto-off after 2hr
- Auto-off after 4hr
- Auto-off after 8hr
Troubleshooting
| Problem | Solution |
|
The fan will not start
• | • Check the main and branch circuit fuses or breakers. ■ Check the line wire connections to the fan and switch wire connections in the switch housing. |
| • Ensure all motor housing screws are snug. • Ensure the screws that attach the fan blade bracket to the motor hub are tight. • Ensure the wire nut connetions are not rattling against each other or the interior wall of the switch housing. • Allow a 24-hour “breaking in” period. Most noises associated with a new fan disappear curing this time. • If you are using the Ceiling Fan light kit, ensure the screws securing the glassware are tight. Check that the light bulbs are also secure. • Ensure the canopy is a short distance from the ceiling. It should not touch the ceiling. • Ensure your outlet box is secure and rubber isolator pads were used between the mounting plate and putlet box. | |
|
The fan wobbles. | • Check that all blades and bladearm screws are secure. • Most fan wobble problems are caused when blade levels are unequal. • Check this level by selecting a point on the ceiling above the tip of the blades. • Measure from a point on the center of each blade to the point on the ceiling.Measure this distance.• Rotate the fan until the next blade is positioned for measurement. • Repeat for each blade. Any measurement deviation should be within 1/8 in. • Run the fan for ten minutes. If the fan continues to wobble please contact Customer Service. |






























