KICHLER 45591AP Niles 14.75-Inch 2-Light Olde Bronze Farmhouse Vanity Light Installation Guide

CAUTION – RISK OF SHOCK
Disconnect Power at the main circuit breaker panel or main fuse box before starting and during the installation.
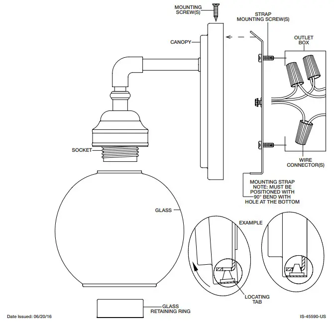
- Attach mounting strap to outlet box with supplied screws.
NOTE: The mounting strap must be mounted with the 90° bend with hole facing downward. - Grounding instructions: (See Illus. A or B)
A) On fixtures where mounting strap is provided with a hole and two raise dimples. Wrap ground wire from outlet box around green ground screw, and thread into hole.
B) On fixtures where a cupped washer is provided. Put ground wire from outlet box under cupped washer and green ground screw and thread screw into hole in mounting strap.
If fixture is provided with ground wire. Connect fixture ground wire to outlet box ground wire with wire connector, after following the above steps. Never connect ground wire
to black or white power supply wires.
- Make wire connections. Reference chart below for correct connections and wire accordingly

- Raise fixture to wall slightly tilting forward to align locating pin in bottom of canopy to hole in bottom of mounting strap.
Once locating pin is in hole of mounting strap, carefully tilt fixture towards wall. Be careful not to pinch wires between wall and canopy of fixture. - Thread mounting screws thru hole (top) in canopy into mounting strap. Tighten mounting screws to secure fixture to wall.
- Raise glass to fixture carefully passing hole in glass over socket. Thread glass retaining ring onto socket. Tighten to secure. DO NOT over tighten.
- Insert recommended bulb(s). (Not supplied)






















