Dynon SV-COM-760 25kHz Transceiver

Do not transmit without an antenna connected. Doing so may damage your transceiver module.
SV-COM-760, SV-COM-T25 and SV-COM-T83 Introduction
The SV-COM-760 is a 25kHz transceiver intended for the experimental and LSA markets. It is designed for 12V aircraft power.
The SV-COM-T25 and SV-COM-T83 are TSO’d transceivers supplied to Dynon Avionics by Trig Avionics Limited and is derived from the Trig TY91 VHF radio system. The SV-COM-T25 is intended for 25kHz applications commonly found outside of Europe. The SV-COM-T83 is intended for 8.33kHz applications commonly found in Europe.
A complete radio system consists of a transceiver module and an SV-COM-PANEL. Optionally, one can add the SV-INTERCOM-2S to the system for 2-place intercom capability.
FCC Part 15 Regulatory Notices
15.19(a)(3) This device complies with Part 15 of the FCC Rules. Operation is subject to the following two conditions: (1) this device may not cause harmful interference, and (2) this device must accept any interference received, including interference that may cause undesired operation
15.21 Changes or modifications not expressly approved by Dynon Radios LLC could void the user’s authority to operate the equipment.
Considerations for SV-COM-X83
The SV-COM-T8 VHF COM Transceiver Module is supplied to Dynon Avionics by Trig Avionics Limited and is derived from the Trig TY91 VHF radio system. The TY91 VHF radio unit supplied by Trig communicates only with the TC90 Front Panel Controller. The Dynon Avionics SV-COM-T8 communicates only with the Dynon Avionics SV-COM-PANEL. Modifications to the TY91 to create the SV-COM-T8 involved only control and interface – the transmitter/receiver sections were not modified.
The TY91/TC90 is an ED-23C compliant class C (25 kHz offset carrier) and class E (8.33 kHz single carrier) VHF radio. The TY91 has a nominal power output of 6 watts and meets the power output requirements for Class 4 and Class 6. The TY91/TC90 combination is certified to ETSO 2C169a 2C128a, TSO C169a and TSO C128a.
Note that the SV-COM-PANEL control panel is not certified. It is the installer’s responsibility to determine the suitability of the SV-COM-X83 for use in the intended locale.
Physical Installation: SV-COM-PANEL
The figures on the following pages show recommended panel cutouts, mounting hole patterns, and mechanical dimension for the SV-COM-PANEL/V (vertical) and SV-COM-PANEL/H
(horizontal). Use these diagrams to plan for the space required by the display.
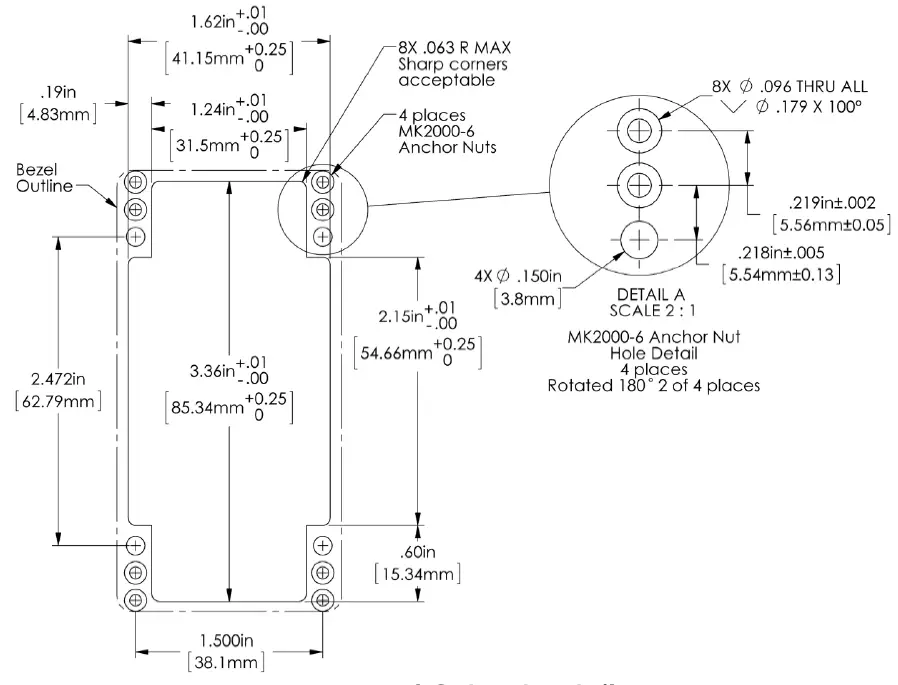
SV-COM-PANEL Dimensions

Physical Installation
SV-COM-PANEL – VERTICAL Installation Dimension Quick Overview
- Panel Cutout: (irregular – see drawing)
- Bezel Outline: 1.80” W x 3.532” T (45.72 mm W x 89.71 mm T)
- Note that the SV-COM-PANEL/V is sized such that two units can be stacked to the same height as the height of an SV-D1000 display.

SV-COM-PANEL – HORIZONTAL Installation Dimension Quick Overview
- Panel Cutout: (irregular – see drawing)
- Bezel Outline: 3.532” W x 1.80” T (89.71 mm W x 45.72 mm T)
To mount an SV-COM-PANEL, cut the opening in your panel, drill out the mounting holes, install nutplates, and use the included mounting screws to fasten the display to the panel.
The SV-COM-X25/X83 is shipped with #6-32 hex-drive round head fasteners. Fasteners are 5/8” long and require a 5/64” hex drive tool. Dynon Avionics recommends fastening the included mounting screws to nut plates installed behind the panel. If access behind the panel allows, standard #6-32 lock nuts or nuts with lock washers can be used. Do not rivet the SV-COM-PANEL to the panel as this will hinder future removal if necessary.
Mounting Dimensions
The following diagrams are NOT to scale. However, paper templates are included with your SV-COM-X25/X83 and may also be downloaded from dynon.com/docs.
SV-COM-760, SV-COM-T25 and SV-COM-T83 Installation and Configuration

Figure 209 – SV-COM-PANEL – VERTICAL Panel Cutout and Mounting Hole Dimensions – NOT ACTUAL SIZE
Physical Installation: SV-COM-XXX Transceivers
The figures on the following pages show mechanical dimensions for the SV-COM-760/T25/T83 remote transceiver modules.
The following installation procedure should be followed to install a remote transceiver module, remembering to allow adequate space for installation of cables and connectors
- If you are installing two transceivers, or combination thereof, it is acceptable to co-locate the two transceiver modules.
- Select a position in the aircraft for the transceiver modules that is not too close to any high external heat source and where reasonable airflow is available. The transceiver module is not a significant heat source itself and does not need to be kept away from other devices for this reason.
- Avoid sharp bends and placing the cables too near to the aircraft control cables.
- Secure the SV-COM-T25/T8 to the aircraft via the three (3) mounting holes in the plate. The unit should be mounted to a flat surface – it is important that the tray is supported at the dimples as well as the three mounting points.
- Put the SV-COM-T25/T8 into the secured mounting tray by hooking the connector end under the lip on the tray.
- Lock the SV-COM-T25/T8 into the mounting tray by clipping the retaining wire over the lugs on the opposite end.
- The SV-COM-760 is secured by four (4) mounting holes on the bottom plate.
Additional items you will require for installation of an SV-COM-XXX radio system, but which are not in the packaging, include: - Nutplates for mounting SV-COM-PANEL to the panel
- Circuit breaker or fuse for power to the SV-COM-T25/T8 and SV-COM-PANEL
- Power wires to transceiver module.
- Transceiver module to SV-COM-PANEL wiring.
- SkyView Network cables to connect the SV-COM-PANEL to SkyView Network
- COM Antenna, coaxial cable, terminated to TNC Male connector or cable and TNC Male connector is included with your COM antenna. The SV-COM-X25/X83 are compatible with aircraft COM antennas commonly available (may require a TNC Male to BNC Female adapter).
- The SV-COM-760 is requires a more commonly found BNC connector.
SV-COM-760, SV-COM-T25 and SV-COM-T83 Installation and Configuration

Figure 210 – SV-COM-T25/T8 Dimensions – NOT ACTUAL SIZE
Electrical Installation
Use this section in conjunction with the information contained in Appendix C: Wiring and Electrical Connections (notably Figure 250 on page 24-9).
Power Input
When the voltage supplied to the transceiver module is below 11V, the transmit power will be reduced below the nominal output of 6 watts.
The SV-COM-X25/X83 is compatible with 12 volt and 24 volt systems (10 to 30 volts DC). The SV-COM-760 is compatible only with 12 volt systems. Power input is connected to the transceiver module and the SV-COM-PANEL. See wiring diagrams and pinouts for details. Note that on the transceiver modules there are two pins for POWER input (Pins 24 and 25) and two pins for GROUND (Pins 19 and 22). Use BOTH Pins 24 and 25 for POWER input to the transceiver and use BOTH Pins 19 and 22 for GROUND to the transceiver.
Audio Signal Grounding
Ensure that audio input and output grounds terminate at a single point – typically the intercom or audio panel. Do not connect an audio input or output ground to aircraft frame ground or a power or data ground. You should run dedicated wires from audio devices to the single point audio input and output ground.
Audio Shielding
Shielded cable must be used for all audio connections. The shield should be connected to ground only at the single point audio ground.
SkyView Network Connectors
The two D9 connectors on the back of an SV-COM-PANEL display are SkyView network connectors. They have identical pinouts and are electrically connected inside the SV-COM-PANEL (i.e., they are completely interchangeable). Installers may use either connector or both connectors in SkyView installations. Using both connectors allows installers to “daisy-chain” another SkyView Network module (such as the SV-EMS-22X) that may be co-located behind the panel. Reference Table 124 on page 24-10 for SkyView Network Connector pinout information.
Note that these connectors are not serial port connectors.
Electrical Connections
Harness Construction
Because the transceiver module can be mounted in a variety of locations, the harness length requirements will vary from airplane to airplane. Thus, Dynon Avionics does not supply pre-manufactured harnesses between the transceiver module and SV-COM-PANEL. Instead, your transceiver module and SV-COM-PANEL include connectors and pins to generate a wide variety of harness configurations. Refer to the sections below for detailed wiring information.
Additional harness construction and wiring information can be found in Appendix C: Wiring and Electrical Connections.
The SV-COM-PANEL has two (electrically identical) D9M connectors for connection to SkyView Network and one D15M connector for connection with the transceiver module and an optional Frequency Flip/Flop pushbutton input.
The transceiver modules have one D25M connector for connection to the SV-COM-PANEL, power, audio, and Push to Talk (PTT). A single TNC Female connector (SV-COM-T25 and SV-COM-T83) attaches to the antenna whereas the SV-COM-760 uses a BNC connector.
SV-COM-PANEL – D15M Pinout
Table 95 – SV-COM-PANEL D15M Pinout
| Pin | Function | Notes |
| 1 | POWER IN | 10-30V DC @ 5A |
| 2 | GROUND IN | Connect to Ground Bus |
| 3 | Ground Out | Optional – For Grounding Pin 7 (Flip/Flop Switch). Switch may also be grounded locally. |
| 4 | Panel RX / Transceiver TX | Connect to Transceiver Module Pin 6 |
| 5 | Panel TX / Transceiver RX | Connect to Transceiver Module Pin 5 |
| 6 | Enable | Connect to Transceiver Module Pin 13 |
| 7 | External Flip/Flop (optional) | Push Button Normally Open to Ground (Pin 3 or local ground) |
| 8 | No Connection | (Pin not used) |
| 9 | No Connection | (Pin not used) |
| 10 | No Connection | (Pin not used) |
| 11 | No Connection | (Pin not used) |
| 12 | No Connection | (Pin not used) |
| 13 | No Connection | (Pin not used) |
| 14 | No Connection | (Pin not used) |
| 15 | No Connection | (Pin not used) |
Transceiver Module – D25M Pinout
Table 96 – SV-COM-760/T25/T8 D25M Pinout
| Pin | Function | Notes |
| 1 | PHONES GROUND | Connect to SV-INTERCOM-2S Pin 1 (Inside shielded cable) |
| 2 | PHONES OUT | Connect to SV-INTERCOM-2S Pin 14 (Inside shielded cable) |
| 3 | No connection | Do not connect |
| 4 | No connection | Do not connect |
| 5 | DATA RX from SV- COM-PANEL | Connect to SV-COM-PANEL Pin 5 |
| 6 | DATA TX to SV-COM- PANEL | Connect to SV-COM-PANEL Pin 4 |
| 7 | No connection | Do not connect |
| 8 | No connection | Do not connect |
| 9 | MICROPHONE / PTT GROUND | Connect to SV-INTERCOM-2S Pin 1 See diagram below |
| 10 | GROUND | Do not connect |
| 11 | No connection | Do not connect |
| 12 | No connection | Do not connect |
| 13 | SV-COM-PANEL ENABLE | Connect to SV-COM-PANEL Pin 6 |
| 14 | No connection | Do not connect |
| 15 | PTT IN | Connect to SV-INTERCOM-2S Pin 12 or Push Button Normally Open (PBNO) to Ground (Pin 9) |
| 16 | No connection | Do not connect |
| 17 | No connection | Do not connect |
| 18 | TRANSMIT INTERLOCK | (Use only when there are two transceiver modules.) Connect to the other radio’s PTT. |
| 19 | GROUND IN | Connect to Ground Bus |
| 20 | No connection | Do not connect |
| 21 | No connection | Do not connect |
| 22 | GROUND IN | Connect to Ground Bus |
| 23 | MICROPHONE IN | Connect to SV-INTERCOM-2S Pin 25 (Inside shielded cable) |
| 24 | POWER IN | 10-30V DC @ 5A |
| 25 | POWER IN | 10-30V DC @ 5A |
The following figure depicts how a single SV-COM-760/T25/T8 is connected to an SV-INTERCOM-2S. Note that SkyView Network connection(s) on SV-COM-PANEL are not shown, nor are additional connections between the SV-INTERCOM-2S and other devices that it connects to.

Single SV-COM-760/X25/X83 to SV-INTERCOM-2S Harness Construction Notes
Shielded cable between transceiver module Pins 2 and 1, and SV-INTERCOM-2S Pins 1 and 14:
- This cable consists of two wires plus shield.
- Use one of the wires to connect transceiver module Pin 2 to SV-INTERCOM-2S Pin 14.
- Use the other wire to connect transceiver module Pin 1 to SV-INTERCOM-2S Pin 1 (see instructions below – Terminating Shielded Cables to Pin 1 of SV-INTERCOM-2S).
- On the transceiver module end, continue the shield as far into the connector as possible until you’re forced to pare it back to access the two inner wires. Put some heat shrink tubing over the shield to keep it electrically isolated – the shield at the transceiver module end of this cable is not electrically connected at the transceiver module.
- On the SV-INTERCOM-2S end, prep the shield into a “pigtail” so that you can solder to it (see below).
Shielded cable between transceiver module Pins 23 and 9, and SV-INTERCOM-2S Pins 1 and 25: - This cable consists of two wires plus shield.
- Use one of the wires to connect transceiver module Pin 23 to SV-INTERCOM-2S Pin 25.
- Use the other wire to connect transceiver module Pin 9 to SV-INTERCOM-2S Pin 1 (see instructions below – Terminating Shielded Cables to Pin 1 of SV-INTERCOM-2S).
- On the transceiver module end, continue the shield as far into the connector as possible until you’re forced to pare it back to access the two inner wires. Put some heat shrink tubing over the shield to keep it electrically isolated – the shield at the transceiver module end of this cable is not electrically connected at the transceiver module.
- On the SV-INTERCOM-2S end, prep the shield into a “pigtail” so that you can solder to it (see below).
Terminating Shielded Cables to Pin 1 of SV-INTERCOM-2S - Four connections terminate into SV-INTERCOM-2S Pin 1:
- Transceiver module Pin 1
- Shield of the cable from transceiver module Pins 1 and 2
- Transceiver module Pin 9
- Shield of the cable from transceiver module Pins 23 and 9
- Rather than trying to terminate these four connections directly to the SV-INTERCOM-2S Pin 1, we suggest connecting a wire to Pin 1, then bond all five connections together. One method is to tie-wrap the bundle of wires and shields together, twist the wires together, and solder the five wires and shields. After the solder cools, use heat shrink tubing to insulate the connection. The following figure depicts how dual transceiver modules are connected to an SV-INTERCOM-2S. Note that the additional connections between the SV-INTERCOM-2S and other devices that it connects to are not shown. Note that the associated SV-COM-PANELs are also not shown; there are no changes in the SV-COM-PANEL to transceiver module wiring from the single transceiver module to SV-INTERCOM-2S previously shown.

Transmit Interlock
When two transceiver modules are installed, the TRANSMIT INTERLOCK pin can be connected to reduce “break-through” (noise being heard as the squelch opens) in one COM radio when the other COM radio is transmitting. The PTT IN signal (Pin 15) is connected to the TRANSMIT the other COM radio is transmitting. The PTT IN signal (Pin 15) is connected to the TRANSMIT
Dual Transceiver Module to SV-INTERCOM-2S Harness Construction Notes
Shielded cable between transceiver module #1 Pins 1 and 2, and SV-INTERCOM-2S Pins 1 and 14:
- This cable consists of two wires plus shield.
- Use one of the wires to connect transceiver module #1 Pin 2 to SV-INTERCOM-2S Pin 14.
- Use the other wire to connect transceiver module #1 Pin 1 to SV-INTERCOM-2S Pin 1 (see instructions below – Terminating Shielded Cables to Pin 1 of SV-INTERCOM-2S).
- On the transceiver module #1 end, continue the shield as far into the connector as possible until you’re forced to pare it back to access the two inner wires. Put some heat shrink tubing over the shield to keep it electrically isolated – the shield at the transceiver module #1 end of this cable is not electrically connected at transceiver module #1.
- On the SV-INTERCOM-2S end, prep the shield into a “pigtail” so that you can solder to it (see instructions below – Terminating Shielded Cables to Pin 1 of SV-INTERCOM-2S).
Shielded cable between transceiver module #1 Pins 23 and 9, and SV-INTERCOM-2S Pins 1 and 25:
- This cable consists of two wires plus shield.
- Use one of the wires to connect transceiver module #1 Pin 23 to SV-INTERCOM-2S Pin 25.
- Use the other wire to connect transceiver module #1 Pin 9 to SV-INTERCOM-2S Pin 1
(see instructions below – Terminating Shielded Cables to Pin 1 of SV-INTERCOM-2S). - On the transceiver module #1 end, continue the shield as far into the connector as possible until you’re forced to pare it back to access the two inner wires. Put some heat shrink tubing over the shield to keep it electrically isolated – the shield at the transceiver module #1 end of this cable is not electrically connected at transceiver module #1.
- On the SV-INTERCOM-2S end, prep the shield into a “pigtail” so that you can solder to it (see instructions below – Terminating Shielded Cables to Pin 1 of SV-INTERCOM-2S).
Shielded cable between transceiver module #2 Pins 1 and 2, and SV-INTERCOM-2S Pins 1 and 7:
- This cable consists of two wires plus shield.
- Use one of the wires to connect transceiver module #2 Pin 2 to SV-INTERCOM-2S Pin 7.
- Use the other wire to connect transceiver module #2 Pin 1 to SV-INTERCOM-2S Pin 1 (see instructions below – Terminating Shielded Cables to Pin 1 of SV-INTERCOM-2S).
- On the transceiver module #2 end, continue the shield as far into the connector as possible until you’re forced to pare it back to access the two inner wires. Put some heat shrink tubing over the shield to keep it electrically isolated – the shield at the transceiver module #2 end of this cable is not electrically connected at transceiver module #2.
- On the SV-INTERCOM-2S end, prep the shield into a “pigtail” so that you can solder to it (see instructions below – Terminating Shielded Cables to Pin 1 of SV-INTERCOM-2S).
Shielded cable between transceiver module #2 Pins 23 and 9, and SV-INTERCOM-2S Pins 1 and 15: - This cable consists of two wires plus shield.
- Use one of the wires to connect transceiver module #2 Pin 23 to SV-INTERCOM-2S Pin 15.
- Use the other wire to connect transceiver module #2 Pin 9 to SV-INTERCOM-2S Pin 1 (see instructions below – Terminating Shielded Cables to Pin 1 of SV-INTERCOM-2S).
- On the transceiver module #2 end, continue the shield as far into the connector as possible until you’re forced to pare it back to access the two inner wires. Put some heat shrink tubing over the shield to keep it electrically isolated – the shield at the transceiver module #2 end of this cable is not electrically connected at transceiver module #2.
- On the SV-INTERCOM-2S end, prep the shield into a “pigtail” so that you can solder to it (see instructions below – Terminating Shielded Cables to Pin 1 of SV-INTERCOM-2S).
Terminating Shielded Cables to Pin 1 of SV-INTERCOM-2S
- Eight connections terminate into SV-INTERCOM-2S Pin 1:
- TRANSCEIVER MODULE #1 Pin 1
- Shield of the cable from TRANSCEIVER MODULE #1 Pins 1 and 2
- TRANSCEIVER MODULE #1 Pin 9
- Shield of the cable from TRANSCEIVER MODULE #1 Pins 23 and 9
- TRANSCEIVER MODULE #2 Pin 1
- Shield of the cable from TRANSCEIVER MODULE #2 Pins 1 and 2
- TRANSCEIVER MODULE #2 Pin 9
- Shield of the cable from TRANSCEIVER MODULE #2 Pins 23 and 9
Rather than trying to terminate these eight connections directly to SV-INTERCOM-2S Pin 1, we suggest connecting a wire to Pin 1, then bond all nine connections together. One method is to tie-wrap the bundle of wires and shields together, twist the wires together, and solder the nine wires and shields. After the solder cools, use heat shrink tubing to insulate the connection. The following figure depicts connecting a TRANSCEIVER MODULE directly to a single headset (headphone + microphone) and a Push-To-Talk Switch when no intercom is used in a single-place aircraft.


Power/Ground Input
The TRANSCEIVER MODULE and SV-COM-PANEL require 10-30V DC. 20 AWG wire is recommended for power and ground wires for the TRANSCEIVER MODULE. For all other connections, 22 AWG wire is recommended.
Table 97 – SV-COM-PANEL to TRANSCEIVER MODULE Interconnections
| TRANSCEIVER MODULE Pin | SV-COM-PANEL Pin | Notes |
| 13 | 6 | ENABLE TRANSCEIVER MODULE -> SV-COM- PANEL |
| 5 | 5 | DATA OUT SV-COM-PANEL -> TRANSCEIVER MODULE) |
| 6 | 4 | DATA IN TRANSCEIVER MODULE -> SV-COM- PANEL |
Optional Flip / Flop Button
Pin 7 of the SV-COM-PANEL can be connected to a Push Button Normally Open (PBNO) and GROUND. Pushing this button “flip flops” the ACTIVE and STANDBY frequency selection – the same function as pressing in the TUNE knob on the SV-COM-PANEL. Typically, this signal is used with a button on the stick.
Phones / Headset Connections for SV-INTERCOM-2S
Table 98 – Phones / Headset Connections for SV-INTERCOM-2S
| TRANSCEIVER MODULE Pin | SV-INTERCOM-2S Pin | Notes |
| 2 | 14 | PHONES OUT Audio signal from radio to headset phones |
| 1 | 1 | PHONES GROUND Shield connection for PHONES OUT |
| 15 | 12 | PUSH TO TALK IN When connected to GROUND, SV- COM-X25/X83 switches from Receive to Transmit |
| 23 | 25 | MICROPHONE IN Audio signal from headset microphone to radio |
| 9 | 1 | MICROPHONE / PTT GROUND Shield connection for MICROPHONE IN |
To avoid noise, hum, and other undesirable signals, always use shielded cable for any low-level audio signals such as microphone inputs and connect the shield of the cable as directed.
Antenna Installation
Dynon Avionics does not supply COM antennas, radio coaxial cable, or antenna TNC connectors. The antenna (including coaxial cable and connector) should be installed according to the manufacturer’s instructions.
The following considerations should be taken into account when siting the antenna:
- If two COM radios (including SV-COM-X25 or SV-COM-X83) are installed, the two COM antennas should be installed as far apart as practical, ideally installing one COM antenna on the upper fuselage and the other COM antenna on the lower fuselage.
- The antenna should be well removed from any projections, the engine(s) and propeller(s). It should also be well removed from landing gear doors, access doors or other openings which will break the ground plane for the antenna.
- Separation of COM antenna(s) from transponder(s) and GPS receivers / antennas: 2 feet (24 inches).
- Separation of COM antenna(s) from Automatic Direction Finder (ADF) or 121.5 MHz Emergency Locator Transmitter (ELT): 4 feet (48 inches)
- Separation of COM antenna from another COM or NAV antenna: Recommended separation between COM antenna(s), NAV antenna(s), and ELT antennas is 6 feet (72 inches). Minimum required separation between antennas is 4 feet (48 inches). Ideally, install the primary COM antenna on the lower fuselage, and install the secondary / standby COM antenna on the upper fuselage.
- The COM antenna(s) should not be installed in close proximity to SkyView displays, modules, or servos to avoid RF interference.
- Where practical, plan the antenna location to keep the cable lengths as short as possible and avoid sharp bends in the cable to minimize the VSWR (voltage standing wave ratio).
- Double-shielded coaxial cable is superior to single shield coax – more of the transmit power will be coupled to the antenna, and less received signal will be lost.
- Electrical connection to the antenna should be protected to avoid loss of efficiency as a result of the presence of liquids or moisture. All antenna feeders shall be installed in such a way that a minimum of RF energy is radiated inside the aircraft.
Antenna Ground Plane
When a conventional aircraft monopole antenna is used it relies on a ground plane for correct behaviour. For ideal performance the ground plane should be very large compared to the wavelength of the transmission, which is approx. 7.5 feet. In a metal skinned aircraft this is usually easy to accomplish, but is more difficult in a composite or fabric skinned aircraft. In such cases, a metallic ground plane should be fabricated and fitted under the antenna.
As the ground plane is made smaller, the actual dimensions of the ground plane become more critical, and small multiples of the wavelength should be avoided, as should circles. Rectangles or squares are much less likely to create a critical dimension that resonates with the transmissions. The thickness of the material used to construct the ground plane is not critical, providing it is sufficiently conductive. A variety of proprietary mesh and grid solutions are available. Heavyweight cooking foil meets the technical requirements, but obviously needs to be properly supported.
Antenna Cable
It is recommended that a high quality 50 Ω (50 Ohms) coaxial cable, such as RG400 or RG142B is used.
When routing the cable, ensure that you:
- Route the cable away from sources of heat.
- Avoid routing antenna cables together.
- Route the cable away from potential interference sources such as ignition wiring, 400Hz generators, fluorescent lighting and electric motors.
- Allow a minimum separation of 300 mm (12 inches) from an ADF antenna cable.
- Keep the cable run as short as possible.
- Avoid routing the cable around tight bends.
- Avoid kinking the cable even temporarily during installation.
- Secure the cable so that it cannot interfere with other systems.
Antenna TNC Connector
BNC connectors are more common for COM radio installations than TNC connectors. TNC Male to BNC Female adapters such as Amphenol P/N 242149 are readily available and inexpensive and will allow an antenna system terminated in a BNC Male connector to be used with the SV-COM-T25/T8.
This section describes the technique for attaching the antenna cable to a TNC connector. A TNC connector is not supplied with the SV-COM-X25/X83. The SV-COM-T25/T8 has a TNC Female connector. Therefore, you will need to source a TNC Male connector that is compatible with the antenna cable type that meets your aircraft’s needs.
A dual crimp style TNC connector can be completed using a wide range of commercial crimp tools (for example the Tyco 5-1814800-3). The die apertures for the inner pin and the outer shield should be approximately 1.72 mm and 5.41 mm respectively.
- Strip back the coax cable to the dimensions in the table, as shown in the diagram below. Slide 25 mm (1 inch) of heat shrink tubing over the cable.
- Slide the outer crimp sleeve over the cable – it must go on before securing the center contact.

| Dimension | Cut size (mm) | Cut size (inches) |
| A | 17.5 | 0.69 |
| B | 7.2 | 0.28 |
| C | 4.8 | 0.19 |
- Crimp the center contact to the cable.
- Insert the cable into the connector – the center contact should click into place in the body, the inner shield should be inside the body of the connector and the outer shield should be outside the body.
- Crimp the outer sleeve over the shield.
- Slide heat shrink tubing forward (flush to connector) and heat to shrink the tubing.
TNC to BNC Adapter

If you have purchased a COM antenna that has coaxial cable and a BNC connector already installed, you can use a “TNC Male to BNC Female” adapter to adapt the SV-XPNDR-261/262’s TNC connector to a BNC connector. We recommend that you purchase an adapter by a reputable manufacturer of radio frequency connectors and adapter such as Amphenol. The part pictured at right is an Amphenol P/N 242149, and is available from Digi-Key as P/N ACX1378-ND.
SkyView System Settings for SV-COM-XXX
Network Setup
As with all other SkyView Network devices, the SV-COM-760/X25/X83 must be configured into the SkyView Network:
- Go to SETUP MENU > SYSTEM SETUP > SKYVIEW NETWORK SETUP > CONFIGURE > (right click) > DETECT (button).
- The SV-COM-X25/X83 will be listed as SV-COM-PANEL.
- FINISH (button) > EXIT (button)
COM RADIO Setup
To adjust Squelch and Sidetone, go to SETUP MENU > COM RADIO SETUP:
SQUELCH LEVEL – Adjust squelch level so that the audio is heard during transmissions, and muted when transmissions are not present.
> SIDETONE VOLUME – Adjust for your personal preference of how much microphone audio is heard in the headset when transmitting.
Displayed COM (Top Bar)
The status of one COM radio can be displayed on the top bar. The radio that is selected here is also the radio that you can send airports and frequencies to via SkyView’s Map Menu APT>COM and TUNE COM buttons. See the SkyView Pilot’s User Guide for additional details.
- Go to SETUP MENU > SYSTEM SETUP > DISPLAYED COM and select which COM radio status to display on the Top Bar (or NONE). (To display status of a non-Dynon Avionics radio, a serial port connection must be installed FROM the radio TO the SkyView display(s).
SV-COM-X83 – 8.33 kHz / 25 kHz Tuning Steps
The default tuning step (channel size) for the SV-COM-X83 is 8.33 kHz, not the traditional 25 kHz for aviation communications. To change to 25 kHz tuning steps (channel size):
SETUP MENU > ENABLE 8.33 KHZ (SV-COM-X83) > NO. This setting can be changed back to 8.33 kHz at any time.
Post Installation Checks
- On Ground
- Do all SV-COM-PANEL buttons and knobs function normally?
- Verify dim commands from SkyView display dim the backlighting of the SV-COM-PANEL.
- Does the (optional) FLIP/FLOP pushbutton swap the STBY and COM frequencies?
- Does pushing the PTT switch cause the SV-COM-X25/X83 to transmit (only) when pushed?
Do not transmit without an antenna connected. Doing so will damage your Transceiver Module. - (Optional, if two transceiver modules installed) Does the PTT Select Switch cause only the selected radio to transmit when PTT switch is pushed?
- Temporarily install a VSWR meter between the transceiver module and the antenna. Using brief test transmissions, is the VSWR 2.5:1 or below? The maximum acceptable VSWR for transceiver module is 2.5:1.
- When transmitting on transceiver module is there any interference to other aircraft systems?
- Power off the SkyView display(s) by pushing and holding Button #1 on the display. The SV-COM-XXX should continue to operate normally, with the exception that auto-population of the button frequencies will not occur, and a NO SV error message will appear approx. 3 seconds after SV is not operating.
- In Flight
- Does the SV-COM-XXX receive other aircraft and ground transmissions at reasonable ranges?
- Does the SV-COM-XXX receive other aircraft and ground transmissions equally well at the low end, middle, and high end of the Aviation band?
- Is received audio clear at most volume levels on the SV-COM-XXX? (Distortion at high volume levels is normal.)
- Are transmissions from the SV-COM-XXX heard by others at reasonable ranges?(Keep in mind that the power output of the SV-COM-XXX is 6 watts.)
- Are transmissions from the SV-COM-XXX clear (when received by others)?
Continued Airworthiness and Maintenance
- Periodically inspect the COM antenna for wear and weather-tight seal to the fuselage. Water intrusion could corrode the antenna connection.
- As with all wiring, periodically inspect the COM antenna’s coaxial cable for wear; repair or replace if significant wear is found.
- Periodic function checks as required by your aviation authority.



















