bas-IP AA-14FB Entrance Panel

Main features
- Panel type: Multi-apartment.
- Display: 10’’ TFT, color with backlight and heated.
- Keyboard: Touch screen.
- Camera: 1/3”.
- Resolution: 2 Мp.
- Сamera angle: 110° (horizontal).
- Output video: Full HD (1920 × 1080), H.264 Main Profile.
- Night backlight: 6 LEDs.
- Light sensitivity: 0,01 LuX.
- Protection class: IP65.
- IK-Code: IK06.
- Working temperature: -40 — +65 °С.
- Power consumption: 6,5 W, in standby — 3,6 W.
- Power supply: +12 V DC.
- Body: Aluminum.
- Colors: Silver, Gold, Black.
- Dimensions for installation: 172 × 373 × 58 mm.
- Size of the panel: 185 × 400 × 45 mm.
- Installation: Flush, surface with BR-AA14 bracket.
Full User Manual wiki.bas-ip.com
Device description
Multi-apartment entrance panel with 10 “TFT screen with backlight and heated, with face recognition and support for mobile access BAS-IP UKEY. The panel has a unique feature – face recognition. This identifying technology is integrated into the BAS-IP panels and uses the camera of the outdoor panel and infrared sensors for its operation.
Appearance

- Backlight.
- Camera.
- Loudspeaker.
- 10’’ Display.
- Reader.
- Microphone.
Completeness check of the product
Before installation of the outdoor panel, it is necessary to check that it is complete and all components are available.
Outdoor panel kit includes:
- Outdoor panel 1 pc
- Manual 1 pc
- Flush mount bracket 1 pc
- Set of wires with connectors for connection of power supply, 1 pc
- lock, and additional modules 1 pc
- Set of screws with a wrench 1 pc
Electrical connection
After verifying the device’s completeness, you can switch to the outdoor panel connection.
For connection you will need:
- An Ethernet UTP CAT5 or higher cable connected to a PoE network switch or regular switch/router.
Cable length recommendations
The maximum length of the UTP CAT5 cable segment should not exceed 100 meters, according to the IEEE 802.3 standard.
- Power supply at +12 V, 2 amps.




Flush mounting using complete brachet
- Check the availability of all components required for installation, connection and fastening.

- Measure the bracket dimensions required for carving out a niche for further bracket mounting.

- On the wall, draw a rectangle according to the dimensions done in the previous step.

- Make a niche in the wall by hollowing the wall or any other appropriate way.

Attention: the hole at the bottom is designed to drain the water. Do not intentionally close it. Also it is necessary to make a drain for water at the bottom of the niche which will serve to divert water out.
- Place flush mount bracket in the niche and outline places for anchor dowels mount opposite the holes in the bracket.

- Remove the bracket and make holes in the outlined places with a perforator.

- Hammer the anchor dowels into the resulting holes.

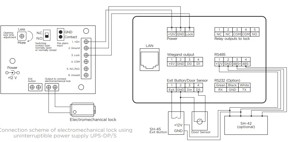
- Wire all the necessary cables for panel connection and switching (for Ethernet, an exit button, a lock, panel power, a door sensor, a fire alarm, RS485, and Wiegand interfaces) into the niche.

- Place the flush mount bracket in the hollowed-out niche and fasten it with screws through the mounting holes.

- Cut out a rectangle of 80×40 mm from foamed polyurethane or rubber and make holes opposite the required outgoing connectors on the back side of the panel.

- Pass all the protruding from the wall wires through the made earlier holes in the insulating rectangle.

- Switch and connect the protruding from the wall and passing through the insulating rectangle wires to the necessary connection cords from the panel kit.

- Join all the resulting connectors at the ends of the wires to their corresponding response parts on the panel rear side.

- Apply a thin layer of silicone sealant along the perimeter of the niche with the connectors оn the panel rear side and place the protective rectangle in a niche (where all connectors are) on the panel rear side.

- Apply a 3-4 mm layer of silicone sealant around the niche with the placed insulating rectangle, so that the sealant falls precisely on the joint of the rectangle and the back plastic cover of the panel.

- Apply a 3-4 mm layer of silicone sealant around all wires coming out of the slots in the insulating rectangle. The sealant must be applied to the top of the joint between the wire and the insulating rectangle.

- Put all connected to the panel wires on the bottom of the flush mount bracket. All the protruding from the wall and connected to the panel wires must be carefully bent in a semicircle in so that the upper part of the wiring bundle is higher than the hole for inserting cables from the wall into the inside of the bracket.

- Install the entrance panel inside the flush mount bracket.
Important!
Hold the wiring bundle on the bottom of the bracket so that some wires do not fall on the sharp edges and are not pressed by the panel.
- Fasten the entrance panel to the bracket with the fastening bolts from the kit.

Warranty
The warranty card number
- Model name
- Serial number
- Seller name
With following stated terms of warranty is familiar, functional test was performed in my presence:
Customer signature
Warranty conditions
The warranty period of the product — 36 (thirty-six) months from the date of sale.
- Transportation of product must be in its original packaging or supplied one by the seller.
- The product is accepted in warranty repair only with a properly filled warranty card and the presence of intact stickers or labels.
- The product is accepted for examination in accordance with the cases provided by law, only in the original packaging, in a full complete set, appearance corresponding to the new equipment and presence of all relevant properly filled documents.
- This warranty is in addition to the constitutional and other consumer rights and in no way restrict them.
Terms of warranty
- The warranty card must indicate the name of the model, serial number, purchase date, name of the seller, seller company stamp and the customer’s signature.
- Delivery to the warranty repair is carried out by the buyer himself. Warranty repairs carried out only during the warranty period specified in the warranty card.
- The service center is committed to do everything possible to carry out the repair warranty products, up to 24 working days. The period spent on the restoration of product functionality is added to the warranty period.











































