bas-IP BI-02 Multi Button Entrance Panel User Manual
Main features

- Panel type: Multi-apartment.
- Keypad: Backlight mechanical buttons.
- Camera: 1/4”.
- Angle: 110° (horizontal).
- Resolution: 2 Мp.
- Output video: Half HD (1280 × 720), H.264 Main Profile.
- Night backlight: 6 LEDs.
- Light sensitivity: 0,01 Lux.
- Protection class: IP65.
- IK-code: IK08.
- Working temperature: -40 — +65 °С.
- Power consumption: 6,5 W, in standby — 3,6 W.
- Power supply: +12 V DC, PoE.
- Body: Aluminum.
- Colors: Silver, Gold, Black.
- Dimensions for installation: 142 × 358 × 58 mm.
- Size of the panel: 156 × 370 × 50 mm.
- Installation: Flush, surface with BR-AA12 Bracket.
Device description
The unique multi-apartment outdoor panel has a stylish design. Calling panels are available in gold, silver and black colors. They are equipped with a wide-angle camera and support BAS-IP UKEY mobile access. Using these panels, you can make direct calls to both the internal monitors and the concierge. The device fits perfectly into the interior of a small office or cottage.
The panel has a unique feature — face recognition. This identifying technology is integrated into the BAS-IP panels and uses the camera of the outdoor panel and infrared sensors for its operation.
Appearance

- Backlight.
- Camera.
- Loudspeaker.
- Keypad.
- Concierge.
- Reader.
Completness check of the product
Before installation of the outdoor panel, it is necessary to check that it is complete and all components are available.
Outdoor panel kit includes:
| Outdoor panel | 1 pc |
| Flush mount bracket | 1 pc |
| Manual | 1 pc |
| Set of wires with connectors for connection of power supply, lock, and additional modules | 1 pc |
| A set of plugs for connections | 1 pc |
| Wrench set screws | 1 pc |
Electrical connection
After verifying the device’s completeness, you can switch to the outdoor panel connection.
For connection you will need:
- An Ethernet UTP CAT5 or higher cable connected to a network switch / router.
Cable length recommendations
The maximum length of the UTP CAT5 cable segment should not exceed 100 meters, according to the IEEE 802.3 standard. - Power supply at +12 V, 2 amps.
- Wires must be brought for the connection of alarm loops and home automation (optional).
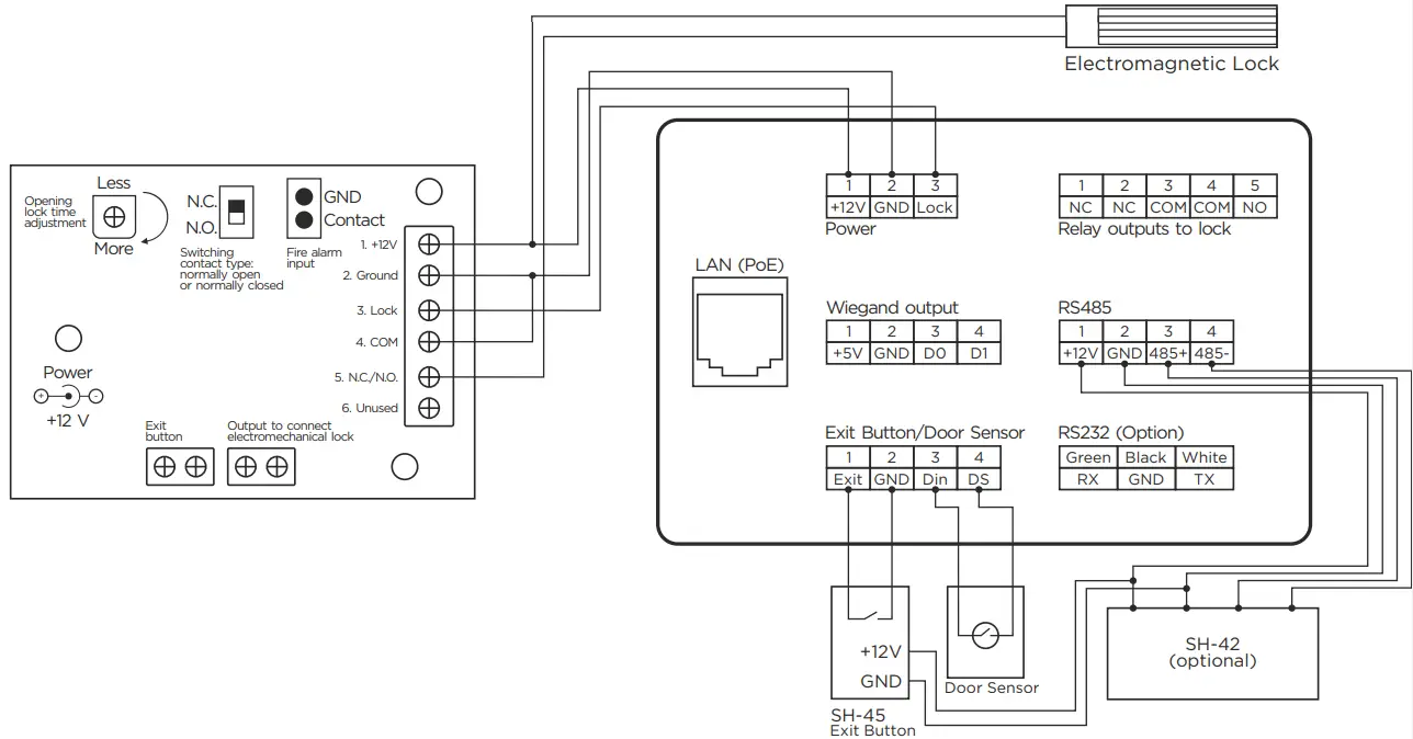
Connection scheme of electromagnetic lock using uninterruptible power supply UPS-DP/S
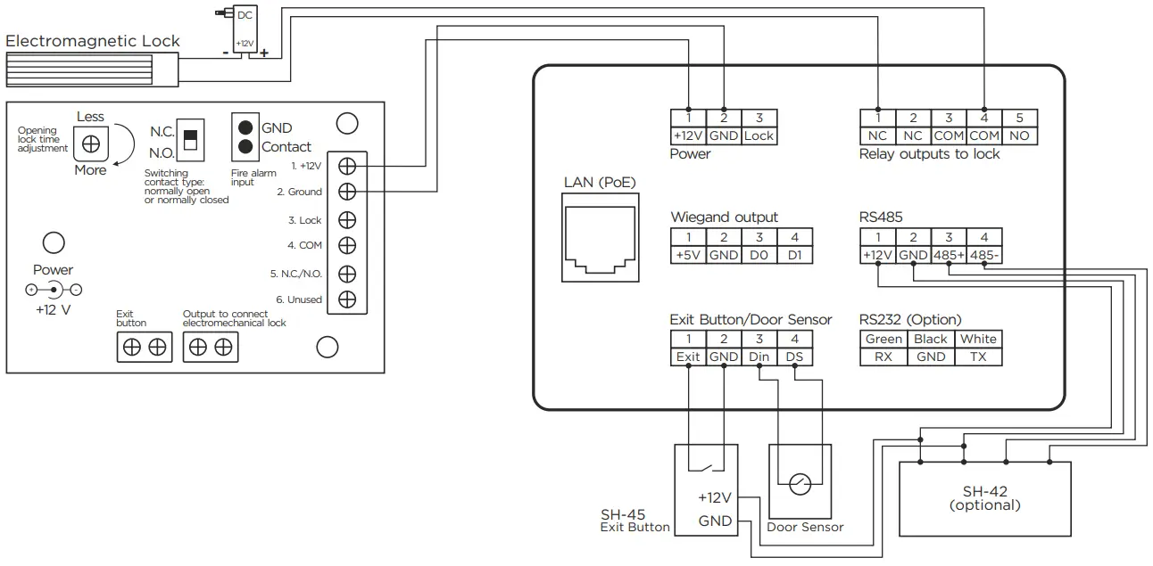
Connection scheme of electromagnetic lock using third-party power supply for the lock
Connection scheme of electromechanical lock using uninterruptible power supply UPS-DP/S
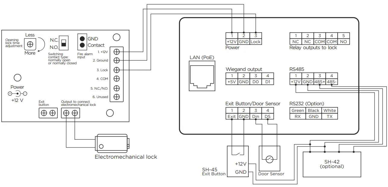
Connection scheme of electromechanical lock using third party power supply for the lock
Mechanical mounting
Before installation of the outdoor panel it is necessary to provide a hole or a recess into a wall with dimensions 144×360×59 mm (for flush mount) dimensions of the bracket (mounting box) = 142×358×58 mm.
It is also necessary to provide supply of a power cable, additional modules and the local network.
Attention: the hole at the bottom is designed to drain the water.
Do not intentionally close it. Also it is necessary to make a drain for water at the bottom of the niche which will serve to divert water out.
Outdoor Panel

Flush Bracket

Warranty
The warranty card number ______________________________
Model name ______________________________
Serial number ______________________________
Seller name ______________________________
With following stated terms of warranty is familiar, functional test was performed in my presence:
Customer signature ______________________________
Warranty conditions
The warranty period of the product — 36 (thirty-six) months from the date of sale.
- Transportation of product must be in its original packaging or supplied one by the seller.
- The product is accepted in warranty repair only with a properly filled warranty card and the presence of intact stickers or labels.
- The product is accepted for examination in accordance with the cases provided by law, only in the original packaging, in a full complete set, appearance corresponding to the new equipment and presence of all relevant properly filled documents.
- This warranty is in addition to the constitutional and other consumer rights and in no way restrict them.
Terms of warranty
- The warranty card must indicate the name of the model, serial number, purchase date, name of the seller, seller company stamp and the customer’s signature.
- Delivery to the warranty repair is carried out by the buyer himself.
- Warranty repairs carried out only during the warranty period specified in the warranty card.
- The service center is committed to do everything possible to carry out the repair warranty products, up to 24 working days. The period spent on the restoration of product functionality is added to the warranty period.





















