BUSCH-JAEGER 2025 RFID U Card Switch Insert RFID

DIMENSION
SPECIFICATION
OVERVIEW
WIRRING
CONNECTION
DANGER
Dangerous currents flow through the body when coming into direct or indirect contact with live components. This can result in electric shock, burns or even death. Work improperly carried out on current-carrying parts can cause fires.
- Disconnect the mains voltage prior to mounting and dismantling!
- Work on the 110 – 240 V mains network is to be performed by specialist staff only.
- Please read the operation manual carefully and keep it for future use.
- Additional user information and information about planning is available at www.BUSCH-JAEGER.de or by scanning the QR code.
Intended use
The devices are used for hotel rooms, offices, conference rooms, etc.
The devices are used for switching loads. The devices optionally recognise cards with or without RFD chip.
EU declaration of conformity (simplified)
Busch-Jaeger herewith declares that radio system types 2025 RFID U conform to directive 2014/53EU. The complete text of the EU declaration of conformity is available at the following Internet address: https://www.busch-jaegerkatalog-de/2CKA001012A2242,artikel.html
Functions
- Recognition of cards via RFID or mechanically
- 2 outputs independent of each other
- 3 operating modes
- Status display via LED and optical waveguide frame
Technical data
| Operating voltage: | 110 / 230 V AC, 50 – 60 Hz | ||
| Maximum current: (Output 1 + output 2) | 5,2 A | ||
| Rated current of motors: | 2 A | ||
| Protection type: | IP20 | ||
| Operating temperature: | -25°C – +45°C | ||
| RFID technology: | 13.56 MHz ISO14443B Mifare ISO14443A standard | ||
| Skinning length: [A]: | 6 mm | ||
| Types of load: | See: | ![]() | |
Operating modes
| 1 | ECO |
| 2 | Standard |
| 3 | Advanced |
| Operating mode | |||
| 1 | 2 | 3 | |
| Colour of LED display: | Whit e | Whit e | White |
| Output 1: Switch-off delay (Seconds) | 0 | 0 | 0 |
| Output 2: Switch-off delay (Seconds) | 5 | 30 | 240 |
| LED brightness for status ■ Absence (%): ■ Recognized (%): ■ Presence (%): | 40 100 20 | 60 100 30 | 60 100 30 |
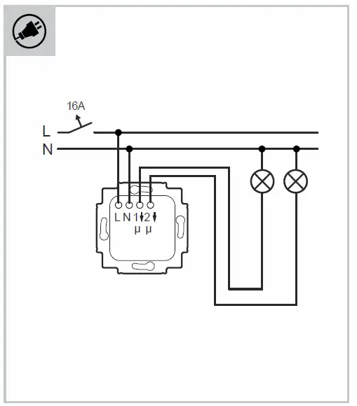
Connection
For the connection, see circuit diagram
Mounting
- The device must only be installed in suitable flush-mounted boxes or suitable surface-mounted housings.
- Installation only in dry interior rooms. Observe the applicable regulations.
- The cover frame and cover plate are not included in the scope of delivery. These must be ordered separately.
- Mounting / dismantling is carried out without tools.
- The device is supplied in an assembled state.
Control elements / Setting elements
- 4x status LED
- Sliding switch of card recognition mode
- Mechanical switch of card recognition
- Trimmer of operating mode selection
Setting
Notice
Setting 4 (custom) of the trimmer has no function.
Card recognition mode
The device has 2 card recognition modes. The sliding switch [2] is used to change between the card recognition modes.
| Recognition of the card via RFID technology (standard setting) | |
![]() | Mechanical recognition when the card is inserted (Recognition takes place via the mechanical switch [3]) |
Operating modes
- Operating modes 1, 2 or 3 are selected via the trimmer [4].
- The setting values of the respective operating mode are taken over during the automatic switchover
Operation
Behaviour when inserting cards.
- There are no cards inserted:
- The status LED lights up during the “Absence” status.
- A card is inserted and recognized.
- Outputs 1+2 switch on.
- The status LEDs light up for 30 seconds in status “Recognized”.
- After 30 seconds the status-LEDs dim in status “Presence”.
- A card is inserted:
- Outputs 1+2 are switched on.
- The status LEDs light up during the “Presence” status.
- The card is removed.
- Outputs 1+2 are switched off according to the selected operating mode (see table).
- The status LEDs flash for 2 seconds.
- After 2 seconds the status-LEDs change to status “Absence
Service
Busch-Jaeger Elektro GmbH – A member of the ABB Group, Freisenbergstraße 2, D-58513 Lüdenscheid, Germany,
Tel.: +49 2351 956-1600;
www.BUSCH-JAEGER.de


























