Honeywell Home V4044C Diverter Valve Installation Guide
APPLICATION
The V4044C valve has been designed to control the flow of water in a small bore domestic central heating system where both radiator and hot water cylinder circulation are pumped. It is typically suited for systems up to 90,000 Btu/h (26 KW).
SPECIFICATIONS
- Voltage: 230-240V ~ 50 Hz
- Power Consumption: 6W
- Lead Supplied: 1 metre, 5 core
- Operating Temperature Range: +5 to +88° C
- Maximum Ambient Air Temperature: +52° C
- Pipe Fitting Sizes: 22 mm & 28 mm compression fitting, 3/4” & 1” BSP
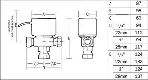
- Dimensions and KV values: See diagrams
SPARES AVAILABLE
- Powerhead Part No. 40003916-002
- Motor Part No. 40002737-003
- Ball & O-ring Kit Part No. 272742A CARD

Figure 1: Dimensions (mm).

Figure 2: Flow Characteristics.
INSTALLATION
V4044C incorporates a manual lever, the lever should
normally be in ‘AUTO’ position, but can be moved to ‘MAN.
OPEN’ position for system draindown and filling purposes
only.

Figure: 3
Before fitting the valve, read through the plumbing and wiring instructions.
This product MUST be installed by a competent person. The installation MUST conform to I.E.E. Regulations and with The Electricity at Work Regulations.
A Class ‘A’ switch (having contact separation of at least 3 mm in all poles) must be incorporated in the fixed wiring as a means of disconnecting the supply. The system must be appropriately fused.
PLUMBING
The valve MUST NOT be fitted on the return pipework under any circumstances. Flow from the boiler must be connected to port AB, the radiator circuit to port A and the hot water cylinder circuit port B.
The valve may be plumbed in at any angle, but must not be mounted so that the valve head is below the horizontal level of the pipework. In the unlikely event of a leak, a safety hazard could result.
Do not grip the valve head while making and tightening up plumbing connections. Attach a spanner (32 mm or 1 1/4” AF) onto the valve body at each port, whilst tightening up the nuts. Tighten compression nuts enough to make a watertight seal.
TAKE CARE NOT TO OVERTIGHTEN.

Figure: 3
WIRING
The wiring diagram (Figure 5) shows relevant connections to a Resideo junction box (Part No. 42002116-001). Ensure that each numbered, lettered or coloured wire is connected to the correct terminal in the junction box.
Make sure all connections are good and all terminal screws are firmly tightened.
Valve wiring configuration is:
- Brown = Motor open
- Blue = Neutral
- Green/Yellow = Earth
NOTES:
- Wiring diagram shows connections to a programmer with separate control of heating and hot water.
- If single channel time clock is used, connect switched live from time clock to terminal 4 or 6 at junction box, then link terminal 4 to terminal 6 with a link wire.
- If the programmer or time clock have no ‘Hot water OFF’ terminal, then the time clock will need to be replaced.
‘W’ Plan


Figure 5: ‘W’ Plan
CHECKOUT PROCEDURE
To ensure the valve is plumbed and wired correctly, carry
out the following checks after filling the system and
switching on the power:
- Check the manual lever is in ‘AUTO’ position.
- Check programmer has power.
- Check boiler is switched on and its thermostat set to maximum.
- Confirm correct hot water functions as follows:
- Turn room thermostat to minimum setting or switch off at programmer.
- Set cylinder thermostat to maximum and programmer to ‘HOT WATER ON’.
- Boiler should fire and pump should run. Feel pipe approximately 12” from valve port B, it should get hot.
- Confirm correct heating functions as follows:
- Turn cylinder thermostat to minimum.
- Set room thermostat to maximum and programmer to ‘HOT WATER AND CENTRAL HEATING ON’.
- Boiler should fire and pump should run. Feel pipe approximately 12” from port A, it should get hot.
COMPLETION
Reset both thermostats to temperature required, normally 60° C for cylinder thermostat and 20° C for room thermostat. Return programmer to ‘Auto’ or mode selected by householder. Full installation, wiring and operating instructions for SUNDIAL products are included in every product pack. For special wiring diagrams or applications, contact Resideo.
Whilst Resideo takes all practicable steps to design and manufacture its products to comply with the requirements of the Heath and Safety at Work Act 1974, all products must be properly used and Purchasers are reminded that their obligations under the Act are to ensure that the installation and operation of such products at a place of work should be safe and without risk to them.
Resideo reserves the right at any time and without notice to change any product or information contained in this publication.
The wiring diagrams and installation instructions in this publication are provided for guidance purposes when installing recognised standard systems only. Any application of this product not shown here, or any deviation from these instructions, is neither recommended nor advised. Any such application or deviation should be referred to Resideo for technical assistance.
Manufacturer for European Region:
Pittway Sarl, Z.A. La Piece 4,
1180 Rolle, Switzerland
Country of origin: Hungary
95C-10818—06 M.S. Rev. 07-20 | Printed in United States
Manufacturer for North and South America Region:
Resideo Technologies, Inc.
1985 Douglas Drive North, Golden Valley, MN 55422
1-800-468-1502
© 2020 Resideo Technologies, Inc. All rights reserved.
The Honeywell Home trademark is used under license from Honeywell International, Inc.





















