K-RAIN 1000 Single Station Controller

INTRODUCTION
The 1000 and 2000 Series single station controllers are attractive, versatile and cost-effective ON-OFF programmable time controls. These UL-rated controllers may be used to control irrigation equipment, Swimming pool pumps, and other equipment requiring reliable automatic and manual control.
FEATURES
- Flexible timing capabilities, from minutes to hours.
- “Skip-a-day” program feature with 14-day retained pinwheel.
- Shockproof, raintight, rugged UL-rated plastic construction.
- Keylock and easy-fo-wire screw terminals (2000 Series)
- Wide variety of control and voltage options:
- Short duration controls are available for mist or drip applications. Built-in pump start relays available 220 VAC, 110 VAC or 24 VAC Outputs available.
CONTROLLER FUNCTIONS
- TIME DIAL
Rotates one clockwise revolution every 24 hours. The controller is programmed for automatic (AUTO) operation with the insertion of timing pins in the time dia holes. Once properly set, the correct time of day Is shown by the alignment of the arrow labeled TIME with the time shown on the time dial. - DAY WHEEL AND RETAINED PIN ASSEMBLY
Has 14 pin locations for a 2-week program. The controller will operate in AUTO only on the days programmed by the depression of the day wheel pin. Once properly set, the correct day is shown by the alignment of the arrow labeled DAY with the day shown on the day wheel. - AUTO-OFF-ON SWITCH KNOB
Indicates the function of the controller by tuning to ON, for manual operation, AUTO, for automatic operation, and OFF to stop manual (ON) and automatic (AUTO) functions. - CHASIS SCREWS
Secures controller chassis to the enclosure - ELECTRICAL CONNECTION STRIP (2000 SERIES)
Allows for input and output electrical connection. Consult Electrical Circuit and Connection Diagram prior to wiring.
SETTING AND OPERATION INSTRUCTIONS
- To SET DAY OF WEEK AND TIME OF DAY:
Turn the Day Wheel until the correct day is indicated by arrow labeled “DAY” Turn the Time Dial CLOCKWISE until the correct time is indicated at the arrow labeled TIME
CAUTION: Set Time Dial in CLOCKWISE direction only
DO NOT FORCE THE TIME DIAL IN THE REVERSE DIRECTION. - TO OPERATE MANUALLY:
Turn Auto-Of-On switch to ON. When the operation is no longer needed. turn Auto-Of+-On switch back to OFF - TO SET DAILY OPERATIONS:
There are 14 days to program on the Day Wheel., For each day that operation is desired. the day wheel pin should be pushed down fully For days where operation is not desired. the døy wheel pins should be pulled out gently - TO SET OPERATING TIMES:
The 24-hour Time Dial has ninety-six 15-minute increments. The filming pins should be inserted in the Time Dial to Indicate the desired operating times. Included with each controller is a package of white 15-minute pins. Longer timing periods may be obtained by placing white pins directly next to each other in the Time Dial Also available are shorter duration 7-minute pins (yellow) and 4 minute pins (orange) - TO SET THE CONTROLLER TO OPERATE A MULTIPLE ZONE VALVE:
The operating times for each zone are represented by one pin or by a group of pins in the Time Dial at least one pin between each zone of pins in the Time Dial - TO START AUTOMATIC OPERATION:
Once the correct time and day have been set and the desired operating times have been programmed. the Auto-Off-On switch knob should be turned to AUTO.
ELECTRICAL CONNECTION INSTRUCTIONS
For 1000 Series Controllers:
- Remove the controller face from the enclosure by removing two chassis screws.
- Make wire connections as indicated by Electrical Circuit and Connection Diagram and secure connections with wire nuts provided.
- Reinstall the controller in the enclosure
For 2000 Series Controllers:
- Remove the lower cover on controller’s face
- Make wire connections to the electrical connection strips as indicated by the electrical Circuit and Connection Diagram.
- Reinstall the lower cover on contrOller’s face.
CAUTIONS:
PRIOR TO INSTALLATION OR SERVICE, DISCONNECT POWER TO THE CONTROLLER
- Ensure the proper controller has been selected for the application.
- Use appropriate gauge wire and ensure that all wiring meets local code.
- When making wire connections, do not pull excessively on controller wires as they can become disconnected.
- Properly ground controller.
- When reinstalling the controller face or lower cover, do not trap wires between standoffs and screws.
ELECTRICAL WIRING AND CIRCUIT DIAGRAMS
1000 Series

2000 Series

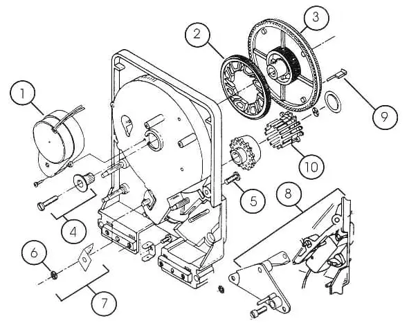
CONTROLLER DIAGRAM

PARTS LIST

TROUBLESHOOTING
IMPORTANT
Disconnect power prior to working on power or load
PROBLEM: Controller fails to keep proper time.
- CAUSE: No power or improper voltage to the motor.
SOLUTION: Check the Electrical Circuit and Connection Diagram for proper connection of power to the controller. Check voltage supply to ensure the voltage to the motor is 120 or 240 volts as specified for model type - CAUSE: Clock motor running but time dial not turning. Drive gear located behind the time dial may be broken.
Solution: Remove the time dial and inspect the drive gear. Install new drive gear noting “this side out”. Reinstall the time dial and be sure it turns freely clockwise.
PROBLEM: Controller improperly staying ON.
- CAUSE: Switch is being activated.
SOLUTION: Ensure that wires do not push against the switch or relay.
SOLUTION: Ensure that wires do not push against the switch or relay. - CAUSE: Controller improperly wired.
SOLUTION: Check Electrical Circuit and Connection Diagram and make sure that input wires are not wired directly to load. - CAUSE: Switch adjustment needed for proper automatic operation
SOLUTION: Make needed switch point adjustment as outlined in part IV of the Troubleshooting Guide - CAUSE: Switch knob, not in OFF position.
SOLUTION: Turn Auto-Off-On switch to OFF
PROBLEM: The controller does not turn ON in manual mode.
- CAUSE: No power to the controller.
SOLUTION: Be sure that the controller is properly wired as per Electrical Circuit and Connection Diagram.
SOLUTION: Check the circuit breaker.
PROBLEM: Controller fails to operate properly in automatic (AUTO) mode.
- CAUSE: Daywheel not properly programmed.
SOLUTION: Check Setting and Operation instructions for programming day wheel. - CAUSE: Auto-Off-On knob not set properly.
SOLUTION: Turn the Auto-Off-On knob to AUTO position. - CAUSE: Switch needs adjustment.
SOLUTION: Remove the controller face from the enclosure after disconnecting power to unit. The switch adjustment screw is located on the switch cover. A clicking of the switch should be heard when the switch arm is slowly pulled back at the halfway point between the edge of the time dial and the far edge of the timing pin. cause the switch to activate sooner. If the switch is activating sooner than desired, turn the adjustment screw counterclockwise slightly. - CAUSE: Switch contacts or relay wore out.
SOLUTION: Replace switch or relay (see parts list), ensuring the controller is properly rewired. (Note: A nut driver tool is available to assist in removing black retainer nuts.)
Should the above troubleshooting tips fail to correct the problem you may be having. please consult your local K-Rain distributor for service or replacement.
TWO-YEAR LIMITED WARRANTY
K-Rain products carry a “LIMITED WARRANTY”. For two years from the date of purchase, K-Rain will repair or replace (at K-Rain’s option) the product or any part if the product is found to be defective as to workmanship or material. This warranty does not extend to damage to a K-Rain product resulting from misuse, neglect or abuse, normal wear, and tea, accident, to exterior appearance or color or improper installation. This warranty extends only to an original user of a K-Rain product.
IN NO EVENT SHALL K-RAIN BE LIABLE FOR INCIDENTAL OR CONSEQUENTIAL DAMAGES. ALL IMPLIED WARRANTIES ARE LIMITED IN DURATIKON TO ONE YEAR FOLLOWING THE DATE OF PURCHASE.
Some states do not permit the exclusion or limitation of incidental or consequential damages or of implied warranties. Therefore, the above exclusions or limitations may not apply to you. If a defect arises in a K-Rain product within the two-year warranty period, you should promptly contact your K-Rain installer, distributor or K-RAIN MANUFACTURING CORP., 1640 Australian Avenue, Riviera Beach, Florida 33404 Please allow up to 4 weeks for completion of repairs or replacement and return of the product. if a product is replaced, the replacement product is covered only for the remainder of the original warranty period dating from the purchase of the original product. This warranty gives you specific legal rights, and you may also have other rights which vary from state to state. If you have any questions concerning the warranty or its appllcation, please write to K-Rain Manufacturing Corporation, 1640 Australian Avenue, Riviera Beach, FL 33404 Attn: Product Manager



















