Kingspan WRZ 10M-1G Wind-/ Rain-Control Panel

Wind-/ Rain control panel for connecting a wind-/ rain sensor and control of 230V AC drives.
Function
Wind-/ Rain control panel for connecting a wind- and rain sensor and control of 230V AC drives and multiplication the wind-rain signal of 4 pcs.
potential-free relay contacts.
Special features
- Connection for one wind and rain detector WRM/2 24V or rain detector RM/2 24V
- Automatic closing of windows, hinged windows and dome lights in conjunction with 230V drives after a wind-rain message
- Four potential-free relay contacts for multiplication and forwarding a wind-rain signal
- Connection of max. 10 pcs 230V AC ventilation drives in one motor Group
- Time-dependent contact forwarding of wind-rain signal. Configurable via DIP switches
- Time-dependent energization of the drives connection “closed”. Configurable via DIP switches
- Connection of several WRZ-10M-1G for signal reproduction
- Status messages via visual display

Scope of delivery
- 1 x Wind-/ Rain control panel WRZ 10M-1G
- 1 x set of operating instructions

Safety instructions
Documentation: This documentation is exclusively valid for the product or product range as stated in the type designation on the cover and must be applied comprehensively. This technical do-cumentation must be read carefully before installation. Follow the guidelines. Contact the manufacturer if you have any questions or problems. This documentation should be retained for future reference.
User: This documentation is aimed at trained, professional elec-tricians with safety awareness, who are familiar with mechanical and electrical equipment installation, accident prevention regula-tions and industrial compensation laws, and contains important information for operators and users.
Please observe the following safety instructions which are empha-sized by special symbols.
- Caution: Danger to persons due to electricity.
- Attention: Danger to persons due to risks arising from the operation of the equipment. Danger of crushing/trapping.
- Warning: Non-observance leads to destruction. Danger to material due to incorrect handling.
- Important information
- Use according to regulations: The product may only be used for the functions and applications detailed, and in ac-cordance with the accompanying documentation. Unauthorised electrical and mechanical modifications are not permitted and will invalidate warranty and liability.
- Transport and storage: The product may only be transported and stored in its original packaging. It must not be knocked, dropped, or exposed to moisture, aggressive vapours or harmful environ-ments. More detailed transport and storage instructions provided by the manufacturer must be observed.
- Installation: Installation and assembly may only be carried out by trained professional electricians, in accordance with the recog-nised rules of engineering as well as the technical documentation provided here. This will guarantee that the product will function safely during operation. Care should be taken that all mechanical components are fixed. Immediately after installation the electri-cal and mechanical components should be checked to ensure that they function correctly, and the tests and the results thereof should be documented.
- Operation: Safe operation is guaranteed if the acceptable rated values and guidelines regarding maintenance information stated in this documentation, as well as supplementary information provided by the manufacturer, are followed.
- Malfunction: If a malfunction is identified in the course of instal-lation, maintenance, inspection etc., immediate action should be taken to rectify the problem.
Repair and maintenance: Defective equipment must only be repaired by the manufacturer, or by companies authorised by the manufacturer. Only original spare parts may be used. Repairs may only be carried out by trained professional electricians, in ac-cordance with the recognised rules of engineering as well as the technical documentation provided here and supplementary ad-vice from the manufacturer. This will guarantee that the product will function safely during operation. Care should be taken that all mechanical components are fixed. Immediately after repair the electrical and mechanical components should be checked to ensure that they function correctly, and the tests and the results thereof should be documented. - Maintenance: If the product is used as part of a safety system such as a smoke and heat extraction system (SHE), it must be tested, maintained and if necessary repaired at least once a year as specified by the manufacturer or in line with DIN EN 18232-2 Smoke and heat control systems for instance. This is also recom-mended for systems used purely for ventilation. If the product is to be used in other safety systems, shorter maintenance intervals may be necessary. With systems composed of control units, opening devices, control sections etc., all components that inter-act directly with each other are to be included in maintenance. Maintenance must be carried out comprehensively following the manufacturer guidelines and the accompanying documen-tation. Components requiring maintenance must be accessible. Defective equipment must only be repaired by the manufacturer, or by companies authorised by the manufacturer. Only original spare parts may be used. All components that have a specified maximum operation time (such as batteries) must be replaced within this time (see technical specification) with original parts or manufacturer- approved parts. Regular inspection is necessary to ensure that the equipment is ready for operation. A maintenance contract with a recognised contractor is recommended.
Safety instructions
- Disposal: Packaging is to be disposed of appropriately. Electrical equipment is to be disposed of at recycling collection points for scrap electrical and electronic equipment. The Electrical and Electronic Equipment Act relating to disposal of electrical equipment does not apply in this instance. Rechargeable and single-use batteries are to be disposed of in line with § 12 of the Battery Ordinance (BattV), either via the manufacturer or at an appropriate collection point. Electrical equipment and batteries must not be disposed of with household waste.
- Compatibility: When putting together a system consisting of various devices made by different manufacturers, the system compatibility must be tested and approved by the constructor to ensure safe function during operation. Equipment modification to achieve compatibility must be authorised by the manufacturer.
- Conformity: This confirms that the equipment complies with the recognised rules of engineering. For electrical equipment a decla-ration of EC conformity can be requested from the manufacturer. Note: if the equipment (e.g. drive unit) is part of a machine in terms of the Machinery Directive 2006/42/EC, this does not ren-der the supplier/contractor exempt from informing the customer with regard to the necessary installation instructions, labelling, documentation and certificates relevant to this directive.
- Guarantee: The ZVEI “Green Supply Conditions” are taken as ag-reed. The guarantee period for material supply is 12 months. Any intervention with the equipment or system that is not authorised by the manufacturer will result in invalidation of liability, guarantee and service.
Liability: Product changes and settings may be modified without advance notice. Illustrations are not binding. No liability will be held for contents despite maximum care being taken.
Electrical safety
Wiring and electrical connections must only be done by an electrician. Mains 230 / 400 V AC must be secured separately on site. The appropriate laws, specifications and standards must be observed, such as the directive relating to fire safety of conduit installations (MLAR / LAR / RbALei), VDE 0100 (specifications for high-voltage circuits up to 1000 V), VDE 0815 (installation cables and wiring), VDE 0833 (fire, burglary and attack alarm systems). If necessary, cable types must be defined in conjunction with the local approval bodies, power supply companies or fire safety authorities.
Cabling for extra-low voltages (e.g. 24 V DC) is to be laid sepa-rately from low-voltage line (e.g. 230 V AC). Flexible cables must be laid in such a way that they cannot be sheared off, twisted or snapped during operation. Power supplies, control units and junction boxes must be accessible for maintenance work. Cabling types, lengths and cross-sections are to comply with technical guidelines.
Before work is carried out on the system, the mains current and emergency power supply (eg. rechargeable batteries) is to be disconnected from all-poles and secured to prevent accidental switch-on. Never operate the drive units, control units, operator elements and sensors on sup-ply voltage and connections in such a way as to contravene the guidelines in the operator manual. There is a risk of fatal injury, and it can cause components to be destroyed!
Mechanical safety
- Falling window casements: Window casements are to be mounted in such a way that even if one of the suspension elements fails, the design prevents the unit from falling or moving in an uncontrolled way, e.g. by double hanging, security stay, safety catch. Please note: to prevent obstruction/falling of the window, the security stay/safety catch must be compatible with the intended opening span and mechanism of the window. See also the directive for power-operated windows, doors and gates (BGR 232) and the ZVEI brochure “RWA Update No. 3, power-operated windows”.
Fittings and fixing material: any fixing materials required or supplied with the product must be adapted to the building and load, and if necessary supplemented. - Crush and shear points: Power-operated windows, doors and gates: Any crush and shear hazard areas, for instance between the casement and frame or skylight and base, must be secured against trapping using appropriate measures to prevent injury. See also the directive for power-operated windows, doors and gates (BGR 232) and the ZVEI brochure “RWA Update No. 3, power-operated windows”. Accident prevention regulations and industrial compensation laws: For works to, on or in a building or part thereof, the appropriate accident prevention regulations (UVV) and industrial compensation laws (BGR) are to be observed.
- Environmental conditions: The product must not be knocked, dropped, or exposed to vibration, moisture, aggressive vapours or harmful environments, unless the manufacturer has authorised one or more of these environmental conditions.
Assembly
Remove the lid of the wind-rain control panel and attach it to the specified mounting holes on the building. For suitab-le mounting material must be provided. Assemble operating elements, drives and connection boxes according to their attached operating instructions. Comply with appropriate regulations (see Page 4-5).
Cable routing diagram

Connection overview
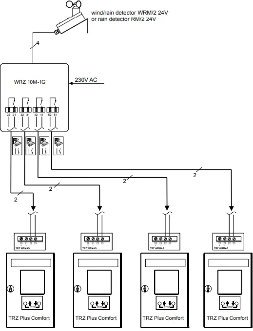
The wind-/ rain-control panel WRZ 10M-1G provides connection facilities for:
- 1 x wind- / rain detectors WRM/2 24V or 1 x rain detectors RM/2 24V
- Max. 10 ventilation drives 230V AC
- 4 potential-free relay outputs for multiplication and forwarding a wind-rain signal

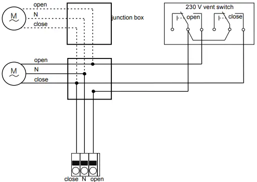
Connection to mains (230V AC)
Attention! Carry out all work without mains connection (230V AC )!
Provide power circuit that can be switched off separately!

Connection drives 230V AC and vent switch 230V

Connection relay contacts

Connection wind-/ rain detectors

Forwarding the wind- / rain signal to other control panels type TRZ Plus Comfort

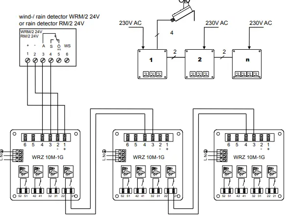
Duplication of wind/rain signal by several WRZ 10M-1G

24V power supply for the WRZ 10M-1G via a TRZ Plus Comfort control panel

Note: This example connection diagram with 24V DC power supply is also possible with compact control panel (2A, 4A, 8A) and MZ2 control panel.
Function settings
Basic factory functions:
All DIP switches OFF: As long as no wind-rain signal is present the output “OPEN”.is only supplied When a wind-rain signal is present, only the output “CLOSE” is supplied.

Additional function settings:
- DIP-Switch 1 ON: If a wind-rainsignal is present, the drive terminal “CLOSE” is just supplied for 3 seconds. After that, the drives outputs “OPEN” and “CLOSE” are not energized as long as the Wind-rain-signal is active.

- DIP-Switch 2 ON: If a wind-rain-signal is present, the drive terminal “CLOSE” is just supplied for 3 minutes. After that, the drives outputs “OPEN” and “CLOSE” are not energized as long as the Wind-rain-signal is active

- DIP-Switch 3 ON: “SERVICE”
The drive connection “CLOSE” is energized for 3 minutes even the wind-rain signal is not present.
After that, the drive outputs “OPEN” and “CLOSE” are not energized as long as the DIP switch 3 is active
- DIP-Switch 4 ON: If a wind-rain-signal is present, the motor terminal “CLOSE” is just current for 3 minutes. Then, the drive output “OPEN” is also energized when the wind-rain signal is still active.(Ventilation possible in spite of wind-rain-signal)

- DIP-Switch 5 ON: If a wind-rain-signal is present, the signal is only for 5 seconds at the relay outputs forwarded.

- DIP-Switch 6 ON: If a wind-rain-signal is present, the signal is only for 3 minutes at the relay outputs forwarded.

Visual display
The visual display shows the current state of an LED:
- LED lights “green”: No wind-rain signal
- LED lights „red“: A wind-rain-signal is present
- LED flashs „red“: Output „OPEN“ is energized even if a wind-rain signal is still active
- LED flashs„orange“: Invalid DIP switch settin
Technical data
Electrical properties
- Operating voltage: 230V AC / 50-60Hz
- Power consumption: < 500mW (without external components) < 5W (with connected wind / rain sensor) max. 465W (depending on the output load)
- Terminal power supply: till 2,5mm²
Output drive
- Voltage: 230V AC
- Power: max. 460W max. pieces drives 10
- Fuce F2: T3,15AH250V
- Terminal: till 2,5mm²
Output Relays
- Relay switching capacity: max. 30W (resistive load) max. 30 V DC / 24 V AC
- Number of relay contacts: 4
- Terminal: till 1,5mm²
Output wind/rain detector
- Voltage: 24V DC
- Current: max. 150mA
- Terminal: till 1,5mm
Mechanical properties
- Dimensions: 125 x 125 x 60mm (H x B x T)
- Weight: ca. 0,34 kg
- Housing: Polycarbonat
- Colours: light grey
- Halogen-free: yes
- Silicon-free: yes
- RoHS compliant: yes
Installation and ambient conditions
- Permissible temperature range (operation): 0 °C to +50 °C
- Permissible temperature range (storage / transpor): -25 °C to +75 °C
- Permissible humidity(operation / storage / transpor): 10% to 95%
- IP protection system: IP 66 (housing)



Cable routing diagram























