
ProForm 730CS User Manual
Model No. 831.299270
Serial No.
Find the serial number in the location shown below. Write the serial number in the space above for reference.

WARNING: To reduce the risk of burns, fire, electric shock, or injury to persons, read the following important precautions and information before operating the treadmill.
1. It is the responsibility of the owner to ensure that all users of this treadmill are adequately informed of all warnings and precautions.
2. Use the treadmill only as described.
3. Place the treadmill on a level surface, with at least eight feet of clearance behind it. Do not place the treadmill on any surface that blocks air openings. To protect the floor or carpet from damage, place a mat under the treadmill.
4. Keep the treadmill indoors, away from moisture
and dust. Do not put the treadmill in a garage or covered patio, or near water.
5. Do not operate the treadmill where aerosol products are used or where oxygen is being administered.
6. Keep children under the age of 12 and pets away from the treadmill at all times.
7. The treadmill should not be used by persons weighing more than 250 pounds.
8. Never allow more than one person on the treadmill at a time.
9. Wear appropriate exercise clothing when using the treadmill. Do not wear loose clothing that could become caught in the treadmill. Athletic support clothes are recommended for both men and women. Always wear athletic shoes. Never use the treadmill with bare feet,wearing only stockings, or in sandals.
10. When connecting the power cord (see page 8), plug the power cord into a surge suppressor (not included) and plug the surge suppressor into a grounded circuit capable of carrying 15 or more amps. No other appliance should be on the same circuit. Do not use an extension cord.
11. Use only a single-outlet surge suppressor that is UL 1449 listed as a transient voltage surge suppressor (TVSS). The surge suppressor must have a UL suppressed voltage rating of 400 volts or less and a minimum surge dissipation dissipation of 450 joules. The surge suppressor must be electrically rated for 120 volts AC and 15 amps. To purchase a surge suppressor, see your local PROFORM dealer or call 1-800-366- 7278 and order part number 14657.
12. Keep the power cord and the surge suppressor away from heated surfaces.
13. Never move the walking belt while the power is turned off. Do not operate the treadmill if the power cord or plug is damaged, or if the treadmill is not working properly. (See BEFORE YOU BEGIN on page 5 if the treadmill is not working properly.)
14. Never start the treadmill while you are standing on the walking belt. Always hold the handrails while using the treadmill.
15. The treadmill is capable of high speeds. Adjust the speed in small increments to avoid sudden jumps in speed.
16. The pulse sensor is not a medical device. Various factors, including the user’s movement, may affect the accuracy of heart rate readings. The pulse sensor is intended only as an exercise aid in determining heart rate trends in general.
17. Never leave the treadmill unattended while it is running. Always remove the key, unplug the power cord and move the on/off switch to the off position when the treadmill is not in use. (See the drawing on page 5 for the location of the on/off switch.)
18. Do not attempt to raise, lower, or move the treadmill until it is properly assembled. (See
ASSEMBLY on page 6, and HOW TO FOLD AND MOVE THE TREADMILL on page 19.) You must be able to safely lift 45 pounds (20 kg) in order to raise, lower, or move the treadmill.
19. Do not change the incline of the treadmill by placing objects under the treadmill.
20. When folding or moving the treadmill, make sure that the storage latch is fully closed.
21. When using i-Fit.com CDÕs and videos, an electronic ÒchirpingÓ sound will alert you when the speed and/or incline of the treadmill is about to change. Always listen for the ÒchirpÓ and be prepared for speed and/or incline changes. In some instances, the speed and/or incline may change before the personal trainer describes the change.
22. When using i-Fit.com CDÕs and videos, you can manually override the speed and incline settings at any time by pressing the speed and incline buttons. However, when the next ÒchirpÓ is heard, the speed and/or incline will change to the next settings of the CD or video program.
23. Always remove i-Fit.com CDÕs and videos from your CD player or VCR when you are not using them.
24. Inspect and tighten all parts of the treadmill regularly.
25. Never insert or drop any object into any opening.
26.DANGER: Always unplug the power cord immediately after use, before cleaning the treadmill, and before performing the maintenance and adjustment procedures described in this manual. Never remove the motor hood unless instructed to do so by an authorized service representative. Servicing other than the procedures in this manual should be performed by an authorized service representative only.
27. This treadmill is intended for in-home use only. Do not use this treadmill in any commercial, rental, or institutional setting.
WARNING: Before beginning this or any exercise program, consult your physician. This is especially important for persons over the age of 35 or persons with pre-existing health problems.
Read all instructions before using. SEARS assumes no responsibility for personal injury or property damage sustained by or through the use of this product.
SAVE THESE INSTRUCTIONS
The decals shown below have been placed on your treadmill. If a decal is missing, or if it is not legible, please call our toll-free HELPLINE to order a free replacement decal (see the front cover of this manual). Apply the decal in the location shown.
BEFORE YOU BEGIN
Thank you for selecting the revolutionary PROFORM¨ 730CS treadmill. The 730CS treadmill combines advanced technology with innovative design to help you get the most from your exercise program in the convenience and privacy of your home. And when youÕre not exercising, the unique 730CS can be folded up, requiring less than half the floor space of other treadmills.
For your benefit, read this manual carefully before using the treadmill. If you have additional questions, please call our toll-free HELPLINE at 1-800-736-6879,
Monday through Saturday, 7 a.m. until 7 p.m. Central Time (excluding holidays). To help us assist you, please note the product model number and serial number before calling. The model number of the treadmill is 831.299270. The serial number can be found on a decal attached to the treadmill (see the front cover of this manual for the location).
Before reading further, please review the drawing below and familiarize yourself with the parts that are labeled.

ASSEMBLY
Assembly requires two people. Set the treadmill in a cleared area and remove all packing materials. Do not
dispose of the packing materials until assembly is completed. Assembly requires the included allen wrench
and your own phillips screwdriver .
Note: The underside of the treadmill walking belt is coated with high-performance lubricant. During shipping, a
small amount of lubricant may be transferred to the top of the walking belt or the shipping carton. This is a normal
condition and does not affect treadmill performance. If there is lubricant on top of the walking belt, simply wipe off
the lubricant with a soft cloth and a mild, non-abrasive cleaner.
1. With the help of a second person, carefully raise the treadmill to the upright position.
While a second person tips the treadmill to one side and holds it, insert one of the Extension Legs (103) into the treadmill as shown. Make sure that the Extension Leg is turned so the Base Pad (97) is on the bottom.
Next, tip the treadmill to the other side and insert the other Extension Leg (not shown) in the same way. Lower the side of the treadmill so that both Extension Legs (103) are resting flat on the floor.

2. With the help of a second person, carefully tip the Uprights (82) down as shown. Make sure that the Extension Legs (103) remain in the Uprights.
Attach each Extension Leg (103) with two Screws (101) and a Base Pad (122) as shown. With the help of a second person, carefully tip the Uprights (82) back to the vertical position.
Note: One replacement Thick Base Pad (97) may be included. Use the extra Pad if one becomes worn or needs to be replaced.

3. Locate the plastic tie in the post on the left Upright (82). Hold a Handrail Extension (85) in the position shown.
Insert the plastic tie into the Handrail Extension as you insert the Handrail Extension into the post. Attach the Handrail Extension with three Screws (76). The plastic tie is tied to the Pulse Wire (124). Be careful to avoid damaging the Pulse Wire. The Pulse Wire is used with the optional chest pulse sensor (see page 18).
Slide a Handrail Foam Grip (110) onto the Handrail Extension (85). Press two Plastic Fasteners (47) into the Handrail Foam Grip.
Attach the other Handrail Extension and Handrail Foam Grip to the right Upright (not shown). Note: There is not a pulse wire in the right Upright.

4. Make sure that the Lock Knob Sleeve (111) is fully inserted into the left Upright (82). Remove the Lock Knob (102) from the Lock Pin (115).
Make sure that the Lock Pin Collar (113) and the Spring (112) are on the Lock Pin. Insert the Lock Pin into the left Upright (82) and tighten the Lock Knob onto it.

5. Make sure that all parts are tightened before you use the treadmill. Keep the included allen wrench in a secure place. The allen wrench is used to adjust the walking belt (see page 21). To protect the floor or carpet from damage, place a mat under the treadmill.
OPERATION AND ADJUSTMENT
THE PERFORMANT LUBETM WALKING BELT
Your treadmill features a walking belt coated with PERFORMANT LUBETM, a high-performance lubricant. IMPORTANT: Never apply silicone spray or other substances to the walking belt or the walking platform. Such substances will deteriorate the walking belt and cause excessive wear.
HOW TO PLUG IN THE POWER CORD
DANGER: Improper connection of the equipment-grounding conductor can result in an increased risk of electric shock. Check with a qualified electrician or serviceman if you are in doubt as to whether the product is properly grounded. Do not modify the plug provided with the productÑif it will not fit the outlet, have a proper outlet installed by a qualified electrician.
Your treadmill, like any other type of sophisticated electronic equipment, can be seriously damaged by sudden voltage changes in your homeÕs power.
Voltage surges, spikes, and noise interference can result from weather conditions or from other appliances being turned on or off. To decrease the possibility of your treadmill being damaged, always use a surge suppressor with your treadmill (see drawing 1 at the right).
To purchase a surge suppressor, see your local PROFORM dealer or call toll-free 1-800-366-7278 and order part number 14657. Use only a single-outlet surge suppressor that is UL 1449 listed as a transient voltage surge suppressor (TVSS). The surge suppressor must have a UL suppressed voltage rating of 400 volts or less and a minimum surge dissipation of 450 joules. The surge suppressor must be electrically rated for 120 volts AC and 15 amps.
This product must be grounded. If it should malfunction or break down, grounding provides a path of least resistance for electric current to reduce the risk of electric shock. This product is equipped with a cord having an equipment-grounding conductor and a grounding plug. Plug the power cord into a surge suppressor, and plug the surge suppressor into an appropriate outlet that is properly installed and grounded in accordance with all local codes and ordinances.
This product is for use on a nominal 120-volt circuit, and has a grounding plug that looks like the plug illustrated in drawing 1 below. A temporary adapter that looks like the adapter illustrated in drawing 2 may be used to connect the surge suppressor to a 2-pole receptacle as shown in drawing 2 if a properly grounded outlet is not available.

The temporary adapter should be used only until a properly grounded outlet (drawing 1) can be installed by a qualified electrician.
The green-colored rigid ear, lug, or the like extending from the adapter must be connected to a permanent ground such as a properly grounded outlet box cover.
Whenever the adapter is used it must be held in place by a metal screw. Some 2-pole receptacle outlet box covers are not grounded. Contact a qualified electrician to determine if the outlet box cover is grounded before using an adapter.

CAUTION: Before operating the console, read the following precautions.
¥ Do not stand on the walking belt when turning on the power.
¥ Always wear the clip (see the drawing above) while operating the treadmill.
¥ Adjust the speed in small increments to avoid sudden jumps in speed.
¥ To reduce the possibility of electric shock, keep the console dry. Avoid spilling liquids on the console and place only a sealed water bottle in the water bottle holder.
FEATURES OF THE CONSOLE
The treadmill console offers an impressive array of features to help you get the most from your exercise. When the console is in the manual mode, the speed and incline of the treadmill can be controlled with a touch of a button. As you exercise, the LED track and the four displays will provide continuous exercise feedback. You can even measure your heart rate using the built-in pulse sensor.
Six certified personal trainer programs are also offered. Each program automatically controls the speed and incline of the treadmill as it guides you through an effective workout.
The console also features advanced iFit.com interactive technology. IFit.com technology is like having a personal trainer right in your home. Using the included audio cable, you can connect the treadmill to your
home stereo, portable stereo, or computer and play special iFit.com CD programs (CDÕs are not included). IFit.com CD programs automatically control the speed and incline of the treadmill as a personal trainer guides you through every step of your workout. High-energy music provides added motivation. Each CD features two different programs designed by certified personal trainers.
In addition, you can connect the treadmill to your VCR and TV and play iFit.com video programs (videocassettes are not included). Video programs offer the same benefits as iFit.com CD programs, but add the excitement of working out with a class and an instructor Ñthe hottest new trend at health clubs.
With the treadmill connected to your computer, you can also go to our new internet site at www.iFit.com and access even more programs. Choose from a selection of basic programs that interactively control the speed and incline of your treadmill to help you achieve your personal exercise goals. Or, use iFit.com audio and video programs directly from our internet site. Visit www.iFit.com for complete details.
By adding an optional upgrade module to the treadmill, you can use virtually endless features from our internet site. See www.iFit.com to learn about other iFit.com features. To purchase iFit.com CDÕs, iFit.com videocassettes, or an optional upgrade module, see your local PROFORM dealer or call toll-free 1-800-735- 0768. For information about other optional accessories, see page 18.
To use the manual mode of the console, follow the steps beginning on page 10. To use a personal trainer program, see page 12. To use iFit.com CD or video programs, refer to page 15. To use iFit.com programs directly from our internet site, see page 17.
STEP-BY-STEP CONSOLE OPERATION
Make sure that the on/off switch near the power cord is in the on position. Next, make sure that the key is removed from the console and the power cord is properly plugged in (see HOW TO PLUG IN THE POWER CORD on page 8).
When you are ready to begin exercising, step onto the foot rails of the treadmill. Find the clip attached to the key (see the drawing on page 9), and slide the clip onto the waistband of your clothing.
To use the manual mode of the console, follow the steps below. To use a personal trainer program, see page 12. To use iFit.com CD or video programs, refer to page 15. To use iFit.com programs directly from our internet site, see page 17.
Note: The console can display speed and distance in either miles or kilometers (see SPEED/MIN-MILE DISPLAY on page 11). For simplicity, all instructions in this manual refer to miles.
HOW TO USE THE MANUAL MODE

exercise, change the speed of the walking belt as desired by pressing the SPEED buttons. To stop the walking belt, press the STOP button. The TIME/INCLINE/SEG TIME display will begin to flash. To restart the walking belt, press the START button or the SPEED s button.




When you are finished using the treadmill, move the on/off switch near the power cord to the off position.
HOW TO USE PERSONAL TRAINER PROGRAMS

One speed setting and one incline setting are programmed for each segment. When only three seconds remain in the first segment, a series of tones will sound and the treadmill will automatically adjust to the speed and incline settings for the second segment.
The program will continue in this way until the TIME/INCLINE/SEG TIME display counts down to zero. The walking belt will then slow to a stop.
If the speed or incline setting for the current segment is too high or too low, you can manually override the settings by pressing the SPEED or INCLINE buttons on the console. However, when the next segment begins, the treadmill will adjust to the next speed and incline settings of the program.
To stop the program, press the STOP button. The TIME/INCLINE/SEG TIME display will begin to flash. To restart the program, press the START button or the SPEED s button. To end the program, press the STOP button, remove the key, and then reinsert the key.

HOW TO CONNECT THE TREADMILL TO YOUR CD PLAYER, VCR, OR COMPUTER
To use iFit.com CDÕs, the treadmill must be connected to your portable CD player, portable stereo, home stereo, or computer with CD player. See pages 13 and 14 for connecting instructions. To use iFit.com videocassettes, the treadmill must be connected to your VCR. See page 15 for connecting instructions. To use iFit.com programs directly from our internet site, the treadmill must be connected to your home computer. See page 14 for connecting instructions.
HOW TO CONNECT YOUR PORTABLE CD PLAYER
Note: If your CD player has separate LINE OUT and PHONES jacks, see instruction A below. If your CD player has only one jack, see instruction B.
A. Plug one end of the audio cable into the jack on the front of the treadmill near the power cord. Plug the other end of the cable into the LINE OUT jack on your CD player. Plug your headphones into the PHONES jack.

B. Plug one end of the audio cable into the jack on the front of the treadmill near the power cord. Plug the other end of the cable into a 3.5mm Y-adapter (available at electronics stores). Plug the Y-adapter into the PHONES jack on your CD player. Plug your headphones into the other side of the Y-adapter.

HOW TO CONNECT YOUR PORTABLE STEREO
Note: If your stereo has an RCA-type AUDIO OUT jack, see instruction A below. If your stereo has a 3.5mm LINE OUT jack, see instruction B. If your stereo has only a PHONES jack, see instruction C.
A. Plug one end of the audio cable into the jack on the front of the treadmill near the power cord. Plug the other end of the cable into the included adapter. Plug the adapter into an AUDIO OUT jack on your stereo.

B. Plug one end of the audio cable into the jack on the front of the treadmill near the power cord. Plug the other end of the cable into the LINE OUT jack on your stereo.

C. Plug one end of the audio cable into the jack on the front of the treadmill near the power cord. Plug the other end of the cable into a 3.5mm Y-adapter (available at electronics stores). Plug the Y-adapter into the PHONES jack on your stereo. Plug your headphones into the other side of the Y-adapter.

HOW TO CONNECT YOUR HOME STEREO
Note: If your stereo has an unused LINE OUT jack, see instruction A below. If the LINE OUT jack is being used, see instruction B.
A. Plug one end of the audio cable into the jack on the front of the treadmill near the power cord. Plug the other end of the cable into the included adapter. Plug the adapter into the LINE OUT jack on your stereo.

B. Plug one end of the audio cable into the jack on the front of the treadmill near the power cord. Plug the other end of the cable into the included adapter. Plug the adapter into an RCA adapter (available at electronics stores). Next, remove the wire that is currently plugged into the LINE OUT jack on your stereo and plug the wire into the unused side of the RCA adapter. Plug the RCA adapter into the LINE OUT jack on your stereo.

HOW TO CONNECT YOUR COMPUTER
Note: If your computer has a 3.5mm LINE OUT jack, see instruction A. If your computer has only a PHONES jack, see instruction B.
A. Plug one end of the audio cable into the jack on the front of the treadmill near the power cord. Plug the other end of the cable into the LINE OUT jack on your computer.

B. Plug one end of the audio cable into the jack on the front of the treadmill near the power cord. Plug the other end of the cable into a 3.5mm Y-adapter (available at electronics stores). Plug the Y-adapter into the PHONES jack on your computer. Plug your headphones or speakers into the other side of the Y-adapter.

HOW TO CONNECT YOUR VCR
Note: If your VCR has an unused AUDIO OUT jack, see instruction A below. If the AUDIO OUT jack is being used, see instruction B. If you have a TV with a built-in VCR, see instruction B. If your VCR is connected to your home stereo, see HOW TO CONNECT YOUR HOME STEREO on page 14.
A. Plug one end of the audio cable into the jack on the front of the treadmill near the power cord. Plug the other end of the cable into the included adapter. Plug the adapter into the AUDIO OUT jack on your VCR.

B. Plug one end of the audio cable into the jack on the front of the treadmill near the power cord. Plug the other end of the cable into the included adapter. Plug the adapter into an RCA adapter (available at electronics stores). Next, remove the wire that is currently plugged into the AUDIO OUT jack on your VCR and plug the wire into the unused side of the RCA adapter. Plug the RCA adapter into the AUDIO OUT jack on your VCR.

HOW TO USE IFIT.COM CD AND VIDEO PROGRAMS
To use iFit.com CDÕs or videocassettes, the treadmill must be connected to your portable CD player, portable stereo, home stereo, computer with CD player, or VCR. See HOW TO CONNECT THE COMPUTER TO YOUR CD PLAYER, VCR, OR COMPUTER on page 13. Note: To purchase iFit.com CDÕs or iFit.com videocassettes, see your local PROFORM dealer or call toll-free 1-800-735-0768.
Make sure that the on/off switch near the power cord is in the on position. In addition, make sure that the power cord is properly plugged in (see HOW TO PLUG IN THE POWER CORD on page 8).
When you are ready to begin exercising, step onto the foot rails of the treadmill. Find the clip attached to the key (see the drawing on page 9), and slide the clip onto the waistband of your clothing. Follow the steps below to use an iFit.com CD or video. Note: The instructions included in the CD case describe how to use the CD with a variety of PROFORM treadmills. Some instructions may not apply to this treadmill.

4. Press the PLAY button on your CD player or VCR.
A moment after the button is pressed, your personal trainer will begin guiding you through your workout. Simply follow your personal trainerÕs instructions.
During the CD or video program, an electronic ÒchirpingÓ sound will alert you when the speed and/or incline of the treadmill is about to change.
CAUTION: Always listen for the ÒchirpÓ and be prepared for speed and/or incline changes. In some instances, the speed and/or incline may change before the personal trainer describes the change.
If the speed or incline settings are too high or too low, you can manually override the settings at any time by pressing the SPEED or INCLINE buttons on the console. However, when the next ÒchirpÓ is heard, the speed and/or incline will change to the next settings of the CD or video program.
To stop the program at any time, press the START/STOP button on the console. The TIME/MIN-MILE display will begin to flash. To restart the program, press the START/STOP button again. After a moment, the walking belt will begin to move at 1 mph. When the next ÒchirpÓ is heard, the speed and incline will change to the next settings of the CD or video program. The program can also be stopped by pressing the STOP button on your CD player or VCR.
When the CD or video program is completed, the walking belt will stop and the TIME/MIN-MILE display will begin to flash. Note: To use another CD or video program, press the START/STOP button or remove the key and go to step 1 on page 15. Note: If the speed or incline of the treadmill does not change when a ÒchirpÓ is heard:
1. make sure that the iFit.com indicator is lit and that the TIME/MIN-MILE display is not flashing
2. adjust the volume of your CD player or VCR. If the volume is too high or too low, the console may not detect the program signals
3. make sure that the audio cable is properly connected, that it is fully plugged in, and that it is not wrapped around a power cord
3. if you are using your portable CD player and the CD skips, set the CD player on the floor or another flat surface instead of on the console.
5. Follow your progress with the LED track and the four displays.
See step 5 on page 10.
6. Measure your pulse, if desired.
See step 6 on page 11.
7. When the iFit.com CD or video program is finished, remove the key.
Step onto the foot rails and remove the key from the console. Keep the key in a secure place.
Note: If the displays and various indicators on the console remain lit after the key is removed, the console is in the ÒdemoÓ mode. Refer to page 18 and turn off the demo mode.
CAUTION: Always remove iFit.com CDÕs and videocassettes from your CD player or VCR when you are finished using them.
When you are finished using the treadmill, move the on/off switch near the power cord to the off position.
HOW TO USE PROGRAMS DIRECTLY FROM OUR INTERNET SITE
Our new internet site at www.iFit.com allows you to access a large selection of programs that interactively control your treadmill to help you achieve your specific exercise goals. In addition, you can play iFit.com audio and video programs directly from the internet. By adding an optional upgrade module to the console, you can use virtually endless features on our internet site. Explore www.iFit.com for details. To purchase an upgrade module, call toll-free 1-800-735-0768.
To use programs from our internet site, the treadmill must be connected to your home computer. See HOW TO CONNECT YOUR COMPUTER on page 14. In addition, you must have at least a 56K modem and an account with an internet service provider. A list of additional system and software requirements will be found on our internet site.
Next, make sure that the on/off switch near the power cord is in the on position.
In addition, make sure that the power cord is properly plugged in (see HOW TO PLUG IN THE POWER CORD on page 8). Follow the steps below to use a program from our internet site.

4. Follow the desired links on our internet site to select a program.
5. Read and follow the on-line instructions for using a
program.
6. Follow the on-line instructions to start the program.
When you start the program, an on-screen countdown will begin.
7. Return to the treadmill and stand on the foot rails. Find the clip attached to the key and slide the key onto the waistband of your clothing.
When the on-screen countdown ends, the program will begin and the walking belt will begin to move. Hold the handrails, step onto the walking belt, and begin walking.
During the program, an electronic ÒchirpingÓ sound will alert you when the speed and/or incline of the treadmill is about to change. CAUTION: Always listen for the ÒchirpÓ and be prepared for speed and/or incline changes.
If the speed or incline settings are too high or too low, you can manually override the settings at any time by pressing the SPEED or INCLINE buttons on the console. However, when the next ÒchirpÓ is heard, the speed and/or incline will change to the next settings of the program.
To stop the program at any time, press the STOP button on the console. The TIME/INCLINE display will begin to flash. To restart the program, press the START button. After a moment, the walking belt will begin to move at 1.0 mph. When the next ÒchirpÓ is heard, the speed and incline will change to the next settings of the program.
When the program is completed, the walking belt will stop and the TIME/INCLINE display will begin to flash. Note: To use another program, press the STOP button and go to step 5 above.
Note: If the speed or incline of the treadmill does not change when a ÒchirpÓ is heard, make sure that the iFit.com indicator is lit and that the TIME/INCLINE display is not flashing. In addition, make sure that the audio cable is properly connected, that it is fully plugged in, and that it is not wrapped around a power cord.
8. Follow your progress with the LED track and the four displays.
See step 5 on page 10.
9. Measure your pulse, if desired. See step 6 on page 11.
10.When the program is finished, remove the key.
Step onto the foot rails and remove the key from the console. Keep the key in a secure place. Note: If the displays and various indicators on the console remain lit after the key is removed, the console is in the ÒdemoÓ mode. Refer to the instructions at the right and turn off the demo mode.
When you are finished using the treadmill, move the on/off switch near the power cord to the off position.
THE INFORMATION MODE/DEMO MODE
The console features an information mode that keeps track of the total number of hours that the treadmill has been operated and the total number of miles that the walking belt has moved. The information mode also allows you to switch the console from miles per hour to kilometers per hour. In addition, the information mode allows you to turn on and turn off the demo mode.
To select the information mode, hold down the STOP button while inserting the key into the console. When the information mode is selected, the following information will be shown:


To exit the information mode, remove the key from the console.
OPTIONAL CHEST PULSE SENSOR
An optional chest pulse sensor adds even more features to the console. The chest pulse sensor offers hands-free operation and continuously monitors your heart rate during your workouts. To purchase the optional chest pulse sensor, call the toll-free telephone number listed on the back cover of this manual.

HOW TO FOLD AND MOVE THE TREADMILL
HOW TO FOLD THE TREADMILL FOR STORAGE
Before folding the treadmill, adjust the incline to the lowest position. If this is not done, the treadmill may be permanently damaged. Next, unplug the power cord.
CAUTION: You must be able to safely lift 45 pounds (20 kg) in order to raise, lower, or move the treadmill.
1. Hold the treadmill with your hands in the locations shown at the right. CAUTION: To decrease the possibility of injury, bend your legs and keep your back straight. As you raise the treadmill, make sure to lift with your legs rather than your back. Raise the treadmill about halfway to the vertical position.
2. Move your right hand to the position shown and hold the treadmill firmly. Using your left hand, pull the latch knob to the left and hold it. Raise the treadmill until the latch pin is aligned with the hole in the catch. Insert the latch pin into the catch. Make sure that the latch pin is fully inserted into the catch.
To protect the floor or carpet from damage, place a mat under the treadmill. Keep the treadmill out of direct sunlight. Do not leave the treadmill in the storage position in temperatures above 85¡ Fahrenheit.

HOW TO MOVE THE TREADMILL
Before moving the treadmill, convert the treadmill to the storage
position as described above. Make sure that the latch
pin is fully inserted into the catch.
1. Hold the handrails as shown and place one foot against a wheel.
2. Tilt the treadmill back until it rolls freely on the front wheels.
Carefully move the treadmill to the desired location. Never move the treadmill without tipping it back. To reduce the risk of injury, use extreme caution while moving the treadmill. Do not attempt to move the treadmill over an uneven surface.
3. Place one foot on the base, and carefully lower the treadmill until it is resting in the storage position.
HOW TO LOWER THE TREADMILL FOR USE
1. Refer to drawing 2 above. Hold the treadmill with your right hand as shown. Using your left hand, pull the latch knob to the left and hold it. Pivot the treadmill down until the frame is past the pin. Slowly release the latch knob.
2. Refer to drawing 1. Hold the treadmill firmly with both hands, and lower the treadmill to the floor.
CAUTION: To decrease the possibility of injury, bend your legs and keep your back straight.

TROUBLE-SHOOTING
Most treadmill problems can be solved by following the simple steps below. Find the symptom that applies, and follow the steps listed. If further assistance is needed, call our toll-free HELPLINE at 1-800-736-6879, Monday through Saturday, 7 a.m. until 7 p.m. Central Time (excluding holidays).
PROBLEM: The power does not turn on
SOLUTION: a. Make sure that the power cord is plugged into a surge suppressor, and that the surge suppressor
is plugged into a properly grounded outlet (see page 7). Use only a single-outlet surge suppressor that is UL 1449 listed as a transient voltage surge suppressor (TVSS). The surge suppressor must have a UL suppressed voltage rating of 400 volts or less and a minimum surge dissipation of 450 joules. The surge suppressor must be electrically rated for 120 volts AC and 15 amps.
b. After the power cord has been plugged in, make sure that the key is fully inserted into the console. See step 1 on page 10.
c. Check the circuit breaker located on the treadmill near the power cord. If the switch protrudes as shown, the circuit breaker has tripped. To reset the circuit breaker, wait for five minutes and then press the switch back in.
d. Check the on/off switch located on the treadmill near the power cord. The switch must be in the on position.

PROBLEM: The power turns off during use
SOLUTION: a. Check the circuit breaker located on the treadmill frame near the power cord (see 1. c. above). If
the circuit breaker has tripped, wait for five minutes and then press the switch back in.
b. Make sure that the power cord is plugged in.
c. Remove the key from the console. Reinsert the key fully into the console. See step 1 on page 10.
d. Make sure that the on/off switch is in the on position.
e. If the treadmill still will not run, please call our toll-free HELPLINE.
PROBLEM: The speed display on the console does not function properly
SOLUTION: a. Remove the key from the console and unplug the power cord. Remove the screws from the hood and carefully remove the hood. Locate the Reed Switch (21) and the Magnet (43) on the left side of the Pulley (42). Turn the Pulley until the Magnet is aligned with the Reed Switch. Make sure that the gap between the Magnet and the Reed Switch is about 1/8Ó. If necessary, loosen the Reed Switch Screw (76) and move the Reed Switch slightly. Retighten the Screw. Re-attach the hood, and run the treadmill for a few minutes to check for a correct speed reading.
PROBLEM: The walking belt slows when walked on
SOLUTION: a. Use only a UL-listed surge protector, rated at 15 amps, with a 14-gauge cord of five feet or less in length.
b. If the walking belt is overtightened, treadmill performance may decrease and the walking belt may become damaged. Remove the key and UNPLUG THE POWER CORD. Using the allen wrench, turn both rear roller adjustment bolts counterclockwise, 1/4 of a turn. When the walking belt is properly tightened, you should be able to lift each side of the walking belt 3 to 4 inches off the walking platform. Be careful to keep the walking belt centered. Plug in the power cord, insert the key and run the treadmill for a few minutes. Repeat until the walking belt is properly tightened.
c. If the walking belt still slows when walked on, please call our toll-free HELPLINE.

PROBLEM: The walking belt is off-center
SOLUTION: a. If the walking belt has shifted to the left, first remove
the key and UNPLUG THE POWER CORD. Using the
allen wrench, turn the left rear roller adjustment bolt
clockwise, and the right bolt counterclockwise, 1/4 of a
turn each. Be careful not to overtighten the walking belt.
Plug in the power cord, insert the key and run the treadmill
for a few minutes. Repeat until the walking belt is
centered.
b. If the walking belt has shifted to the right, first remove
the key and UNPLUG THE POWER CORD.
Using the allen wrench, turn the left rear roller adjustment
bolt counterclockwise, and the right bolt clockwise,
1/4 of a turn each. Be careful not to overtighten the
walking belt. Plug in the power cord, insert the key and
run the treadmill for a few minutes. Repeat until the
walking belt is centered.
PROBLEM: The walking belt slips when walked on
SOLUTION: a. If the walking belt slips when walked on, first remove the key and UNPLUG THE POWER CORD. Using the allen wrench, turn both rear roller adjustment bolts clockwise, 1/4 of a turn. When the walking belt is correctly tightened, you should be able to lift each side of the walking belt 3 to 4 inches off the walking platform. Be careful to keep the walking belt centered. Plug in the power cord, insert the key and carefully walk on the treadmill for a few minutes. Repeat until the walking be lt is properly tightened.
PROBLEM: The incline of the treadmill does not change correctly or does not change when i-Fit.com CDÕs and videos are played
SOLUTION: a. With the key inserted in the console, press one of the INCLINE buttons. While the incline is changing, remove the key. After a few seconds, re-insert the key. The treadmill will automatically rise to the maximum incline level and then return to the minimum level. This will recalibrate the incline.

CONDITIONING GUIDELINES
WARNING: Before beginning this or any exercise program, consult your physician. This is especially important for individuals over the age of 35 or individuals with preexisting health problems.
The pulse sensor is not a medical device. Various factors, including your movement, may affect the accuracy of heart rate readings. The sensor is intended only as an exercise aid in determining heart rate trends in general.
The following guidelines will help you to plan your exercise program. RememberÑthese are general guidelines only. For more detailed exercise information, obtain a reputable book or consult your physician.
EXERCISE INTENSITY
Whether your goal is to burn fat or to strengthen your cardiovascular system, the key to achieving the desired results is to exercise with the proper intensity. The proper intensity level can be found by using your heart rate as a guide. The chart below shows recommended heart rates for fat burning and aerobic exercise.

To find the proper heart rate for you, first find your age near the bottom of the chart (ages are rounded off to the nearest ten years). Next, find the three numbers above your age. The three numbers define your Òtraining zone.Ó The lower two numbers are recommended heart rates for fat burning; the higher number is the recommended heart rate for aerobic exercise. To measure your heart rate during exercise, use the pulse sensor on the console. If your heart rate is too high or too low, adjust the speed and incline of the treadmill.
Fat Burning
To burn fat effectively, you must exercise at a relatively low intensity level for a sustained period of time. During the first few minutes of exercise, your body
uses easily accessible carbohydrate calories for energy.
Only after the first few minutes does your body begin to use stored fat calories for energy. If your goal is to burn fat, adjust the speed and incline of the treadmill until your heart rate is near the lowest number in your training zone.For maximum fat burning, adjust the speed and incline
of the treadmill until your heart rate is near the middle
number in your training zone.
Aerobic Exercise
If your goal is to strengthen your cardiovascular system,
your exercise must be Òaerobic.Ó Aerobic exercise is activity that requires large amounts of oxygen for prolonged periods of time. This increases the demand on the heart to pump blood to the muscles, and on the lungs to oxygenate the blood. For aerobic exercise, adjust the speed and incline of the treadmill until your heart rate is near the highest number in your training zone.
WORKOUT GUIDELINES
Each workout should include the following three parts:
A Warm-upÑStart each workout with 5 to 10 minutes of stretching and light exercise. A proper warm-up increases your body temperature, heart rate and circulation in preparation for exercise.
Training Zone ExerciseÑAfter warming up, increase the intensity of your exercise until your pulse is in your training zone for 20 to 60 minutes. (During the first few weeks of your exercise program, do not keep your pulse in your training zone for longer than 20 minutes.) Breathe regularly and deeply as you exerciseÑnever hold your breath.
A Cool-downÑFinish each workout with 5 to 10 minutes of stretching to cool down. This will increase the flexibility of your muscles and will help prevent post-exercise problems.
Exercise Frequency
To maintain or improve your condition, complete three workouts each week, with at least one day of rest between workouts. After a few months, you may complete up to five workouts each week if desired. The key to success is to make exercise a regular and enjoyable part of your everyday life.


The model number and serial number of your PROFORM¨ 730CS
treadmill are listed on a decal attached to the frame. See the front cover of this manual to find the location of the decal. All replacement parts are available for immediate purchase or special order when you visit your nearest SEARS Service Center. To request service or to order parts by telephone, call the toll-free numbers listed at the left.
When requesting help or service, or ordering parts, please be prepared to provide the following information:
1. The NAME OF THE PRODUCT (PROFORM¨ 730CS treadmill)
2. The MODEL NUMBER OF THE PRODUCT (831.299270)
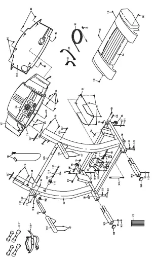
3. The KEY NUMBER AND DESCRIPTION OF THE PART (see the EXPLODED DRAWING in the center of this manual and the PART LIST on page 23).
Model No. 831.299270 QUESTIONS?
If you find that:
1. you need help assembling or operating the PROFORM 730CS treadmill
2. a part is missing
3. or you need to schedule repair service
call our toll-free HELPLINE
1-800-736-6879
MondayÐSaturday, 7 amÐ7 pm
Central Time (excluding holidays)
REPLACEMENT
PARTS
If parts become worn and need
to be replaced, call the following
toll-free number
1-800-FON-PART
(1-800-366-7278)
FULL 90 DAY WARRANTY
For 90 days from the date of purchase, if failure occurs due to defect in material or workmanship in this SEARS TREADMILL EXERCISER, contact the nearest SEARS Service Center throughout the United States and SEARS will repair or replace the TREADMILL EXERCISER, free of charge.
This warranty does not apply when the TREADMILL EXERCISER is used commercially or for rental purposes.
This warranty gives you specific legal rights, and you may also have other rights which vary from state to state. SEARS, ROEBUCK AND CO., DEPT. 817WA, HOFFMAN ESTATES, IL 60179



















