RENESAS KR002 Smart Earbuds Case Charger User Guide

Smart Earbuds Case Charger (Update)
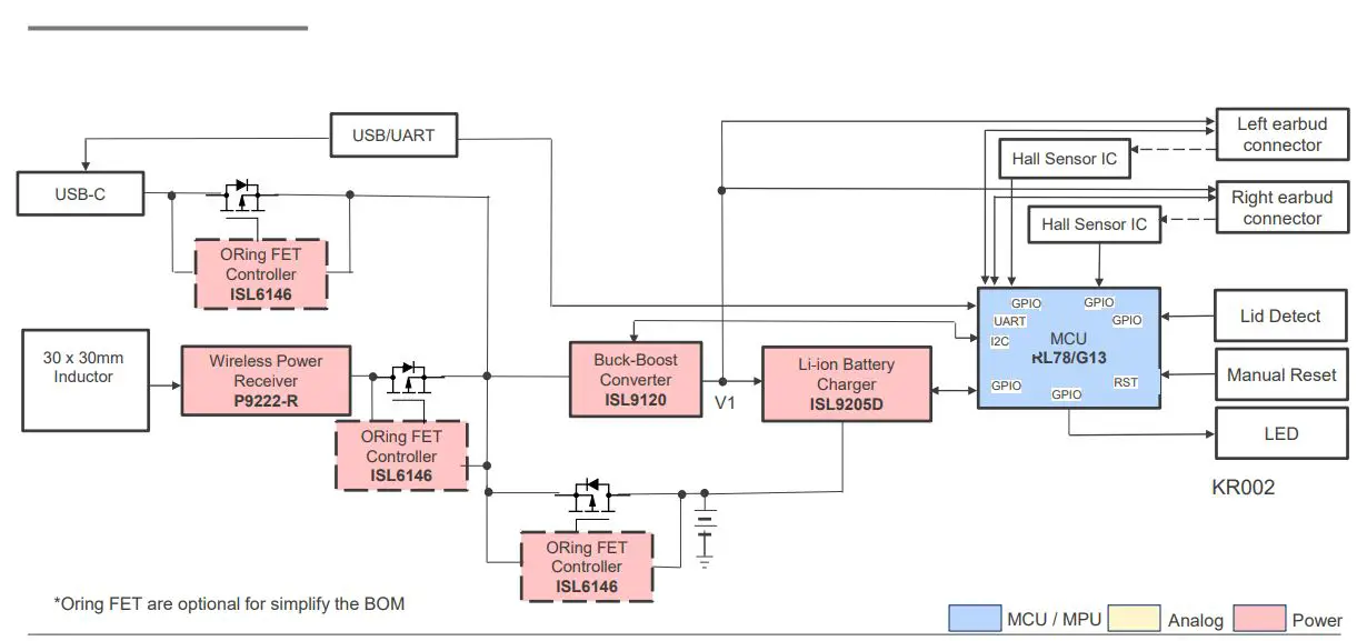
Overview
The smart wireless earbuds market is growing at an impressive rate. According to a report from market researcher, Ariston, the global earbuds market is estimated to reach revenues of around $7 billion by 2023, growing at a CAGR of about 31% during 2018-2023.
Optimized for compact and low-power applications, this design incorporates the P9222-R, an integrated single-chip wireless power receiver IC. It is highly efficient at light loads and very well-suited for applications like earbuds case charging.
System Benefits
-The P9222-R is an ultra-compact, efficient wireless power receiver for up to 5W applications
-The RL78/G13 microcontroller (MCU) provides a low power but flexible control unit
-The ISL9205D is a complete charger for single-cell Li-ion/polymer batteries
Smart Earbuds Case Charger (Update)


RL78/G13 Standard Functions MCU
Low Power and Abundant Line-up for General Purpose Applications
High Performance Peripheral Functions
- 43.2 DMIPS (32 MHz)
- On-chip oscillator, data flash, 10-bit A/D converter
- Built-in safety features enable support for the household appliance safety standard (IEC/UL 60730)
Low Power
- CPU: 66 A/MHz, standby (STOP): 230 nA
- 0.57 A (RTC_LVD,HALT mode)
Abundant Line-up
- 16-512KB ROM / 2-32KB RAM
- 20-128 pin package


P9222-R Wireless Power Receiver for Low Power
WPC 1.2.4 Compliant, Wireless Charging Receiver for 5W Applications
High Efficiency
- Ultra-compact, efficient wireless power receiver for up to 5W applications
- Optimized light load efficiency for low power applications
- Ping detection for reduced power consumption at end of charging
- Low under-voltage lockout (UVLO) for low voltage start-up for faster connections over an extended area
Easy and Flexible Use
- Easy configuration of design parameters through I2C interface on an external EEPROM
- Embedded 32-bit Arm® Cortex®-M0 processor
- ADC input to measure battery voltage or system voltage
Low Power and Protection Features
- Low standby and operating mode power consumption
- Internal over-voltage clamping
- High performance low dropout (LDO) regulator with low RDS(on) and programmable current limiting


ISL9205 Li-Ion Battery Charger
Complete Charger for Li-Ion / Polymer Batteries
Single IC Solution for Charging
- Integrated pass element and current sensor
- Charge current from 50mA to 900mA
Multiple Charge Modes
- Adjustable CC & end of charge current via external resistors
- Ability to operate as pulse charger for current limited inputs
- Trickle charge for fully discharged batteries
Protection Features
- Incorporates Thermaguard to prevent over temperature
- Foldback of charge current during over temperature events
- Ability to monitor temperature of battery pack


ISL6146 Low Voltage ORing FET Controller
ORing voltages from 1V to 20V
Device Operation
- ORing down to 1V and up to 20V
- VIN hot swap transient protection rating to +24V
- High speed comparator provides fast <0.3us turn-off in response to shorts on sourcing supply
- Fastest reverse current fault isolation with 6A turn-off current
Device Options
- ISL6146A and ISL6146B are optimized for very low voltage operation
- ISL6146C provides a voltage compliant mode of operation down to 3V with programmable under voltage lock out and overvoltage protection threshold levels.
- ISL6146D and E are like the A & B respectively, but do not have conduction state reporting via the fault output.


ISL9120 High Efficiency Buck Boost
Integrated Buck-Boost for Single Cell Applications
Integrated Buck Boost
- 1.8V to 5.5V Input range
- Output current up to 800mA
- Efficiency up to 98%
Compact Design
- Default output of 3.3V, adjustable via resistors
- Integrated FETs for efficiency and space savings
High Performance
- 41uA quiescent current for light load efficiency
- Seamless transitions between buck/boost modes
- Forced bypass mode, utilizes only 3.5uA Iq
- Adaptive multilevel current limit scheme


Renesas.com/win
© 2020 Renesas Electronics Corporation. All rights reserved.

















