MCT247 2.4GHz Modular Transceiver
User Manual
NOTE: THIS MODULE IS LIMITED TO OEM INSTALLATION ONLY
DESCRIPTION
The MCT247 is a frequency hopping spread spectrum transceiver module designed to be compatible with US (FCC CFR 47 Part 15 C (15.247)), Canadian (RSS-210), EU(RSS247 Issue 2/RSS-GEN Issue 5/ANSI C63.10:2013, IEC 62368-1:2014 (Second Edition)) and Australian( ) regulations for license-free use in the 2.4 GHz ISM band from 2.407GHz to 2.470GHz. The MCT247 is designed for mobile and portable applications in accordance with Part 2.1091(b).
The MCT247 complies with ISED Limit per RSS-102 Issue 5 for the uncontrolled RF Exposure of portable devices.
The MCT247 transceiver is only integrated into Kar-Tech remote control products by Kar-Tech, at Kar-Tech. There are no user-serviceable parts on the MCT247 transceiver. The MCT247 is not for sale by itself.
The MCT247 is not designed for multiple antenna applications and should not be used to transmit simultaneously with any other transmitter.
The MCT247 is only certified to use the integrated wire antenna.
If the OEM or other use requires further compliance beyond those listed above, the OEM or User is responsible for attaining such additional certifications.
OPERATION
The MCT247 is a radio transceiver module for the 2.4 GHz ISM bands. The transceiver microcontroller includes a CPU, GPI/O, a fully integrated frequency synthesizer, a power amplifier, a modulator, and a receiver unit. The MCT247 microcontroller serial port is connected to the host via protection circuits. The data is sent through a serial port to the RF processor and then to the RF circuit to the antenna and the data received from the antenna is sent to the serial port and to the host.
The microcontroller is responsible for the control of the entire communication. The MCT247 transceiver contains a DC regulator which generates a constant 1.8 VDC for the digital circuitry. The RF section runs on the 3.3V supply.
The MCT247 uses Frequency Hopping Spread Spectrum, which uses 16 channels, between 2.407GHZ and 2.470GHZ with a 1MHz resolution.
The receivers are matched to the transmitters to use the same channels and sequence as the transmitter’s signals.
There are no test modes built into the MCT247. Host code is to be used to ensure compliance.
INSTALLATION
- Solder the MCT247 transceiver directly to the host’s compatible connector.
- Print and attach the label as shown below:

- Place a label on the outside of the host enclosure in a visible area. On the label, include the following: “Contains FCC ID: P4UMCT247” and “Contains IC: 4534A-MCT247”
- Connect the appropriate antenna. A ¼ wavelength wire antenna.
- Once integrated into a final product, use a spectrum analyzer to make sure the product still complies. Look for:
a. Peak Power < 20dBm
b. Other peaks above 1GHz should be < 74dBuv/m. Below 1GHz, they should be < 40dBuV/m.
Application Requirements:
A) Power the MCT247 Transceiver with 3.3VDC nominal voltage, with a peak current draw of 150mA.
B) Do not remove the shield on the MCT247.
C) If you use something other than the wire antenna, the unit needs separate approval.
D) The MCT247 can be installed in mobile or portable applications. See Part 2.1091 for definitions of mobile, portable, and fixed applications.
E) Do not operate the MCT247 without an antenna.
F) Documentations: In the host’s User Manual include the following:
a. That there are no user-serviceable parts in the radio modules. They should not remove or install radio modules.
b. The “Instructions To The User” section.
c. The “Industry Canada Statement”.
d. Include in the manual, “This device is granted for use in Mobile and Portable configurations, with no restrictions on antenna placement for exposure purposes.”
BEFORE APPLYING POWER!
- Check power and ground for proper polarity.
- Read the rest of this manual.
TROUBLESHOOTING
There are no user-serviceable parts in the MCT247 Transceiver. Contact your KARTECH representative for further instructions or servicing.
PARTS LIST
| PART NUMBER | DESCRIPTION |
| 021535C | MCT247 RADIO TRANSCEIVER – WIRE ANTENNA |
There are no user-serviceable parts inside the transmitter or the receiver. Return the units for service.
The information, specifications, and illustrations in this manual are those in effect at the time of printing. We reserve the right to change specifications or designs at any time without notice.
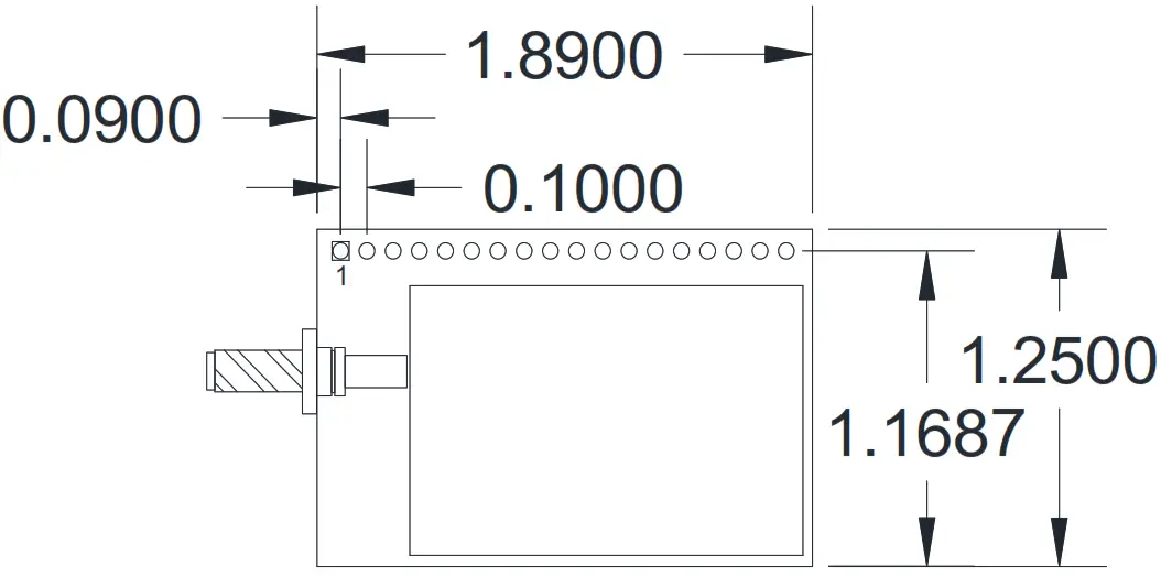
TRANSCEIVER PICTORIAL

Pinout
| Pin | Function | Pin | Function | Pin | Function |
| 1 | GND | 7 | NC | 13 | NC |
| 2 | Not Used | 8 | Not Used | 14 | NC |
| 3 | GND | 9 | Not Used | 15 | NC |
| 4 | Not Used | 10 | NC | 16 | NC |
| 5 | Not Used | 11 | RXD | 17 | VIN 3.3V |
| 6 | NC | 12 | TXD | 18 | GND |
SPECIFICATIONS
Equipment Class ………………………… Part 15 Spread Spectrum Transmitter
FCC ID …………………………………………………………………… P4U-MCT247
ICC (Industry Canada Certification) ID ………………………… 4534A-MCT247
TRANSCEIVER
Power supply ………………………………………………………………… 3.3VDC
Operating Current ……………………………………………………………… 48mA
Operating temperature – Radio ………………………………… -40˚C to +85˚C
Storage temperature …………………………………………… -40˚C to +100˚C
RF Frequency ………………………………………………………….. 2.4-2.48 GHz
RF Transmit Power (EIRP) …………………………………………………. 100 mW
RF Receive Sensitivity ……………………………………………………. -126 dBm
INSTRUCTION TO THE USER
This equipment has been tested and found to comply with the limits for a Class B digital device, pursuant to part 15 of the FCC Rules. These limits are designed to provide reasonable protection against harmful interference in a residential installation. This equipment generates radio frequency energy and if not installed and used in accordance with the instructions, may cause harmful interference to radio communications. However, there is no guarantee that interference will not occur in a particular installation. If this equipment does cause harmful interference to radio or television reception, which can be determined by turning the equipment off and on, the user is encouraged to try to correct the interference by one or more of the following measures:
- Reorient or relocate the receiving antenna.
- Increase the separation between the equipment and receiver.
- Connect the equipment into an outlet on a circuit different from that to which the receiver is connected.
- Consult the dealer or an experienced radio/TV technician for help.
This device complies with Part 15 of the FCC Rules. Operation is subject to the following two conditions:
- This device may not cause harmful interference, and
- This device must accept any interference received, including interference that may cause undesired operation.
FCC CAUTION: Any changes or modifications not expressly approved by the party responsible for compliance could void the user’s authority to operate this equipment.
INDUSTRY CANADA STATEMENTS
This device complies with Industry Canada’s license-exempt RSS standard(s). Operation is subject to the following two conditions:
- This device may not cause interference, and
- This device must accept any interference, including interference that may cause undesired operation of the device.
Under Industry Canada regulations, this radio transmitter may only operate using an antenna of a type and maximum (or lesser) gain approved for the transmitter by Industry Canada. To reduce potential radio interference to other users, the antenna type and its gain should be so chosen that the equivalent isotropically radiated power (e.i.r.p.) is not more than that necessary for successful communication.
EUROPE
CE NOTICE
This device has been tested and certified for use in the European Union. See the Declaration of Conformity (DOC) for specifics.
If this device is used in a product, the OEM has the responsibility to verify compliance of the final product with the EU standards. A declaration of Conformity must be issued and kept on file as described in the Radio and Telecommunications Terminal Equipment (R&TTE) Directive.
The ‘CE’ mark must be placed on the OEM product per the labeling requirements on the Directive.
Declaration of Conformity (DOC)
This DOC can be downloaded from www.kar-tech.com.
2.2 List of applicable FCC rules
CFR 47 FCC PART 15 SUBPART C has been investigated. It is applicable to the modular transmitter
2.3 Specific operational use conditions
This module is a stand-alone modular. If the end product will involve the Multiple simultaneously transmitting condition or different operational conditions for a stand-alone modular transmitter in a host, the host manufacturer has to consult with the module manufacturer for the installation method in the end system.
2.4 Limited module procedures
This module is single modular with shielding.
2.5 Trace antenna designs
Not applicable
2.6 RF exposure considerations
This equipment complies with FCC radiation exposure limits set forth for an uncontrolled environment. This equipment should be installed and operated with a minimum distance of 3.6cm between the radiator & your body.
2.7 Antennas
The following antenna will be used with the MCT247 module and integrated into Kar-Tech products, The MCT247 is not designed for multiple antenna applications and should not be used to transmit simultaneously with any other transmitter.
The MCT247 is only certified to use the integrated wire antenna.Antenna Description:WIP Monopole antenna, 1.1dBi(Max.)
2.8 Label and compliance information
The final end product must be labeled in a visible area with the following” Contains FCC ID: P4U-MCT247.
2.9 Information on test modes and additional testing requirements
The host manufacturer which installs this modular with limited modular approval should perform the test of radiated emission and spurious emission according to FCC part 15C:15.247 and 15.209 requirements, only if the test result complies with FCC part 15.247 and 15.209 requirements, then the host can be sold legally.
2.10 Additional testing, Part 15 Subpart B disclaimer
The host manufacturer is responsible for compliance of the host system with the module installed with all other applicable requirements for the system such as Part 15 B.
KAR-TECH.COM
July 27, 2020
HK/TH



















