FONESTAR SM-1860U USB SD MP3 Mixer Instruction Manual
DESCRIPTION
- 12 inputs, 8 channels (3 microphones and 5 lines) professional DJ mixer with USB/SD player, assignable to 2 master outputs with independent volume control.
- Talk over function and prelistening via headphones.
CONTROLS AND FUNCTIONS
FRONT PANEL
- PARAMETER: volume control that regulates the intensity of the ECHO effect.
- ECHO mode LED indicator.
- ON/OFF: pressing this button activates the ECHO effect on the 3 microphones.
- Mixer operation LED indicator.
- Mixer on/off switch.
- HIGH, LOW: tone controls for microphone inputs MIC 1, MIC 2 and MIC 3 with a gain of ±12 dB.
- HIGH: high-pass filter with 3,000 Hz cut-off frequency.
- LOW: high-pass filter with 150 Hz cut-off frequency.

- MIC 1, MIC 2, MIC 3: microphone input volume controls.
- TALK OVER: talk over function power selector. When a signal is detected at the MIC 1 input with the selector switch set to AUTO, the talk over function is activated by attenuating the level of the input channels CH 1 – CH 5.
- Input selectors. Allows you to select the input source to each channel.
- LED indicators of the channel send selectors to the output buses.
- MASTER 1, PHONES, MASTER 2: selector switch for sending the channel to the various output buses: MASTER 1, PHONES and MASTER 2.
- Volume slider. Controls the volume level of each channel.|

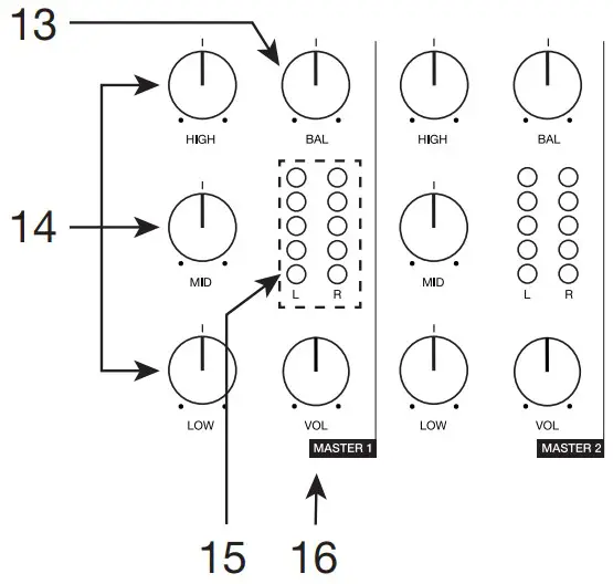
- BAL: control that adujsts the stereo image in the final mixes MASTER 1 and MASTER 2.
- LOW, MID, HIGH: tone controls for each of the MASTER 1 and MASTER 2 outputs.
- HIGH: high-pass filter with 1,000 Hz cut-off frequency.
- MID: band pass filter with a centre frequency of 1,400 Hz.
- LOW: low-pass filter with 320 Hz cut-off frequency.
- LED indicators showing the signal level of the final mixes MASTER 1 and MASTER 2.
- VOL: volume control of MASTER 1 and MASTER 2 outputs.

- Player information display and menu.
- layer controls and menu: – MENU: a short press of this button plays/pauses playback. A long press on this button gives access to the menu options; for more information see section MENU (PLAYER, PC CONNECTION AND SETTINGS). -EQ/ : a short press selects different equalisations: NOR (no equalisation), POP, ROC (rock), JAZZ or CLAS (classical) or COU (country). A long press allows you to change the repeat and song playback options: A (repeat all), 1 (repeat one), R (repeat folder), F (play folder 1 time), N (play randomly), I (play the first 10 seconds of each song).
: in play mode, a short press jumps to the previous/next song. A long press performs a fast rewind/fast forward of the song. In menu, these buttons allow you to scroll left or up ( ) and right or down (
). -VOL+, VOL-: player volume controls. - BOOTH – VOL: BOOTH output volume control. This BOOTH signal is composed of the mix ofthe
MASTER 1 and MASTER 2 outputs. - PHONES – VOL: headphone output volume control.
- PHONES – : headphone output, 6.3 mm stereo jack.
- USB port for USB devices.
- SD card slot.

REAR PANEL

- AC SELECT: supply voltage selector.
- AC power input.
- MASTER 1 BALANCED OUTPUT: balanced line level output MASTER 1 corresponding to the final mix, 2 x XLR connector.
- MASTER 2: unbalanced line level output MASTER 2, 2 x RCA connector.
- MASTER 1: unbalanced line level output MASTER 1, 2 x RCA connector.
- BOOTH: unbalanced BOOTH line level output, 2 x RCA connectors. This BOOTH signal is composed of the mix of the MASTER 1 and MASTER 2 outputs.
- REC: line level recording output, 2 x RCA connectors. The REC output is the mix of the two master outputs and is not affected by the volume control of either of these 2 outputs.
- CH 3 – CH 5: stereo line level inputs for channels CH 3 to CH 5, 2 x RCA connector. They allow the connection of players with line level output.
- CH 1 – CH 2: stereo line level and phono or auxiliary level inputs for channels CH 1 and CH 2. They allow the connection of players with line level and phono or aux level output respectively, 2 x RCA connectors. If you use the PHONO/AUX inputs, you must select the input type on the selector switch before physically connecting the equipment.
- PHONO/AUX: selectors that allow you to choose the input type for the phono/aux connectors of channels CH 1 and CH 2.
- GND: connection for equipment ground. If you connect several devices together, it is recommended to use a common ground for all of them.
- MIC 1: balanced microphone input, XLR combo connector and 6.3 mm stereo jack.
- MIC 2, MIC 3: balanced microphone inputs, XLR connectors.
MENU (PLAYER, PC CONNECTION AND SETTINGS)
To access the menu, long press the MENU button on the player. To scroll through the menu options or modify the values of the settings use the
buttons and finally press MENU to validate. This menu has the following options:

MUSIC: accesses the player of the connected USB or SD devices.

PC CONNECTION: allows you to play audio from the computer connected via USB cable to the mixer’s USB port. It will also grant access to the content of the SD card connected to the mixer (play, delete and add files).

SYSTEM SETTINGS: allows you to view/change the following parameters: display contrast (CONTRAST), menu language (LANGUAGE), firmware version (FIRMWARE VERSION) and return to the menu screen (QUIT).
CONNECTION
- Before making any connections, make sure that all devices are switched off and disconnected from the power supply.
- Check that all volume controls on the microphones, input channels CH 1 to CH 5, MASTER and BOOTH outputs are set to minimum.
- Connect the desired equipment to the input channels. Connect players to the LINE inputs of channels CH 1 to CH 5. And connect players with auxiliary line level output to the AUX inputs of channels CH 1 and CH 2 and set the input level selector switch to the AUX position. If you want to connect a turntable, use the PHONO inputs on channels CH 1 and CH 2 and set the input level selector to the PHONO position. If your turntable has a ground connection, connect it to the GND terminal on the rear panel.
- Connect a USB device or SD memory card with MP3 files to the corresponding port of the player.
- Connect the balanced or unbalanced MASTER output to a line-level input of an amplifier or power stage. If desired, you can connect the BOOTH output to self-amplified monitor speakers.
- Connect the devices to the power supply. Switch on the equipment in this order: peripheral equipment, followed by the mixer SM-1860U and lastly the amplifier or power amplifier (if necessary).
- Adjust the volume of inputs MIC 1 to MIC 3 and CH 1 to CH 5; and select the output buses to which to send each channel CH 1 to CH 5.
- Adjust the volume of the MASTER 1 and MASTER 2 outputs.
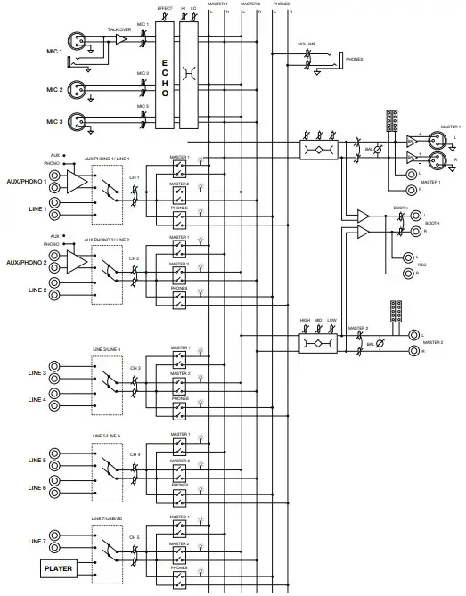
BLOCK DIAGRAM

TECHNICAL SPECIFICATIONS
| SM-1860U | |
| FEATURES | Professional mixer with 12 inputs, 8 channels, assignable to 2 master outputs with independent volume control. USB/SD player. |
| PLAYER | Plays MP3 files from USB/SD or from the PC USB port for connection of USB memories and connection to PC as a USB device Audio SD card reader Information ID3 tag |
| INPUTS | 1 balanced combo mic (XLR and 6.3 mm jack), 1,700 Ω 10 mV RMS, 2 balanced XLR mics, 1,700 Ω 10 mV RMS. 7 stereo unbalanced lines 22,000 Ω 200 mV RMS and 2 phono / aux 2 x RCA 47,000 Ω 4 mV RMS / 47,000 Ω 200 mV RMS |
| CONTROLS | MIC1: volume, bass (± 12 dB, 100 Hz), treble (± 12 dB, 10,000 Hz), echo and talkover effect MIC2 and MIC3: volumen, bass (±12 dB, 100 Hz), treble (±12 dB, 10,000 Hz) and echo effect. Input channels: input selector, volume slider, assignment to master 1, master 2 and headphone preview, assignment light for each Master 1 and master 2 output: volume, bass (+12, – 32 dB, 100 Hz), mid (+12, -32 dB, 1,500 Hz) and treble (+12, -32 dB, 10,000 Hz), mid and treble, balance and level indicator Booth output: volume control Output headphone: volume control USB/SD player: play/pause, menu access, equalization and repeat mode, song forward and backward and volume control. |
| FUNCTIONS | Assignment matrix of 5 input channels to 2 master outputs Assignable CUE headphone preview for each channel 3-band equalizer on master outputs Master 1 and master 2 output level LEDs Talk over for level reduction on MIC 1 input |
| OUTPUTS | Master 1 (2 x XLR and 2 x RCA), master 2 (2 x RCA), recording (2 x RCA), booth (2 x RCA) and stereo headphones (6.3 mm jack) |
| RESPONSE | 20-20,000 Hz |
| S/N RATIO | Micro: 75 dB Phono: 55 dB Line/Aux: 75 dB |
| POWER SUPPLY | 230/115 V AC, 10 W maximum |
| DIMENSIONS | 483 x 89 x 205 mm depth 2 U 19” rack |























