VIZULO Shell Basic Emergency LED Luminaire

Dimensions
Netto Weight
WARNING!
- Do not touch LED modules!
- Do not put any tools or other items on LED modules!
- In case any LED is physically damaged (example shown below) the warranty is void.


Install LED luminaire only in a clean room using gloves!
The diffuser cover may accumulate small electrostatic charges that make it susceptible to dust and other small particles; It should only be cleaned using a dry microfiber cloth or a compressed air duster.
Energy efficiency class of contained light source(s)


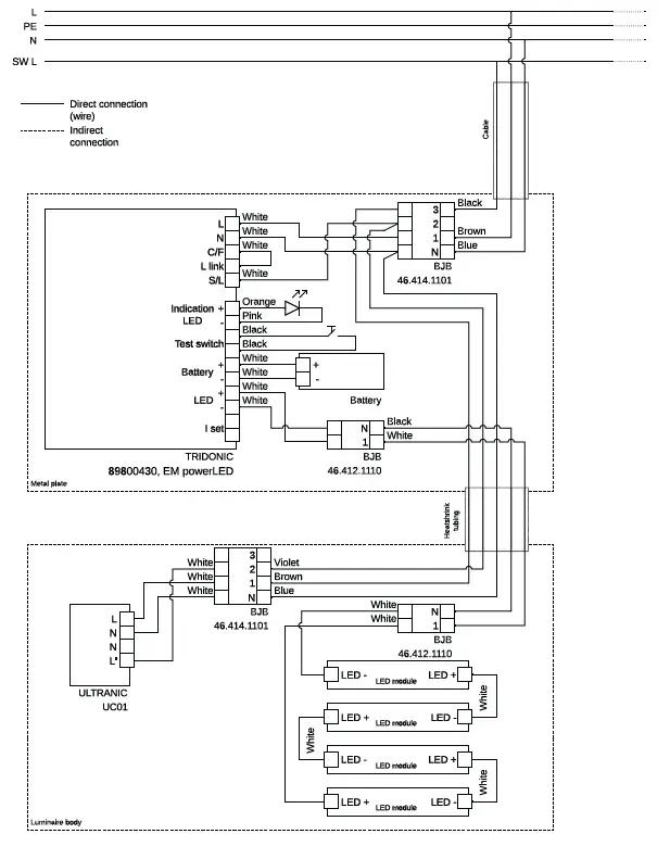
Wiring diagram
The user manual of microwave motion sensor
Settings:
- Sensitivity
Sensitivity can be adjusted by selecting the combination on the DIP switches for different applications. - Hold-time
Hold-time refers to the time period that the light remains 100% on if no more movement is detected. - Daylight sensor
Different daylight thresholds can be preset on DIP switches. Light will always turn on upon movement if the daylight sensor is disabled.
Indoor Luminaire cleaning
Possible cleaning equipment
It is important to clean luminaires in association with luminaire mounting or component changing. Reflective parts surfaces should be cleaned from dust and grime pollution. It is also important to remember that the voltage should be disconnected before the cleaning process is initiated. Electrical components and cables must not be exposed to water or detergents. Information about luminaire components disassembling can be found in the user’s instructions
Switch off the power supply.
Wash and wipe the outside part. Clean the inside of the luminaire.
Do not touch or wet LED modules. Close the luminaire tightly. Make function test.
Luminaire body
Vacuuming with a soft brush. Neutral dishwashing detergent with lukewarm water / Cleaning detergent, without grinding effects, in lukewarm water. Drying: Self-drying in room temperature or wipe off with a slightly damp cleaning cloth.
Reflector and diffuser cover
In case of loose dirt clean with a soft duster or cleaning cloth without microfibers, or use compressed air. For light, soiling dilutes a citric acid-based cleaning product with water (e.g. 30 ml Frosch® citrus cleaner in 5 liters of water). The cleaner should be non-abrasive, pH neutral, and alcohol-free. In case of heavy soiling: Oil and grease can be removed using a mixture of alcohol and water (1:1), e.g. methylated spirits. Residues of alcohol-based cleaning products are easily wiped away with a water-soaked cotton cloth. Stubborn stains can be soaked in diluted citrus cleaner. Drying: Blow off with compressed air or use a lint-free, fresh, and clean cotton cloth.
Plastic covers and caps
Vacuuming with a soft brush or compressed air. In case of heavy soiling: cleaning detergent, without grinding effects, in warm water, maximum 55 degrees Celcius. Wash with a soft, clean cloth (without microfibers) in plenty of water. Rinse with lukewarm water. Drying: Self-drying in room temperature or wipe off with a slightly damp cleaning cloth (without microfibers).
Terms of use and maintenance
Before the luminaire is turned on, it should be mounted according to this mounting instruction or any other applicable regulations.
Mounting instructions
Mounting of luminaire must be performed by a qualified person according to the following instructions:
- The warranty of the luminaire does not apply if the mounting of the luminaire has been performed in precipitation (rain, snow, hail).
- The warranty of the luminaire does not apply if a control system unauthorized by VIZULO or an inapplicable LED driver has been used to drive the luminaire.
- The warranty of luminaire does not apply if it has been used in an unsuitable ambient temperature or has been supplied by voltage outside of the specified range.
- The warranty of luminaire does not apply if the LED driver program has been changed in any way.
- The warranty of the luminaire does not apply if the logged history data of the LED driver has been deleted without the permission of VIZULO.
- The warranty of luminaire does not apply, if it has been mounted in unspecified angles or upside down (luminaire glass directed up), or it has been completely submerged under water.
Safety instructions
Any actions with the luminaire must be performed by a qualified person, who is certified according with national regulations and requirements. To prevent any accidents person installing the luminaire must follow national safety requirements and following instructions:
- • The label containing technical parameters of the luminaire has to be studied before the work on it has begun.
• Any luminaire build or design changes are prohibited.
• The luminaire must be used in good technical condition and according to this instruction.
• Only VIZULO-authorized spare parts and accessories can be used to repair the luminaire.
• The repair of the luminaire has to be performed by a qualified and certified person.
Maintenance and repair
The luminaire has to be disconnected from the electrical grid before it is opened and/or repaired!
- The person working with the luminaire must follow national regulations and legislations that apply to the maintenance and testing of electrical or electronic appliances.
- The luminaire may need to be cleaned depending on its environment. Only a damp cloth or a sponge may be used to clean the luminaire. Use only household detergents diluted by water.
- Only VIZULO-authorized spare parts may be used for the luminaire.
- Instruction for changing spare parts must be requested from VIZULO and studied before the repair is attempted.
- LED modules, lenses, es, and LED drivers can be changed on an installed luminaire, but it is advised to perform this task indoors to avoid water entering the luminaire.
- Spare parts (lens, LED modules, and drivers) should be ordered from the information available on the luminaire label.




























