
HCD-GPX555/GPX888
SERVICE MANUAL
Ver. 1.1 2014.10
US Model HCD-GPX555
E Model HCD-GPX555/GPX888
Australian Model HCD-GPX555
- HCD-GPX555 is the amplifi er, USB, CD player, Bluetooth, NFC, and tuner section in MHC-GPX555.
- HCD-GPX888 is the amplifi er, USB, CD player, Bluetooth, NFC, and tuner section in MHC-GPX888.
- “WALKMAN” and “WALKMAN” logos are registered trademarks of Sony Corporation.
- MPEG Layer-3 audio coding technology and patents licensed from Fraunhofer IIS and Thomson.
- Windows Media is either a registered trademark or trademark of Microsoft Corporation in the United States and/or other countries.
- This product is protected by certain intellectual property rights of Microsoft Corporation. Use or distribution of such technology outside of this product is prohibited without a license from Microsoft or an authorized Microsoft subsidiary.
- The Bluetooth® word mark and logos are registered trademarks owned by Bluetooth SIG, Inc. and any use of such marks by Sony Corporation is under license. Other trademarks and trade names are those of their respective owners.
- The N Mark is a trademark or registered trademark of NFC Forum, Inc. in the United States and in other countries.
- Android™ is a trademark of Google Inc.
- Google Play™ is a trademark of Google Inc.
- iPhone and iPod touch are trademarks of Apple Inc., registered in the U.S. and other countries. App Store is a service mark of Apple Inc.
- “Made for iPod” and “Made for iPhone” mean that an electronic accessory has been designed to connect specifically to iPod or iPhone, respectively, and has been certified by the developer to meet Apple performance standards. Apple is not responsible for the operation of this device or its compliance with safety and regulatory standards. Please note that the use of this accessory with an iPod or iPhone may affect wireless performance.
- All other trademarks and registered trademarks are of their respective holders. In this manual, ™ and ® marks are not specified.
| CD Section | Model Name Using Similar Mechanism | HCD-GPX33 |
| CD Mechanism Type | CDM90-DVBU204//M | |
| Optical Pick-up Name | CMS-S76RFS7G |
SPECIFICATIONS
AUDIO POWER SPECIFICATIONS POWER OUTPUT AND TOTAL HARMONIC DISTORTION:
(USA model only)
With 4 ohm loads, both channels are driven, from 120 – 10,000 Hz; rated 180 watts per channel minimum RMS power, with no more than 0.7% total harmonic distortion from 250 milliwatts to rated output.
Amplifi er section
The following are measured at
USA model: AC 120 V, 60 Hz
Mexican model: AC 120 V – 240 V, 60 Hz
Chilean and Bolivian models:
AC 220 V – 240 V, 50 Hz
Other models: AC 120 V – 240 V, 50/60 Hz
MHC-GPX888
Front speaker
Power Output (rated): 350 W+
350 W (at 4 ohms, 1 kHz, 1% THD)
RMS output power (reference): 600 W + 600 W (per channel at 4 ohms, 1 kHz)
LBT-GPX555/MHC-GPX555
Front speaker
Power Output (rated): 350 W + 350 W (at 4 ohms, 1 kHz, 1% THD)
RMS output power (reference): 600 W + 600 W (per channel at 4 ohms, 1 kHz)
Subwoofer
RMS output power (reference): 600 W (4 ohms, 100 Hz)
Inputs
AUDIO IN 1/PARTY CHAIN IN L/R
Voltage 2 V, impedance 47 kilohms
AUDIO IN 2 L/R
Voltage 2 V, impedance 47 kilohms MIC (MHC-GPX888 only)
Sensitivity 1 mV, impedance 10 kilohms
(USB) A,
(USB) B, port Type A
Outputs
AUDIO OUT/PARTY CHAIN OUT L/R
Voltage 2 V, impedance 1 kilohm
USB section
Supported bit rate
WMA: 48 kbps – 192 kbps, VBR, CBR
AAC: 48 kbps – 320 kbps, VBR, CBR
Sampling frequencies
WMA: 44.1 kHz
AAC: 44.1 kHz
Supported USB device
Mass Storage Class
Maximum current
500 mA
Disc/USB section
Supported bit rate
MPEG1 Layer-3: 32 kbps – 320 kbps, VBR
MPEG2 Layer-3: 8 kbps – 160 kbps, VBR
MPEG1 Layer-2: 32 kbps – 384 kbps, VBR
Sampling frequencies
MPEG1 Layer-3: 32 kHz/44.1 kHz/48 kHz MPEG2
Layer-3: 16 kHz/22.05 kHz/24 kHz
MPEG1 Layer-2: 32 kHz/44.1 kHz/48 kHz
Disc player section
System
Compact disc and digital audio system Laser Diode Properties
Emission Duration: Continuous Laser Output*: Less than 44.6 µW
* This output is the value measurement at a distance of 200 mm from the objective lens surface on the Optical Pick-up Block with 7 mm aperture.
Frequency response 20 Hz – 20 kHz
Signal-to-noise ratio More than 90 dB
Dynamic range More than 88 dB
Tuner section
FM stereo, FM/AM superheterodyne tuner Antenna:
FM lead antenna
AM loop antenna
FM tuner section
Tuning range
USA model: 87 5 MHz – 108.0 MHz (100 kHz step)
Other models: 87.5 MHz – 108.0 MHz (50 kHz step)
AM tuner section
Tuning range
Pan American and Australian models:
531 kHz – 1,710 kHz (9 kHz step)
530 kHz – 1,710 kHz (10 kHz step)
Other models:
531 kHz – 1,602 kHz (9 kHz step)
530 kHz – 1,610 kHz (10 kHz step)
Bluetooth section
Communication system
Bluetooth Standard version 3.1 Output
Bluetooth Standard Power Class 2 Maximum communication range Line of sight approx. 10 m1)
Frequency band
2.4 GHz band (2.4000 GHz – 2.4835 GHz)
Modulation method
FHSS (Freq Hopping Spread Spectrum)
Compatible Bluetooth profiles 2)
A2DP (Advanced Audio Distribution Profile)
AVRCP 1.3 (Audio Video Remote Control Profile)
SPP (Serial Port Profile)
Supported codecs
SBC (Sub Band Codec)
AAC (Advanced Audio Coding)
- The actual range will vary depending on factors such as obstacles between devices, magnetic fields around a microwave oven, static electricity, reception sensitivity, antenna performance, operating system, software application, etc.
- Bluetooth standard profiles indicate the purpose of Bluetooth communication between devices.
HCD-GPX555/GPX888
Ver. 1.1
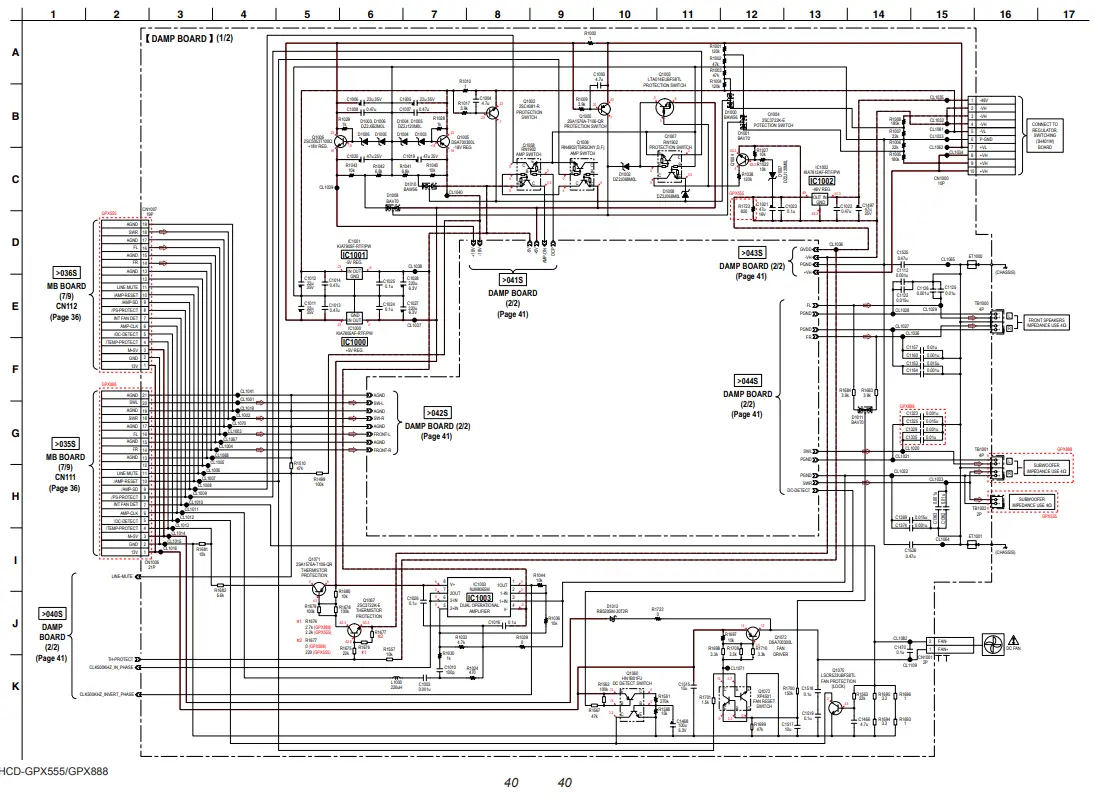
6-17. SCHEMATIC DIAGRAM – DAMP Board (1/2) –


COMPACT DISC RECEIVER
9-890-651-02
2014J80-1 © 2014.10
Sony Corporation
Published by Sony EMCS (Malaysia) PG Tec


















