
Quick Start Guide
SpeedFace series
Overview

Device Installation

- Attach the mounting template sticker to the wall, and drill holes according to the mounting paper. Fix the backplate on the wall using wall mounting screws.
- Attach the device to the backplate.
- Fasten the device to the backplate with a security screw.
Standalone Installation

Note: In this document, we only guide you to connect some common components, if you want more guidance on the connection of SRB, external fingerprint reader and so
on, please refer to the user manual document.

Lock Relay Connection
The system supports Normally Opened Lock and Normally Closed Lock. The NO LOCK (normally opened at power on) is connected with ‘NO1’ and ‘COM’ terminals, and the NC LOCK (normally closed at power on) is connected with ‘NC1’ and ‘COM’ terminals. T NC Lock ake as an example below:
- Device not share power with the lock

- Device sharing power with the lock

RS485 and RS232 Connection
Wiegand Input Connection

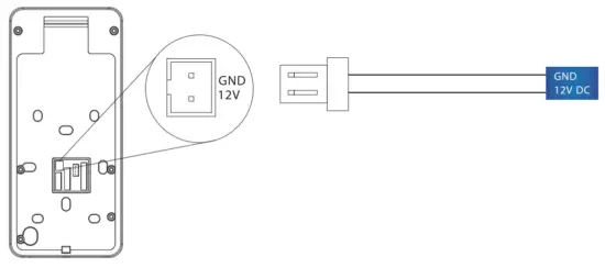
Power Connection

Recommended power supply
- 12V ± 10%, at least 30 00mA.
- To share the power with other devices, use a power supply with higher current ratings.
Ethernet Connection

Click [Settings]>[Network Settings]>[TCP/IP Settings]>[DHCP], input the IP address and click [OK].
Note: In LAN, the IP addresses of the server (PC) and the device must be in the same network segment when connecting to ZKBioAccess software.
Quick Start

User registration
Register on the device
Click
> Employee +> to register new employee. Enter employee name, ID, register fingerprint, face, badge number (ID and Mifare card are optional), and password.


Note:
- It’s recommended to register multiple administrators.
- It’s recommended ed to enroll the user’s face in 0.5m distance for a person with1.4~1.8m height.
View records
View records in the device
Click
> Record Search Att Log Name Employee ID > enter or (if user ID field is empty, records of all users will be displayed) > select Time Range > press OK, the corresponding attendance logs will be displayed.
View records on the software Click [Access] > [Report] on the software to view the records.
Appendix
| Device name | Appearance |
| SpeedFace V5 | ![]() |
| SpeedFace H5 | ![]() |
| SpeedFace T5 | ![]() |

#24, Shambavi Building, 23rd Main, Marenahalli,JP Nagar 2nd Phase,
Bengaluru – 560078
Phone : 91-8026090500 | Email : [email protected]
www.esslsecurity.com





















![Zkteco Speedface-v5l[qr] Series Visible Light Facial Recognition Terminal User Guide Zkteco Speedface-v5l[qr] Series Visible Light Facial Recognition Terminal User Guide](https://static-data1.manualsee.com/1/img/411/2395082/2022/03/ZKTeco-SpeedFace-V5LQR-Series-Visible-Light-Facial-Recognition-Terminal-fea.png)

