tivoli Litesphere Adapt 2.0

Product Information: LITESPHERE ADAPT 2.0
The LITESPHERE ADAPT 2.0 is a lighting system that can be cut in the field to match project requirements. It uses very high output LED type bulbs and has a maximum single run of 55′ to 80′, depending on the spacing between bulbs. The system is designed to work with NRTL listed Class 2 12V DC transformers only. It is rated IP67, meaning it is protected against dust and water immersion up to 1 meter for 30 minutes.
The LITESPHERE ADAPT 2.0 should be installed by a certified professional and wired for correct polarity. The brown wire connects to the positive (+) terminal, and the blue wire connects to the negative (-) terminal on the power supply. The transformer should be installed as close to the light string as possible, and the wire sizing from the transformer to the light strings must be carefully calculated in order for low voltage circuits to operate properly.
When installing the LITESPHERE ADAPT 2.0, basic safety precautions should always be followed to reduce the risk of fire, electric shock, and personal injuries. The luminaire should not be covered, submerged in liquid, or installed closer than 6 inches (15.25cm) from any curtain or similar combustible material.
Product Usage Instructions: LITESPHERE ADAPT 2.0
- Verify the contents of the package and read the instructions entirely before starting installation.
- Ensure power is turned off before installing or modifying the system.
- Consult any and all applicable local and national codes for installation.
- Do not conceal or extend exposed conductors through a building wall as per local electrical code.
- Use waterproof connectors for all outdoor applications.
- Measure the area where the system is to be installed and cut LITESPHERE ADAPT 2.0 lengths to fit. Do not cut while the system is powered.
- Calculate wire size between load and power supply to avoid voltage drop. Use 12 gauge lead wire and keep the transformer within 80ft of the fixture. Consult factory for lengths over 80ft.
- If installing LITESPHERE ADAPT 2.0 Strands with Shades, refer to the installation options for installing them.
- If using Catenary Cable (LS-CABLE 110 or LS-CABLE 500, each sold separately) to mount the system to a suspension cable, attach each end of the cable to structural support using Cable Locks (LS-LOCK-2) included with the 110 foot Cable Kits or available separately. Follow instructions carefully.
- Inspect the system periodically and do not use if damaged (e.g. broken globe, loose connections, or frayed wire insulation).
For any questions, call Tivoli LLC tech support.
Installation Instructions
PLEASE VERIFY THE CONTENTS OF THE PACKAGES!
PLEASE READ INSTRUCTIONS ENTIRELY BEFORE STARTING INSTALLATION.
BE SURE POWER IS TURNED OFF BEFORE INSTALLING OR MODIFYING THE SYSTEM.
CALL TIVOLI LLC TECH SUPPORT WITH QUESTIONS.
Caution: Litesphere™ ADAPT 2.0 is designed to work with NRTL listed Class 2 12V DC transformers only. Use of any other power source will cause damage, shorten the life of the fixture and will void the warranty. Consult any and all applicable local and national codes for installation. Do not conceal or extend exposed conductors through a building wall as per local electrical code
Warning: With any luminaire for any application, basic safety precautions should always be followed to reduce the risk of fire, electric shock and personal injuries. This lighting system should be installed by a certified professional.
Risk of injury or fire. Do not cover any luminaire as the covering may cause it to overheat.
Do not install this lighting system where the exposed bare contacts can be shorted or contact any conductive material to reduce the risk of fire and burns.
Do not install any luminaire closer than 6 inches (15.25cm) from any curtain, or similar combustible material.
Do not use any luminaire if damaged (e.g. broken globe, loose connections, or frayed wire insulation.) Inspect periodically.
Do not submerge any luminaire in liquid. Use waterproof connectors for all outdoor applications.
Do not secure any luminaire with staples, nails or like means that might damage the wire insulation. Secure it by using screws through the base. Do not run any luminaire at an operating temperature exceeding 65˚ C or 149˚ F.
Danger of electric shock. Do not cut while system is powered! Measure area where system is to be installed and cut Litesphere™ ADAPT 2.0 lengths to fit.
Installer must calculate wire size between load and power supply to avoid voltage drop. The wire sizing from the transformer to the light strings must be carefully calculated in order for low voltage circuits to operate properly.
| Maximum Single Run* | |||
| LED Type | 12″ OC | 18″ OC | 24″ OC |
| Very High Output | 55′ | 70′ | 80′ |
*Maximum run lengths are based on Tivoli’s recommended lumen drop.
Tivoli recommends installing the transformer as close to the light string as possible. Use 12 gauge lead wire and keep the transformer within 80ft of the fixture. Consult factory for lengths over 80ft.
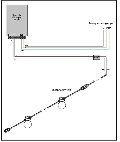
Overview
Litesphere™ ADAPT 2.0 may be cut in the field to match project requirements. Simply cut wires and connect to junction box, or connect directly to transformer for power. Install End Cap (LSL2-EC) on dead end.
Note: Ensure the system is wired for correct polarity. The brown wire connects to the positive (+) terminal, and the blue wire connects to the negative (-) terminal on the power supply.
Shades: Litesphere™ ADAPT 2.0 Strands ordered with Shades are shipped with the Globes removed for easier installation of the Shades. Please refer to the installation options for installing Litesphere™ 2.0 ADAPT with Shades.
Hanger clip mount to Suspension Cable
Illuminate courtyards, streets or parks with festive lighting using Catenary Cable (LS-CABLE 110, and LS-CABLE 500, each sold separately). Each cable is a 1/8″ dia. stainless steel aircraft cable. Attach each end of cable to structural support using Cable Locks (LS-LOCK-2) included with 110 foot Cable Kits or available separately. 500 foot cable is not sold with locks and must be ordered individually. Follow instructions carefully.
WARNING: For suspension application, catenary cable is required to support the product, otherwise the warranty will be void.
Note: Article 225.3(B) of the National Electrical Code states that all festoon lighting spans over 40 feet MUST be supported by messenger wire. The messenger wire shall be supported by strain insulators. The LS-CABLE options offered by Tivoli meet these requirements. Consult applicable local codes for installation.
Option A: Surface Mount

Option B: Catenary Cable Suspension Cable Preparation

Adjusting Catenary Cable

Option B: Catenary Cable Suspension Torque Adjustments

Option B: Catenary Cable Suspension




NOTE: For strands with 18″ or greater on center spacing, use a Zip tie in between globes to prevent sagging.

Installing Globes: Globe to Strand

NOTE: Make sure gasket is properly seated for water tight seal.

Installing Light Shade: Shade Assembly

NOTE: Make sure gasket is properly seated for a tight fit.



NOTE: Make sure gasket is properly seated for water tight seal.

Removing Excess Globes: Cutting the Strand



Wiring:

LED Bulb Replacement: Globe & LED Removal

NOTE: (4B) If an LED does not light up after powering on the Litesphere 2.0 strand, remove unlit LED, rotate 180 degrees, and re-insert into socket.

Copyright © 2021 Tivoli 11.04.2021
www.tivolilighting.com
tel: 714-957-6101 fax: 714-427-3458




















