Litesphere 2.0 Low Voltage
LED String Lights
Instruction Manual
Litesphere 2.0 Low Voltage LED String Lights

![]()
PLEASE VERIFY THE CONTENTS OF THE PACKAGES!
PLEASE READ INSTRUCTIONS ENTIRELY BEFORE STARTING INSTALLATION.
BE SURE POWER IS TURNED OFF BEFORE INSTALLING OR MODIFYING THE SYSTEM.
CALL TIVOLI LLC TECH SUPPORT WITH QUESTIONS.
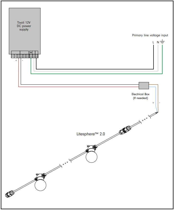
Caution: Litesphere 2.0 is designed to work with NRTL listed Class 2 12V DC transformers only. Use of any other power source will cause damage, shorten the life of the fixture and will void the warranty. Consult any and all applicable local and national codes for installation. Do not conceal or extend exposed conductors through a building wall as per local electrical code.
Warning: With any luminaire for any application, basic safety precautions should always be followed to reduce the risk of fire, electric shock and personal injuries. This lighting system should be installed by a certified professional.
Risk of injury or fire. Do not cover any luminaire as the covering may cause it to overheat.
Do not install this lighting system where the exposed bare contacts can be shorted or contact any conductive material to reduce the risk of fire and burns.
Do not install any luminaire closer than 6 inches (15.25cm) from any curtain, or similar combustible material.
Do not use any luminaire if damaged (e.g. broken globe, loose connections, or frayed wire insulation.) Inspect periodically.
Do not submerge any luminaire in liquid. Use waterproof connectors for all outdoor applications.
Do not secure any luminaire with staples, nails or like means that might damage the wire insulation. Secure it by using screws through the base. Do not run any luminaire at an operating temperature exceeding 65˚ C or 149˚ F.
Danger of electric shock. Do not cut while system is powered! Measure area where system is to be installed and cut Litesphere™ 2.0 lengths to fit.
Installer must calculate wire size between load and power supply to avoid voltage drop. The wire sizing from the transformer to the light strings must be carefully calculated in order for low voltage circuits to operate properly.
| Maximum Single Run* | ||||
| LED Type | 6″ OC | 12″ OC | 18″ OC | 24″ OC |
| Standard | 130′ | 180′ | 230′ | 250′ |
| High Output | 80′ | 110′ | 130′ | 150′ |
| Very High Output | 30′ | 55′ | 70′ | 80′ |
*Maximum run lengths are based on Tivoli’s recommended lumen drop.
Tivoli recommends installing the transformer as close to the light string as possible. Use 12 gauge lead wire and keep the transformer within 80ft of the fixture. Consult factory for lengths over 80ft.
Overview
Litesphere™ 2.0 may be cut in the field to match project requirements. Simply cut wires and connect to junction box, or connect directly to transformer for power. Install End Cap (LSL2-EC) on dead end.
Note: Ensure the system is wired for correct polarity.
The brown wire connects to the positive (+) terminal, and the blue wire connects to the negative (-) terminal on the power supply.
Note: Prior to installation, it is recommended that each globe be given a firm twist to ensure the Globes are tight after shipping.
Shades: Litesphere™ 2.0 Strands ordered with Shades are shipped with the Globes removed for easier installation of the Shades. Please refer to the installation options for installing Litesphere™ 2.0 with Shades.
Hanger clip mount to Suspension Cable
Illuminate courtyards, streets or parks with festive lighting using Catenary Cable (LS-CABLE 110, and LS-CABLE 500, each sold separately). Each cable is a 1/8″ dia. stainless steel aircraft cable. Attach each end of cable to structural support using Cable Locks (LS-LOCK-2) included with 110 foot Cable Kits or available separately. 500 foot cable is not sold with locks and must be ordered individually. Follow instructions carefully.
WARNING: For suspension application, catenary cable is required to support the product, otherwise the warranty will be void.
Note: Article 225.3(B) of the National Electrical Code states that all festoon lighting spans over 40 feet MUST be supported by messenger wire. The messenger wire shall be supported by strain insulators. The LS-CABLE options offered by Tivoli meet these requirements. Consult applicable local codes for installation.
Option A: Surface Mount

Option B: Catenary Cable Suspension Cable Preparation
Option B: Catenary Cable Suspension Torque Adjustments
Option B: Catenary Cable Suspension 


NOTE: For strands with 18″ or greater on center spacing, use a Zip tie in between globes to prevent sagging.
Installing Light Shade: Shade Assembly
Installing Light Shade: Shade Assembly to Strand
Installing Light Shade: Globe Installation
Removing Excess Globes: Cutting the Strand
Removing Excess Globes: Installing End Cap
Wiring Size:
LED Bulb Replacement: Globe & LED Removal
LED Bulb Replacement: LED Install & Testing
NOTE: If an LED does not light up after powering on the Litesphere 2.0 strand, remove unlit LED, flip 180 degrees, and re-insert into socket.
7170804
Copyright © 2021 Tivoli 10.18.2021
www.tivolilighting.com
tel: 714-957-6101
fax: 714-427-3458


















