Jema Autolifte DWC Wheel Balancer

Safety Instruction
ATTENTION
This manual is an integral part of the product.
The warnings and instructions in this manual provide important information about SAFETY IN USE and MAINTENANCE and should be read very carefully.
KEEP THIS MANUAL IN A SAFE PLACE SO THAT IT IS ON HAND FOR REFERENCE.
Product destination
The wheel balancing machine is designed exclusively for balancing the tires of wheels with maximum dimensions defined in the general section of this manual.
During ordinary maintenance of the apparatus, it is the responsibility of the maintenance operator (who should be suitably trained and professionally qualified) to turn the main switch to OFF, ensuring that it cannot be accidentally switched on, unplugging the connection to the power supply if necessary.
This machine should only be used for the purpose for which it was designed. Any other use is to be considered improper and unreasonable.
The manufacturer (Balance) may not be considered responsible for any damage caused by improper, incorrect and unreasonable use.
Training and information for the machine operators
The machine should only be used by specially trained and authorized personnel.
The training and informing of the operating staff should be done so as to enable them to operate the machine as described in the instructions provided by the manufacturer, so that the machine performs in the best possible way and the operations are carried out efficiently and safely.
For any doubts relating to the use, installation and maintenance of the machine, please refer to the instructions manual or if necessary contact the authorized service centers or the technical services office of Balance.
Transport and unpacking
For transport of the packaged product, refer to Fig.1.
Once the product has been unpacked, check that the instructions manual is there, that the material is complete and there are no parts which have been visibly damaged.
Remove the contents of the packages and place them in a storage area inaccessible to children or animals.
Environmental requirements for installation
The site of installation should have the following features:
- Level horizontal floor, rigid, preferably concrete or tiled.
- Sufficient lighting (but without dazzling or very bright lights).
- Protected from atmospheric conditions.
- Pollution-free area.
- Noise level lower than provided for by current regulations.
- The work place must not be exposed to dangerous movements from other machines in operation.
- Explosive, corrosive and/or toxic materials should not be stored in the same place.
- From the control position the operator must be able to see the entire apparatus and the surrounding area. Within the area you must prevent access to unauthorized persons and objects that may constitute a source of danger.
All the installation operations involving connections with outside main supplies (especially electricity) must be done by professionally qualified people.
Installation must be done by authorized personnel following the special instructions contained in the manual where necessary.
In case of doubt, consult authorized service center or the technical services office of Balance.
Safety
Any tampering or alteration of the apparatus which is not previously authorized by the manufacturer will release the latter from any liability for damages deriving from or referring to the above-mentioned actions.
Removal or tampering with the safety devices constitutes violation of the safety regulations.
The operator must also observe the following safety procedures:
- Check that dangerous conditions do not arise during the operation maneuvers. Stop the machine immediately in case of irregular functioning and contact the customer service office of the authorized retailer.
- Check that the working area around the machine is free of potentially dangerous objects and that there is no oil (or other sticky materials) on the flooring since this is a potential danger for the operator.
- The operator must wear suitable work clothing, protective goggles, gloves and mask to prevent harm from dust or impurities being blown out. Dangling objects such as bracelets should not be worn, long hair should be protected in a suitable manner, shoes should be suitable for the type of operation to be performed.
Technical service, repairs and replacement of parts
All repair and extraordinary maintenance operations should be carried out by authorized and professionally qualified personnel.
Disconnect the machine from the mains supplies (electricity, compressed air, etc.) before any maintenance operation. Use original spare parts supplied by the manufacturer.
Consult the technical services office of Balance for any doubt regarding the suitability and conformity to safety regulations of the accessories and spare parts to be used on the machine.
Storing
Should the machine have to placed in storage for a long period, disconnect the main supplies, empty the tanks containing the operating liquids and make sure that those parts which could be damaged by the deposit of dust are adequately protected. Grease those parts which could be damaged due to drying out and, when the machine is used again, replace the gaskets indicated in the spare parts section.
Scrapping
If the machine is not to be used again, it should be made inoperative.
Those parts which could cause danger should be rendered harmless.
Consult disposal classification lists for the disposal category of the product.
Scrap as iron scrap and send to the appropriate refuse collection center.
If it is considered special waste, dismantle and divide into similar parts before disposing in accordance with the regulations in force.
GENERAL PRECAUTIONS
Before operating the balancing machine, read carefully the use and maintenance manual. The noncompliance with these standards frees the constructor from any responsibility.
Warnings and cautions
- The machine is to be operated only by authorized personnel.
- Check that the use of the balancing machine does not trigger off hazardous situations to people or things.
- When irregularities or malfunctions occur, stop immediately and require the intervention of the specialized technical assistance.
- Any maintenance operation is to be carried out by specialized personnel.
- It is absolutely forbidden to alter equipment and safety devices.
- Any utilization of spare parts whose features do not correspond to the following specifications, any modifications or even any little alterations, free the constructor from any responsibility related to proper use and safety for people and/or things.
Technical data
- Max. wheel weight 65 kg
- Power supply 110 V /220 V /380 V, 50 /60 Hz
- Balancing accuracy 1 g
- Balancing speed <200rpm
- Rim diameter 10” ~ 24” (254mm ~ 610mm)
- Rim width 1.5” ~ 20” (40mm ~ 508mm)
- Cycle time <10 s
- Noise level <70 dB
- Net weight (without accessories) 88 kg
- Operating temperature range -5°C ~ 50°C
- Overall dimensions (with guard) (L×W×H) 915 X 760 X1230
INTRODUCTION
The electronic balancing machine with a microprocessor, capable of balancing wheels weighing up to 65Kg.
The control elements and signals are all contained on the front panel.
The keyboard calibration system also provides a sufficient adjustment range to cope with unusual wheels (aging motorcycles and cars).
Some ALU functions are available for specially shaped wheels or for presetting optional balancing machine functions (see 3.5 using the keyboard).
INSTRCUTIONS FOR USE
Lifting and Installation
Lever the base to lift the balancing machine. In no circumstances should force be applied to other parts, such as the mandrel, the headstock, the casing or the accessories tray.
It is advisable but not obligatory to fix the machine to the floor, using the φ12 holes in
the three support feet (access to two is obtained by removing the adapter support).
Check that the balancing machine touches the floor where the three feet rest.
Maximum dimensions including the guard: 1250X1100X1700mm. (See Fig.2)
Power supply
Before connecting the machine to the mains with the cable provided, check that the voltage is the same as shown on the plate mounted on the back of the balancing machine.
Standard voltage is 220-240 V or 110 V single phase. Maximum electrical power input is 0.6KW.
- Inner side UNBALANCE POSITION display
- Outer side UNBALAN-CE POSITION display
- Outer side UNBALANCE VALUE digital display
- Displays showing the type of correction chosen
- Inner side UNBALANCE VALUE digital display
- DISTANCE calibration key
- WIDTH calibration key
- DIAMETER calibration key
- Key for selecting g/oz and mm/inches; self-calibrating
- Emergency key
- Key to start cycle
- Opt program
- Threshold key
- Key for selecting type of correction
- Recalculation key

N.B.: Only use the fingers to press the push buttons. Never use the pincers for the counterweights or other pointed objects
Fixing the adapter
Before fixing the adapter on the balancing machine shaft, check that the shaft and the adapter centering area are clean.
Use one of the many adapters produced as per catalogue.
Remember that imperfect centering provokes unbalanced. Use the wrench provided to lock the adapter onto the balancing machine shaft.
Mounting the wheel
Mount the wheel with suitable cone and adjustable nut Remember that imperfect centering provokes unbalanced unnecessarily.
Using the keyboard
The following operations can be carried out using the keyboard:
Varying the distance (dimension “a”)————————————————————— ↑a or ↓a
Varying the width (dimension “b”)——————————————————————- ↑b or ↓b
Varying the diameter (dimension: “d”)————————————————————- ↑d or ↓d
Recalculating the values—————————————————————————— C
Disp. The values below the threshold————————————————————- FINE
Static Dynamic—————————————————————————————— F
ALUx Dynamic—————————————————————————————— ALU
Balancer self-calibrating—————————————————————————— F + C
Start by closing the guard—————————————————————————– F + STOP
Unbalance measured in gm or oz—————————————————————— F + ↑a + ↓a
Width measured in mm or inches——————————————————————- F + ↑b or F + ↓b
Diameter measured in mm or inches————————————————————– F + ↑d or F + ↓d
Start measuring cycle———————————————————————————- START
Emergency cycle stop———————————————————————————- STOP
The unit of measurement chosen for the unbalance (grams or ounces) and the option to start by closing the guard or by pressing the START key are stored in the machine’s memory when it is switched off.
If the unit of measurement selected for the width and diameter (mm or inches) is inches, this selection must be repeated every time the machine is started up.
Calibrating the panel
DIAMETER: input the diameter “d “ which is shown on the tire. WIDTH: input the width “b”, which is normally shown on the wheel rim, or measure the width “b” with the calipers provided. DISTANCE: find out the measure between the machine and the weights positioning point on the wheel rim and set by means of “a” (Fig.4)
Note for balancing of motorcycle wheels dynamically
- Slip the extension onto the distance measurer.
- Extract the measurer until the extension touches the inner side of the wheel rim.
- Read the value “ a ” on the scale, set it manually using the key 9, value “a+5” (scale base 25 cm).

Wheel balancing
- Close the guard.
- Press the START key.
- The wheel is accelerated automatically to balancing speed and then braked; displays 3 and 5 read the unbalance values.
- Displays 1 and 2 read the correction position with LEDs. If all the LEDs are lit, the correction weight must be put at the top of the vertical axis.
IMPORTANT: An unbalance value reading below 10-12 grams (0.4-0.5 oz) is normally sufficient for good balancing.
With this balancing machine, it is easy to balance to a tolerance of only 5 grams (0.2 oz) or less.
THRESHOLD KEY: FINE
The correction of residual unbalance below 5 grams (0.2 oz) can be read whenever necessary (wheels for special uses) by pressing this key with the machine at a standstill.
Display 3 and 5 for unbalances below 5 grams (0.2 oz) in normal conditions.
Alu-S Function – How to use ALU-S program.
Select: ALU S (press ALU key to LED-light is on next to the Alu-S program)
- A ↑ ↓ – keys, A1 = Distance from the edge of the machine to the inner track of the rim where glue grams must be placed.
- B ↑ ↓ – keys, AE = Distance from the edge of the machine to the outer track on the rim where glue grams must be placed.
- D ↑ ↓ – keys, d1 = Rim diameter measured at the inner track which adhesive glue-grams to be installed and entered. (Usefully be measured before mounting the wheel on DWC)
- Aluminum is pressed and hold, and D ↑ ↓ – keys, change rim diameter measured at the outermost track on which glue-grams must be installed. (Can usefully be measured before mounting the wheel on DWC)
- Glue-grams glued on 12 o´clock, at the time that all LED-light is turned on. (12.00.)
Self calibration methods
- Fit any wheel to the shaft, it should be pre-balanced, although it is advisable to use one with “average” dimensions.
- Set the exact dimensions of the wheel fitted.
ATTENTION: any error in setting the dimensions will mean that the machine is not correctly calibrated, so all the subsequent measurements will be faulty until the machine is next calibrated with correct measurements.
- Press F + C .

- Until the positioning LED’s change from flashing into steady.
- Press START

- Add a 100 gram weight on the outside in any angular position.

- Press START .
- The machine is calibrated at the end of the cycle. The display reads “END CAL”.
Remove the 100 gram weight from the wheel, which can now be balanced with a further cycle.
The values that the machine records from this self-calibration operation are automatically stored in a special memory which also maintains them when the machine is switched off, with storage lasting for about 10 years, so the machine will be ready for correct functioning every time it is switched on.
However, the self-calibration operation can be repeated as often as you like or whenever the correct functioning of the machine is in doubt.
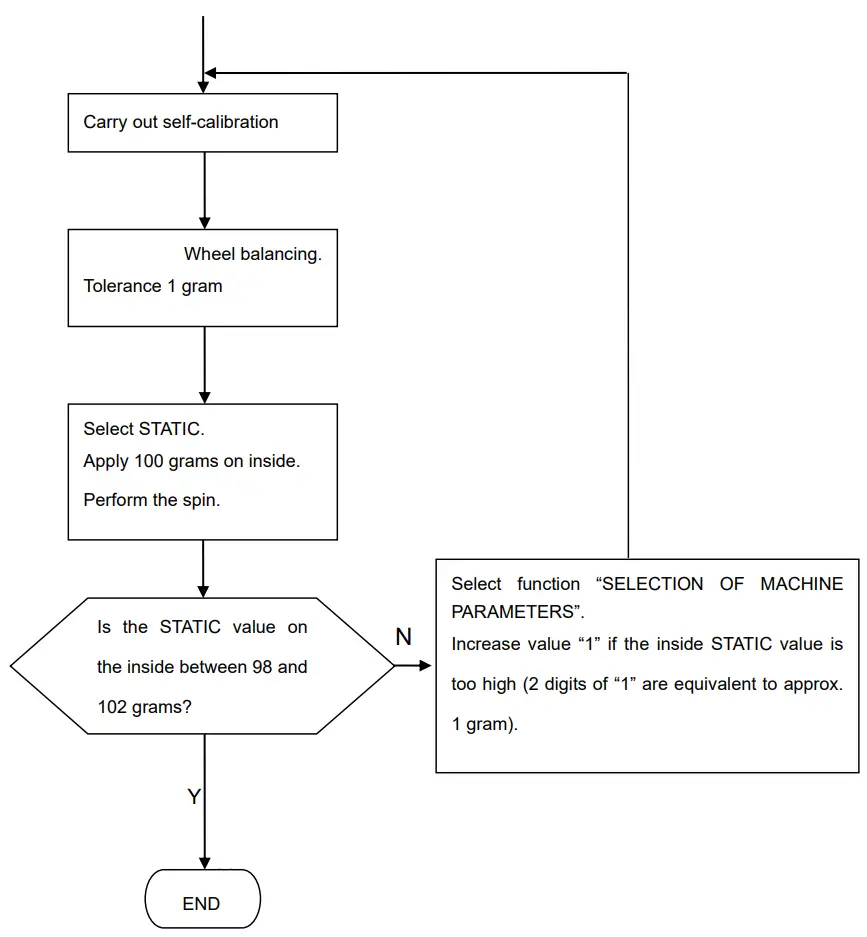
STATIC-ALU functions
(For balancing wheels of motorcycle, in light alloy or special construction forms) Ref. Fig.6
- NORMAL: for balancing wheel rims in steel or light alloy by applying weights to the edge of the rim with clips.

- ALUS: for balancing special shape wheel rim (Look 3.8.1)

- ALU1: for balancing of the light alloy rims with application of adhesive weights on the rim shoulders

- ALU2: for balancing wheel rims in light alloy with application of the inner side adhesive weight. Position of the inner side weight is the one shown in the figure

- ALU3: for combined balancing: clip-on weight on the inside; hidden application of the adhesive weight on the outside (Mercedes).

- St.: STATIC correction is required for motorcycle wheels or when it is not possible to place the counterweights on both sides of the wheel rim.

- The ALU functions available can be selected at any time to provide a reading of the correction weights to be applied to different positions from those shown in Figure 4 (normal). Press key ALU to select the desired function. For each function, the microprocessor elaborates the real values of the compensating weight corrected on the basis of the position of the correction weight and memorizes them quickly on the unbalance displays.
Optimizing the unbalance
The optimizing operation enables you to reduce the amount of weight to add to the wheel in order to balance it. In many cases, an improvement of the residual eccentricity on the tire can also be achieved.
- Press key OPT, The display reads “r.S.”
- Press START The machine runs a measuring cycle.
- The display gives an instruction to turn the tire on the wheel rim. Make a reference mark on the adapter and wheel rim with chalk, so as to be able to refit the wheel rim on the bead of the tire in the same position.
- Use a tire changer to rotate the tire through 180 on the wheel rim.
- Fit the wheel rim back onto the adapter in the same position as before.
- Press START. The machine runs a second measuring cycle.
- The displays now read as follows: Right hand display: % value (symbol ) of possible unbalance reduction compared to the current condition of the wheel.
Left hand display: Current static unbalance value. This is the value that can be reduced by the figure, read off the right hand display by turning the tire on the rim.
LEDs: Manually turn the wheel until the outer LED’s light up (display position); mark the top of the tire. Continue the (manual) rotation and similarly mark the wheel rim where it corresponds to the position indicated by the inner LED’s.- Unbalance optimizing is achieved by turning the tire on the wheel rim again (using a tire remover) until the two marks line up. Press the STOP key to end the unbalance reduction operation and return to measuring wheel unbalance.
Inconstant unbalance readings
When a wheel has been balanced, is removed from the balancing machine and then fitted to it again, the instruments may read that the wheel is not balanced. This does not depend on defective machinery instruments, but is due to the wheel having been fitted badly to the adapter, i.e. the wheel is in a different position with respect to the balancing machine axis in the first and second fittings. If the wheel is fitted to the adapter with screws, the screws may not have been tightened correctly, i.e. using the crossover system, gradually, or (as often happens), the holes in the wheel may have too much tolerance.
Small errors, up to 10 grams (0.4 oz) should be considered normal in wheels fitted on a cone adapter; the error is normally greater for wheels fitted with screws or bolts. If the wheel is found to be still unbalanced when it is fitted to the vehicle after balancing, this depends on the unbalances in the vehicle’s brake drums or very often on the holes for the bolts of the wheel rim and brake drum, which are sometimes made with too much tolerance. In this case, it may be advisable to rebalance with the wheel on the vehicle.
ORDINARY MAINTENANCE
Switch off the machine’s power supply before executing any maintenance operations.
Adjusting the belt pulley
- Slightly loosen the four screws that support the motor and move the motor to adjust the belt tension.
- Block the four motor screws carefully, check that the belt does not play laterally and touch the casing when in movement.
Computer board replacement
Machine parameters input:
When the computer board is to be replaced by a new one, it is necessary to insert the machine parameters.
To perform this operation, act as follows: press push buttons F + C as to execute the self-calibration; When the position LEDs stop flashing press the following push buttons within 5 seconds and with the proper sequence: ↓a +↑a + F .
After having pressed ↓a and ↑a, the displays turn off, and after having pressed F the present value of fixed distance “DF” appears: modify by ↑b and ↓b .
Press ↑a to the modification of the “I” value.
On the right display appears the present value (in %) and on the left one appear the “I” writing and the symbol “-“ if the correction is negative, or “+” if it is positive. Modify by ↑b and ↓b .
By pressing the push button ↑a on the right display , the “S “ value appears: to modify it, press the push buttons ↑b and ↓b.
To finish, press ↑a .
Configuration basic values: See the sticker beside the power board.
After having modified the machine parameters, execute again the self-calibration.
NOTE: the values with which the machine has been calibrated in the factory are reported on a inner frame based data plate.
TROUBLESHOOTING
| TROUBLE-ERROR CODE | CAUSE | REMEDY |
| ERR. 1: Lack of wheel phase signal | a) Faulty position transducer b) Not started motor c) Rotation hindrance d) Loose or broken driving belt | a) Restore the transducer efficiency b) Start the motor c) Remove the hindrance d) Tighten or replace the belt |
| ERR.2: The rotation is lower than 60/min | a) Accidental breaking in rotation unit b) Loose driving belt c) No tire mounted or lower rotary speed | a) Check and eliminate the cause of breaking b) Tighten or replace the belt c) Mounted adequate tire |
| ERR.3: Miscalculation | a) Incorrect self-calibration b) Too high unbalance c) Faulty memory card | a) Repeat the self-calibration b) Check the correct wheel centering on the spindle c) Replace the board |
| ERR.4: Wrong rotation direction | a) Wrong motor connection | a) Reverse the connection in the motor terminal board |
| ERR.5: Open protection before beginning launch | a) Open protection b) Faulty protection switch | a) Close the protection b) Replace the switch |
| ERR.7: Card faulty operation | a) Incorrect self-calibration b) Faulty computer board | a) Repeat the self-calibration b) Replace the board |
| ERR.8: Self-calibration memory fault | a) Second launch carried out without adding the reference weight b) Broken detectors cable | a) Add the reference weight during the carrying out of the second launch b) Restore the connection |
LOGIC TROUBLE SHOOTING SEQUENCE
N.B. Before carrying out any test disconnect braking resistor R on the contactor. Reconnect R only at calibration of testing. When the power or computer board requires replacement, repeat the self-calibration of the balancing machine.
N.B. When the computer board is replaced , preset the machine parameters indicated on the related nameplate.
- 6.1 CHECKING AND SETTING OF STATIC VALUE (STI)

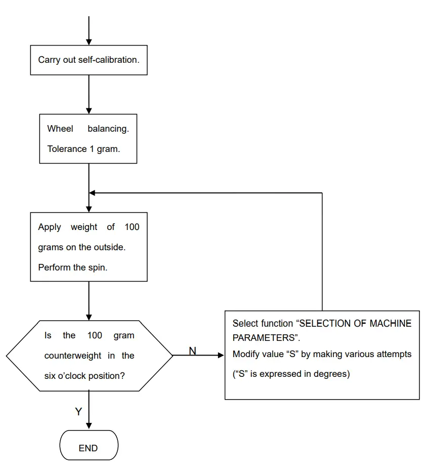
- 6.2 CHECKING AND SETTING OF UNBALANCING POSITION

- 6.3 CHECKING AND CALIBRATION OF FIXED DISTANCE VALUE (DF)

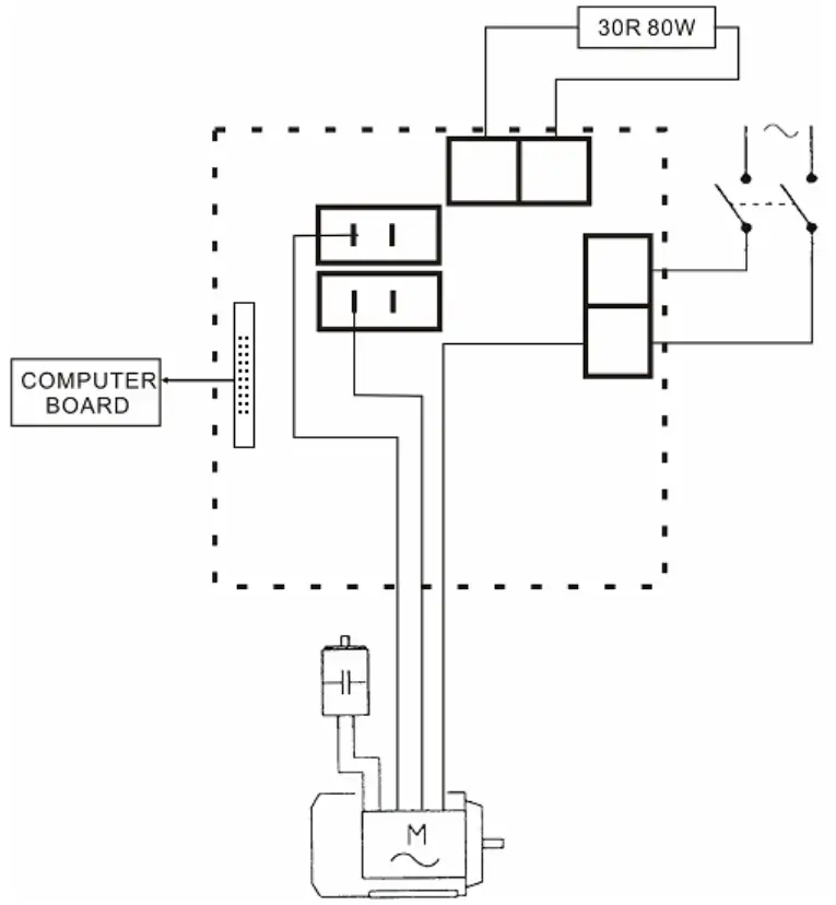
POWER SUPPLY LAYOUT DIAGRAM
- (220 V CONNECTION)

SPARE PARTS LIST
| No | Code | Description | Qt | No | Code | Description | Qt | |
| 1 | PX-500-010000-0 | Body | 1 | 108 | B-014-100251-0 | Screw | 3 | |
| 2 | B-004-050001-1 | Nut | 3 | 109 | B-004-100001-0 | Nut | 3 | |
| 3 | B-040-050000-1 | Washer | 3 | 110 | S-060-000410-0 | Micro switch | 1 | |
| 4 | B-024-050251-0 | Screw | 3 | 111 | PX-100-020000-0 | Shaft box | 1 | |
| 5 | P-000-001001-0 | Tools hang | 3 | 112 | P-100-330000-0 | Spring | 1 | |
| 6 | PX-100-120000-0 | Electric board support | 1 | 113 | PX-100-040000-0 | Shaft | 1 | |
| 7 | Screw | 4 | 114 | Screw | 1 | |||
| 8 | PZ-000-020822-0 | Power board | 1 | 115 | B-004-100001-0 | Nut | 1 | |
| 9 | Nut | 12 | 116 | P-100-200000-0 | Hood | 1 | ||
| 10 | B-004-060001-1 | Nut | 10 | 117 | B-007-060081-0 | Screw | 3 | |
| 11 | B-004-050001-1 | Nut | 4 | |||||
| 12 | D-010-100100-1 | Resistor | 1 | 201 | B-010-060161-0 | Screw | 1 | |
| 13 | B-024-050251-0 | Screw | 2 | 202 | P-100-160000-0 | Handle bar | 1 | |
| 14 | S-060-000210-0 | Power switch | 1 | 203 | P-100-900000-0 | Rim distance | 1 | |
| 15 | PX-100-010920-0 | Motor adjust board | 1 | 204 | Pin | 1 | ||
| 16 | S-063-002000-0 | Capacitor | 1 | 205 | P-100-170000-0 | Plastic bush | 2 | |
| 17 | Hoop | 1 | 206 | P-100-520000-0 | Seeger ring | 2 | ||
| 18 | S-051-230020-0 | Motor | 1 | 207 | P-100-210000-0 | Spring | 1 | |
| 19 | B-040-061412-1 | Washer | 4 | 208 | Y-004-000070-0 | Graduated | 1 | |
| 20 | B-014-050351-1 | Screw | 2 | |||||
| 21 | PX-100-110000-0 | Plate | 1 | 301 | S-042-000380-0 | Belt | 1 | |
| 22 | B-024-050061-0 | Screw | 2 | 302 | B-040-103030-1 | Washer | 1 | |
| 23 | B-040-050000-1 | Washer | 2 | 303 | B-014-100251-0 | Screw | 3 | |
| 24 | S-025-000135-0 | Cable circlip | 1 | 304 | B-050-100000-0 | Washer | 3 | |
| 25 | P-500-190000-0 | Head with tools-tray | 1 | 305 | B-040-102020-1 | Washer | 6 | |
| 26 | S-140-001000-0 | Computer board | 1 | 306 | PZ-000-040100-0 | Position | 1 | |
| 27 | Screw | 4 | 307 | B-024-030061-0 | Screw | 4 | ||
| 28 | Key board support | 1 | 308 | Thread | 1 | |||
| 29 | S-115-008000-0 | Key board | 1 | 309 | P-100-420000-0 | Plastic lid | 1 | |
| 310 | P-100-340000-0 | Spring | 1 | |||||
| 101 | PX-100-200200-0 | Shaft | 1 | 311 | S-100-000010-0 | Coupling | 1 | |
| 102 | B-024-050061-0 | Screw | 3 | 312 | P-100-080000-0 | Screw | 1 | |
| 103 | B-040-050000-1 | Washer | 3 | 313 | B-048-102330-1 | Washer | 4 | |
| 104 | PX-100-030000-0 | Cover | 1 | 314 | B-004-100001-2 | Nut | 5 | |
| 105 | P-100-180000-0 | Sheath | 2 | 315 | S-131-000010-0 | Sensor | 1 | |
| 106 | PX-100-050000-0 | Shaft sheath | 1 | 316 | B-040-124030-1 | Washer | 2 | |
| 107 | B-024-060081-0 | Screw | 1 | 317 | P-100 070000-0 | Screw | 1 |
EXPLODED WHEEL BALANCER DRAWINGS




CERTIFICATE OF CONFORMITY
Certificate No.: CE-C-1208–09-98-03-2A
Date of issue: 2010.03.12
PRODUCT DESCRIPTION: Wheel Balancer
TYPE AND MOOEL: U-100, U-108, U-120, U-130, U-150, U-500, U-520, U-800. U-820.U-828.U-830,IJ.S50, U-860, lJ..870,U-880
APPLICABLE STANDARD: EN80204-1 :2006+A 1: 2009 Electrical Equipment of Industrial machines
APPLICABLE EC
DIRECTIVE: 20061-42/EC Machinery Directive
TECHNICAL FILE (TCF)
REFERENCE NUIIBER: CE-C-1208–09-98-03
Based on the voluntary assessment of the product sample and technical file, wa Certify that the
above-mentioned product meets the requirements of the EC directives.
The manufacturer has the responsibility for ensuring that all serial manufacture of the product is in compliance with the specification of the sample submitted for assessment and detailed In
the technical me.

































