
EMPS375 Midsize Inverter Series
Instruction Manual
EMPS375 Midsize Inverter Series
B3176
Installation And Operation Instructions
For Midsize Inverter Series
Models: EMPS375 and EMPS600
True Sinusoidal Output Power

IMPORTANT SAFEGUARDS
When using electrical equipment, basic safety precautions should always be followed, including the following:
READ AND FOLLOW ALL SAFETY INSTRUCTIONS:
- Do not use outdoors.
- Do not let power supply cords touch hot surfaces.
- Do not mount near gas or electric heaters.
- Use caution when servicing batteries. Battery acid can cause burns to the skin and eyes. If acid is spilled on the skin or in eyes, flush acid with fresh water and contact a physician immediately.
- Equipment should be mounted securely in locations and at heights where it will not be readily subjected to tampering by unauthorized personnel.
- The use of accessory equipment not recommended by the MANUFACTURER may cause an unsafe condition.
- The AC voltage rating of this equipment is specified on the product label. Do not connect equipment to any other voltage.
- Do not use this equipment for other than its intended purpose.
- Servicing of this equipment should be performed by qualified service personnel.
SAVE THESE IMPORTANT SAFETY INSTRUCTIONS
The installation and use of this product must comply with all national, federal, state, municipal, or local codes that apply.
Please read this manual thoroughly before operating the Midsize Inverter System.
Section 100 System Installation Instructions
Specifications
Input
- Input voltage: Universal 120 or 277Vac.
- Input frequency: 60HZ ±2%
- Input surge protection: Meets UL 924
Output
- Output voltage: Universal 120 or 277Vac, 60HZ. Other voltages available upon request
- Output regulation: (static) ±5% based on a 0% – 100% resistive load
- Minimum loading: none required
- Output distortion: Less than 3% THD linear load
- Load power factor: .44 lead to .44 lag
- Output frequency: ±0.3 Hz during emergency
- Time to transfer to inverter after a utility power failure: <1 second
Battery
- Battery type: Maintenance-free sealed Lead Calcium
- Battery charger: Fully automatic dual-mode with temperature compensation
- Recharge time: Meets UL requirements (96 Hours)
- Battery protection: Automatic low-battery voltage disconnect and reverse polarity protection.
- Standard batteries: Sealed Lead-Calcium: 7-year life
- Battery voltage: 60Vdc or 96Vdc (depends on model)
- Runtimes: 90 minutes standard.
- Operating temperature: 20ºC to 30ºC (68ºF to 86ºF)
- Relative humidity: 95% non-condensing
Note: Lead Calcium battery performance is rated at 25°C (77°F) for the load.
Table 1 (Electrical & Physical Specifications)
| MODEL NUMBER | INPUT/OUTPUT VOLTAGE | CAPACITY For 11/2 Hrs. (Watts/VA) | SYSTEM WEIGHT | SYSTEM EFFICIENCY (Full Load) | NUMBER OF BATTERIES | BATTERY VOLTAGE (VDC) | BATTERY CURRENT (Amps) | AC INPUT CURRENT (MAX) | THERMAL OUTPUT (BTUs) | Housing Dimensions | |||||
| Lbs. | Kg. | 120VAC | 277VAC | On-Line | Emergency | Length | Height | Depth | |||||||
| EMPS375 | 120/277VAC | 375/375 | 113 | 51.3 | 98% | 5 | 60 | 7.3 | 3.43 | 1.49 | 11 | 205 | 18.0” (37.5cm) | 16.625″ (42.2275cm) | 8.25″ (20.32cm) |
| EMPS600 | 120/277VAC | 600/600 | 172 | 78.1 | 98% | 8 | 96 | 7.1 | 5.50 | 2.38 | 15 | 275 | 18.0” (37.5cm) | 25.25″ (64.135cm) | 8.25″ (20.32cm) |
* System weights shown include installed batteries

Receiving, Moving, and Storing Systems and Batteries
102.1 Shipping Damage
Inverter system batteries are shipped separately.
Carefully inspect all cartons upon receipt for evidence of shipping damage.
Notify the carrier immediately of leaking or damaged cartons for possible concealed damage.
102.2 Temporary Storage of Units and Batteries
For temporary storage of Midsize inverter systems and batteries prior to installation, select a clean, cool, dry location with normal ventilation for human habitation and level floors.
Storage Temperature:
Store all batteries at 0° to +40° C (32° to +104° F). Batteries will have a longer shelf life if stored at 15° C (60° F). The Midsize Inverter electronics and battery cabinets may be stored at -20° to +60° C (-4° to +140° F).
IMPORTANT:
Lengthy storage of batteries will cause irreversible damage to the cells.
Failure to connect Midsize inverter system batteries to an energized charging circuit within 90 days from the date of shipment will void the battery warranty.
DANGER: Explosive – Can Cause Blindness Or Other Severe Injuries Every type of battery can produce hydrogen gas, even sealed, maintenance-free batteries. The gas is vented through the vent caps and into the air. Do not allow smoking, sparks, or flames in battery storage location because hydrogen is concentrated under the vent cap of each ell of the battery. Hydrogen is highly explosive and is hard to detect because it is colorless, odorless, and lighter than air.
Installation Requirements
103.1 Operating Environment
Install the Midsize inverter system in a clean, cool, dry place with normal ventilation for human habitation and in such a location to hamper vandalism but allow easy access for testing and maintenance.
Operating Temperature:
Midsize inverter Systems are UL Listed for 20° to 30° C (+ 68° to +86° F) operation.
Battery performance and the service life is maximized if the operating temperature is maintained at 25° C(77° F).
Temperature Effect On Lead Calcium Battery Performance:
Lead Calcium batteries will be less efficient at temperatures below 20° C (68° F), and high temperatures will reduce battery life. Typically, at 35° C (95° F), battery life will be half of what it would be at a normal temperature of 25° C (77° F). At 45° C (113° F), battery life will be one-fourth of normal.
Ventilation:
The air around the unit must be clean, dust-free, and free of corrosive chemicals or other contaminants. Do not place the Midsize inverter system or batteries in a sealed room or container.
CAUTION: Never Install Batteries in A Sealed Room Or Enclosure
103.2 High Altitude Operation:
The maximum operating temperature drops 1° Celsius per 300 meters (2° F per 1000 feet) above sea level. The maximum elevation is 3000 meters (10,000 feet).
Cabinet Mounting
104.1 Tools Required
The following tools are required to install the system:
Socket Set, Phillips Screwdriver, Diagonal Wire Cutters, Long Nose Pliers, Electrical Tape, Digital Volt-Ohm Meter, Safety Glasses with Side Shields, Small Punch (knockout removal), Hammer, Electric Drill, Wood or Masonry Bits, Level.
104.2 Mounting Hardware
Mounting hardware is not provided. Care should be taken when selecting mounting hardware to assure that it is the proper type for the application and sized to safely support the system’s full weight when installed assuring safe and secure attachment of the system to the wall surfaces or building structures. For ease of installation, the factory recommends that the head size of mounting screws or bolts be small enough to pass through the keyhole knockouts provided for mounting. This will allow the unit to be hung on partially installed mounting hardware and facilitate easy cabinet removal if ever necessary.
104.3 Knockout Locations
All models provide knockouts on the top and sides of the unit. Additional entry points, if required can be added using a metal punch. Do not drill into the cabinet as metal filings can cause short circuits and damage the equipment.
NOTE: Consider unit knockout locations prior to the mounting unit. Allow room for easy routing of conduit to the entry point.
104.4 Cabinet Mounting:
- Remove cover and any packing material inside unit housing that may have been used for shipping purposes.
- Remove the appropriate knockouts, 7/8” diameter, on the top and/or sides of the unit housing to facilitate conduit attachment. Also, remove keyhole knockouts in the upper and lower corners on the back of the housing.
- Secure housing to the mounting surface through all keyhole knockouts provided using mounting hardware (not supplied) sized appropriately to support the unit weight.
AC Connections
CAUTION:
A) Midsize inverter system units contain hazardous AC and DC voltages. Because of these voltages, a qualified electrician must install the Midsize inverter system, AC line service, and batteries. The electrician must install the AC line service according to local, state, and NEC codes and must be familiar with batteries and battery installation.
B) Before installing, maintaining, or servicing the unit, always remove or shut off all sources of AC power to the Midsize inverter system. Turn the unit battery circuit breaker (CB-1) off to make sure the unit will not supply output voltage. Turn unit AC input breaker (CB-2) off (if provided). Turn the AC line input circuit breaker OFF at the service panel.
C) Whenever AC and/or DC voltage is applied, there will be AC voltage inside the Midsize inverter system unit; the unit can supply power from the AC line or from its batteries. To avoid equipment damage or personal injury, always assume that there may be voltage inside the Midsize inverter system.
D) Remove rings, watches, and other jewelry before installing the AC wiring. Always wear protective clothing and eye protection and use insulated tools when working near batteries. Whenever servicing an energized unit with the inside panel open, electric shock is possible; follow all local safety codes. TEST BEFORE TOUCHING!
E) To reduce the risk of fire or electric shock, install the Midsize inverter system and the batteries in a temperature-controlled and humidity-controlled indoor area free of conductive contaminants. See Section 103 for operating environment specifications.
105.1 AC Wiring Preparations
- Remove the system’s front cover.
- Make sure the Midsize inverter system input and output voltages are correct for the particular application. Remember that the Midsize system provides single-phase power only.
- The input circuit breaker in the input service panel provides the means for disconnecting AC to the inverter system. Only authorized persons shall be able to disconnect AC to the unit. (See NEC 700-20 and 700-21.)
CAUTION: To prevent electrical shock or equipment damage, for all units, make sure the Midsize battery is disconnected and the AC input circuit breaker at the service panel is OFF before making AC connections to the Midsize inverter system. - If not previously done, remove cabinet knockouts for AC Input and AC Output as described in Sections 104-4, 104.5 or 104.6 depending on the mounting method
CAUTION: Do not drill the cabinet; drill filings may damage the unit and prevent it from operating. If larger knockouts are needed, use a chassis punch to enlarge the appropriate knockout. Do not add additional or unnecessary knockouts - Install the input and output conduits.
- Run the AC Input service conductors and AC Output conductors through separate conduits. Midsize inverter system emergency output circuits shall be installed in dedicated conduit systems and not shared with other electrical circuits as described in NEC 700-9(b).
Midsize Inverter: models can be configured for either 120Vac or 277Vac input connections as well as various modes of output operation as described in this section. Refer to the appropriate wiring diagrams to properly connect the utility AC power, fixtures, and external switching or dimming device (where applicable). Perform all wiring procedures in accordance with applicable codes.
105.2 AC Input Voltage Selector Plug Installation
Midsize inverter systems may be operated from either 120Vac or 277Vac power sources. Determine the actual AC input line voltage and install the provided Voltage Selector Jumpers in the position next to the system terminal block that matches the line voltage potential as shown in the illustration below.

NOTE: Factory terminated jumper wires are provided with Midsize Inverter Systems for making user-selected input/output voltage connections.
CAUTION: Failure to install the Voltage Selector Jumpers will prevent system operation. Installing the Voltage Selector Jumpers in a position that does not match the actual AC input line voltage will damage the unit, void the warranty, and may cause a dangerous or unsafe condition.
105.3 AC Input/Output Wiring Connections to Terminal Block
Depending on how the fixture load is to be operated, wire the system as described below.
Normally-On Operation – Connected fixture(s) remain illuminated in AC and emergency modes.
See Wiring Diagram 1.
Normally-Off Operation – Connected fixture(s) illuminate only upon loss of utility AC power.
See Wiring Diagram 2.
Normally-On and Normally-Off Operation – A combination of the operating modes described above.
See Wiring Diagram 3.
Switched Load Operation – Single Circuit – Connected fixture(s) can be externally switched and will illuminate upon loss of utility AC power regardless of the external switch position.
See Wiring Diagram 4.
CAUTION: If the Inverter being used has a 4C or 4AO option, then please refer to wiring diagrams E, F or G.
A. NORMALLY ON LOADS

B. NORMALLY OFFLOADS

C. NORMALLY ON & OFFLOADS

COMBINED NORMALLY ON AND OFF LOADS NOT TO EXCEED LOAD RATING OF SYSTEM
SWITCHED LOADS

NOTES:
INPUT SUPPLY FROM UNSWITCHED UTILITY RATED 20 AMPS MAXIMUM.
OUTPUT(S) TO LIGHTING LOADS
* AVAILABLE AS AN OPTION
E. SWITCHED OR DIMMED EMERGENCY LOADS (for use with 4C or 4AO models)
Note: ONLY (2) OF (4) POSSIBLE SWITCHED OR DIMMED CIRCUITS SHOWN

F. SWITCHED OR DIMMED AND UNSWITCHED EMERGENCY LOADS
(for use with 4C or 4AO models)

G. DIMMING OPTION CONTROL WIRING
Note: ONLY (2) OF (4) POSSIBLE SWITCHED OR DIMMED CIRCUITS SHOWN

CAUTION: The sum of the dimmed load levels for all circuits combined must not exceed unit rating in emergency mode.
DIMMING OPTION PROGRAMMING TABLE
NOTE: POSITION-) AND POSITION-2 ARE PROVIDED FOR EACH OF THE (4) CIRCUITS.
| POSITION-1 | POSITION-2 | VOUT 1 |
| OPEN (OFF) | OPEN (OFF) | 10.0V |
| OPEN (OFF) | CLOSED (ON) | 7.50V |
| CLOSED (ON) | OPEN (OFF) | 5.00V |
| CLOSED (ON) | CLOSED (ON) | 2.50V |
NOTE: Dimming switches S1 and S2 are designed for independent settings to allow different emergency dimming control voltages for each circuit.
CAUTION: Dimming switches must be programmed such that total loads do not exceed unit rating in emergency mode.
NOTES: INPUT SUPPLY FROM UNSWITCHED UTILITY RATED 20 AMPS MAXIMUM.
OUTPUT(S) TO LIGHTING LOADS
AVAILABLE AS AN OPTION
Battery Information
Important Safety Precautions
The installer must take these precautions:
- Wear protective clothing, eye-wear, rubber gloves, and boots. Batteries contain corrosive acids or caustic alkalis and toxic materials and can rupture or leak if mistreated. Remove rings and metal wristwatches or other metal objects and jewelry. Don’t carry metal objects in pockets where the objects can fall onto the batteries or into the Midsize inverter system.
- Tools must have insulated handles so that they will not short battery terminals. Do not allow a tool to short a battery terminal to another battery terminal or to the cabinet at any time. Do not lay tools or metal parts on top of the batteries, and do not lay any objects where they could fall onto the batteries or into the cabinet.
- Install the batteries as described in this manual. When connecting cables, never allow a cable to short across a battery’s terminals or to the cabinet.
- Keep the cable away from any sharp metal edges.
- Install the battery leads so they cannot be pinched by the Midsize inverter system cover/door.
- Where conductors may be exposed to physical damage, protect conductors in accordance with NEC requirements.
- Full voltage and current are always present at the battery terminals. The batteries used in this system can produce dangerous voltages, extremely high currents, and a possible risk of electric shock. Batteries may cause severe injury if the terminals are shorted together or to the ground (earth). Be extremely careful to avoid electric shock and burns caused by contacting battery terminals or shorting terminals during battery installation. Do not touch uninsulated battery terminals.
- A qualified electrician who is familiar with battery systems and required precautions must install and service the batteries. Any battery used with this unit shall comply with the applicable requirements for batteries in the standard for emergency lighting and power equipment, UL 924. Cabinets are designed to be used with, and batteries must be replaced by identical cells or a Manufacturer approved equivalent. If using substitute batteries not supplied by the manufacturer, the unit’s UL listing will be void, and the equipment may fail to perform properly. The installation must conform to national and local codes as well. Keep unauthorized personnel away from batteries.
106.1 Tools
The following tools are required to install the system batteries: Long Nose Pliers, Digital Volt-Ohm Meter, Safety Glasses
CAUTION: Always use insulated tools for battery installation.
106.2 Battery Installation and Connection
Battery Placement:
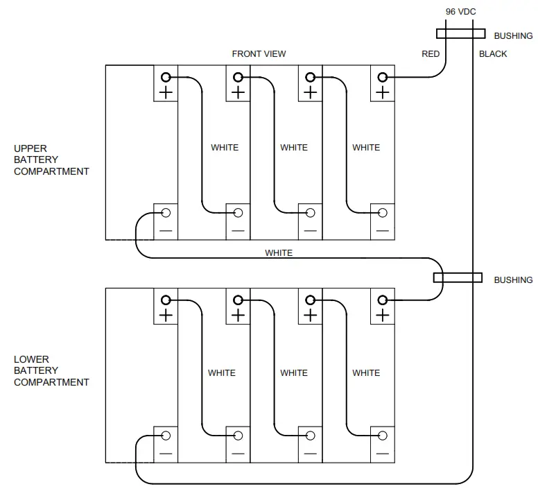
The EMPS375 models are provided with (5) 12V Lead Calcium batteries (60Vdc string). The EMPS600 Models are provided with (8) 12V Lead Calcium batteries (96 Vdc string).
EMPS375: Carefully place all batteries in the unit battery (lower) compartment with positive (+) red terminals facing outwards and upwards. Position batteries in the central location towards the rear of the compartment. Carefully install the battery retention bracket with the supplied hardware. EMPS600: Carefully place (4) batteries in each of the battery (central and lower) compartments with positive (+) red terminals facing outwards and upwards. Position batteries in the central locations towards rear of the compartments. Carefully install battery retention brackets in each compartment with the supplied hardware.
Battery installation and wiring on the EMPS600 model (for reference)

Battery brackets installed on the front
Battery Wiring:
CAUTION: To prevent possible damage to the unit when connecting batteries, verify that the unit battery circuit breaker CB-1 is in the OFF position.
Connect batteries with supplied wiring jumpers using hardware provided with batteries. For EMPS375 refer to Battery Wiring Diagram 1. For EMPS600 refer to Battery Wiring Diagram #2.
Battery Chart:
| Model System | DC Voltage | Number of Batteries | Battery Part Number | Battery Wiring Diagram |
| EMPS375 | 60 | 5 | INV-03-005 | 1 |
| EMPS600 | 96 | 8 | INV-03-005 | 2 |
IMPORTANT: Observe correct polarity on battery terminals
BATTERY WIRING DIAGRAM 1

BATTERY WIRING DIAGRAM 2

106.3 Battery Voltage Check
Using a digital volt-ohm meter, check for correct nominal battery voltage between DC Input NEG and POS wires. The voltage reading should be ±10% of the system’s nominal 60Vdc for EMPS375, and 96Vdc for EMPS600 operating voltage.
107. Final Installation Checklist
IMPORTANT: Before proceeding to the System Start-Up Procedure (Section 108) complete the Final Installation Checklist below.
- Ensure the Midsize Inverter cabinet is securely fastened to a wall or other structure.
- Ensure that the input circuit breaker in the building service panel serving as the AC disconnect to the Midsize Inverter system is in the OFF position. Ensure that both AC input and output breakers (if provided) is in the off position.
- Check for proper ground connections in the Midsize Inverter unit cabinet.
- Check for any loose wiring connections in the Midsize Inverter unit cabinet.
- Check that correct nominal battery voltage (60Vdc for EMPS375, 96Vdc for EMPS600) is present in the Midsize Inverter unit between the battery’s NEG and POS end terminals.
- Verify AC Input Voltage Selector Jumpers are installed and in the proper position to accept the AC input line voltage. system voltage configuration.
CAUTION: Failure to install the Voltage Selector Jumpers will prevent system operation. Installing the Voltage Selector Jumpers in a position that does not match the AC input line voltage will damage the unit, void the warranty, and may cause a dangerous or unsafe condition.
System Start-Up Procedure
IMPORTANT: The Midsize inverter system is a sophisticated electronic backup power supply, care must be taken to follow the steps below in their exact sequence. Failure to do so may result in possible equipment failure.
CAUTION: Familiarize yourself with the shutdown procedure in Section 200.1 before proceed- ing with the Midsize Inverter system Start-Up.
- Hold S-1 Pre-charge Switch in the on(up) position for 15 seconds then release.
- Place battery circuit breaker (CB-1) in the on position.
- Apply utility AC power to the system by turning the branch circuit breaker in the main power panel to the ON position. Place AC input breaker CB-2 (if provided) in the on position. Place AC output breakers CB-3 & CB-4 (if provided) in the on position.
- Observe the LED Status indicators and verify the following:
A) AC ON indicator (red LED) is illuminated (indicates AC utility power is available to the unit).
B) CHG ON indicator (green LED) is illuminated (indicates the battery is connected and charger is operational). - Verify that Normally-On fixtures or switched fixtures (where applicable) are illuminated (local fixture switch must be in ON position).
109. System Test
Momentarily push the TEST switch and verify the following:
A) INV ON status indicator (yellow) illuminates (indicates inverter is operational).
B) Normally-On, Normally-Off, and Switched fixtures are illuminated (where applicable).
109.2 For SDT version units
These models also provide for manual testing by pushing the TEST button in a specific pattern:
A)
| Action | Reaction and LED Indication |
| Push test switch Once (within (2) seconds) | (30) second test: one blink GREEN/pause |
| Push test switch Twice (within (2) seconds) | (30) minute test: two blinks GREEN/pause |
| Push test switch Three times (within (2) seconds) | (90) minute test: three blinks GREEN/pause |
| Push test switch and hold for (3) seconds | Cancels Test |
| Push test switch and hold for (6) seconds | System reset |
B) INV ON status indicator (yellow) illuminates (indicates inverter is operational).
C) Normally-On, Normally-Off and Switched fixtures are illuminated (where applicable)
110. System Self-Test / Diagnostics
Once the system is properly installed in accordance with the installation instructions, and AC power is supplied to the dual color (SDT STATUS) LED indicator will illuminate, followed by the amber (INV ON) LED indicator. The dual-color LED indicates the unit’s status. A steady GREEN LED indicates normal service; A blinking REEN/RED LED indicates the battery is charging; A blinking RED LED (in different combinations) indicates a service alert. Refer to the INDICATION chart in section 10.2 for details. During loss of normal utility power, the dual-color LED will not be illuminated. The AMBER (INV ON) LED indicator will be illuminated only during inverter peration initiated by the loss of utility power or during any manual or automatic self-test. Do not touch components inside the unit. DC voltage is always present at the batteries and battery cables.
110.1 Self-Test/Diagnostic Functions
The self-diagnostic function is factory preset and performs the following:
A) Continuous monitoring of battery, battery charger, and connected loads.
B) Self-testing and a (30) second discharge with a randomized start (per UL 924, Sec. 30.2), once every (30) day, after normal utility power has been supplied for a minimum of (48) hours.
C) Self-testing and a (30) minute discharge with a randomized start (per UL 924, Sec. 30.2), once every (180) day, after normal utility power has been supplied for a minimum of (48) hours.
D) Self-testing and a (90) minute discharge with a randomized start (per UL 924, Sec. 30.2), once every (365) day, after normal utility power has been supplied for a minimum of (48) hours.
110.2 Self-Test/Diagnostic Indication
| SDT Status LED Indicator | System Status |
| Green steady | Normal Service |
| RED/GREEN blinking | High Charge enabled |
| GREEN blinking | Test Mode enabled |
| One blink RED/pause | Battery Charger fault |
| Two blinks RED/pause | Battery fault |
| Four blinks RED/pause | Lamp/Load fault |
Maintenance
200.1 Safe Shut Down Procedure
CAUTION: To avoid possible equipment damage or personal injury, assume that there is AC voltage present inside the Midsize inverter system unit any time AC input power r C battery voltage is applied. The inverter is capable of providing output voltage from the batteries even when there is no AC input line voltage. When AC input voltage is resent, the unit can provide output voltage even when the batteries are disconnected.
Do not touch components inside the unit. DC voltage is always present in the batteries and battery cables.
Final Shut Down Procedure
- Open the unit’s front access panel.
- Place unit battery circuit breaker (CB-1) in the off position. Place unit AC input breaker CB-2 (if provided) in the off position, to make sure the unit will not supply output voltage.
- Place the AC Input circuit breaker at the service panel in the OFF position.
CAUTION: HAZARDOUS ENERGY IS STORED IN CAPACITORS INSIDE THE MIDSIZE UNIT.
AFTER TURNING OFF SWITCHES, ALLOW 5 MINUTES FOR CAPACITORS TO DISCHARGE BEFORE ATTEMPTING ANY SERVICE PROCEDURES. - If the service technician does not need to access the inside of the unit, keep the unit’s front cover/ door closed.
- If the unit will be shut off for an extended period of time, recharge the battery every 60 to 90 days.
CAUTION: The battery will be damaged and the warranty voided if not routinely recharged.
NOTE: To turn the power back on, follow the “System Start-up Procedure” outlined in Section
108. Be sure to complete all of the steps to assure the unit will operate properly.
200.2 Routine System Maintenance
The Midsize inverter system unit is designed to provide years of trouble-free operation. The unit does require some routine attention to assure peak performance. The Manufacturer recommends a Preventative Maintenance check be performed by a qualified service technician at least every six months. The technician must observe important safety precautions while performing the following recommended tasks:
- Inspect and clean the unit interiors;
- Inspect all batteries for leaks, cause swelling or terminal corrosion;
- Perform an emergency operation test to check the operation of all critical connected loads
200.3 Manual Routine Inverter Tests
NFPA101 requires that Emergency Lighting Equipment be tested on a monthly basis for a period of at least 5 seconds, and a minimum of 90 minutes once a year. We strongly recommend these guidelines be followed to insure system readiness and to prolong battery life. The Midsize Inverter system was designed with a front panel test switch to facilitate monthly testing. Simply depress the button and hold to test the inverter at any time. Once released, the Midsize Inverter will revert back to standby operation. For annual 90-minute discharge or other prolonged tests, simply turn off the AC Input breaker at the service panel.
200.4 Routine Battery Inspection and Maintenance Sealed Lead-Calcium Batteries
Maintenance-free cells are the most common type of battery used today in standby equipment. By design, it is as maintenance-free as a battery can be. It is recommended, however, that some simple steps be taken to increase system life and maximize reliability:
A) A quarterly visual check of the battery should be conducted to look for deformities in the battery case, electrolyte leakage, and/or terminal corrosion. Any batteries with these conditions are defective and should be replaced.
Any corroded terminals found, regardless of how slight, are to be cleaned at once to prevent system failure.
B) Once a year, all battery connections should be checked for tightness and cleaned and retightened as necessary.
200.5 Battery Replacement Procedure
WARNING:
Always use the same quantity and type of battery as replacements.
Substituting batteries not supplied by the manufacturer will void the UL listing of the system and may
cause equipment failure. To ensure the superior performance of your Midsize inverter system and maintain proper charger operation, replace spent batteries only with those having the same part number, voltage, and ampere-hour rating as the original batteries.
- Follow the proper shutdown procedure as described in Section 200.1.
- Carefully disconnect all battery wiring. Remove battery retention bracket(s).
- Remove the batteries from the cabinet.
- Install new batteries following the instructions outlined in Section 106.2.
200.6 Battery Disposal
WARNINGS:
- Do not dispose of batteries in a fire, the batteries could explode.
- Do not open or mutilate batteries.
- Released electrolyte is highly toxic and harmful to the skin and eyes.
CAUTION: Batteries contain lead or cadmium, depending on the model. Many state and local governments have regulations about used battery disposal. Please dispose of the batteries properly.
www.functionaldevices.com
800.888.5538
101 Commerce Drive, PO Box 437, Sharpsville, Ind. 46068


















