2-CHANNEL MODULE
Of LOGIC Or COUNTEr INPUTS
SM3
![]()
APPLICATION
Module of logic inputs
The SM3 module of two logic inputs is destined to collect logic states of logic inputs and make them accessible to computer-based industrial systems working on the base of the RS-485 interface.
The module has 2 logic inputs and RS-485 interface with MODBUS RTU and ASCII transmission protocols.
RS-485 and RS-232 ports are galvanically isolated from input signals and supply.
The module programming is possible by means of the RS-485 or RS-232 port.
In the SM3 module set there is a connecting cable to connect with the PC computer (RS-232).
Module parameters:
– two logic inputs,
– RS-485 communication interface with MODBUS RTU and ASCII transmission protocols to operate in computer-based systems with the optical transmission signalling based on LED diodes,
– configurable baud rate: 2400, 4800, 9600, 19299, 38400 bit/s.
Module as an impulse converter.
The SM3 module working as an impulse converter is destined to add measuring devices equipped with impulse inputs, e.g. watt-hour meters, heat-meters, gasmeters, flow transducers a.s.l., to computer systems.
Then, the SM3 converter enables the remote readout of the counter state in automatized accounting systems. The converter has 2 impulse inputs and RS-485 interface with MODBUS RTU and ASCII transmission protocols, what enables its application in computer systems with Wizcon, Fix, In Touch, Genesis 32 (Iconics) and other visualization programs.
Converter parameters:
- two impulse inputs, independently configured:
– programmable active state of inputs (high level or low level of the input voltage),
– programmable filter for input impulses with level of defined duration time (separately for high and low level),
– impulse counting up to the value 4.294.967.295 and with protection against erasing from the application level,
– auxiliary impulse counters with the possibility of erasing in any time,
– non-volatile registers storing the weight of counted impulses,
– 4 separate registers containing the result of the counter value divisions with weight values of counted impulses, - RS-485 communication interface with MODBUS RTU and ASCII transmission protocols to work in computer systems with optical transmission signalling on LED diodes,
- configurable baud rate: 2400, 4800, 9600, 19200, 134800 bit/s,
- programming interface on the frontal plate of RJ type (TTL levels),
- several ways of transmission parameter configuration:
– programmed – by means of the programming interface RJ on the frontal plate,
– programmed – from the application level, by means of the RS-485 bus, - storage of the counter state in the non-volatile memory together with the CRC checksum,
- counting of supply decays,
- detection of emergency states.
MODULE SET
- SM3 module ………………………………………. 1 pc
- user’s manual …………………………………….. 1 pc
- hole plug of the RS-232 socket …………….. 1 pc
When unpacking the module, please check the delivery completeness and whether the type and version code on the data plate correspond to the order.
Fig. 1 View of the SM3 module
BASIC SAFETY REQUIREMENTS, OPERATIONAL SAFETY
Symbols located in this service manual mean:
WARNING!
Warning of potential, hazardous situations. Especially important. One must acquaint with this before connecting the module. The non-observance of notices marked by these symbols can occasion severe injuries of the personnel and the damage of the instrument.
CAUTION!
Designates a general useful note. If you observe it, handling of the module is made easier. One must take note of this, when the module is working inconsistently to the expectations. Possible consequences if disregarded !
In the security scope the module meets the requirements of the EN 61010 -1 standard.
Remarks concerning the operator safety:
1. General ![]()
- The SM3 module is destined to be mounted on a 35 mm rail.
- Non-authorized removal of the required housing, inappropriate use, incorrect installation or operation creates the risk of injury to personnel or damage to equipment. For more detailed information please study the user’s manual.
- Do not connect the module to the network through an autotransformer.
- All operations concerning transport, installation, and commissioning as well as maintenance must be carried out by qualified, skilled personnel and national regulations for the prevention of accidents must be observed.
- According to this basic safety information, qualified, skilled personnel are persons who are familiar with the installation, assembly, commissioning, and operation of the product and who have qualifications necessary for their occupation.
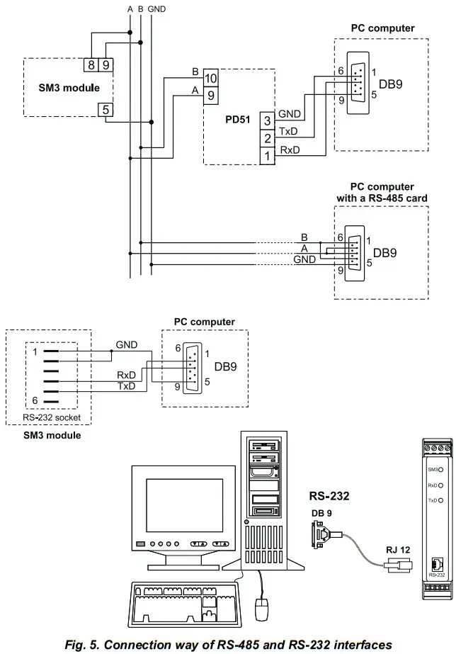
- The RS-232 socket serves only to connect devices (Fig. 5) working with the MODBUS Protocol. Place a hole plug in the RS-232 module socket if the socket is not used.
2. Transport, storage
- Please observe the notes on transport, storage and appropriate handling.
- Observe the climatic conditions given in specifications.
3. Installation
- The module must be installed according to the regulation and instructions given in this user’s manual.
- Ensure proper handling and avoid mechanical stress.
- Do not bend any components and do not change any insulation distances.
- Do not touch any electronic components and contacts.
- Instruments may contain electrostatically sensitive components, which can easily be damaged by inappropriate handling.
- Do not damage or destroy any electrical components since this might endanger your health!
4. Electrical connection
Before switching the instrument on, one must check the correctness of connection to the network.- In case of the protection terminal connection with a separate lead one must remember to connect it before the connection of the instrument to the mains.
- When working on live instruments, the applicable national regulations for the prevention of accidents must be observed.
- The electrical installation must be carried out according to the appropriate regulations (cable cross-sections, fuses, PE connection). Additional information can be obtained from the user’s guide.
- The documentation contains information about installation in compliance with EMC (shielding, grounding, filters and cables). These notes must be observed for all CE-marked products.
- The manufacturer of the measuring system or installed devices is responsible for the compliance with the required limit values demanded by the EMC legislation.
5. Operation
- Measuring systems including SM3 modules, must be equipped with protection devices according to the corresponding standard and regulations for prevention of accidents.
- After the instrument has been disconnected from the supply voltage, live components and power connections must not be touched immediately because capacitors can be charged.
- The housing must be closed during operation.
6. Maintenance and servicing
- Please observe the manufacturer’s documentation.
- Read all product-specific safety and application notes in this user’s manual.
- Before taking the instrument housing out, one must turn the supply off.
The removal of the instrument housing during the guarantee contract period may cause its cancellation.
INSTALLATION
4.1. Module fixing
The module is designed to be fixed on a 35 mm rail (EN 60715). The module housing is made of a self-extinguishing plastic.
Housing overall dimensions: 22.5 x 120 x 100 mm. One should connect external wires with a cross-section of 2.5 mm² (from supply side) and of 1.5 mm² (from input signal side).
4.2. Terminal description
One must connect the supply and external signals in accordance with fig. 3, 4 and 5. Particulars lead-outs are described in the table 1.
NOTE: One must pay a particular attention on the correct connection of external signals (see table 1).
There are three diodes on the frontal plate:
- green – when lighting, signals the supply on,
- green (RxD) – signals the data reception by the module,
- yellow (TxD) – signals the data transmission by the module.
Description of SM3 module lead-outs
Table 1
Terminalnr | Terminal description |
| 1 | GND line of logic inputs |
| 2 | IN1 line – logic input No 1 |
| 3 | 5 V d.c. line |
| 4 | IN2 line – logic input No 2 |
| 5 | GND line of the RS-485 interface |
| 6, 7 | Lines supplying the module |
| 8 | A line of the RS-485 interface with optoisolation |
| 9 | B line of the RS-485 interface with optoisolation |
An exemplary way of logic input connections is presented below
NOTE:
Taking into consideration electromagnetic interference, one must use shielded wires to connect logic input signals and RS-485 interface signals. The shield must be connected to the protective terminal in a single point. The supply must be connected by a two-wire cable with a suitable wire diameter, ensuring its protection by an installation cut-out.
SERVICE
After connecting external signals and switching the supply, the SM3 module is ready to work. The lighted green diode signals the module operation. The green diode (RxD) signals the module polling, however the yellow diode (TxD), the module answer. Diodes should cyclically light during the data transmission, both through the RS-232 and RS-485 interface. The signal „+” (terminal 3) is the 5 V output with the admissible 50 mA load. One can use it for supply external circuits.
All module parameters can be programmed by means of RS-232 or RS-485. The RS-232 port has constant transmission parameters in compliance with technical data, what enables the connection with the module, even when programmed parameters of the RS-485 digital output are unknown (address, mode, rate).
The RS-485 standard allows the direct connection to 32 devices on a single serial link of 1200 m long. To connect a higher number of devices it is necessary to use additional intermediary-separating devices (e.g. PD51 converter/repeater). The manner to connect the interface is given in the module user’s manual (fig. 5). To obtain a correct transmission it is necessary to connect lines A and B in parallel with their equivalents in other devices. The connection should be made by a shielded wire. The shield must be connected to the protective terminal in a single point. The GND line serves to the additional protection of the interface line at long connections. One must connect it to the protective terminal (that is not necessary for the correct interface operation).
To obtain the connection with the PC computer through the RS-485 port, an RS-232/RS-485 interface converter is indispensable (e.g. a PD51 converter) or an RS-485 card. The marking of transmission lines for the card in the PC computer depends on the card producer. To realise the connection through the RS-232 port, the cable added to the module is sufficient. The manner of both port connection (RS-232 and RS-485) is presented on the Fig.5.
The module can be connected to the Master device only through one interface port. In case f the simultaneous connection of both ports, the module will correctly operate with the RS-232 port.
5.1. Description of the MODBUS protocol implementation
The transmission protocol describes ways of information exchange between devices through the serial interface.
The MODBUS protocol has been implemented in the module in compliance with the PI-MBUS-300 Rev G specification of the Modicon company.
Set of serial interface parameters of modules in the MODBUS protocol:
– module address: 1…247
– baud rate: 2400, 4800, 19200, 38400 bit/s
– operating mode: ASCII, RTU
– information unit: ASCII: 8N1, 7E1, 7O1,
RTU: 8N2, 8E1, 8O1, 8N1
– maximal response time: 300 ms
The parameter configuration of the serial interface is described in the further part of this user’s manual. It consists on the settlement of the baud rate (Rate parameter), device address (Address parameter) and the type of the information unit (Mode parameter).
In case of the module connection to the computer through the RS-232 cable, the module sets automatically transmission parameters on values:
Baud rate: 9600 b/s
Operating mode: RTU 8N1
Address: 1
Note: Each module connected to the communication network must:
- have a unique address, different from addresses of other devices c onnected in the network,
- have the identical baud rate and information unit type,
- the command transmission with the address „0” is identified as broad- casting mode (transmission to many devices).
5.2. Description of MODBUS protocol functions
Following MODBUS protocol functions has been implemented in the SM3 module:
Description of the MODBUS protocol functions
Table 2
| Code | Meaning |
| 03 (03 h) | Readout of n-registers |
| 04 (04 h) | Readout of n-input registers |
| 06 (06 h) | Write of a single register |
| 16 (10 h) | Write of n-registers |
| 17 (11 h) | Identification of slave device |
Readout of n-registers (code 03h)
Function inaccessible in data broadcasting mode.
Example: Readout of 2 registers beginning from the register with the 1DBDh (7613) address:
Request:
| Device address | Function | Register address Hi | Register address Lo | Number of registers Hi | Number of registers Lo | Checksum CRC |
| 01 | 03 | 1D | BD | 00 | 02 | 52 43 |
Response:
| Device address | Function | Number of bytes | Value from the register 1DBD (7613) | Value from the register 1DBE (7614) | Checksum CRC | ||||||
| 01 | 03 | 08 | 3F | 80 | 00 | 00 | 40 | 00 | 00 | 00 | 42 8B |
Readout of n- input registers (kode 04h)
Function inaccessible in the data broadcasting mode.
Example: readout of one register with the 0FA3h (4003) address beginning from the register with 1DBDh (7613).
Request:
| Device address | Function | Register address Hi | Register address Lo | Number of registers Hi | Number of registers Lo | Checksum CRC |
| 01 | 04 | 0F | A3 | 00 | 01 | C2 FC |
Response:
| Device address | Function | Number of bytes | Value from the register 0FA3 (4003) | Checksum CRC | |
| 01 | 04 | 02 | 00 | 01 | 78 F0 |
Write of the value into the register (code 06h)
The function is accessible in the broadcasting mode.
Example: Write of the register with 1DBDh (7613) address.
Request:
| Device address | Function | Register address Hi | Register address Lo | Value from the register 1DBD (7613) | Checksum CRC | |||
| 01 | 06 | 1D | BD | 3F | 80 | 00 | 00 | 85 AD |
Response:
| Device address | Function | Register address Hi | Register address Lo | Value from the register 1DBD (7613) | Checksum CRC | |||
| 01 | 06 | 1D | BD | 3F | 80 | 00 | 00 | 85 AD |
Write to n-registers (code 10h)
The function is accessible in the broacasting mode.
Example: Write 2 registers beginning from the register with 1DBDh (7613) ad-
Request:
| Device address | Function | Register address | Number of registers | Number of bytes | Value from the register 1DBD (7613) | Value from the register 1DBE (7614) | Check- sum CRC | ||||||||
| Hi | Lo | Hi | Lo | ||||||||||||
| 01 | 10 | 1D | BD | 00 | 02 | 08 | 3F | 80 | 00 | 00 | 40 | 00 | 00 | 00 | 03 09 |
Response:
| Device address | Function | Register address Hi | Register address Lo | Number of registers Hi | Number of registers Lo | Checksum (CRC) |
| 01 | 10 | 1D | BD | 00 | 02 | D7 80 |
Report identifying the device (code 11h)
Request:
| Device address | Function | Checksum (CRC) |
| 01 | 11 | C0 2C |
Response:
| Device address | Function | Number of bytes | Device identifier | Device state | Software version number | Checksum |
| 01 | 11 | 06 | 8C | FF | 3F 80 00 00 | A6 F3 |
Device address – 01
Function – function No: 0x11;
Number of bytes – 0x06
Device Identifier – 0x8B
Device state – 0xFF
Software version No – version implemented in the module: 1.00
XXXX – 4-byte variable of float type
Checksum – 2 bytes in case of work in RTU mode
– 1 byte in case of work in ASCII mode
5.3. Map of module registers
Register map of the SM3 module
| Addresse range | Value type | Description |
| 4000-4100 | int, float (16 bits) | The value is placed in 16-bit registers. Registers are only for readout. |
| 4200-4300 | int (16 bits) | The value is placed in 16-bit registers. The register contents corresponds to the 32-bit register content from the 7600 area. Registers can be read out and write. |
| 7500-7600 | float (32 bits) | The value is placed in the 32-bit register. Registers are only for readout. |
| 7600-7700 | float (32 bits) | The value is placed in the 32-bit register. Registers can be read out and written. |
5.4. Set of module registers
Set of registers for readout the SM3 module.
| The value is placed in 16-bit registers | Name | Range | Register type | Quantity name |
| 4000 | Identifier | – | int | Constant identifying the device (0x8B) |
| 4001 | Status 1 | int | Status1 is the register describing current states of logic inputs | |
| 4002 | Status 2 | – | int | Status2 is the register describing current transmission parameters. |
| 4003 | W1 | 0… 1 | int | Value of read out state of the input 1 |
| 4004 | W2 | 0… 1 | int | Value of read out state of the input 2 |
| 4005 | WMG1_H |
– |
long | Result obtained through making the division operation of the main counter and the weight value, for input 1 (the register counts the number of millions of the whole result) – higher word. |
| 4006 | WMG1_L | Result obtained through making the division operation of the main counter and the weight value, for input 1 (the register counts the number of millions of the whole result) – lower word. | ||
| 4007 | WMP1_H |
– |
long | Result obtained through making the division operation of the main counter and the weight va- lue, for input 1 (the register counts the number of millions of the whole result) – higher word. |
| 4008 | WMP1_L | Result obtained through making the division operation of the main counter and the weight value, for input 1 (the register counts the number of millions of the whole result) – lower word. | ||
| 4009 | WMG2_H |
– |
long | Result obtained through making the division operation of the main counter and the weight va- lue, for input 2 (the register counts the number of millions of the whole result) – higher word. |
| 4010 | WMG2_L | Result obtained through making the division operation of the main numerator and the weight value, for input 2 (the register counts the number of millions of the whole result) – lower word. |
| 4011 | WMP2_H |
– |
long | Result obtained through making the division operation of the main counter and the weight va- lue, for input 2 (the register counts the number of millions of the whole result) – higher word. |
| 4012 | WMP2_L | Result obtained through making the division operation of the main counter and the weight value, for input 2 (the register counts the number of millions of the whole result) – lower word. | ||
| 4013 | WG1_H | 0… 999999 | float | Result obtained through making the division operation of the main counter and the weight va- lue, for input 1 (the register counts the number of millions of the whole result) – higher word. |
| 4014 | WG1_L | Result obtained through making the division operation of the main counter and the weight value, for input 1 (the register counts the number of millions of the whole result) – lower word. | ||
| 4015 | WP1_H | 0… 999999 | float | Result obtained through making the division operation of the main counter and the weight va- lue, for input 1 (the register counts the number of millions of the whole result) – higher word. |
| 4016 | WP1_L | Result obtained through making the division operation of the main counter and the weight value, for input 1 (the register counts the number of millions of the whole result) – lower word. | ||
| 4017 | WG2_H | 0… 999999 | float | Result obtained through making the division operation of the main counter and the weight va- lue, for input 2 (the register counts the number of millions of the whole result) – higher word. |
| 4018 | WG2_L | Result obtained through making the division operation of the main counter and the weight value, for input 2 (the register counts the number of millions of the whole result) – lower word. | ||
| 4019 | WP2_H | 0… 999999 | float | Result obtained through making the division operation of the main counter and the weight va- lue, for input 2 (the register counts the number of millions of the whole result) – higher word. |
| 4020 | WP2_L | Result obtained through making the division operation of the main counter and the weight value, for input 2 (the register counts the number of millions of the whole result) – lower word. |
| 4021 | LG1_H | 0… (2 32 – 1) | long | Value of the main impulse counter for the input 1 (higher word) |
| 4022 | LG1_L | Value of the main impulse counter for the input 1 (lower word) | ||
| 4023 | LP1_H | 0… (2 32 – 1) | long | Value of the main impulse counter for the input 1 (higher word) |
| 4024 | LP1_L | Value of the main impulse counter for the input 1 (lower word) | ||
| 4025 | LG2_H | 0… (2 32 – 1) | long | Value of the main impulse counter for the input 2 (higher word) |
| 4026 | LG2_L | Value of the main impulse counter for the input 2 (lower word) | ||
| 4027 | LP2_H | 0… (2 32 – 1) | long | Value of the auxiliary impulse counter for the input 2 (higher word) |
| 4028 | LP2_L | Value of the auxiliary impulse counter for the input 2 (lower word) | ||
| 4029 | Status3 | – | int | Error status of the device |
| 4030 | Reset | 0… (2 16 – 1) | int | Counter of the number of device supply decays |
Set of registers to readout the SM3 module (addresses 75xx)
| Name | Range | Register type | Quantity name | |
| The value i registers | ||||
| 7500 | Identifier | – | float | Constant identifying the device (0x8B) |
| 7501 | Status 1 | – | float | The status 1 is the register describing current logic input states |
| 7502 | Status 2 | – | float | The status 2 is the register describing current transmission parameters |
| 7503 | W1 | 0… 1 | float | Value of the read out state of the input 1 |
| 7504 | W2 | 0… 1 | float | Value of the read out state of the input 2 |
| 7505 | WG1 | 0… (2 16 – 1) | float | Result obtained through making the division operation of the main counter and the weight value, for input 1 |
| 7506 | WP1 | – | float | Result obtained through making the division operation of the auxiliary counter and the weight value, for input 1 |
| 7507 | WG2 | – | float | Result obtained through making the division operation of the main counter and the weight value, for input 2 |
| 7508 | WP2 | – | float | Result obtained through making the division operation of the auxiliary counter and the weight value, for input 2 |
| 7509 | LG1 | 0… (2 32 – 1) | float | Value of the main impulse counter for the input 1 |
| 7510 | LP1 | 0… (2 32 – 1) | float | Value of the auxiliary impulse counter for the input 1 |
| 7511 | LP2 | 0… (2 32 – 1) | float | Value of the main impulse counter for the input 2 |
| 7512 | LP2 | 0… (2 32 – 1) | float | Value of the auxiliary impulse counter for the input 2 |
| 7513 | Status3 | float | Status of device errors | |
| 7514 | Reset | 0… (2 16 – 1) | float | Counter of the number of device supply decays |
Description of the status register 1
Bit-15…2 Not used State 0
Bit-1 State of the IN2 input
0 – open or inactive state,
1 – short-circuited or active state
Bit-0 State of the IN1 input
0 – open or inactive state,
1 – short-circuited or active state
Description of the status register 2
Bit-15…6 Not used State 0
Bit-5…3 Operating mode and information unit
000 – interface turned off
001 – 8N1 – ASCII
010 – 7E1 – ASCII
011 – 7O1 – ASCII
100 – 8N2 – RTU
101 – 8E1 – RTU
110 – 8O1 – RTU
111 – 8N1 – RTU
Bit-2…0 Baud rate
000 – 2400 bit/s
001 – 4800 bit/s
010 – 9600 bit/s
011 – 19200 bit/s
100 – 38400 bit/s
Description of the status register 3
Bit-1…0 FRAM memory error – Main counter 1
00 – lack of error
01 – error of write/readout from the memory space 1
10 – error of write/readout from memory spaces 1 and 2
11 – error of write/readout of all memory blocs (loss of counter value)
Bit-5…4 FRAM memory error – Auxiliary counter 1
00 – lack of error
01 – error of write/readout from the 1 st memory space
10 – error of write/readout from the 1 st and 2 nd memory spaces
11 – error of write/readout of all memory blocs (loss of the counter value)
Bit-9…8 FRAM memory error – Main counter 2
00 – lack of error
01 – error of write/readout from the 1st memory space
10 – error of write/readout from the 1st and 2 nd memory spaces 1 and 2
11 – error of write/readout of all memory blocs (loss of the counter value)
Bit-13…12 FRAM memory error – Auxiliary counter 2
00 – lack of error
01 – error of write/readout from the 1st memory space
10 – error of write/readout from 1st and 2 nd memory spaces
11 – error of write/readout of all memory blocs (loss of the counter value)
Bit-15…6, 3…2, 7…6, 11…10, 15…14 no used State 0
Set of registers to readout and write the SM3 module (addresses 76xx)
Table 6
| The value of float type is placed in 32-bit registers. | The value of int type is placed in 16-bit registers. | Range | Name | Quantity name |
| 7600 | 4200 | – | Identifier | Identifier (0x8B) |
| 7601 | 4201 | 0… 4 | Baud rate | Baud rate of the RS interface 0 – 2400 b/s 1 – 4800 b/s 2 – 9600 b/s 3 – 19200 b/s 4 – 38400 b/s |
| 7602 | 4202 | 0… 7 | Mode | Working mode of the RS interface 0 – Interface switched off 1 – ASCII 8N1 2 – ASCII 7E1 3 – ASCII 7O1 4 – RTU 8N2 5 – RTU 8E1 ? 6 – RTU 8O1 7 – RTU 8N1 |
| 7603 | 4203 | 0… 247 | Address | Device address on the Modbus bus |
| 7604 | 4204 | 0… 1 | Apply | Acceptation of changes for the registers 7601-7603 0 – lack of acceptation 1 – acceptation of changes |
| 7605 | 4205 | 0… 1 | Working mode | Working mode of the device: 0 – logic input 1 – counter inputs |
| 7606 | 4206 | 0… 11 | Instruction | Register of instructions: 1 – erasing of the auxiliary counter for the input 1 2 – erasing of the auxiliary counter for the input 2 3 – erasing of the main counter for the input 1 (only with RS-232) 4 – erasing of the main counter for the input 2 (only with RS-232) 5 – erasing of auxiliary counters 6 – erasing of main counters (only with RS232) 7 – write of default data to the registers 7605 – 7613 and 4205 – 4211 (only with RS232) 8 – write of default data to the registers 7601 – 7613 and 4201 – 4211 (only with RS232) 9 – device reset 10 – erasing of error status registers 11 – erasing of reset number registers |
| 7607 | 4207 | 0… 3 | Active state | Active state for device inputs: 0x00 – active state “0” for IN1, active state “0” for IN2 0x01 – active state “1” for IN1, active state “0” for IN2 0x02 – active state “0” for IN1, active state “1” for IN2 0x03 – active state “1” for IN1, active state “1” for IN2 |
| 7608 | 4208 | 1…10000 | Time for the active level 1 | Duration of the high level for 1 impulse for the input 1 – (0.5 – 500 ms) |
| 7609 | 4209 | 1…100000 | Time for the inactive level 1 | Duration of the low level for 1 impulse for the input 1 – (0.5 – 500 ms) |
| 7610 | 4210 | 1…10000 | Time for the active level 2 | Duration of the high level for 1 impulse for the input 2 – (0.5 – 500 ms) |
| 7611 | 4211 | 1…10000 | Time for the inactive level 2 | Duration of the low level for 1 impulse for the input 2 – (0.5 – 500 ms) |
| 7612 | 0.005…1000000 | Weight 1 | Value of the weight for the input 1 | |
| 7613 | 0.005…1000000 | Weight 2 | Value of the weight for the input 2 | |
| 7614 | 4212 | – | Code | Code activating changes in regi- sters 7605 – 7613 (4206 – 4211), code – 112 |
IMPULSE COUNTERS
Each of the converter impulse inputs is equipped with two independent 32-bit counters – main and auxiliary impulse counters. The maximal state of counters is 4.294.967.295 (2?? – 1) impulses.
The increase of counters by one follows simultaneously at the moment of the detection of an active state of suitably long duration on the impulse input and a state opposite to the active state of suitably long duration.
6.1. Main counter
The main counter can be read out by means of the programming link RJ or the RS485 interface, but erased only by means of the programming link through writing the suitable value to the instruction register (see table 6). During the readout, the contents of the older and younger word of the counter register is stored and does not change up to the end of the data frame exchange. This mechanism ensures a safe readout both of the whole 32-bit register and its 16-bit part.
The occurrence of the main counter overflow does not cause a stoppage of the impulse counting.
The counter state is written in the non-volatile memory.
The checksum CRC, calculated from the counter contents, is also written.
After switching the supply, the converter reproduces the counter state from written data and check the CRC sum. In case of discordance in the error register, an appropriate error marking is set (see the Status 3 description).
Registers of main counters are situated under addresses 4021 -4022 for the input 1 and 4025 – 4026 for the input 2.
6.2. Auxiliary counter
The auxiliary counter fulfils the role of the user’s counter, which can be erased in any time, both by the programming link RJ and from the application level by the RS-485 interface.
This is carried out by the write of a suitable value to the instruction register (see table 6).
The readout mechanism is similar to the described one, in case of the main counter.
The auxiliary counter is automatically reset after its overflow.
Egisters of auxiliary counters are situated under addresses 4023 – 4024 for the input 1 and 4027 – 4028 for the input 2.
CONFIGURATION of IMPULSE INPUTS
The configuration of device parameters being in registers 7606 – 7613 (4206 – 4211) is possible after a previous write of the value 112 to the register 7614 (4212).
The write of the value 1 to the register 7605 (4205) causes the activation of impulse inputs and all configuration functions related to the active working mode. For each of the impulse input it is possible to programme following parameters: voltage level on the input for the active state and minimal duration of this state and the opposite state to the active state. Additionally, it is possible to assign values of the impulse weight to each input.
7.1 Active state
The possible setting of the active state is the shorting (high state on the input) or the input open (low state on the input). The setting for both inputs are in registers of 7607, 4007 addresses and its value has the following meaning:
Active states of inputs
Table 7.
| Register value | Active state for the input 2 | Active state for the input 1 |
| 0 | Low state | Low state |
| 1 | Low state | High state |
| 2 | High state | Low state |
| 3 | High state | High state |
The state of impulse inputs, taking into consideration the configuration by means of the register 7607 (4007), is accessible in the status register of the converter or in registers 7503, 7504 or 4003, 4004.
7.2. Active state duration
The definition of the minimal active state duration on the input enables the filtration of interference which can appear on signaling lines and the counting of impulses having only the suitable duration. The minimal duration of the active state is set in the range from 0.5 to 500 milliseconds in registers with the address 7608 (active state), 7609 (opposite state) for the input 1 and with the address 7610 (active state), 7611 (opposite state) for the input 2.
Shorter impulses from the value set in registers will not be counted.
Impulse inputs are sampled in intervals of 0.5 millisecond.
7.3. Input weight
The user has the possibility to define the value of the impulse weight (registers
7612, 7613). The result is determined in the following way:
ResultMeasurement_Y = CounterValue_X/WeightValue_X
ResultMeasurement_Y – Measurement result for the appropriate input and chosen counter
CounterValue_X – Counter value of the appropriate input and chosen counter CounterWeight_X
– Weight value for the appropriate input.
The determined value is render accessible in 16 bit registers in the range 4005-4012, according to the table 4 and in single registers of float type in the range 7505 – 7508, according to the table 5. The way to determine values of the main counter result for the input 1 through the readout of registers in the range 4005 – 4012, is presented below.
ResultMeasurement_1 = 1000000* (long)(WMG1_H, WMG1_L) + (float)(WG1_H, WG1_L)
ResultMeasurement_1
– Result taking into consideration the weight for the input 1 and the main counter.
(long)(WMG1_H, WMG1_L) – Higher word of the result “ResultMeasurement_1”
Variable of float type composed of two 16-bit registers: WMG1_H and WMG1_L.
(float)(WG1_H, WG1_L) – Lower word of the result, “ResultMeasurement_1”
Variable of float type composed of two 16-bit registers: WG1_H and WG1_L.
Remaining results for the input 2 and auxiliary counters are determined similarly as for in the above example.
7.4. Default parameters
The device, after making the instruction 7 (see table nr 5), is set on default parameters below:
- Working mode – 0
- Activated state – 3
- Time for the active level 1 – 5 ms
- Time for the inactive level 1 – 5 ms
- Time for the active level 2 – 5 ms
- Time for the inactive level 2 – 5 ms
- Weight 1 – 1
- Weight 2 – 1
After making the instruction 8 (see table nr 5), the device sets additionally default parameters as below:
- RS baud rate – 9600 b/s
- RS mode – 8N1
- Address – 1
TECHNICAL DATA
Logic inputs: Signal source – potential signal: – logic levels: 0 logic: 0… 3 V
1 logic: 3,5… 24 V
Signal source – without potential signal:
– logic levels: 0 logic – open input
1 logic – shorted input
short-circuit resistance of the contact without potential ≤ 10 kΩ
opening resistance of the contact without potential ≥ 40 kΩ
Counter parameters:
– minimal impulse time (for high state): 0.5 ms
– minimal impulse time (for low state): 0.5 ms
– maximal frequency: 800 Hz
Transmission data:
a) RS-485 interface: transmission protocol: MODBUS
ASCII: 8N1, 7E1, 7O1
RTU: 8N2, 8E1, 8O1, 8N1 baud rate
2400, 4800, 9600, 19200, 38400: 57600, 115200 bit/s address…………. 1…247
b) RS-232 interface:
transmission protocol MODBUS RTU 8N1 baud rate 9600 address 1
Module power consumption≤ 1.5 A
Rated operation conditions:
– supply voltage: 20…24…40 V a.c./d.c. or or 85…230…253 V a.c./d.c.
– supply voltage frequency- 40…50/60…440 Hz
– ambient temperature- 0…23…55°C
– relative humidity- < 95% (inadmissible condensation)
– external magnetic field- < 400 A/m
– working position- any
Storage and handling conditions:
– ambient temperature – 20… 70°C
– relative humidity < 95 % (inadmissible condensation)
– admissible sinusoidal vibrations: 10…150 Hz
– frequency:
– displacement amplitude 0.55 mm
Ensured protection grades:
– from frontal housing side: IP 40
– from terminal side: IP 40
Overall dimensions: 22.5 x 120 x 100 mm
Weight: < 0.25 kg
Housing: adapted to be assembled on a rail
Electromagnetic compatibility:
– noise immunity EN 61000-6-2
– noise emission EN 61000-6-4
Safety requirements acc. to en EN 61010-1:
– installation category III
– pollution grade 2
Maximal phase-to-earth voltage:
– for supply circuits: 300 V
– for other circuits: 50 V
BEFORE A DAMAGE WILL BE DECLARED
| SYMPTOMS | PROCEDURE | NOTES |
| 1. The module green diode does not light up. | Check the connection of the network cable. | |
| 2. The module does not establish communica- tion with the master device through the RS-232 port. | Check if the cable is connected to the appropriate socket in the module. Check if the master device is set on the baud rate 9600, mode 8N1, address 1. | (RS-232 has constant transmission parameters) |
| Lack of communi- cation transmission signalling on RxD and | ||
| TxD diodes. | ||
| 3. The module does not establish communi- cation with the master device through the RS-485 port. Lack of communi- cation transmission signalling on RxD and TxD diodes. | Check if the cable is connected to the appropriate socket in the module. Check if the master device is set on the same transmission parameters as the module (baud rate, mode, address) In case of necessity to change transmission para- meters when one cannot establish communication through RS-485, one must use the RS-232 port which has constant transmission parameters (in case of further problems see point 2). After changing RS-485 parameters into required, one can change over into the RS-885 port. |
ORDERING CODES
Table 6
* The code number is established by the producer EXAMPLE OF ORDER
When ordering, please respect successive code numbers.
Code: SM3 – 1 00 7 means :
SM3 – 2-channel module of binary inputs,
1 – supply voltage : 85…230…253 Va.c./d.c.
00 – standard version.
7 – with an extra quality inspection certificate.
LUMEL S.A.
ul. Słubicka 4, 65-127 Zielona Góra, Poland
tel.: +48 68 45 75 100, fax +48 68 45 75 508
www.lumel.com.pl
Technical support:
tel.: (+48 68) 45 75 143, 45 75 141, 45 75 144, 45 75 140
e-mail: [email protected]
Export department:
tel.: (+48 68) 45 75 130, 45 75 131, 45 75 132
e-mail: [email protected]
Calibration & Attestation:
e-mail: [email protected]
SM3-09C 29.11.21
60-006-00-00371

















