SUNJEO GPM Electric Pressure Washer SPX3000 Operator’s Manual

![]()
IMPORTANT!
Safety Instructions
All Operators Must Read These Instructions Before Use
Safety Alert Symbols
Always follow these safety guidelines. Failure to do so may result in serious bodily injury or death.
WARNING! This indicates a hazardous situation, which, if not avoided, could result in death or serious injury.
CAUTION! This indicates a hazardous situation, which, if not avoided, could result in minor or moderate injury.
DANGER! This indicates a hazardous situation, which, if not followed, will result in death or serious injury.
Safety Rules
WARNING! This appliance is not intended for use by children or by unassisted, unsupervised persons whose physical, sensory or mental capabilities prevent them from using it safely. Children should be supervised to ensure that they do not play with the appliance.
Before starting up your machine, please check it carefully for any defects. If you find any, do not start up your machine and contact your distributor.
WARNING! When using the pressure washer, basic safety precautions should always be followed to reduce the risk of fire, electric shock, and personal injury, including the following:
- Know your product – Know how to stop the machine and bleed pressure quickly. Be thoroughly familiar with the controls.
- Keep bystanders away – All visitors and pets should be kept a safe distance away from the work area.
- Use the right product – Do not use this machine for any job except that for which it is intended.
- Dress properly – Do not wear loose clothing or jewelry. They can get caught in moving parts. Protective rubber gloves and non-slip footwear are recommended when working outdoors.
- Caution! – Exercise caution to avoid slipping or falling. Wear protective footwear that will protect your feet and improve your footing on slippery surfaces.
- Stay alert – Watch what you are doing. Use common sense. Do not operate the pressure washer when you are tired, or under the influence of alcohol or drugs.
- Do not overreach – Keep proper footing and balance at all times.
- Avoid unintentional starting – Do not carry plugged-in machine with finger on the trigger. Make sure the switch is off before plugging in the machine.
- Do not abuse the cord – Never carry the machine by the cord or yank the cord to disconnect it from the receptacle.
- Keep the cord away from heat, oil, and sharp edges.
- Use safety glasses – Also use safety footwear, snug-fitting clothing, protective gloves, hearing and head protection.
- Water temperature – Pressure washer is not meant to
pump hot water. NEVER connect it to a hot water supply as it will significantly reduce the life of the pump. - Store indoors – NEVER store the pressure washer outdoors or where it could freeze. The pump will be seriously damaged.
- Ground Fault Circuit Interrupter (GFCI) – Protection
should be provided on the circuits or outlets to be used for this pressure washer. Receptacles are available having builtin GFCI protection and may be used for this measure of safety. - The insulation of the power cord should be faultless and without any cracks. If the power cord is damaged, an authorized distributor should replace it.
WARNING! Do not use this appliance without reading this instruction manual.
WARNING! This appliance has been designed for use with cleaning agents that are recommended by the manufacturer. The use of other cleaning agents or chemicals may adversely affect the safety of the appliance.
WARNING! Do not use the appliance within range of persons unless they are wearing protective clothing.
WARNING! High pressure jets can be dangerous if subject to misuse. The jet must not be directed at persons, pets, live electrical equipment or the appliance itself.
- Do not direct the jet against yourself or others in order to clean clothes or footwear.
- Risk of explosion – Do not spray flammable liquids.
- Disconnect tool – Disconnect from the electrical power supply before performing any maintenance task.
- Keep children away – High pressure washer must not be used by children or untrained personnel.
- To ensure appliance safety, use only original replacement parts from the manufacturer or approved by the manufacturer.
WARNING! Water that has flown through backflow preventers is considered to be non-potable.
WARNING! During cleaning, maintenance or when replacing parts, the machine must be disconnected from its power source by removing the plug from the socket outlet.
WARNING! High pressure hoses, fittings, and couplings are important for the safe operation of the appliance. Use only hoses, fittings, and couplings recommended by the manufacturer.
- Check for damaged parts – Do not use the appliance if the supply cord or other important parts of the appliance are damaged (e.g. safety devices, high pressure hoses, trigger gun).
WARNING! If an extension cord is used, the plug and socket must be of watertight construction.
WARNING! Inadequate extension cords can be dangerous.
- This high pressure washer must not be used at temperatures below 32ºF (0°C).
WARNING! Power cords on drums should always be completely unwound to prevent the cord from overheating.
- Power cord connections should be kept dry and off the ground.
- Comply with the below requirements for length and cord specs:
Volts Total length of cord in feet
120V 25 50 100 150 Not Recommended Ampere Rating More than Not more than AWG
0 – 6 .18 16 16 14 6 – 10 18 16 14 12 10 – 12 16 16 Not Recommended
- If the power cord is damaged, it must be replaced by the manufacturer or his service agent or similarly qualified person in order to avoid a hazard.
- Keep the machine on a stable, flat surface during operation, handling, transportation, and storage. Sudden overturn of the machine can cause bodily injury.
- In the event of an accident or breakdown, switch off the machine immediately. (If contact with detergent occurs, rinse with an abundance of clean water.)
Electrical Safety
ATTENTION: If there are problems with the electrical MAINS, short voltage drops may appear when starting the equipment. This can, in turn, influence other equipment (e.g. cause a lamp to blink). If the MAINS-IMPEDANCE Zmax < 0.335 OHM, such disturbances are not expected. (In case of assistance, contact your local supply authority for further information.)
WARNING! Electrical Shock Hazard
Before starting up your machine, please check it carefully for any defects. If you find any, do not start up your machine and contact your distributor.
The following should be observed when connecting the high pressure washer to the electric installation:
- The electric supply connection should be performed by a qualified person.
- The electric supply to this appliance should include either a residual current device that will interrupt the supply if the leakage current to the earth exceeds 30 mA for 30 ms or a device that will interrupt the earth circuit (GFCI).
IMPORTANT: Only use water without any impurities.
If there is a risk of running sand into the inlet water (i.e. from your own well), an additional filter should be installed.
Safety devices
The unloader valve can reduce pressure if it exceeds preset values. The spray gun features a locking device. When the lock is activated, the spray gun cannot be operated.
- Thermal sensor – A thermal sensor protects the motor
against overloading. The machine will restart after a few minutes when the thermal sensor has cooled. - Double insulation – In a double-insulated product, two systems of insulation are provided instead of grounding. No grounding means are provided on a double-insulated product, nor should a means for grounding be added to the product. Servicing a double-insulated product requires extreme care and knowledge of the system, and should be performed only by a qualified service person. Replacement
parts for a double-insulated product must be identical to the parts they replace. A double-insulated product is marked with the words “DOUBLE INSULATION” or “DOUBLE INSULATED”. The symbol “ ———” may also be marked on the product. - Ground Fault Circuit Interrupter (GFCI) – This pressure washer is provided with a ground-fault circuit-interrupter (GFCI) built into the plug of the power-supply cord. This device provides additional protection from the risk of electric shock. Should replacement of the plug or cord become necessary, use only identical replacement parts that include GFCI protection.
Risk of electrocution
- Inspect cord before using.
- Do not use if cord is damaged.
- Keep all connections dry and off the ground.
- Do not touch plug with wet hands.
- Keep cord away from heat and sharp edges.
- Do not spray electrical apparatus and wiring.
Risk of explosion
- Do not spray flammable liquids.
- Do not use acids, bases, solvents, or any flammable material in this product. These substances can cause physical injuries to the operator and irreversible damage to the machine.
Additional safety instructions
- High pressure: keep clear of nozzle.
- Injection hazard: equipment can cause serious injury if the spray penetrates the skin.
- Do not point the gun at anyone or at any part of the body.
- In case of skin penetration, seek medical aid immediately.
- Before servicing, cleaning or removing any parts, shut off the power and relieve pressure.
- This machine is not suitable for connection to the potable water mains.
Product Description
Purpose
•The high pressure cleaner is intended for residential use to clean vehicles, machines, buildings, facades, etc.
Areas of application
- Never use the machine in potentially explosive areas under any circumstances!
- The operating temperature must be between 32ºF (0ºC) and 104ºF (+40ºC).
- The machine consists of an assembly with a pump, which is encased in a shock-absorbing housing. To provide the operator with an optimal working position, the machine is equipped with a spray wand and a non-slip handle grip, whose shape and configuration comply with applicable regulations.
- Do not cover or modify the spray wand or the spray nozzles in any way.
- The high pressure washer is designed to be used with cold or lukewarm water; higher temperatures can damage the pump.
- Do not use water that is dirty, gritty or contains any
chemical products, as these could impair operation and shorten the life of the machine.
Safety Symbols
The following table depicts and describes safety symbols that may appear on this product. Read, understand, and follow all instructions on the machine before attempting to assemble and operate.
Symbol | Description |
| SAFETY ALERT – indicates a precaution, a warning or a danger. |
| READ THE OPERATOR’S MANUAL(S) Read, understand and follow all instructions in the manual(s) before attempting to assemble and operate. |
| WARNING! Keep out of rain and away from wet areas. |
| For protection against injury, wear safety goggles and ear protection. |
| Electrical shock hazard. |
| To reduce the risk of injury, user must keep all bystanders at least 15 m away. |
| SWITCH OFF! Remove plug from outlet immediately if the cord is damaged or cut. |
![]() | Machine not suitable for connection to the potable water mains. |
![]() | Sound power level is 96 dB(A). |
| Double insulation. |
Know Your Pressure Washer
Read the owner’s manual and safety rules carefully before operating the pressure washer.
Compare the illustration below to the pressure washer in order to familiarize yourself with the location of the various controls and adjustments. Save this manual for future reference.
- Safety lock (Locate lock in center of trigger. Pull up and snap in place. See Fig. 12, pg. 7)
- Trigger
- Handle
- High pressure hose connection
- Trigger gun
- Spray wand
- Water inlet (garden hose connection)
- Spray wand protector
- High pressure hose
- Garden hose adaptor (female coupler)
- Needle clean out tool
- 0º quick connect nozzle (orange)
- 15º quick connect nozzle (yellow)
- 25º quick connect nozzle (green)
- 40º quick connect nozzle (gray)
- Soap quick connect nozzle (black)
- Detergent selection dial
- Removable detergent tanks
- Hose holder
- On/off switch
- Power cord
- Cord holder
- Onboard storage for quick connect nozzles
- Detergent tube
- Trigger gun holder
- Water outlet (high pressure connection)
- Wheel
Technical Data
| Rated Voltage | 120 V ~ 60 Hz |
| Motor | 14.5 amp (1800 W) |
| Max. Water Inlet Temperature | 104ºF/40ºC |
| Max. Water Inlet Pressure | 0.7 MPa |
| Max. Rated Flow | 1.76 GPM |
| Rated Pressure | 1450 PSI |
| Max. Pressure | 2030 PSI |
| Hose Length | 20 ft (6 m) |
| Power Cord Length | 35 ft (10.7 m) |
| Weight | 31 lbs (14 kg) |
Unpacking
Carton Contents:
- Pressure washer unit
- Handle
- Manual
- Trigger gun
- Spray wand
- Quick connect 0º, 15º, 25º, 40º and soap nozzles
- Removable detergent tanks (2)
- 4 long screws
- 2 small screws
- Spray wand protector
- Trigger gun holder
- Hose holder
- Needle clean out tool
- High pressure hose
- Garden hose adaptor (female coupler) with two sealing rings.
- Carefully remove the contents from the shipping carton. Make sure that all items listed in the carton contents are included.
- Inspect the product carefully to make sure no breakage or damage occurred during shipping. If you find damaged or missing parts, DO NOT return to the store. Please call 1-866-766-9563
NOTE: Do not discard the shipping carton and packaging material until you are ready to use your new Electric Pressure Washer.
Assembly
- Position the washer as CLOSE as possible to the
water supply. - The washer must be used on a secure and stable surface
in a standing, upright position (Fig. 1).
- Slide the trigger gun holder into position (Fig. 2).

- Slide the handle into position and secure it with 4 long screws (Fig. 3).

- Insert the detergent bottles (top end first) under the ridge of their designated storage compartment (Figs. 4 & 5).


Then snap the bottom of the bottles into the V-shaped grooves to secure them in place (Fig. 6).
- Connect the PVC detergent tube to the detergent connection (Fig. 7).

- To assemble the spray wand protector, snap the tab into the slot located at the bottom left side of the unit and secure it in place with small screw (Figs. 8 & 9).


- To assemble the hose holder, slide the holder into position (Figs. 10 & 11)


and secure it to the unit with remaining small screw (Fig. 12).
- Fit the spray wand into the gun and rotate it until the two parts are completely locked (Fig. 13).

- Connect the high pressure hose to the trigger gun (Fig. 14).

- Connect the high pressure hose to the water outlet on the washer (Fig. 15).

WARNING! Keep hose away from sharp objects. Bursting hoses may cause injury. Examine hoses regularly and replace if damaged. Do not attempt to mend a damaged hose. - Connect the garden hose adaptor (female coupler) the water inlet of the pressure washer, then thread your garden hose (male end) into the garden hose adaptor (Fig. 16). The garden hose must have an internal diameter of at least 13 mm (1/2 in.) and must be reinforced. The water supply must be at least equal to the washer delivery capacity.

NOTE: The machine is not suitable for connection to the portable water main. - Attach garden hose to water supply (Fig. 17).

WARNING! The intake water temperature must not exceed 104ºF/40ºC. The water supply must not exceed 0.7 MPa.
CAUTION! The washer must only be used with clean water; use of unfiltered water containing corrosive chemicals will damage the washer. - Push the motor switch to the OFF (0) position (Fig. 18).

- Check that the electrical supply voltage and frequency (Volt/Hz) correspond to those specified on the washer rating plate. If the power supply is correct, you may now plug the washer into the power outlet (Fig. 19).

Operation
IMPORTANT! This pressure washer is equipped with a micro-switch sensitive to water flow. This Total Stop System (TSS) senses water flow in the pump. When the trigger is released, water stops flowing through the pump. The TSS then automatically turns the motor off to protect the pump from overheating.
- Turn the water supply tap on completely.
- Push the safety lock down and into its original position (Fig. 20), then press the trigger for a few seconds until water flow is steady to allow air to escape and to discharge residual pressure in the hose.

- Keeping the trigger pressed, turn the switch to the ON (1) position to start the pressure washer (Fig. 21).

- When re-starting the motor, always keep the trigger pressed.
NOTE: The motor only runs when the trigger is engaged and shuts off when the trigger is released.
Using the nozzles
Before beginning any cleaning task, determine the best nozzle for the job. Each of the nozzles has a different spray pattern. The nozzle patterns are 40˚ (for gentle cleaning), 25˚ (for all-purpose cleaning), 15˚ (for tough jobs), 0˚ (for spot cleaning or hard-to-reach areas) and the Soap Nozzle (for detergent application).
CAUTION! NEVER change nozzles without locking the safety lock on the trigger handle.
WARNING! High pressure jets can be dangerous if subject to misuse. The jet must not be directed at persons, pets, live electrical equipment or the appliance itself.
- To engage the safety lock, pull the safety lock until it clicks into the slot (Fig. 22).

The washer is equipped with quick connect nozzles that easily snap onto the quick connect collar of the spray wand.
To connect a nozzle to the spray wand:
- Turn off the pressure washer and shut off the water supply. Pull the trigger to release water pressure.
- Engage the safety lock on the trigger handle by pushing up on the safety lock until it clicks into the slot (Fig. 22).
- Snap the desired nozzle onto the quick connect collar until it clicks into place and is secured properly (Fig. 23)

To disconnect a nozzle from the spray wand once the cleaning job is complete:
- Turn off the pressure washer and shut off the water supply. Pull the trigger to release water pressure.
- Engage the safety lock on the trigger handle by pushing up on the safety lock until it clicks into the slot (Fig. 22).
- Remove the nozzle by placing your hand over the nozzle while pulling back on the quick connect collar.
WARNING! Do not adjust the nozzle while the trigger is squeezed. Failure to do so could result in damage.
Working with detergents
When cleaning with the pressure washer, some cleaning tasks can be solved with water alone, but for most tasks cleaning with detergent allows for more effective dirt removal.
WARNING! Use only detergents designed for Pressure Washers. DO NOT USE household detergents, acids, alkaline solutions, bleaches, solvents, flammable material, or industrial grade solutions. These can damage the pump.
Many detergents may require mixing prior to use. Prepare the cleaning solution as instructed on the solution bottle.
- Remove the cap from the detergent bottle.
- Gently pull the on-board detergent tanks out of their storage position and fill with detergent (Fig. 24).

- Insert the suction tube with filter into the tank and cap the tank closed. Push the tanks back into their storage position on the unit.
- Turn the detergent dial to the center (O) (Fig. 25).

- Install the soap nozzle (black) on the spray wand (Fig. 26).

CAUTION! Always test detergent in an inconspicuous area before use. - Turn on the pressure washer. Pull the trigger to operate the unit. The liquid detergent will automatically mix with water and be discharged through the nozzle.
- Turn the detergent dial to adjust the suction volume of the detergent solution (Fig. 25).
- Apply detergent from the bottom to the top of the DRY surface to be cleaned.
NOTE: Wetting the surface first is not recommended as it dilutes the detergent and reduces its cleaning ability. - Allow the detergent to remain on the surface for a short time before rinsing. Do not allow the detergent to dry on the surface.
CAUTION! Damage may occur to painted surfaces if the detergent is allowed to dry on the surface. Wash and rinse a small section at a time. Avoid working on hot surfaces or in direct sunlight. - When you have finished using the detergent injection system, remove the detergent suction tube from the detergent bottle and insert it into 5 L (1 gallon) of fresh water. Siphon water at low-pressure for one minute so that all the detergent is flushed through the system. Remove the
detergent bottle and rinse it until it is thoroughly cleaned.
Rinsing with pressure washer
CAUTION! Failure to follow these cleaning instructions will cause the injection system to become clogged and inoperable.
- Turn off the pressure washer and shut off the water supply.
- Pull the trigger to release water pressure.
- Engage the safety lock on the trigger handle by pushing up on the safety lock until it clicks into the slot (Fig. 22).
- Remove the nozzle by placing your hand over the nozzle while pulling back on the quick-connect collar.
- Select the right nozzle for the job (Fig. 26):
i) A 0º straight pencil point nozzle (orange) is a thin extremely powerful nozzle used to cut heavy deposits in a small, concentrated area. It is ideal for dissolving stubborn substances, like tar and grease spots on concrete or caked mud from equipment. Use this nozzle to clean hard-to-reach areas including the facades of 2-story buildings or the undersides of lawn mowers/tractors.
NOTE: Care should be used to avoid gouging wood or damaging fragile surfaces.
ii) Use the 15º fan tip nozzle (yellow) for intense cleaning jobs on hard surfaces. Applications include stripping paint, removing oil stains, grease, heavy mildew stains, and rust from steel. This nozzle should only be used in areas that can withstand the high pressure from this nozzle.
iii) Use the 25º fan tip nozzle (green) to clean home siding, brick patios, wood decks, driveways or sidewalks. When using this nozzle, test a small area first to avoid surface damage.
iv) Use the 40º wide spray tip nozzle (gray) to clean items such as cars, trucks, boats, patio furniture or lawn equipment.
v) Use the soap nozzle (black) for low pressure detergent application to clean equipment, remove mildew and oxidation’s stains from houses, clean effervescent brick and degrease.
NOTE: When using detergent, make sure that the correct soap nozzle (black) is installed. All of the other colored nozzles will not work for detergent application. - Start at the top of the area to be rinsed and work down, making sure to overlap the strokes.
IMPORTANT! NEVER USE:
- Bleach, chlorine products and other corrosive chemicals.
- Liquids containing solvents (e.g. paint thinners, gasoline, oils).
- Tri-sodium phosphate products.
- Ammonia products.
- Acid-based products.
- These chemicals will harm the unit and will damage the cleaning surface.
Shutting down
- Turn the switch to the OFF (0) position and unplug the power cord from the outlet.
- Turn off the water source.
- Press trigger to release water pressure.
- Disconnect the garden hose from the water inlet on the unit.
- Disconnect the high pressure hose from the high pressure outlet.
- Release trigger and engage the gun safety lock.
WARNING! Turn off the water supply and squeeze the trigger to depressurize the unit. Failure to do so could result in personal injury due to discharge of high pressure water.
Taking a break
If you are taking a break of five minutes or more between cleaning tasks:
- Engage the gun safety lock.
- Turn the switch to the OFF (0) position.
- Unplug the power cord from the outlet.
Storage
CAUTION! Always store your pressure washer in a location where the temperature will not fall below 32ºF (0ºC). The pump in this machine is susceptible to permanent
damage if frozen.
FREEZE DAMAGE IS NOT COVERED BY THE WARRANTY.
- Store in a dry, covered area where the weather cannot damage the machine.
- It is important to store this product in a frost-free area.
- Always empty water from all hoses, the pump, and the detergent containers before storing.
CAUTION! The use of a pump protector is recommended to prevent cold weather damage during storage over the winter months.
Winterizing and long-term storage
If you must store your pressure washer in a location where the temperature is below 32ºF (0ºC), you can minimize the chance of damage to your machine by utilizing the following procedure:
- Disconnect all water connections.
- Turn on the machine for a few seconds until the remaining water in the pump exits. Turn off immediately.
- Do not allow the high pressure hose to become kinked.
- Store the machine and accessories in a room that does not reach freezing temperatures.
- Do not store near a furnace or other sources of heat that may dry out the pump seals.
- Operate the washer with non-corrosive/non-toxic antifreeze before storing for the winter.
WARNING! Before reusing, completely flush the unit out with clear water. Antifreeze can damage paintwork so you must ensure there is no antifreeze left in the system before using it again.
Maintenance
CAUTION! Before working on the washer, disconnect the plug from the power supply socket.
- To ensure good performance, check and clean the water inlet filter (Fig. 27).

Remove filter and rinse with warm water to prevent any foreign matter from clogging the pump (Fig. 28).
- Clean the nozzle with the needle clean out tool provided (Fig. 29).

Remove the spray wand from the gun; remove any dirt from the nozzle hole and rinse. - Remove additional debris by back flushing water through the nozzle. To do this, place the end of your garden hose (with water running) to the tip of nozzle, pushing water and debris out the back opening of the spray wand
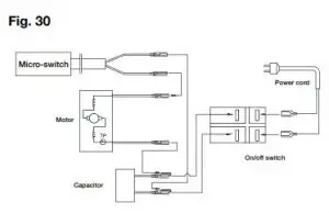
Circuit Diagram
A circuit diagram for the pressure washer is provided below for your reference (Fig. 30).

Disposal
Recycling the washer
- Do not dispose of electrical appliances as unsorted municipal waste. Use separate collection facilities.
- Contact your local government agency for information regarding the collection systems available.
- If electrical appliances are disposed of in landfills or dumps, hazardous substances can leak into the groundwater and get into the food chain, damaging your health and well-being.
- When replacing old appliances with new ones, the retailer is legally obligated to take back your old appliance for disposal at least free of charge.
Service and Support
If your Electric Pressure Washer requires service or maintenance,
please call 1-866-766-9563 for assistance.
Model and Serial Numbers
When contacting the company or reordering parts, you will need to provide the model and serial numbers of your product. These are found on the decal affixed to the housing or guard of your Electric Pressure Washer. Copy these numbers into the space provided below.

Troubleshooting
- Disconnect the unit from the electrical power supply before carrying out maintenance on the machine or when checking that its parts are in proper working order.
- To avoid unnecessary disappointments, you should check the following before contacting the service organization:
| Problems | Possible Cause | Possible Solution |
| Machine refuses to start |
|
|
| Fluctuating pressure |
|
|
| Machine stops |
|
|
| Fuse blows |
|
|
| Machine pulsating |
|
|
| Machine often starts and stops by itself |
|
|
| Machine starts, but no water comes out |
|
|
Warranty
A Two-Year Full Warranty for residential use in the United States and Canada
General Conditions:
Snow Joe®, LLC warrants this product to the original purchaser for two years against defects in material or workmanship when used for normal residential purposes. Snow Joe®, LLC will repair any defect in material or workmanship, and repair or replace any defective part, subject to the conditions, limitations, and exclusions set forth herein. Such repair or parts replacement will be free from charge to the original purchaser except noted below.
The duration of the warranty applies only if the product is put to personal use around the household or residence. If the product is put to any business use, commercial or industrial, then the duration of this warranty is 90 days from the date of original purchase. If any product is rented or leased, the duration of the warranty is 90 days from the date of original purchase.
It is the owner’s responsibility to perform correctly all maintenance, and minor adjustments explained in the owner’s manual.
Electric Products:
To obtain a replacement electric powered unit or repair the existing electric powered unit, you must return the complete unit and postage prepaid to: Snow Joe Return Center, 86 Executive Avenue, Edison, NJ 08817. Gasoline / Battery Products:
Limitations
- Batteries are warranted only for the period of 12 months after the date of purchase on a prorated basis. Rechargeable batteries will be replaced free from charge during the first 90 days. After the initial 90 days, batteries will be replaced at a prorated cost to the customer.
- Idlers, cables, and electrical components are warranted to the original purchaser for use at household or residence for a period of two years.
Exclusions
- Snow Joe® brand engines are covered under this warranty. All other engines and engine accessories are covered only by the engine manufacturer’s warranty and are not covered by this warranty.
- Parts used that are not genuine Snow Joe® parts are not covered by this warranty.
- Damages resulting from misuse, alteration, improper assembly, improper adjustment, neglect, or accident which requires repair is not covered under this warranty.
- Belts, augers, and tines are not covered under warranty – belts, augers, and tines wear out and can be purchased at www.snowjoe.com or by calling 1-866-766-9563.
Snow Joe®, LLC may from time to time change the design of its products. Nothing contained in this warranty shall be construed as obligating Snow Joe®, LLC to incorporate such design changes into previously manufactured products, nor shall such changes be construed as an admission that previous designs were defective.
This warranty is intended to cover product defects only. Snow Joe®, LLC is not liable for indirect, incidental, or consequential damages in connection with the use of the Snow Joe® Products covered by this warranty. This warranty does not cover any cost or expense incurred by the purchaser in providing substitute equipment or service during reasonable periods of malfunction or non-use of this product, while waiting for completion of repairs under this warranty. Some states do not allow exclusions of incidental or consequential damages, so the above exclusions may not apply in all states. This warranty may give you specific legal rights in your state.
If you wish to contact Snow Joe®, please direct inquiries to the:
Customer Service Department
Snow Joe Center
86 Executive Avenue
Edison, NJ 08817
Customers who have purchased Snow Joe® products exported from the United States and Canada should contact their Snow Joe® Distributor (Dealer) to obtain information applicable for your country, province, or state. If for any reason, you are not satisfied with the distributor’s service, or if you have difficulty obtaining warranty information, contact your Snow Joe® seller. If in the event your efforts are unsatisfactory, please write to the Snow Joe® Center at the above address.
If you have any questions about your product warranty, please call 1-866-SNOW-JOE or visit us online at www.snowjoe.com.
SUNJEO GPM Electric Pressure Washer SPX3000 Operator’s Manual – Download [optimized]
SUNJEO GPM Electric Pressure Washer SPX3000 Operator’s Manual – Download


























































