
ELECTRIC PRESSURE WASHER
OPERATOR’S MANUAL
A Division of Snow Joe®, LLC
Model SPX2600-RM
Form No. SJ-SPX2600-RM-880E-M-V1
IMPORTANT!
Safety Instructions
All Operators Must Read These Instructions Before Use
WARNING! This indicates a hazardous situation, which, if not avoided, could result in death or serious injury.
CAUTION! This indicates a hazardous situation, which, if not avoided, could result in minor or moderate injury.
DANGER! This indicates a hazardous situation, which, if not followed, will result in death or serious injury.
General Safety
WARNING! This appliance is not intended for use by children or by unassisted, unsupervised persons whose physical, sensory, or mental capabilities prevent them from using it safely. Children should be supervised to ensure that they do not play with the appliance.
Before starting up your machine, please check it carefully for any defects. If you find any, do not start up your machine. Contact your authorized Snow Joe®+ Sun Joe®dealer or call the Snow Joe®+ Sun Joe®customer service center at1-866-SNOW JOE (1-866-766-9563).
WARNING! When using the pressure washer, basic safety precautions should always be followed to reduce the risk of fire, electric shock, and personal injury. These include:
- Know your product – Know how to stop the machine and bleed pressure quickly. Thoroughly familiarize yourself with the controls.
- Keep bystanders away – All visitors and pets should be kept a safe distance away from the work area.
- Use the right product – Do not use this machine for any job except that for which it is intended.
- Dress properly – Do not wear loose clothing or jewelry. They can get caught in moving parts. Protective rubber gloves and non-slip footwear are recommended when working outdoors.
CAUTION! – Exercise caution to avoid slipping or falling. Wear protective footwear that will protect your feet and improve your footing on slippery surfaces.- Stay alert – Watch what you are doing. Use common sense. Do not operate the pressure washer when you are tired, or under the influence of alcohol or drug
- Do not overreach – Keep proper footing and balance at all times
- Avoid unintentional starting – Do not carry a plugged-in machine with your finger on the trigger. Make sure the switch is off before plugging in the machine.
- Do not abuse the cord – Never carry the machine by the cord or yank the cord to disconnect it from the receptacle. Keep the cord away from heat, oil, and sharp edges.
- Use safety glasses – Also use safety footwear, snug-fitting clothing, protective gloves, and hearing and head protection.
- Check the water temperature – This pressure washer is not meant to pump hot water. NEVER connect it to a hot water supply as it will significantly reduce the life of the pump.
- Store indoors – NEVER store the pressure washer outdoors or where it could freeze. The pump could be seriously damaged.
- Ground Fault Circuit Interrupter (GFCI) – GFCI protection should be provided on the circuits or outlets to be used for this pressure washer. Receptacles are available having built-in GFCI protection and may be used for this measure of safety.
- Inspect electrical cables – The insulation of the power cord should be perfectly intact. If the power cord is damaged or shows any signs of wear or tear, do not use the pressure washer. Contact your authorized Snow Joe®+ Sun Joe®dealer or call the Snow Joe® + Sun Joe® customer service center at 1-866-SNOW JOE (1-866-766-9563).
WARNING! Do not use this appliance without reading this instruction manual.
WARNING! This appliance has been designed for use only with cleaning agents that are recommended by the manufacturer. The use of other cleaning agents or chemicals may adversely affect the safety of the appliance
WARNING!Do not use the appliance within range of other people unless they are wearing protective clothing.
WARNING! High-pressure jets can be dangerous if subject to misuse. The jet must not be directed at persons, pets, live electrical equipment, or the appliance itself.
- Do not direct the jet at yourself or others in order to clean clothes or footwear.
- Risk of explosion – Do not spray flammable liquids.
- Disconnect the tool – Disconnect from the electrical power supply before performing any maintenance task.
- Keep children away – This high-pressure electric power washer must not be used by children or untrained personnel.
- To ensure appliance safety, use only original replacement parts from the manufacturer or those approved by the manufacturer.
WARNING! Water that has flowed through backflow preventers is considered to be non-potable.
WARNING! During cleaning, maintenance, or when replacing parts, disconnect the machine from its power source by removing the plug from the socket-outlet.
WARNING! High-pressure hoses, fittings, and couplings are important for the safe operation of the appliance.
Use only hoses, fittings, and couplings recommended by the manufacturer.
• Check for damaged parts – Do not use the appliance if the supply cord or other important parts of the appliance are damaged (e.g. safety devices, high-pressure hoses, trigger gun).
WARNING! If an extension cord is used, the plug and the socket must be of watertight construction.
NOTE: It is not recommended to use an extension cord with this pressure washer.
WARNING! Inadequate extension cords can be dangerous.
- This high-pressure electric power washer must not be used at temperatures below 32ºF (0°C).
- Power cord connections should be kept dry and off the ground.
- If the power cord is damaged, do not use the appliance.
Contact your authorized Snow Joe®+ Sun Joe®dealer or call the Snow Joe®+ Sun Joe® customer service center at 1-866-SNOW JOE (1-866-766-9563). - Keep the machine on a stable, flat surface during operation, handling, transportation, and storage. Sudden overturn of the machine can cause bodily injury.
- In the event of an accident or breakdown, switch off the machine immediately. (If contact with detergent occurs, rinse with an abundance of clean water.)
Electrical Safety
WARNING! Electrical Shock Hazard – Before starting up your machine, please check it carefully for any defects. If you find any, do not start up your machine. Contact your authorized Snow Joe ®+ Sun Joe® dealer or call the Snow Joe ®+ Sun Joe ® customer service center at 1-866-SNOW JOE (1-866-766-9563).
The following should be observed when connecting the high-pressure electric power washer to the electric supply:
- The electric supply connection should be performed by a qualified person.
- The electric supply to this appliance should include either a residual current device that will interrupt the supply if the leakage current to the earth exceeds 30 mA for 30 ms or a device that will interrupt the earth circuit (GFCI).
IMPORTANT: Only use water without any impurities. If there is a risk of running sand into the inlet water (i.e. from your own well), an additional filter should be installed.
Safety devices
The unloader valve can reduce pressure if it exceeds preset values. The spray gun features a locking device. When the lock is activated, the spray gun cannot be operated.
- Thermal sensor – A thermal sensor protects the motor against overloading. The machine will restart after a few minutes when the thermal sensor has cooled.
- Double insulation – In a double-insulated appliance, two systems of insulation are provided instead of grounding. No grounding means is provided on a double-insulated appliance, nor should a means for grounding be added to the appliance. Servicing a double-insulated appliance requires extreme care and knowledge of the system, and should be performed only by qualified service personnel at an authorized Snow Joe® + Sun Joe® dealer. Replacement parts for a double-insulated appliance must be identical to the parts they replace. A double-insulated appliance is marked with the words “Double Insulation” or “Double Insulated.” The symbol
(square within a square) may also be marked on the appliance. - Ground fault circuit interrupter (GFCI) protection – A GFCI should be provided on the circuit(s) or outlet(s) to be used for this pressure washer. Receptacles are available having built-in GFCI protection and may be used for this measure of safety.
- It is not recommended to use an extension cord with this pressure washer. The unit comes standard with a 35 ft GFCI power cable. Using an extension cord may cause a drop in line voltage resulting in loss of power and overheating.
- To reduce the risk of electric shock, this appliance has a polarized plug (i.e. one blade is wider than the other). The appliance plug will fit into a polarized outlet only one way.
If the appliance plug does not fit fully into the outlet, reverse the plug. If the plug still does not fit, make sure that you are using the correct polarized wall outlet. If the plug still does not fit, contact a qualified electrician to install the proper wall outlet. Do not modify the appliance plug, power cord receptacle, or power cord plug in any way.
Use only extension cords that are intended for outdoor use. These extension cords are identified by marking “Acceptable for use with the outdoor appliance; store indoors while not in use”. Use only extension cord having an electrical rating not less than the rating of the product. Do not use damaged extension cords. Examine the extension cord before using it and replace it if damaged. Do not abuse the extension cord and do not yank on any cord to disconnect. Keep the cord away from heat and sharp edges. Always disconnect the extension cord from the receptacle before disconnecting the product from the extension cord.
WARNING
Electric shock may cause SEVERE INJURY or DEATH. Heed these warnings:
• Do not allow any part of the electric pressure washer to make contact with water while it is in operation. If the appliance becomes wet while turned off, wipe dry before starting.
• Do not use an extension cord over 25 ft. The pressure washer comes equipped with a 35 ft power cable. Combined cord length must not exceed 60 ft. Any extension cord must be 14-gauge (or heavier) to safely power the pressure washer.
• Do not touch the appliance or its plug with wet hands or while standing in water. Wearing rubber boots offers some protection.
EXTENSION CORD CHARTCord Length: 25 ft (7.6 m) Min. Wire Gauge (A.W.G.): 14 - To prevent the appliance cord from disconnecting from the extension cord during operation, make a knot with the two cords as shown in Table 1.
Table 1. Method of Securing Extension Cord
- Do not abuse the cord. Never pull the pressure washer by the cord or yank the cord to disconnect it from the receptacle. Keep the cord away from heat, oil, and sharp edges.
Risk of electrocution
- Inspect cord before using.
- Do not use it if the cord is damaged.
- Keep all connections dry and off the ground.
- Do not touch the plug with wet hands.
- Keep the cord away from heat and sharp edges.
- Do not spray electrical apparatus and wiring.
Risk of explosion
- Do not spray flammable liquids.
- Do not use acids, bases, solvents, or any flammable material in this product. These substances can cause physical injuries to the operator and irreversible damage to the machine.
Additional safety instructions
- High-pressure: keep clear of the nozzle.
- Injection hazard: equipment can cause serious injury if spray penetrates the skin.
- Do not point the gun at anyone or at any part of the body.
- In case of skin penetration, seek medical aid immediately.
- Before servicing, cleaning, or removing any parts, shut off the power and relieve pressure.
- This machine is not suitable for connection to the potable water mains.
Product Description
Purpose
- This high-pressure electric power washer is intended for residential use only. It is designed for medium-to-heavy duty cleaning jobs on cars, boats, motorcycles, RV, ATV, trailers, decks, barbecues, siding, patio furniture, lawn equipment, and more.
Areas of application
- Never use the machine in potentially explosive areas under any circumstances!
- The operating temperature must be between 32ºF (0ºC) and 104ºF (40ºC).
- The machine consists of an assembly with a pump, which is encased in shock-absorbing housing. To provide the operator with an optimal working position, the machine is equipped with a spray wand and a non-slip handle grip, whose shape and configuration comply with applicable regulations.
- Do not cover or modify the spray wand or the spray nozzle in any way.
- The high-pressure electric power washer is designed to be used with cold or lukewarm water; higher temperatures can damage the pump.
- Do not use water that is dirty, gritty, or contains any chemical products, as such impurities could impair the operation and shorten the life of the machine.
Safety Symbols
The following table depicts and describes safety symbols that may appear on this product. Read, understand, and follow all instructions on the machine before attempting to assemble and operate.
Symbols | Descriptions | Symbols | Descriptions |
![]() | READ THE OPERATOR’S MANUAL(S) – Read. understand. and follow all instructions in the user manual(s) before attempting to assemble and operate. | ![]() | WARNING! Electrical shock hazard. |
![]() | SAFETY ALERT – Indicates a precaution. a warning. or a danger. | ![]() | WARNING! Do not expose the unit to rain or wet conditions. Keep dry. |
![]() | WEAR EYE AND HEARING PROTECTION – For protection against injury. wear ear defenders and safety goggles. | ![]() | To reduce the risk of injury. user must keep all bystanders at least 49 ft (15 m) away. |
![]() | Wear safety gloves during use to protect hands. | ![]() | Wear non-slip footwear that will protect your feet and improve your footing on slippery surfaces. |
![]() | Store indoors. Never store the pressure washer outdoors. If the pump freezes. permanent damage may result. | ![]() | Machine not suitable for connection to the potable water mains. |
![]() | Always keep the power cable away from heat sources, oils, or sharp edges. Immediately remove the plug from the mains if the cable is damaged, frayed. or entangled. | ![]() | WARNING! Turn the machine OFF and disconnect it from the power supply before inspecting, cleaning. changing accessories. or conducting any other maintenance task. |
![]() | The sound power level is 96 dB(A). | ![]() | Double Insulation – When servicing. use only identical replacement parts. |
Know Your Electric Pressure Washer
Read the owner’s manual and safety rules carefully before operating the pressure washer. Compare the illustration below to the pressure washer in order to familiarize yourself with the location of the various controls and adjustments. Save this manual for future reference.

| 1. Trigger gun 2. Detergent bottle cap 3. Removable detergent bottle 4. High-pressure hose 5. On/Off switch 6. Spray wand 7. Adjustable spray wand nozzle 8. Water outlet (high-pressure hose connection) | 9. Power cord with GFCI 10. Needle clean-out tool 11. Cord holder 12. Hose holder 13. Transport handle 14. Safety button 15. Trigger 16. High-pressure hose connection | 17. Sun Joe® feather bristle pressure washer utility brush 18. Sun Joe® universal pressure washer wheel and rim brush 19. Accessory storage 20. Water inlet + Garden hose adapter (female coupler) 21. Wheel (2) |
Technical Data
Rated Voltage ……………………………….. 120 V ~ 60 Hz
Motor …………………………………………… 13 amp
Max Water Inlet Temperature ………….. 104ºF/40ºC
Max Water Inlet Pressure ……………….. 0.7 MPa
Max Flow ……………………………………… 1.3 GPM
Rated Flow …………………………………… 1.1 GPM
Max Pressure* …………………………… 2600 PSI
Rated Pressure ………………………….. 1800 PSI
High-Pressure Hose Length…………. 20 ft (6 m)
Power Cord Length ……………………..35 ft (10.7 m)
Detergent Tank Capacity ……………..30.4 fl oz (0.9 l)
Weight ……………………………………… 17.4 lbs (7.9 kg)
* Peak pressure at initial discharge; working pressure under typical load is 1800 PSI.
Unpacking
Carton Contents
- Electric pressure washer
- Handle
- Trigger gun
- Adjustable spray wand
- Detergent tank with cap and PVC tube
- Two (2) large Phillips head screws (for handle)
- Two (2) small Phillips head screws (for hose holder)
- Hose holder
- Needle clean-out tool (included with the manual packet)
- High-pressure hose
- Garden hose adapter (female coupler)
- Sun Joe® feather bristle pressure washer utility brush
- Sun Joe® universal pressure washer wheel and rim brush
- Manual with registration card
- Carefully remove the pressure washer and check to see that all of the above items are supplied.
- Inspect the product carefully to make sure no breakage or damage occurred during shipping. If you find damaged or missing parts, DO NOT return the unit to the store. Please call the Snow Joe ® + Sun Joe ® customer service center at 1-866-SNOW JOE (1-866-766-9563).
NOTE: Do not discard the shipping carton and packaging material until you are ready to use your new electric pressure washer. The packaging is made of recyclable materials. Properly dispose of these materials in accordance with local regulations.
IMPORTANT! The equipment and packaging material are not toys. Do not let children play with plastic bags, foils, or small parts. These items can be swallowed and pose a suffocation risk!
WARNING! Do not connect to the power supply until assembly is complete. Failure to comply could result in accidental starting and possible serious personal injury.
Assembly
Tools required: Phillips head screwdriver
- Following the alignment grooves at the top of the machine body, slide the handle into position from the front to the back, so that the solid side of the handle faces the front of the washer. Secure the handle using a Phillips head screwdriver and two (2) large screws (Fig. 1).

- Fit the cap with the attached PVC tube (black-tipped end) onto the detergent tank.
- Using the notch at the top of the detergent tank as a guide, insert the detergent tank (top end first) under the ridge on the underside of the handle (Fig. 2). Then snap the bottom of the tank into the V-shaped groove to secure it in place (Fig. 3).

- Run the PVC detergent tube through one of the holes located at the top of the handle and connect the tube to the detergent connection (Fig. 4).

- To assemble the hose holder, slide the holder into position and secure it to the unit with the remaining two (2) small screws (Fig. 5).

- Fit the spray wand into the gun and rotate it until the two parts are completely locked (Fig. 6).

- Connect the silver end of the high-pressure hose to the trigger gun and twist to secure the connection (Fig. 7).

- Connect the other end of the high-pressure hose to the water outlet on the washer and twist the black rotatable end-piece as indicated to secure the connection (Fig. 8).

WARNING! Keep hose away from sharp objects. Bursting hoses may cause injury. Examine hoses regularly and replace them if damaged. Do not attempt to mend a damaged hose. - Connect the garden hose adapter (female coupler) to the water inlet of the pressure washer, then thread your garden hose (male end) into the garden hose adapter (Fig. 9). The garden hose must have an internal diameter of at least 13 mm (1/2 in.) and must be reinforced. The water supply must be at least equal to the washer delivery capacity. NOTE: The machine is not suitable for connection to the potable water main.

- Attach a garden hose to the water supply (Fig. 10).

WARNING! The intake water temperature must not exceed 104ºF/40ºC. The water supply must not exceed 0.7 MPa.
CAUTION! The washer must only be used with clean water; the use of unfiltered water containing corrosive chemicals will damage the washer. - Make sure the motor switch is pushed to the OFF (0) position before plugging the unit into the power outlet (Fig. 11).

- Check that the electrical supply voltage and frequency (Volt/Hz) correspond to those specified on the pressure washer rating plate. If the power supply is correct, you may now plug the pressure washer into the power outlet (Fig. 12).

NOTE: The GFCI may need to be reset when first plugged into the electric outlet. Press the “Reset” button until the power light indicator on the GFCI illuminates.
Operation
IMPORTANT! This pressure washer is equipped with a micro-switch sensitive to water flow. This Total Stop System (TSS) senses water flow in the pump. When the trigger is released, water stops flowing through the pump. The TSS then automatically turns the motor off to protect the pump from overheating, thus saving energy and prolonging pump life.
CAUTION! To prevent damage to the appliance, do not allow it to operate dry. Before starting the appliance, make sure that it has a proper and stable supply of water.
- Position the washer as CLOSE as possible to the water supply.
- The washer must be used on a secure and stable surface in a standing, upright position (Fig. 13).

- Turn the water supply tap on completely.
- Release the safety lock, then press the trigger for a few seconds until the water flow is steady. Operating the pressure washer in this manner will allow air to escape and charge residual pressure in the hose (Figs. 14 and 15).


- Keeping the trigger pressed, turn the switch to the ON (I) position to start the pressure washer.
- When re-starting the motor, always keep the trigger pressed. NOTE: The motor only runs when the trigger is operated and shuts off when the trigger is released.
Using the adjustable spray nozzle
WARNING! High-pressure jets can be dangerous if subject to misuse. The jet must not be directed at persons, pets, live electrical equipment, or the appliance itself.
- The washer is equipped with an adjustable nozzle.
- The water pressure can be adjusted from low pressure (–) to high pressure (+) by turning the pressure adjustment knob. The nozzle tip can be adjusted from pencil spray (wide open tip) to fan spray (narrow tip) by turning the nozzle tip adjustment knob (Fig. 16).

WARNING! Do not adjust the nozzle while the trigger is squeezed. Failure to do so could result in damage.
Working with detergents
When cleaning with the pressure washer, some cleaning tasks can be solved with water alone, but for most tasks cleaning with detergent allows for the more effective dirt removal.
WARNING! To apply detergents, you must use a low-pressure setting. This setting will gently apply the detergent at a pressure equivalent to a low-set garden hose. The high-pressure setting is used for rinsing. You cannot apply detergents when working under high pressure.
WARNING! Use only detergents specifically designed for use with pressure washers, such as Sun Joe®HOUSE +DECK WASH (SPX-HDC1G), Sun Joe® SNOW FOAM AUTO WASH (SPX-FCS1G), or Sun Joe ®HEAVY DUTY CLEANER (SPX-APC1G). DO NOT USE household detergents, acids, alkaline solutions, bleaches, solvents, flammable material, or industrial-grade solutions. These could damage the pressure washer. Many detergents may require mixing prior to use. Prepare the cleaning solution as instructed on the solution bottle.
- Set the adjustable nozzle to the low-pressure, fan-spray setting (Fig. 17).

- Gently pull the onboard detergent tank out of its storage position. Remove the cap with a PVC tube and fill the tank with a detergent designed specifically for use with pressure washers (Fig. 18).
Insert the suction tube back into the tank and cap the tank closed. Push the tank back into storage position on the unit.
CAUTION! Always test the detergent in an inconspicuous area before use.- Turn on the pressure washer. Pull the trigger to operate the unit. The liquid detergent will automatically mix with water and be discharged through the nozzle.
- Apply detergent from the bottom to the top of the dry surface to be cleaned.
NOTE: Wetting the surface first is not recommended as it dilutes the detergent and reduces its cleaning ability. - Allow the detergent to remain on the surface for a short time before rinsing. Do not allow the detergent to dry on the surface.
CAUTION! Damage may occur to painted surfaces if the detergent is allowed to dry on the surface. Wash and rinse a small section at a time. Avoid working on hot surfaces or in direct sunlight. - Rinse with clean water under high pressure. When working on a vertical surface, rinse from the bottom up, then rinse from the top down to avoid streaking. Hold the nozzle 6-8 inches away from the work surface at a 45° angle
- When you have finished using the detergent injection system, remove the detergent suction tube from the detergent tank and insert it into 1.3 gals (5 L) of freshwater. Siphon water at low pressure for one minute so that all the detergent is flushed through the system. Remove the detergent tank and rinse it until it is thoroughly cleaned.
CAUTION! Failure to follow these cleaning instructions will cause the injection system to become clogged and inoperable.
IMPORTANT NEVER USE:
- Bleach, chlorine products, and other corrosive chemicals
- Liquids containing solvents (e.g. paint thinners, gasoline, oils)
- Trisodium phosphate products
- Ammonia products
- Acid-based products
These chemicals will harm the unit and will damage the cleaning surface.
Using the Wheel + Rim Brush
Sun Joe®’s universal pressure washer wheel and rim brush are ideal for cleaning wheel rims and spokes on vehicles, motorcycles, bicycles, and more. Compatible with all Sun Joe® SPX series pressure washers.
- If not already done, detach your spray wand from your trigger gun (Fig. 19).

- Take the wheel + rim brush and align the two tabs with the inside of the trigger gun.

- Once aligned, insert the tip of the locking collar on the wheel + rim brush into the trigger gun, twist counterclockwise to lock into place.
Using the Feather Bristle Pressure Washer Utility Brush
Sun Joe®’s feather bristle pressure washer utility brush safely cleans painted, topcoat, and delicate surfaces. Compatible with all Sun Joe® SPX series pressure washers.
- If not already done, detach your spray wand from your trigger gun (Fig. 19).
- Take the utility brush and align the two tabs with the inside of the trigger gun (Fig. 21).

- Once aligned, push the utility brush into the trigger gun, twist counter clockwise to lock it into place.
Shutting down
- Turn the switch to the OFF (0) position and unplug the power cord from the outlet.
- Turn off the water source.
- Hold the trigger to release water pressure.
- Disconnect the garden hose from the water inlet on the unit.
- Disconnect the high-pressure hose connection on the trigger gun handle.
- Release the trigger and engage the gun safety lock.
WARNING! Turn off the water supply and squeeze the trigger to depressurize the unit. Failure to do so could result in personal injury due to the discharge of high-pressure water.
Taking a break
If you are taking a break of five minutes or more between cleaning tasks:
- Engage the gun safety lock (Fig. 14).
- Turn the switch to the OFF (0) position.
- Unplug the power cord from the outlet.
Storage
CAUTION! Always store your pressure washer in a location where the temperature will not fall below 32ºF (0ºC).
The pump in this machine is susceptible to permanent
damage if it freezes. FREEZE DAMAGE IS NOT COVERED BY THE WARRANTY.
- Store the pressure washer indoors in a dry, covered area where it is not subject to adverse weather conditions.
- It is important to store this product in a frost-free area.
- Always empty water from all hoses, the pump, and the detergent tank before storing.
CAUTION! The use of a pump protector is recommended to prevent cold weather damage during storage over the winter months.
Winterizing + long-term storage
If you must store your pressure washer in a location where the temperature falls below 32ºF (0ºC), you can minimize the chance of damage to your machine by utilizing the following procedure:
- Disconnect all water connections.
- Turn on the machine for a few seconds until the remaining water in the pump exits. Turn off immediately.
- Do not allow the high-pressure hose to become kinked.
- Store the machine and accessories in a room that does not reach freezing temperatures.
- Do not store near a furnace or other sources of heat that may dry out the pump seals.
- Operate the pressure washer with a non-corrosive/non-toxic anti-freeze, a pump saver, or a pump protector before storing for the winter.
WARNING! Before reusing, completely flush the unit with clear water. Anti-freeze products can damage paintwork, so you must ensure there is no anti-freeze left in the system before using it again.
Maintenance
CAUTION! Before working on the pressure washer, disconnect the plug from the power supply socket.
- To ensure good performance, check and clean the water inlet filter (Fig. 19). Remove the filter and rinse with warm water to prevent any foreign matter from clogging the pump (Fig. 20).

- Clean the nozzle with the needle clean-out tool provided (Fig. 21). Remove the spray wand from the gun; remove any dirt from the nozzle hole and rinse.

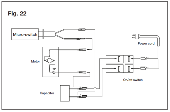
Circuit Diagram
A circuit diagram for the pressure washer is provided below for your reference (Fig. 22).

Disposal
Recycling the washer
- Do not dispose of electrical appliances as unsorted municipal waste. Use separate collection facilities.
- Contact your local government agency for information regarding the collection systems available.
- If electrical appliances are disposed of in landfills or dumps, hazardous substances can leak into the groundwater and get into the food chain, damaging your health and well-being.
- When replacing old appliances with new ones, the retailer is legally obligated to take back your old appliance for disposal at least free of charge.
Service + Support
If your Sun Joe®SPX2006 electric pressure washer requires service or maintenance, please call the Snow Joe® +Sun Joe® customer service center at 1-866-SNOWJOE
(1-866-766-9563).
Model + Serial Numbers
When contacting the company, reordering parts, or arranging service from an authorized dealer, you will need to provide the model and serial numbers, which can be found on the decal located on the housing of the unit. Copy these numbers into the space provided below.

Troubleshooting
- Disconnect the unit from the electrical power supply before carrying out maintenance on the machine or when checking that its parts are in proper working order.
- To avoid unnecessary hassles, consult the following table before contacting customer service with any mechanical issues.
Problems | Possible Cause | Possible Solution |
| The machine refuses to start |
|
|
| Fluctuating pressure |
|
|
| Machine stops |
|
|
| Fuse blows |
|
|
| Machine pulsating |
|
|
| The machine often starts and stops by itself |
|
|
| The machine starts, but no water comes out |
|
|
Optional Accessories
WARNING! ALWAYS use only authorized Snow Joe®+ Sun Joe®replacement parts and accessories. NEVER use replacement parts or accessories that are not intended for use with this electric pressure washer. Contact Snow Joe®+ Sun Joe® if you are unsure whether it is safe to use a particular replacement part or accessory with your pressure washer. The use of any other attachment or accessory can be dangerous and could cause injury or mechanical damage.
| Accessories | Item | Model |
| 25-Foot Extension Hose (For SPX Pressure Washer Series) | SPX-25H | |
| Solid Brass Universal Quick Connector (Garden Hose to Pressure Washer Adapter) | SPX-UQC |
Sun Joe’s complete line of premium pressure washer accessories and attachments make it easy to get your dirty work done, and also help you get the most out of your model!
SHOP ONLINE now at sunjoe.com
NOTE: Accessories are subject to change without any obligation on the part of Snow Joe®+ Sun Joe® to provide notice of such changes. Accessories can be ordered online at sunjoe.com or via phone by contacting the Snow Joe ®+ Sun Joe ® customer service center at 1-866-SNOW JOE (1-866-766-9563).
NOTES
![]()
SNOW JOE®+ SUN JOE® REFURBISHED GOODS WARRANTY
GENERAL CONDITIONS:
Snow Joe, LLC warrants this refurbished product to the original purchaser for 90 days against defects in material or workmanship when used for normal residential purposes. If a replacement part or product is needed, ® + Sun Joe ® operating under Snow Joe ® it will be sent free of charge to the original purchaser except as noted below.
The duration of this warranty applies only if the product is put to personal use around the household. It is the owner’s responsibility to correctly perform all maintenance and minor adjustments explained in the owner’s manual.
HOW TO OBTAIN YOUR REPLACEMENT PART OR PRODUCT:
To obtain a replacement part or product, please visit snowjoe.com/help or email us at [email protected] for instructions. Please be sure to register your unit beforehand to speed up this process. Certain products may require a serial number, typically found on the decal affixed to the housing or guard of your product. All products require valid proof of purchase.
EXCLUSIONS:
- Wearing parts like belts, augers, chains, and tines are not covered under this warranty. Wearing parts can be purchased at snowjoe.com or by calling 1-866-SNOWJOE
(1-866-766-9563). - Batteries are covered in full for 90-days from the date of purchase.
Snow Joe ® + Sun Joe ® may from time to time change the design of its products. Nothing contained in this warranty shall be construed as obligating Snow Joe to incorporate such design changes into previously manufactured products, nor shall such changes be construed as an admission that previous designs were defective.
This warranty is intended to cover product defects only. Snow Joe®, LLC is not liable for indirect, incidental, or consequential damages in connection with the use or misuse of the Snow Joe ®+ Sun Joe® products covered by this warranty. This warranty does not cover any cost or expense incurred by the purchaser in providing substitute equipment or service during reasonable periods of malfunction or non-use of this product while waiting for a replacement part or unit under this warranty. Some states do not allow exclusions of incidental r consequential damages so the above exclusions may not apply in all states. This warranty may give you specific legal rights in your state.
HOW TO REACH US:
We’re here to help Monday through Friday from 9 AM to 7 PM EST
and Saturday and Sunday 9 AM to 4 PM. You can reach us at
1-866-SNOW JOE (1 866-766-9563), online at snowjoe/com, via
email at [email protected] or tweet us @snowjoe.
EXPORTS:
Customers who have purchased Snow Joe products exported from the United States and Canada should contact their Snow Joe ®+ Sun Joe ® distributor (dealer) to obtain information applicable to your country, province, or state. If for any reason, you are not satisfied with the distributor’s service, or if you have difficulty obtaining warranty information, contact your Snow Joe ® + Sun Joe ® seller. If in the event your efforts are unsatisfactory, please reach out to us directly. ® + Sun Joe ®





























Insert the suction tube back into the tank and cap the tank closed. Push the tank back into storage position on the unit.


























