SUNJOE SPX3000 Electric Pressure Washer
SUNJOE SPX3000 Electric Pressure Washer
Safety Instructions
All Operators Must Read These Instructions Before Use
![]()
WARNING! This indicates a hazardous situation, which, if not avoided, could result in death or serious injury.
![]()
CAUTION! This indicates a hazardous situation, which, if not avoided, could result in minor or moderate injury.
![]()
DANGER! This indicates a hazardous situation, which, if not followed, will result in death or serious injury.
General Safety
![]()
WARNING! This appliance is not intended for use by children or by unassisted, unsupervised persons whose physical, sensory or mental capabilities prevent them from using it safely. Children should be supervised to ensure that they do not play with the appliance.
Before starting up your machine, please check it carefully for any defects. If you find any, do not start up your machine. Contact your authorized Snow Joe ® + Sun Joe ® dealer or call the Snow Joe ® + Sun Joe ® customer service center at 1-866-SNOWJOE (1-866-766-9563).
![]()
WARNING! When using the pressure washer, basic safety precautions should always be followed to reduce the risk of fire, electric shock, and personal injury. These include:
- Know your product – Know how to stop the machine and bleed pressure quickly. Thoroughly familiarize yourself with
the controls. - Keep bystanders away – All visitors and pets should be kept a safe distance away from the work area.
- Use the right product – Do not use this machine for any job except that for which it is intended.
- Dress properly – Do not wear loose clothing or jewelry. They can get caught in moving parts. Protective rubber gloves and non-slip footwear are recommended when working outdoors.
CAUTION! – Exercise caution to avoid slipping or falling. Wear protective footwear that will protect your feet and improve your footing on slippery surfaces.- Stay alert – Watch what you are doing. Use common sense. Do not operate the pressure washer when you are tired, or under the influence of alcohol or drugs.
- Do not overreach – Keep proper footing and balance at all times.
- Avoid unintentional starting – Do not carry a plugged-in machine with your finger on the trigger. Make sure the switch is off before plugging in the machine.
- Do not abuse the cord – Never carry the machine by the cord or yank the cord to disconnect it from the receptacle. Keep the cord away from heat, oil, and sharp edges.
- Use safety glasses – Also use safety footwear, snug-fitting clothing, protective gloves, hearing and head protection.
- Check the water temperature – This pressure washer is not meant to pump hot water. NEVER connect it to a hot water supply as it will significantly reduce the life of the pump.
- Store indoors – NEVER store the pressure washer outdoors or where it could freeze. The pump could be seriously damaged.
- Ground Fault Circuit Interrupter (GFCI) – Protection should be provided on the circuits or outlets to be used
for this pressure washer. Receptacles are available having built-in GFCI protection and may be used for this measure of safety. - Inspect electrical cables – The insulation of the power cord should be perfectly intact. If the power cord is damaged or shows any signs of wear or tear, do not use the pressure washer. Contact your authorized Snow Joe ® + Sun Joe ® dealer or call the Snow Joe ® + Sun Joe ® customer service center at 1-866-SNOWJOE (1-866-766-9563).
![]()
WARNING! Do not use this appliance without reading this instruction manual.
![]()
WARNING! This appliance has been designed for use with cleaning agents that are recommended by the manufacturer. The use of other cleaning agents or chemicals may adversely affect the safety of the appliance.
![]()
WARNING! Do not use the appliance within range of persons unless they are wearing protective clothing.
![]()
WARNING! High-pressure jets can be dangerous if subject to misuse. The jet must not be directed at persons, pets, live electrical equipment, or the appliance itself.
- Do not direct the jet at yourself or others in order to clean clothes or footwear.
- Risk of explosion – Do not spray flammable liquids.
- Disconnect the tool – Disconnect from the electrical power supply before performing any maintenance task.
- Keep children away – This high-pressure electric power washer must not be used by children or untrained personnel.
- To ensure appliance safety, use only original replacement parts from the manufacturer or those approved by the manufacturer.
![]()
WARNING! Water that has flowed through backflow preventers is considered to be non-potable.
![]()
WARNING! During cleaning, maintenance or when replacing parts, the machine must be disconnected from its power source by removing the plug from the socket outlet.
![]()
WARNING! High-pressure hoses, fittings, and couplings are important for the safe operation of the appliance. Use only hoses, fittings, and couplings recommended by the manufacturer.
- Check for damaged parts – Do not use the appliance if the supply cord or other important parts of the appliance are damaged (e.g. safety devices, high-pressure hoses, trigger gun).
![]()
WARNING! If an extension cord is used, the plug and socket must be of watertight construction.
WARNING! Inadequate extension cords can be dangerous.
- This high-pressure electric power washer must not be used at temperatures below 32ºF (0°C).
![]()
WARNING! Power cords on drums should always be completely unwound to prevent the cord from overheating.
- Power cord connections should be kept dry and off the ground.
- If the power cord is damaged, do not use the appliance. Contact your authorized Snow Joe ® + Sun Joe ® dealer or call the Snow Joe ® + Sun Joe ® customer service center at 1-866-SNOWJOE (1-866-766-9563).
- Keep the machine on a stable, flat surface during operation, handling, transportation, and storage. Sudden overturn of the machine can cause bodily injury.
- In the event of an accident or breakdown, switch off the machine immediately. (If contact with detergent occurs, rinse with an abundance of clean water.)
Electrical Safety
ATTENTION: If there are problems with the electrical MAINS, short voltage drops may appear when starting the equipment. This can, in turn, influence other equipment (e.g. cause a lamp to blink). If the MAINS-IMPEDANCE Zmax < 0.335 OHM, such disturbances are not expected. (If you require assistance, contact your local supply authority for further information.)
![]()
WARNING! Electrical Shock Hazard – Before starting up your machine, please check it carefully for any defects. If you find any, do not start up your machine and contact your distributor.
The following should be observed when connecting the high-pressure electric power washer to the electric supply:
- The electric supply connection should be performed by a qualified person.
- The electric supply to this appliance should include either a residual current device that will interrupt the supply if the leakage current to the earth exceeds 30 mA for 30 ms or a device that will interrupt the earth circuit (GFCI).
IMPORTANT: Only use water without any impurities. If there is a risk of running sand into the inlet water (i.e. from your own well), an additional filter should be installed.
Safety devices
The unloader valve can reduce pressure if it exceeds preset values. The spray gun features a locking device. When the lock is activated, the spray gun cannot be operated.
- Thermal sensor – A thermal sensor protects the motor against overloading. The machine will restart after a few minutes when the thermal sensor has cooled.
- Double insulation – In a double-insulated appliance, two systems of insulation are provided instead of grounding. No grounding means is provided on a double-insulated appliance, nor should a means for grounding be added to the appliance. Servicing a double-insulated appliance requires extreme care and knowledge of the system, and should be performed only by qualified service personnel at an authorized Snow Joe ® + Sun Joe ® dealer. Replacement parts for a double-insulated appliance must be identical to the parts they replace. A double-insulated appliance is marked with the words “Double Insulation” or “Double Insulated.” The symbol (square within a square) may also be marked on the appliance.
- Ground fault circuit interrupter (GFCI) protection – A GFCI should be provided on the circuit(s) or outlet(s) to be used for the pressure washer. Receptacles are available having built-in GFCI protection and may be used for this measure of safety.
- It is not recommended to use an extension cord with this pressure washer. The unit comes standard with a 35 ft GFCI power cable. Using an extension cord may cause a drop in line voltage resulting in loss of power and overheating.
- To reduce the risk of electric shock, this appliance has a polarized plug (i.e. one blade is wider than the other). The appliance plug will fit into a polarized outlet only one way.
If the appliance plug does not fit fully into the outlet, reverse the plug. If the plug still does not fit, make sure that you are using the correct polarized wall outlet. If the plug still does not fit, contact a qualified electrician to install the proper wall outlet. Do not modify the appliance plug, power cord receptacle, or power cord plug in any way.
![]()
Electric shock may cause SEVERE INJURY or DEATH. Heed these warnings:
- Do not allow any part of the electric pressure washer to make contact with water while it is in operation. If the appliance becomes wet while turned off, wipe dry before starting.
- Do not use an extension cord over 25 ft. The pressure washer comes equipped with a 35 ft power cable. Combined cord length must not exceed 60 ft. Any extension cord must be 14-gauge (or heavier) to safely power the pressure washer.
- Do not touch the appliance or its plug with wet hands or while standing in water. Wearing rubber boots offers some protection.
EXTENSION CORD CHART
Cord Length: 25 ft (7.6 m)
Min. Wire Gauge (A.W.G.): 14
6. To prevent the appliance cord from disconnecting from the extension cord during operation, make a knot with the two cords as shown in Table 1.

7. Do not abuse the cord. Never pull the pressure washer by the cord or yank the cord to disconnect it from the receptacle. Keep the cord away from heat, oil, and sharp edges.
Risk of electrocution
- Inspect cord before using.
- Do not use if cord is damaged.
- Keep all connections dry and off the ground.
- Do not touch plug with wet hands.
- Keep cord away from heat and sharp edges.
- Do not spray electrical apparatus and wiring.
Risk of explosion
- Do not spray flammable liquids.
- Do not use acids, bases, solvents, or any flammable material in this product. These substances can cause physical injuries to the operator and irreversible damage to the machine.
Additional safety instructions
- High-pressure: keep clear of nozzle.
- Injection hazard: equipment can cause serious injury if the spray penetrates the skin.
- Do not point the gun at anyone or at any part of the body.
- In case of skin penetration, seek medical aid immediately.
- Before servicing, cleaning, or removing any parts, shut off the power and relieve pressure.
- This machine is not suitable for connection to the potable water mains.
Product Description
Purpose
- This high-pressure electric power washer is intended for residential use to clean vehicles, machines, buildings, facades, etc.
Areas of application
- Never use the machine in potentially explosive areas under any circumstances!
- The operating temperature must be between 32ºF (0ºC) and 104ºF (40ºC).
- The machine consists of an assembly with a pump, which is encased in a shock-absorbing housing. To provide the operator with an optimal working position, the machine is equipped with a spray wand and a non-slip handle grip, whose shape and configuration comply with applicable regulations.
- Do not cover or modify the spray wand or the spray nozzles in any way.
- The high-pressure electric power washer is designed to be used with cold or lukewarm water; higher temperatures can damage the pump.
- Do not use water that is dirty, gritty, or contains any chemical products, as these could impair operation and shorten the life of the machine.
Safety Symbols
The following table depicts and describes safety symbols that may appear on this product. Read, understand, and follow all instructions on the machine before attempting to assemble and operate.

Know Your Electric Pressure Washer
Read the owner’s manual and safety instructions carefully before operating the electric pressure washer. Compare the illustration below to the electric pressure washer in order to familiarize yourself with the location of the various controls and adjustments. Save this manual for future reference.
- Safety lock (Locate lock in center of trigger. Pull up and snap in place. See Fig. 20, pg. 10)
- Trigger
- Transport handle
- High-pressure hose connection
- Trigger gun
- Spray wand
- Water inlet (garden hose connection)
- Spray wand protector
- High-pressure hose
- Garden hose adaptor (female coupler)
- Needle clean-out tool
- 0º Quick-Connect nozzle (orange)
- 15º Quick-Connect nozzle (yellow)
- 25º Quick-Connect nozzle (green)
- 40º Quick-Connect nozzle (gray)
- Soap Quick-Connect nozzle (black)
- Detergent selection dial
- Removable detergent tanks
- Hose holder
- On/Off switch
- Power cord with GFCI
- Cord holder
- Onboard storage for Quick-Connect nozzles
- Detergent tube
- Trigger gun holder
- Water outlet (high-pressure connection)
- Wheels

Technical Data
Rated Voltage — 120 V ~ 60 Hz
Motor — 14.5 amp (1800 W)
Max. Water Inlet Temperature — 104ºF/40ºC
Max. Water Inlet Pressure — 0.7 MPa
Max. Rated Flow — 1.76 GPM
Rated Pressure — 1450 PSI
Max. Pressure — 2030 PSI
Hose Length — 20 ft (6 m)
Power Cord Length — 35 ft (10.7 m)
Weight — 31 lbs (14 kg)
Unpacking
Carton Contents
- Electric pressure washer
- Handle
- Trigger gun
- Spray wand
- Five (5) Quick-Connect nozzles (0º, 15º, 25º, 40º and Soap)
- Two (2) removable detergent tanks
- Four (4) large screws
- Two (2) small screws
- Spray wand protector
- Trigger gun holder
- Hose holder
- Needle clean-out tool
- High-pressure hose
- Garden hose adaptor (female coupler) with two sealing rings
- Manual with registration card
- Carefully remove the pressure washer and check to see that all of the above items are supplied.
- Inspect the product carefully to make sure no breakage or damage occurred during shipping. If you find damaged or missing parts, DO NOT return the unit to the store. Please call the Snow Joe ® + Sun Joe ® customer service center at 1-866-SNOWJOE (1-866-766-9563).
NOTE: Do not discard the shipping carton and packaging material until you are ready to use your new electric pressure washer. The packaging is made of recyclable materials. Properly dispose of these materials in accordance with local regulations.
IMPORTANT! The equipment and packaging material are not toys. Do not let children play with plastic bags, foils, or small parts. These items can be swallowed and pose a suffocation risk!
![]()
WARNING! Do not connect to power supply until assembly is complete. Failure to comply could result in accidental starting and possible serious personal injury.
Assembly
- Position the washer as CLOSE as possible to the water supply.
- The washer must be used on a secure and stable surface in a standing, upright position (Fig. 1).

- Slide the trigger gun holder into position (Fig. 2).

- Slide the handle into position and secure it with 4 large screws (Fig. 3).

- Insert the detergent bottles (top end first) under the ridge of their designated storage compartment (Figs. 4 & 5). Then snap the bottom of the bottles into the V-shaped grooves to secure them in place (Fig. 6).

- Connect the PVC detergent tube to the detergent connection (Fig. 7).

- To assemble the spray wand protector, first snap the tab into the slot located at the bottom left side of the unit, and then secure it in place with one small screw. (Figs. 8 & 9).

- To assemble the hose holder, slide the holder into position (Figs. 10 & 11) and secure it to the unit with the remaining small screw (Fig. 12).

- Fit the spray wand into the trigger gun and rotate it until the two parts are completely locked (Fig. 13).

- Connect the high-pressure hose to the trigger gun (Fig. 14).

- Connect the high-pressure hose to the water outlet on the washer (Fig. 15).

WARNING! Keep hose away from sharp objects. Bursting hoses may cause injury. Examine hoses regularly and replace if damaged. Do not attempt to mend a damaged hose. - Connect the garden hose adaptor (female coupler) to the water inlet of the pressure washer, then thread your garden hose (male end) into the garden hose adaptor (Fig. 16). The garden hose must have an internal diameter of at least 13 mm (1/2 in.) and must be reinforced. The water supply must be at least equal to the washer delivery capacity.
NOTE: The machine is not suitable for connection to the potable water main.
- Attach garden hose to water supply (Fig. 17).

WARNING! The intake water temperature must not exceed 104ºF/40ºC. The water supply must not exceed 0.7 MPa.
CAUTION! The washer must only be used with clean water; use of unfiltered water containing corrosive chemicals will damage the washer. - Make sure the motor switch is pushed to the OFF (0) position before plugging the unit into the power outlet (Fig. 18).

- Check that the electrical supply voltage and frequency (Volt/Hz) correspond to those specified on the pressure washer rating plate. If the power supply is correct, you may now plug the pressure washer into the power outlet (Fig. 19).
NOTE: The GFCI may need to be reset when first plugged into the electric outlet. Press the “Reset” button until the power light indicator on the GFCI illuminates.
Operation
![]()
IMPORTANT! This pressure washer is equipped with a micro-switch sensitive to water flow. This Total Stop System (TSS) senses water flow in the pump. When the trigger is released, water stops flowing through the pump. The TSS then automatically turns the motor off to protect the pump from overheating, thus saving energy and prolonging pump life.
- Turn the water supply tap on completely.
- Make sure the safety lock is down and in its original position (Fig. 20), then press the trigger for a few seconds until water flow is steady. This will allow air to escape and discharge any residual pressure in the hose.

- Turn the switch to the ON (I) position to start the pressure washer (Fig. 21).

Using the nozzles
Before beginning any cleaning task, determine the best nozzle for the job. Each of the nozzles has a different spray pattern.
The nozzle patterns are 40˚ (for gentle cleaning), 25˚ (for all-purpose cleaning), 15˚ (for tough jobs), 0˚ (for spot cleaning or hard-to-reach areas) and the Soap nozzle (for detergent application).
![]()
CAUTION! NEVER change nozzles without locking the safety lock on the trigger handle.
![]()
WARNING! High-pressure jets can be dangerous if subject to misuse. The jet must not be directed at persons, pets, live electrical equipment, or the appliance itself.
This electric pressure washer is equipped with five (5) Quick-Connect nozzles that easily snap onto the Quick-Connect collar of the spray wand.
To connect a nozzle to the spray wand:
- Turn off the pressure washer and shut off the water supply. Pull the trigger to release water pressure.
- Engage the safety lock on the trigger handle by pushing up on the safety lock until it clicks into the slot (Fig. 22).

- Snap the desired nozzle onto the Quick-Connect collar until it clicks into place (Fig. 23).
To disconnect a nozzle from the spray wand once the cleaning job is complete: - Turn off the pressure washer and shut off the water supply. Pull the trigger to release water pressure.
- Engage the safety lock on the trigger handle by pushing up on the safety lock until it clicks into the slot (Fig. 22).
- Remove the nozzle by placing your hand over the nozzle while pulling back on the Quick-Connect collar.
![]()
WARNING! Do not make changes to the nozzle while the trigger is engaged. Doing so could result in damage to the pressure washer or injury to the user.
Working with detergents
When cleaning with the pressure washer, some cleaning tasks can be solved with water alone, but for most tasks cleaning with detergent allows for more effective dirt removal.
![]()
WARNING! Use only detergents specifically designed for use with pressure washers. DO NOT USE household detergents, acids, alkaline solutions, bleaches, solvents, flammable material, or industrial grade solutions. These could damage the pressure washer. Many detergents may require mixing prior to use. Prepare the cleaning solution as instructed on the solution bottle.
- Remove the cap(s) and detergent suction tube(s) from the detergent bottle(s).
- Gently pull each of the onboard detergent tanks out of its storage position and fill each tank with detergent (Fig. 24).

- Insert the suction tube(s) back into the tank(s) and cap the tank(s) closed. Push the tank(s) back into storage position on the unit.
- Use the detergent dial to select which of the two detergent tanks the unit will draw from and to control the rate of flow. When not working with detergent, such as when using a non-soap nozzle, turn the detergent dial to the center (O) (Fig. 25).
- Install the Soap nozzle (black) on the spray wand (Fig. 23).
CAUTION! Always test the detergent in an inconspicuous area before use. - Turn on the pressure washer. Pull the trigger to operate the unit. The liquid detergent will automatically mix with water and be discharged through the nozzle.
- Turn the detergent dial to adjust the suction volume of the detergent solution (Fig. 25).

- Apply detergent from the bottom to the top of the dry surface to be cleaned.
NOTE: Wetting the surface first is not recommended as it dilutes the detergent and reduces its cleaning ability. - Allow the detergent to remain on the surface for a short time before rinsing. Do not allow the detergent to dry on the surface.
CAUTION! Damage may occur to painted surfaces if the detergent is allowed to dry on the surface. Wash and rinse a small section at a time. Avoid working on hot surfaces or in direct sunlight. - When you have finished using the detergent injection system, remove the detergent suction tube from the detergent bottle and insert it into 1.3 gal (5 L) of fresh water. Siphon water at low pressure for one minute so that all the detergent is flushed through the system. Remove the detergent bottle and rinse it until it is thoroughly cleaned.
![]()
CAUTION! Failure to follow these cleaning instructions will cause the injection system to become clogged and inoperable.
Rinsing with the pressure washer
- Turn off the pressure washer and shut off the water supply.
- Pull the trigger to release water pressure.
- Engage the safety lock on the trigger handle by pushing up on the safety lock until it clicks into the slot (Fig. 22).
- Remove the nozzle by placing your hand over the nozzle while pulling back on the Quick-Connect collar.
- Select the right nozzle for the job (Fig. 26):

- The 0º intense-jet nozzle (orange) is an extremely powerful nozzle that delivers a high-pressure, pencil-point jet stream. It is used to cut heavy dirt deposits in a small, concentrated area. It is ideal for dissolving stubborn substances, like tar and grease spots on concrete, or for removing caked mud from equipment. Use this nozzle to clean hard-to-reach areas including the facades of 2-story buildings or the undersides of lawn mowers and tractors.
NOTE: Care should be used when choosing the right nozzle to avoid permanently gouging wood or damaging fragile surfaces. - Use the 15º fan-tip nozzle (yellow) for intense cleaning jobs on hard surfaces. Applications include stripping paint, removing oil stains, grease, heavy mildew stains, and rust from steel. This nozzle should only be used in areas that can withstand the high-pressure from this nozzle.
- Use the 25º fan-tip nozzle (green) to clean home siding, brick patios, wood decks, driveways, or sidewalks. When using this nozzle, test a small area first to avoid surface damage.
- Use the 40º wide-spray tip nozzle (gray) to clean items such as cars, trucks, boats, patio furniture, or lawn equipment.
- Use the Soap nozzle (black) for low-pressure detergent application to clean equipment, remove mildew and
oxidation stains from houses, clean bricks or degrease grimy surfaces.
NOTE: When using detergent, make sure to install the correct Soap nozzle (black). All of the other colored nozzles will not work for detergent application.
- The 0º intense-jet nozzle (orange) is an extremely powerful nozzle that delivers a high-pressure, pencil-point jet stream. It is used to cut heavy dirt deposits in a small, concentrated area. It is ideal for dissolving stubborn substances, like tar and grease spots on concrete, or for removing caked mud from equipment. Use this nozzle to clean hard-to-reach areas including the facades of 2-story buildings or the undersides of lawn mowers and tractors.
- Start at the top of the area to be rinsed and work your way down, making sure to overlap your strokes.
![]()
IMPORTANT! NEVER USE:
- Bleach, chlorine products, and other corrosive chemicals
- Liquids containing solvents (e.g. paint thinners, gasoline, oils)
- Tri-sodium phosphate products
- Ammonia products
- Acid-based products
These chemicals will harm the unit and will damage the cleaning surface.
Shutting down
- Turn the switch to the OFF (0) position and unplug the power cord from the outlet.
- Turn off the water source.
- Hold the trigger to release water pressure.
- Disconnect the garden hose from the water inlet on the unit.
- Disconnect the high-pressure hose connection on the trigger gun handle.
- Release the trigger and engage the gun safety lock.
![]()
WARNING! Turn off the water supply and squeeze the trigger to depressurize the unit. Failure to do so could result in personal injury due to discharge of high-pressure water.
Taking a break
If you are taking a break of five minutes or more between cleaning tasks:
- Engage the gun safety lock (Fig. 22).
- Turn the switch to the OFF (0) position.
- Unplug the power cord from the outlet.
Storage
![]()
CAUTION! Always store your pressure washer in a location where the temperature will not fall below 32ºF (0ºC). The pump in this machine is susceptible to permanent damage if it freezes. FREEZE DAMAGE IS NOT COVERED BY THE WARRANTY.
- Store the pressure washer indoors in a dry, covered area where it is not subject to adverse weather conditions.
- It is important to store this product in a frost-free area.
- Always empty water from all hoses, the pump, and the detergent bottle(s) before storing.
![]()
CAUTION! The use of a pump protector is recommended to prevent cold weather damage during storage over the winter months.
Winterizing and long-term storage
If you must store your pressure washer in a location where the temperature falls below 32ºF (0ºC), you can minimize the chance of damage to your machine by utilizing the following procedure:
- Disconnect all water connections.
- Turn on the machine for a few seconds until the remaining water in the pump exits. Turn off immediately.
- Do not allow the high-pressure hose to become kinked.
- Store the machine and accessories in a room that does not reach freezing temperatures.
- Do not store near a furnace or other sources of heat that may dry out the pump seals.
- Operate the pressure washer with non-corrosive/non-toxic anti-freeze, a pump saver, or a pump protector before storing for the winter.
![]()
WARNING! Before reusing, completely flush the unit out with clear water. Anti-freeze products can damage paintwork, so you must ensure there is no anti-freeze left in the system before using it again.
Maintenance
![]()
CAUTION! Before working on the pressure washer, disconnect the plug from the power supply socket.
- To ensure good performance, check and clean the water inlet filter (Fig. 27). Remove the filter and rinse with warm water to prevent any foreign matter from clogging the pump (Fig. 28).


- Clean the nozzle with the needle clean-out tool provided (Fig. 29). Remove the spray wand from the gun; remove any dirt from the nozzle hole and rinse.

- Remove additional debris by back flushing water through the nozzle and spray wand. To do this, place the end of your garden hose (with water running) to the tip of the nozzle, pushing water and debris out of the back opening of the nozzle and spray wand.
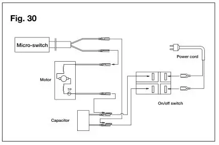
Circuit Diagram
A circuit diagram for the pressure washer is provided below for your reference (Fig. 30).

Disposal
Recycling the washer
- Do not dispose of electrical appliances as unsorted municipal waste. Use separate collection facilities.
- Contact your local government agency for information regarding the collection systems available.
- If electrical appliances are disposed of in landfills or dumps, hazardous substances can leak into the groundwater and get into the food chain, damaging your health and well-being.
- When replacing old appliances with new ones, the retailer is legally obligated to take back your old appliance for disposal at least free of charge.
Service and Support
If your Sun Joe ® Pressure Joe SPX3000 electric pressure washer requires service or maintenance, please call the Snow Joe ® + Sun Joe ® customer service center at 1-866-SNOWJOE (1-866-766-9563).
Model and Serial Numbers
When contacting the company, reordering parts, or arranging service from an authorized dealer, you will need to provide the model and serial numbers, which can be found on the decal located on the housing of the unit. Copy these numbers into the space provided below.

Troubleshooting
- Disconnect the unit from the electrical power supply before carrying out maintenance on the machine or when checking that its parts are in proper working order.
- To avoid unnecessary hassles, consult the following table before contacting customer service with any mechanical issues.

Accessories
![]()
WARNING! ALWAYS use only authorized Snow Joe ® + Sun Joe ® replacement parts and accessories. NEVER use replacement parts or accessories that are not intended for use with this electric pressure washer. Contact Snow Joe ® + Sun Joe ® if you are unsure whether it is safe to use a particular replacement part or accessory with your pressure washer. The use of any other attachment or accessory can be dangerous and could cause injury or mechanical damage.

NOTE: Accessories are subject to change without any obligation on the part of Snow Joe ® + Sun Joe ® to provide notice of such changes. Accessories can be ordered online at snowjoe.com or via phone by contacting the Snow Joe ® + Sun Joe ® customer service center at 1-866-SNOWJOE (1-866-766-9563).
NOTES

ABOVE ALL ELSE, Snow Joe ® + Sun Joe ® are dedicated to you, our customer. We strive to make your experience as pleasant as possible. Unfortunately, there are times when a product does not work or breaks under normal operating conditions. We think it’s important that you know what you can expect from us. That’s why we created the Snow Joe ® + Sun Joe ® promise.
OUR PROMISE: Snow Joe ® + Sun Joe ® warrant new products for two years from the date of purchase. If your product does not work, or there’s an issue with a specific part, we will fix this by either sending you a free replacement part or by sending you a new or comparable product at no charge. How cool is that! Before you know it, you’ll be back in action cutting, sawing, mowing, washing and…?
GENERAL CONDITIONS
Snow Joe ® + Sun Joe ® operating under Snow Joe ® , LLC warrants this new product to the original purchaser for two years against defects in material or workmanship when used for normal residential purposes. If a replacement part or product is needed, it will be sent free of charge to the original purchaser except as noted below.
The duration of this warranty applies only if the product is put to personal use around the household. If the product is put to any business, commercial or industrial use or is rented or leased, then the duration of this warranty is 90 days from the date of original purchase. It is the owner’s responsibility to correctly perform all maintenance and minor adjustments explained in the owner’s manual.
HOW TO OBTAIN YOUR REPLACEMENT PART OR PRODUCT
To obtain a replacement part or product, please visit snowjoe.com/help or email us at [email protected] for instructions. Please be sure to register your unit beforehand to speed up this process. Certain products may require a serial number, typically found on the decal affixed to the housing or guard of your product. All products require a valid proof of purchase.
EXCLUSIONS:
- Wearing parts like belts, augers, chains and tines are not covered under this warranty. Wearing parts can be purchased at snowjoe.com or by calling 1-866-SNOWJOE (1-866-766-9563).
- Batteries are covered in full for 90-days from the date of purchase.
Snow Joe ® + Sun Joe ® may from time to time change the design of its products. Nothing contained in this warranty shall be construed as obligating Snow Joe ® + Sun Joe ® to incorporate such design changes into previously manufactured products, nor shall such changes be construed as an admission that previous designs were defective.
This warranty is intended to cover product defects only. Snow Joe ® , LLC is not liable for indirect, incidental or consequential damages in connection with the use or misuse of the Snow Joe ® + Sun Joe ® products covered by this warranty. This warranty does not cover any cost or expense incurred by the purchaser in providing substitute equipment or service during reasonable periods of malfunction or non-use of this product while waiting for a replacement part or unit under this warranty. Some states do not allow exclusions of incidental or consequential damages so the above exclusions may not apply in all states. This warranty may give you specific legal rights in your state.
HOW TO REACH US:
We’re here to help Monday through Friday from 9AM to 6PM EST. You can reach us at 1-866-SNOWJOE (1-866-766-9563), online at snowjoe.com, via email at [email protected] or tweet us @snowjoe.
EXPORTS:
Customers who have purchased Snow Joe ® + Sun Joe ® products exported from the United States and Canada should contact their Snow Joe ® + Sun Joe ® distributor (dealer) to obtain information applicable to your country, province or state. If for any reason, you are not satisfied with the distributor’s service, or if you have difficulty obtaining warranty information, contact your Snow Joe ® + Sun Joe ® seller. If in the event your efforts are unsatisfactory, please reach out to us directly.

DOWNLOAD RESOURCES
- SUNJOE SPX3000 Electric Pressure Washer Operator’s Manual – Download [optimized]
- SUNJOE SPX3000 Electric Pressure Washer Operator’s Manual – Download
FAQ’S
The SPX3000A comes with a 25′ power cord, while the SPX3000 comes with a 20′ power cord.
The Sun Joe SPX3000 is an outstanding pressure washer as long as you go into it with reasonable expectations. It delivers 2,030 PSI (pounds per square inch, a measurement of water pressure) and 1.76 GPM (gallons per minute, a measurement of water flow).
14.5-Amp Brushless Induction Motor.
Generally, the most common reason for a Sun Joe pressure washer pulsating is a lower water supply, a kink in the hose, or blockage in the inlet filter. Other reasons are air leakage or air trapped in the pump in the machine. A worn-out or clogged nozzle, a problem with the unloader valve.
When it comes to durability, gas pressure washers trump electric pressure washers. Gas-powered units can last for ten years, easy. Electric pressure washers, on the other hand, tend to only last 3 to 5 years, depending on the maintenance.
If your pressure washer is shutting off after a few minutes, there is likely a fuel or air obstruction in one of these areas: Carburetor. Fuel cap vent or fuel filter. Air filter.
Concrete. You may think that power washing concrete surfaces can’t possibly cause any damage because the material is so strong — you’d be wrong.
Pavers and Brick. Power washing pavers and brick also pose significant risks.
Vinyl.
Wood.
Painted Surface.
Plug the power cord into a working outlet. Press the reset button on the GFCI. If it won’t reset, check the power cord for damage. If it’s damaged, it should be replaced.
A clogged carburetor is most commonly caused by leaving fuel in the pressure washer for a long period of time. Over time, some of the ingredients in the fuel may evaporate, leaving behind a thicker, stickier substance. This sticky fuel can clog up the carburetor and cause the engine to run stall.
Some people like to use a mixture of water and vinegar in their washers. White vinegar is the strongest and can be used with the pressure washer. The toughest stains should be cleaned with white vinegar.
Like all machines, pressure washers sometimes break down. These malfunctions take several forms, but in general, they fall into two categories: engine issues and pump or wand issues.
Let’s make one thing clear right away though only use pressure washer certified detergent with your equipment. These detergents are specifically made to work with pressure washers and get you the most effective, efficient cleaning solution possible.
VIDEO
www://snowjoe.com/














NOTE: The GFCI may need to be reset when first plugged into the electric outlet. Press the “Reset” button until the power light indicator on the GFCI illuminates.


To disconnect a nozzle from the spray wand once the cleaning job is complete:

























