
Operating Instructions and Parts Manual
Electrostatic Air Filtration System
Electrostatic AFS Model: PM1250
Remote control Model: PM1250-R

Powermatic
427 New Sanford Road
LaVergne, Tennessee 37086
Ph.: 800-274-6848
www.powermatic.com
Part No. M-1791331
Edition 6 12/2021
Copyright © 2021 Powermatic
This product earned the ENERGY STAR° by meeting strict energy efficiency guidelines set by the US EPA. US EPA does not endorse any manufacturer’s claims of healthier indoor air from the use of this product.
The energy efficiency of this ENERGY STAR° qualified model is measured based on a ratio between the model’s CADR for dust and the electrical energy it consumes, or CADRNVatt.
IMPORTANT SAFETY INSTRUCTIONS
When using an electrical appliance, basic precautions should always be followed, including the following:
READ ALL INSTRUCTIONS BEFORE USING THIS AIR FILTRATION UNIT.
WARNING – To reduce the risk of fire, electric shock, or injury:
- Read and understand the entire owner’s manual before attempting assembly or operation.
- Read and understand the warnings posted on the machine and in this manual. Failure to comply with all of these warnings may cause serious injury.
- Replace warning labels if they become obscured or removed.
- Do not operate this machine while tired or under the influence of drugs, alcohol, or any medication.
- Make certain the machine is properly grounded.
- Disconnect the filtration unit from the power source (unplug) before servicing or changing filters.
- Keep guards and covers in place at all times when the machine is in use. If removed for maintenance purposes, use extreme caution and replace the guards immediately after service is complete.
- Check damaged parts. Before further use of the machine, a guard or other part that is damaged should be carefully checked to determine that it will operate properly and perform its intended function. Check for alignment of moving parts, binding of moving parts, breakage of parts, mounting, and any other conditions that may affect its operation. A guard or other part that is damaged should be properly repaired or replaced.
- Make your workshop child-proof with padlocks, master switches, or by removing safety keys.
- Use recommended accessories; improper accessories may be hazardous.
- Do not place this unit on an unstable surface, or where there is a risk of tipping over. Serious injury could occur if the unit tips over.
- Do not use this air filtration unit with a damaged cord or plug. If the unit is not working as it should, has been dropped, damaged, left outdoors, or dropped into water, return it to a service center.
- If ceiling mounted, the bottom of the filtration unit must be at least 7 feet from the floor. 14. If ceiling mounted, mounts must be anchored to the building structure which will support the weight of the air filtration unit. Never mount to surfaces such as drywall or false ceiling grids.
- To reduce the risk of electric shock, do not expose the filtration unit to water or rain.
- Never duct a machine directly into the air filtration unit.
- To avoid a potentially dangerous situation, do not use this equipment to filter volatile fumes or smoke. 18. Do not use this unit in high humidity environments. Doing so may cause electric shock and/or decreased performance of the unit. 19. Do not use this equipment to filter flammable vapors. This air filtration unit is designed and intended for the filtration of air-borne dust only. It is neither designed nor intended for any other purpose whatsoever. If used for other purposes, Powermatic disclaims any real or implied warranty and holds itself harmless from any injury that may result from that use.
- This product complies with the maximum allowable concentration of ozone of 0.050 parts per million by volume (ppmv) in a 24-hour period. The Health Canada Guideline 2010 recommends that the maximum exposure limit, based on an averaging time of 8 hours, is 0.020 ppmv or less when tested in a sealed, controlled room approximately 30 m3.
WARNING: This product can expose you to chemicals including nickel which is known to the State of California to cause cancer, and lead which is known to the State of California to cause cancer and birth defects or other reproductive harm. For more information go to http://www.p65warnings.ca.gov.
WARNING: Some dust, fumes, and gases created by power sanding, sawing, grinding, drilling, welding and other construction activities contain chemicals known to the State of California to cause cancer and birth defects or other reproductive harm. Some examples of these chemicals are:
- lead from lead based paint
- crystalline silica from bricks, cement, and other masonry products
- arsenic and chromium from chemically treated lumber
Your risk of exposure varies, depending on how often you do this type of work. To reduce your exposure to these chemicals, work in a well-ventilated area and work with approved safety equipment, such as dust masks that are specifically designed to filter out microscopic particles. For more information go to http://www.p65warnings.ca.gov/ and http://www.p65warnings.ca.gov/wood.
FCC WARNING STATEMENTS:
This device complies with Part 15 of the FCC Rules. Operation is subject to the following two conditions: (1) this device may not cause harmful interference, and (2) this device must accept any interference received, including interference that may cause undesired operation.
Caution: The user is cautioned that changes or modifications not expressly approved by the party responsible for compliance could void the user’s authority to operate the equipment.
Note: This equipment has been tested and found to comply with the limits for a Class B digital device, pursuant to part 15 of the FCC Rules. These limits are designed to provide reasonable protection against harmful interference in a residential installation. This equipment generates uses and can radiate radio frequency energy and, if not installed and used in accordance with the instructions, may cause harmful interference to radio communications. However, there is no guarantee that interference will not occur in a particular installation. If this equipment does cause harmful interference to radio or television reception, which can be determined by turning the equipment off and on, the user is encouraged to try to correct the interference by one or more of the following measures:
—Reorient or relocate the receiving antenna.
—Increase the separation between the equipment and receiver.
—Connect the equipment into an outlet on a circuit different from that to which the receiver is connected.
—Consult the dealer or an experienced radio/TV technician for help.
ISED Warning statements:
This device contains license-exempt transmitter(s)/receiver(s) that comply with Innovation, Science and Economic Development Canada’s license-exempt RSS(s). Operation is subject to the following two conditions:
- This device may not cause interference.
- This device must accept any interference, including interference that may cause undesired operation of the device.
CAUTION This means that if precautions are not heeded, it may result in minor injury and/or possible machine damage.
WARNING This means that if precautions are not heeded, it may result in serious or possibly fatal injury.
About this manual
This manual is provided by Powermatic covering the safe operation and maintenance procedures for the PM1250 Electrostatic Air Filtration System. This manual contains instructions on installation, safety precautions, general operating procedures, maintenance instructions and parts breakdown. Your machine has been designed and constructed to provide consistent, long-term operation if used in accordance with the instructions set forth in this document.
If there are questions or comments, please contact your local supplier or Powermatic. Powermatic can also be reached at our website: www.powermatic.com.
Retain this manual for future reference. If the machine transfers ownership, the manual should accompany it.
Read and understand the entire contents of this manual before attempting assembly or operation! Failure to comply may cause serious injury!
Register your product using the mail-in card provided, or register online: http://www.powermatic.com/us/en/service-and-support/product-registration/
The PM1250 Electrostatic Air Filtration System is CARB certified to comply with the federal ozone emissions limit.
PM1250 Electrostatic AFS specifications
Table 1
| Stock number | 1791331 | ||
| Model number | PM1250 | ||
| Blower speeds | 3 | ||
| Timer settings (hours) | 1. 2. 4. 8 | ||
| Sound rating (42 1M’ | High speed | 50.8 dBA ±10% | |
| Medium speed | 45.0 dBA ±10% | ||
| Low speed | 41.3 dBA ±10% | ||
| Airflow with filter’ | High speed | 1282 m3/h (754 cfm) ±10% | |
| Medium speed | 965 m3/h (567 cfm) ±10% | ||
| Low speed | 751 m3/h (441 cfm) ±10% | ||
| CADR (Clean Air Delivery Rate) 12-3 | High speed | Smoke | >450 cfm |
| Dust | >400 cfm | ||
| Pollen | >450 cfm | ||
| Medium speed | Smoke | 354.5 cfm | |
| Dust | 363.8 cfm | ||
| Pollen | 389.3 cfm | ||
| Low speed | Smoke | 247.1 cfm | |
| Dust | 250.6 cfm | ||
| Pollen | 261.9 cfm | ||
| Energy Efficiency Grade (E=CADR/Power) | High speed | >13.2 | |
| Medium speed | 21. | ||
| Low speed | 23. | ||
| Motor (input) | 35W. DC 140V/165V | ||
| Electrical input required | 120VAC. 60Hz. 15A | ||
| Current draw’ | High speed | 29.7W 1.10% | |
| Medium speed | 17.5W 1.10% | ||
| Low speed | 10.6W 1.10% | ||
| Cord and plug | SJT 18AWGx3C. 6 ft.. 15A plug | ||
| Amperage draw | High speed | 0.31 A | |
| Medium speed | 0.19 A | ||
| Low speed | 0.13 A | ||
| Filter diameter | 543 mm (21.3 in.) | ||
| Approximate filter life | 3000 operating hours | ||
| Programmed cleaning alert (flashing red indicator) | 1000 operating hours | ||
| Remote control batteries | (2) AAA | ||
| Overall dimensions. WxHxD | 27 x 25-5/8 x 15 in. (688 x 650 x 380 mm) | ||
| Shipping dimensions. LxWxH | 29 x 28-1/2 x 14 in. (738 x 725 x 355 mm) | ||
| Net weight. approx. | 38 lb. (17.3 kg) | ||
| Shipping weight. approx. | 52 lb. (23.6 kg) | ||
L = length, W = width, H = height, D = depth
- Variable of ±10%, for general information only, not to be viewed as fixed parameters for inspection purposes.
- Tests performed by an independent third party in accordance with ANSI/AHAM AC-1-2015 entitled Association of Home Appliance Manufacturers Method for Measuring Performance of Portable Household Electric Room Air Cleaners.
- In accordance with AHAM’s 2/3 rule, these numbers are applicable to a room of up to 680 sq. ft. for airborne particles.
Powermatic always recommends using an appropriately sized dust collector in conjunction with our air filtration systems.
The specifications in this manual were current at the time of publication, but because of our policy of continuous improvement, Powermatic reserves the right to change specifications at any time and without prior notice, without incurring obligations.
PM1250 mounting hole pattern

Electrical connections
WARNING Electrical connections should be made by a qualified electrician in compliance with all relevant codes. Failure to comply may cause serious injury.
The PM1250 Electrostatic AFS is prewired for a single-phase, 120V power. It is provided with a plug designed for use on a circuit with a grounded outlet that looks like the one pictured in Figure 5-1.
It is recommended that the PM1250 be connected to a dedicated 15 amp circuit with a circuit breaker or fuse. If fuses are used, they should be a time-delay fuse marked “D”. Local codes take precedence over recommendations.
IMPORTANT: This electrostatic unit must be electrically grounded for proper operation, as well as for safety reasons (see below).
GROUNDING INSTRUCTIONS
1. All Grounded, Cord-connected Tools: This machine must be grounded. In the event of a malfunction or breakdown, grounding provides a path of least resistance for electric current to reduce the risk of electric shock. This tool is equipped with an electric cord having an equipment-grounding conductor and a grounding plug. The plug must be plugged into a matching outlet that is properly installed and grounded in accordance with all local codes and ordinances.
Do not modify the plug provided – if it will not fit the outlet, have the proper outlet installed by a qualified electrician. Improper connection of the equipment-grounding conductor can result in a risk of electric shock. The conductor with insulation having an outer surface that is green with or without yellow stripes is the equipment-grounding conductor. If repair or replacement of the electric cord or plug is necessary, do not connect the equipment-grounding conductor to a live terminal.
WARNING Check with a qualified electrician or service personnel if the grounding instructions are not completely understood, or if in doubt as to whether the tool is properly grounded. Failure to comply may cause serious or fatal injury.
Use only 3-wire extension cords that have 3-prong grounding plugs and 3-pole receptacles that accept the tool’s plug. Repair or replace damaged or worn cord immediately.
2. Grounded, cord-connected tools intended for use on a supply circuit having a nominal rating of less than 150 volts: This tool is intended for use on a circuit that has an outlet that looks like the one illustrated in Figure 5-1.

Extension cords
The use of extension cords is discouraged. Try to position machines within reach of the power source. If an extension cord must be used, make sure it is heavy enough to carry the current your product will draw. An undersized cord will cause a drop in line
voltage resulting in loss of power and overheating. Table 2 shows the correct size to use depending on cord length and nameplate ampere rating. If in doubt, use the next heavier gauge. The smaller the gauge number, the heavier the cord.
| Ampere Rating | Volts | Total length of cord in feet | ||||||
| More Than | Not More Than | 120 | 25 | 50 | 100 | 150 | ||
| AWG | ||||||||
| 0 | 6 | 18 | 16 | 16 | 14 | |||
| 6 | 10 | 18 | 16 | 14 | 12 | |||
| 10 | 12 | 16 | 16 | 14 | 12 | |||
| 12 | 16 | 14 | 12 | Not Recommended | ||||
Extension Cord Recommendations
Table 2
Unpacking
Shipping contents
Open shipping cartons and check that all parts are intact. Report any damage or missing parts to your distributor. Note that your unit may be provided with extra fasteners. Read the instructions manual thoroughly for assembly, alignment, and maintenance instructions.
1 Air filtration unit
2 Side plates
1 Baseplate
1 Remote control (batteries not included)
2 Knobs
6 Pan head screws with washers M5x10
4 Rubber pads
1 Cleaning brush
1 Operating instructions and parts manual
1 Product registration card
Assembly
Assemble the base of the unit with provided screws and washers, as shown in Figure 8-1.
If the filtration unit is to remain portable, press the four rubber pads into the mounting holes.
The unit may also be fixed to a table, wall or ceiling, using appropriate fasteners (not included) through four holes in base. See Figure 4-1 for hole pattern. 3/8” diameter fasteners are recommended. NOTE: First secure assembled base to structure, then mount filtration unit with the two knobs.
WARNING
Wall or ceiling structure must be capable of supporting the weight of air filtration unit and absorbing any vibrations arising from the unit. Appropriate fasteners must be used to secure to structure. Failure to comply may cause serious injury.
Operation
Tilt Adjustment
Loosen side knobs and tilt frame to any position. Retighten both knobs. For best results, when the unit is ceiling-mounted position front (filter side) downward; when the unit is table-mounted position front (filter side) vertically.
Basic procedure
Refer to Figure 8-2.
- Plug in the unit. On/off indicator light glows red for standby mode.
- Press the Power button to start the unit. The speed indicator light glows green, and the default speed is selected.
- Press and release the Speed button until desired speed indicator is green.
- Press the Timer button until desired timer indicator is green. If the Timer button is not pressed again for 3 seconds, the selected time indicator will flash multiple times, then stay green.
- The unit will count down from the corresponding time, and will automatically shut off at time expiration.
Example: 8H indicator stays green when timing begins; switches to 4H indicator after four hours, then to 2H indicator after another two hours, then to 1H, and finally unit will shut off and remain in standby condition.
Note: If the Timer function is not used, unit will continue to operate until Power button is pressed.
All the above functions can be operated remotely. See Figure 8-3. The remote control uses radio frequency, and thus is not limited to line-of-sight operation.
User-maintenance
The batteries should be changed in the remote control as needed, particularly if unit seems unresponsive to remote operation.
Filter cleaning and replacement
The disposable filter is designed for approximately 3000 hours of life, dependent upon speed setting and working environment. See Table 3.
| Speed | Operating time | Approximate filter life consumed |
| Low | 1 hour | 0.75 hours |
| Medium | 1 hour | 1 hour |
| High | 1 hour | 1.25 hours |
Filter life may be extended by the occasional use of a shop vacuum or compressed air to clean off the dust. However, a dirty filter should be replaced as it will diminish the efficiency of the unit.
Clean the filter after every 1000 hours of operation, or more frequently if needed. The unit is programmed to alert the user after 1000 hours; the red indicator light will flash twice per second.
After 3000 hours of operation, the filter should be discarded and replaced by a new one.
To remove filter:
- When filter life reaches programmed time (1000 hours), red Reset indicator light will flash twice per second.
- Turn off the unit.
CAUTION: The internal metal ring carries an electrical charge during operation. Turn off unit before attempting to remove the cover. - Rotate cover counterclockwise and remove it, along with the prefilter. See Figure 8-4.
- Hold the frame stationary, and rotate the filter counterclockwise to remove it.
- Clean dust from the filter with a vacuum or soft bristle brush. Blow dust from recessed areas of the filter with a household air blower. Also, clean out any residual dust from inside the unit.
To install cleaned or replacement filter: - Center filter onto stator and turn it clockwise (about 1/8 of a turn) until it fully engages – you will feel a hard stop.
- Install cover and rotate clockwise until it fully engages. A lock/unlock graphic is molded into the left and right edges of the cover as a guide.
Note: A sensor prevents the unit from starting if the cover is not installed properly. - Plug-in unit. Red Reset indicator light will flash.
- Press and hold the Power button for 5 seconds until red indicator light goes off. The filter life count is now reset.
Anion generator maintenance
Remove dust regularly from the anion generator (i.e. carbon brush) with the provided cleaning brush. See Figure 9-1.
Additional servicing
Any additional servicing should be performed by authorized service personnel.


Troubleshooting PM1250 Electrostatic AFS
Table 4
| Symptom | Probable Cause | Remedy |
| The machine will not start. | No incoming power. | Check plug connection. |
| Cover improperly installed. | Reinstall cover. If properly installed, red light will illuminate on the control panel. | |
| Low voltage. | Request voltage check from the power company and correct low voltage condition. | |
| Power cord damaged. | Replace cord. | |
| Control button or PCBA malfunction. | Contact Powermatic customer service. | |
| Excessive vibration. | Loose frame parts, knobs or fasteners. | Inspect and tighten as needed. |
| Impeller imbalance. | Clean impeller (do not use solvents). If imbalance still occurs, replace the impeller. | |
| Motor imbalance. | Have motor tested by qualified personnel; replace if needed. | |
| Unit not responding to the remote control. | Weak batteries in the remote control. | Replace batteries. |
| Radiofrequency interference. | Identify sources of interference and eliminate them, or relocate unit. | |
| Remote control or machine control panel malfunction. | Contact Powermatic customer service. | |
| Unit not working efficiently; not cleaning air. | Filter not installed properly. | Reinstall filter; make sure it is fully rotated. |
| Blocked airflow. | Inspect filter; replace if dirty. Vacuum or blow out the pre-filter and any residual dust from inside the unit. | |
| Unit not electrically grounded. | Check power source; make sure grounding is working. | |
| Controls on unit not working. | Control button or PCBA malfunction. | Contact Powermatic customer service. |
* WARNING: Some remedies may require a qualified electrician.
Replacement parts
To order parts or reach our service department, call 1-800-274-6848 Monday through Friday, 8:00 a.m. to 5:00 p.m. CST. Having the Model Number and Serial Number of your machine available when you call will allow us to serve you quickly and accurately.
Non-proprietary parts, such as fasteners, can be found at local hardware stores or maybe ordered from Powermatic.
Some parts are shown for reference only, and may not be available individually.
11.1.1 PM1250 Electrostatic AFS – Parts List

* items included in hardware package
11.1.2 PM1250 Electrostatic AFS – Exploded View
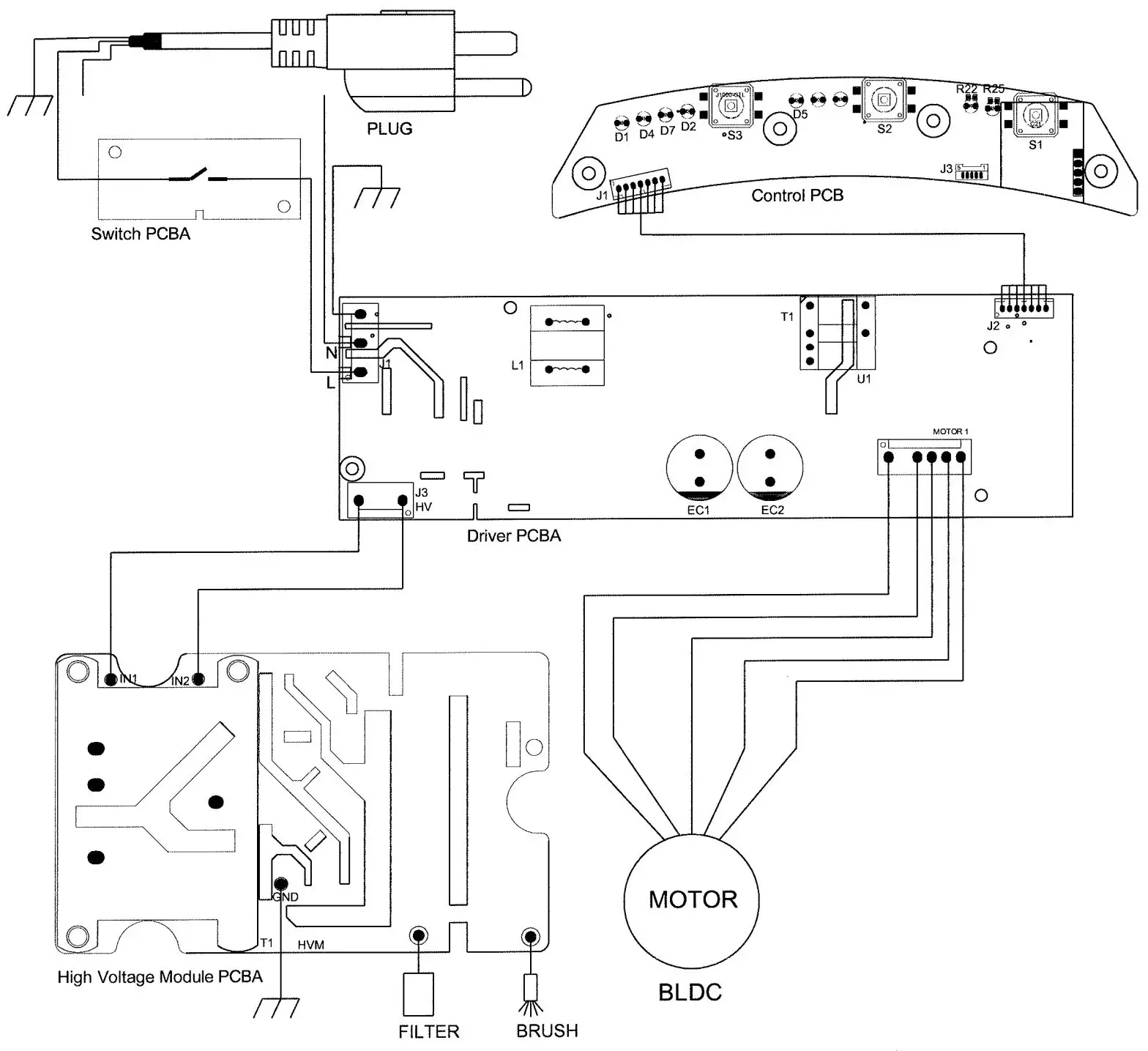
Electrical connections for PM1250

Warranty and Service
Powermatic® warrants every product it sells against manufacturers’ defects. If one of our tools needs service or repair, please contact Technical Service by calling 1-800-274-6846, 8 AM to 5 PM CST, Monday through Friday.
Warranty Period
The general warranty lasts for the time period specified in the literature included with your product or on the official Powermatic branded website.
- Powermatic products carry a limited warranty which varies in duration based upon the product. (See chart below)
- Accessories carry a limited warranty of one year from the date of receipt.
- Consumable items are defined as expendable parts or accessories expected to become inoperable within a reasonable amount of use and are covered by a 90-day limited warranty against manufacturer’s defects.
Who is Covered
This warranty covers only the initial purchaser of the product from the date of delivery.
What is Covered
This warranty covers any defects in workmanship or materials subject to the limitations stated below. This warranty does not cover failures due directly or indirectly to misuse, abuse, negligence or accidents, normal wear-and-tear, improper repair, alterations or lack of maintenance. Powermatic woodworking machinery is designed to be used with Wood. Use of these machines in the processing of metal, plastics, or other materials outside recommended guidelines may void the warranty. The exceptions are acrylics and other natural items that are made specifically for woodturning.
Warranty Limitations
Woodworking products with a Five Year Warranty that are used for commercial or industrial purposes default to a Two Year Warranty. Please contact Technical Service at 1-800-274-6846 for further clarification.
How to Get Technical Support
Please contact Technical Service by calling 1-800-274-6846. Please note that you will be asked to provide proof of initial purchase when calling. If a product requires further inspection, the Technical Service representative will explain and assist with any additional action needed. Powermatic has Authorized Service Centers located throughout the United States. For the name of an Authorized Service Center in your area call 1-800-274-6846 or use the Service Center Locator on the Powermatic website.
More Information
Powermatic is constantly adding new products. For complete, up-to-date product information, check with your local distributor or visit the Powermatic website.
How State Law Applies
This warranty gives you specific legal rights, subject to applicable state law.
Limitations on This Warranty
POWERMATIC LIMITS ALL IMPLIED WARRANTIES TO THE PERIOD OF THE LIMITED WARRANTY FOR EACH PRODUCT. EXCEPT AS STATED HEREIN, ANY IMPLIED WARRANTIES OF MERCHANTABILITY AND FITNESS FOR A PARTICULAR PURPOSE ARE EXCLUDED. SOME STATES DO NOT ALLOW LIMITATIONS ON HOW LONG AN IMPLIED WARRANTY LASTS, SO THE ABOVE LIMITATION MAY NOT APPLY TO YOU.
POWERMATIC SHALL IN NO EVENT BE LIABLE FOR DEATH, INJURIES TO PERSONS OR PROPERTY, OR FOR INCIDENTAL, CONTINGENT, SPECIAL, OR CONSEQUENTIAL DAMAGES ARISING FROM THE USE OF OUR PRODUCTS. SOME STATES DO NOT ALLOW THE EXCLUSION OR LIMITATION OF INCIDENTAL OR CONSEQUENTIAL DAMAGES, SO THE ABOVE LIMITATION OR EXCLUSION MAY NOT APPLY TO YOU.
Powermatic sells through distributors only. The specifications listed in Powermatic printed materials and on the official Powermatic website are given as general information and are not binding. Powermatic reserves the right to effect at any time, without prior notice, those alterations to parts, fittings, and accessory equipment which they may deem necessary for any reason whatsoever.
Product Listing with Warranty Period
90 Days – Parts; Consumable items
1 Year – Motors, Machine Accessories
2 Year – Woodworking Machinery used for industrial or commercial purposes
5 Year – Woodworking Machinery
NOTE: Powermatic is a division of JPW Industries, Inc. References in this document to Powermatic also apply to JPW Industries, Inc., or any of its successors in interest to the Powermatic brand.

427 New Sanford Road
LaVergne, Tennessee 37086
Phone: 800-274-6848
www.powermatic.com
CAUTION: The internal metal ring carries an electrical charge during operation. Turn off unit before attempting to remove the cover.


















