RDP19 Data Logger Paperless Recorder
User Manual
RDP-19
Paperless Recorder, Data Logger and Industrial Controller
RDP19 Data Logger Paperless Recorder
Revision V1.4
© Copyright 2018 IOThrifty LLC. All rights reserved. This document may not be copied, photocopied, reproduced, translated, or reduced to any electronic medium or machine-readable form, in whole or in part, without the prior written consent of IOThrifty LLC
Product Overview
The RDP-19 paperless recorder is multi-function instrument combining the functionality of a digital chart recorder, multi-channel panel meter, data logger, alarm monitor and SCADA (supervisory data acquisition and control) all in one low cost easy to use instrument. The RDP-19 rich feature set includes:
- Ultra-thin integrated design
The thin 38mm design consumes minimal space and can be easily mounted in a panel or cabinet for laboratory or industrial use. - Easy to use touch screen display
Modern industrial-grade touch screen allows all parameters to be configured from an easy to use interface. - Highly reliable hardware design
Independent processing for the graphic interface and data logging; ensuring separate control and real-time sampling to meet the stringent requirements of industrial applications while maintaining low power operation. - Minimal channel to channel Interference
The RDP-19 uses high-performance components which greatly reduce temperature drift and reduce the interference between the respective channels, ensuring that measurement accuracy and noise immunity are on par with single channel measurement instruments. - Rich data logging
A paperless recorder with data logging capabilities which can display real-time trends, historical trends and provide a record of data logging and alarm events. It has 150M of storage space. The stored data can be viewed on the recorder as a trend curve and/or table format The data may also be exported to a PC in an Excel compatible format through the USB port to a USB flash drive . - Flexible configurations according to the customers’ requirements
The paperless recorder is hardware configured with the use of I/O modules that populate up to 5 internal IO slots. Various types of modules are available depending on the application. Each module can be independently configured for alarm, communication and sampling functions.
Specifications
2.1 Size
Display size: 9 inches
Dimensions: 231 W × 170 H × 38 D
Opening size: 221 W × 160 H mm
2.2 Display
Color: TFT true color
Resolution: 800 × 480
Backlight: long-life LED
Input Method: Touch
Touch Screen: four-wire resistive
2.3, Recording/Memory
Recording interval: 1 to 300 seconds in 1 second intervals
Memory capacity: 150MB.
2.4 Inputs
The inputs are determined by the specific hardware configuration.
Thermocouple: K, S, R, E, J, T, B, N, WRe5-WRe26 (requires J1 module)
Linear Millivolt: 0-20mV, 0-60mV, 0-100mV, 0- 1V (requires J1 module)
RTD: Pt100, Cu50 (requires J0 or J2 input module, J0 supports 3 wire connection and J2 supports 2 wire connection)
Linear Voltage / current: 0-5V, 1-5V (requires J3 module)
Two-wire transmitter Input: 4-20mA, 0-20mA (requires J4 or J5 module. J5 also provides 24V loop supply voltage)
Root operation Input: 1-5V, 4-20mA (requires J3 or J4 current or voltage input module)
Accuracy: ± 0.2% FS ± 1 digit); 0.3 (± 0.3% FS ± 1 digit, only Cu50)
Note 1: When using the thermocouple inputs add 1 plus 1 ℃ for cold junction compensation
Note 2: For B thermocouple accuracy only applies over range of 60-600℃.
Response time: ≤1.5 seconds (with digital filter set to 0 or 1)
Temperature drift: ≤0.01% FS / ℃ (typical value 50ppm / ℃)
Temperature Measurement Range: K (-50 to 1300 ℃), S (-50 to 1700 ℃), R (-50 to 1700 ℃), T (-200 to 350 ℃), E (0 to 800 ℃), J (0 to 1000 ℃), B (+200 to 1800 ℃), N (0 to 1300 ℃), WRe3~WRe25 (0 to 2300 ℃), WRe5~WRe26 (0 to 2300 ℃), CU50 (-50 to 150 ℃), PT100 (-200 to 800 ℃)
Linear Input: -1999~+9999 defined by the user
2.5 Outputs
Two SPDT relay contact output 250VAC / 2A
2.7 General
Power: 100~240VAC, -15%, + 10% / 50-60hZ
Power: ≤5W
Environment: Temperature: -10 ℃~+ 60 ℃; Humidity: ≤ 90% RH
Storage temperature: -20 ℃~+ 80 ℃
Weight: 0.7KG (1.5lbs)
Cooling: Natural air flow
Input/Output Modules
3.1 IO Modules
Multiple large-size touch operation records alarm type meter
| Description | |||||||
| Input Slot 1 (M1) | J0 | 1 channel 3-wire RTD | |||||
| J1 | 2 channel thermocouple or mV input | ||||||
| J2 | 2 channel 2-wire RTD input | ||||||
| J3 | 2 channel voltage input | ||||||
| J4 | 2 channel milliamp input 4-20mA, 0-10mA | ||||||
| J5 | 2 channel milliamp input 4-20mA, 0-10mA with internal 24Vdc power supply | ||||||
| Input Slot 2 (M2) | J0 | Same module functions as input slot M1 | |||||
| J1 | |||||||
| J2 | |||||||
| J3 | |||||||
| J4 | |||||||
| J5 | |||||||
| Input Slot 3 (M3) or Main output (OUTP) | J0-J5 | Same module functions as input slot M1 and M2 | |||||
| L0 | SPDT relay output, 250VAC / 2A | ||||||
| Alarm output (ALM) | L0 | Same as L0 of input slot M3 | |||||
| Auxiliary alarm (AUX) | L0, | Same as L0 of input slot M3 | |||||
3.2.1 Modular Sockets
The recorder includes five module sockets. By installing various modules it may be configured for different types of inputs and outputs
Input Socket 1 (M1): Accepts modules J0, J1, J2, J3, J4, J5, inputs for thermocouple, RTD ,, current and voltage.
Input Socket 2 (M2): Accepts modules J0, J1, J2, J3, J4, J5, inputs for thermocouple, RTD ,, current and voltage.
Input Socket 3 (M3) or Primary Output (OUTP): Accepts modules J0, J1, J2, J3, J4, J5 module; It also accepts L0 alarm output module.
Alarm Output (ALM): Accpets L0 alarm output module
Auxiliary Output (AUX): Accpets L0 alarm output module.
3.2.2 I/O Modules
N No module.
J0 1 channel three wire RTD
J1 2 channel thermocouple input module, also supports mV.
J2 2 channel 2-wire RTD input module.
J3 2 channel voltage input module supports 0~5V, 1~5V.
J4 2 channel current input module supports 4~20mA, 0~20mA.
J5 2 channel 2-wire transmitter input channel module, its own internal power supply 24V feeding.(note: the recorder can only support up to two J5 modules or 4 input channels)
L0 High capacity SPDT relay contact switch output (module capacity: 250VAC / 2A, for the alarm).
3.2.3 Installation and Replacement of I/O Modules
The recorder uses field installable I/O modules. When shipped to a customer the module will be installed and the recorder configuration set for that
module. Should you need to replace or change a module this can be done by the user. Remove the meter cover and with a small blade screwdriver pry the
original module from its socket. After installing the new module, the recorder configuration parameters may need to be set to work with the new module.
3.2.4 Module Slots
The RDP-19 includes five functional modular jacks, by installing various types of modules, the recorder can perform different functions.
The circuit board slots denoted as M1, M2 and M3, accept input modules for a total of 6 channels of inputs.
Slots ALM, AUX, and M3 (OUTP), are used for output and alarms
Installation
4.1 Front/Rear View
4.2 Mounting Dimensions(mm)
4.3 Panel Mount Installation
Wiring
5.1 Rear Panel Connections
5.2 Connectors
The terminal connectors: are pluggable and may be removed from the recorder interface. To fasten wire into the connector, press the orange tab on the connector with a screwdriver and inset the wire into the connector. Release the orange table and test the wire to make sure is securely fastened. To remove the wire, press the orange tab and pull the wire free.
5.3 Power Wiring
| interface | Power | ||
| PIN | 1 | 2 | 3 |
| Pin definitions | L | N | |
5.4 Communication Wiring
interface | COM2 (RS485) | |
| PIN | 1 | 2 |
| Pin | RS485 | RS485- |
| definitions | + | |

interface | COM2 (RS485) | COM3 (RS232) | |||
| PIN | 1 | 6 | 2 | 3 | 5 |
| Pin definitions | RS485 + | RS485- | RS232 RXD | RS232 TXD | RS232 GND |
5.5 Input and Output Wiring
The general connection layout is provided in the figure below. Also provided are specific sensor wiring configurations.
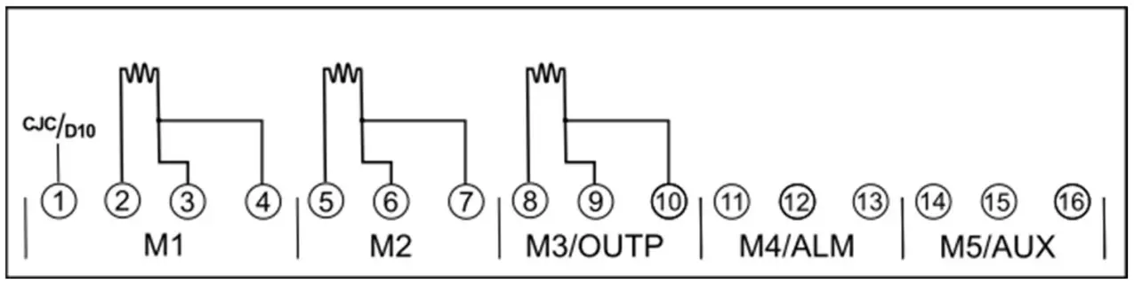
5.5.1 Thermocouple Connection
Each J1 module supports two thermocouples. The thermocouples for each J1 module have a unique positive input and share a common negative input. The module in slot M1 also provides input if an external cold junction compensation (CJC) sensor is used. That sensor should be a 50-ohm copper RTD.
5.5.2 Two-wire RTD Connection
Each J2 module supports two RTD sensors. The RTDs for each J2 module have a unique positive input and share a common negative input.
5.5.3 Three-wire RTD Connection
Each J0 module supports one three-wire RTD connection.
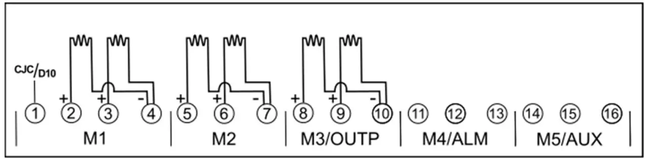
5.5.4 Voltage/Current Connection
The following diagram may be used for the voltage and current connections.
Operating Instructions
6.1 First Time Use
On initial power up, the default Panel Meter display will be displayed on the screen This view shows all the recorder channels in their factory set state. Located on the lower portion of the screen are touch sensitive buttons that provide access to the recorder functionality and configuration.
These buttons are
- Operation – Single channel display
- Curve – Real time trend display
- History -Historical trend display
- DataList – Tabular data display
- AlarmList – Alarm display (real time and historical alarms)
- MeterOpt – Meter configuration mode
The recorder will arrive with the most common channel configuration, but it is necessary to review the configuration to modify for your specific requirements. To modify a channel, press the MeterOpt button.
6.1.1 The Default Passcode
The default passcode is 111. The password may be changed by pressing the MeterOpt button then SetCode button. The recorder will be preset for the installed input modules but you should review the basic channel settings by pressing the MeterOpt button.
6.1.2 Saving and Restoring Parameters (Reread and DownLoad Button)
After a parameter is changed, the new value may be saved to the recorders memory by pressing the DownLoad button. You may also recall the old setting prior to pressing the Download button by pressing the Reread button
6.2 Panel Meter Display Screen (Panel Button)
The Multi Panel Display Screen is entered by clicking the Panel button along the bottom of the recorder screen. The panel meter is the main display from which all the recorder functions may be accessed by pressing the buttons on the bottom of the screen. These functions include trend display, data history.
alarms and recorder configuration.
6.2.1 Panel Meter Display
The Panel display provides a digital display of the data, like virtual panel meters. The units and channel label are set through the meter options (MeterOpt) menu.
6.2.2 Alarm Status
When the instrument is in an alarm state, the channel name background is displayed in red. When the channel name background is shown as off-white, the channel is in a non-alarm-state. If the process value goes over range the meter display will show “Oral”
6.2.3 Single Channel Display Screen (Operation Button)
By pressing the Operation button, you will enter the single channel display screen which will provide a graph and meter display of that single channel. You can also enter this screen by pressing on the channel label from the Panel Meter screen. Once in the single channel display screen, press the Set button to display a screen which will allow the high and low alarm values (HIAL, LOAL) , the process value offset (Scb) and the alarm hysteresis(HYS) to be set.
6.3 Real Time Trend Screen (Curve Button)
The Real Time Trend Screen provides a trend indication of all channels. Each channel is indicated by a different color trend. In addition to a trend display, this screen also shows a bar graph display and digital panel meter type display.
Channels may be hidden from view by pressing the colored number button( 1 )
The setting for the X and Y axis are made by pressing the CurveSet button.
6.4 Historical Trend Screen (History Button)
The Historical Trend Display screen may be entered by pressing the History button. This screen allows for viewing of the historical data in a line graph format.
To move forward in time, touch the Forward button. To move backward in time, press the Retreat button.
Channels may be hidden from view by pressing the colored number button (1 )
The configuration parameters of the Historical Trend Display screen may be set by pressing the HisSet button which will open a menu screen allowing the user to set the start time for the data, the y scale of the graph (process value) and the curve length time.
6.5 Tabular Historical Data View Screen (Datalist Button)
The tabular historical data view screen is entered by pressing the DataList button. This screen provides a historical view of the data in table format.
6.5.1 Setting the Data List View Time Interval
The date/time period for the data shown in this screen can be set by pressing the Time button. When the Time button is pressed a screen will appear allowing the start date/time and the end date/time to be set.
6.5.2 Data Export
The data in the Data List View may be saved to as an Excel compatible .csv file format. Insert the USB flash drive (one included with the recorder) into the USB slot on the rear of the recorder and press the Export button. A screen will appear asking you to confirm the export. Press the Enter button to save the data to data. It will be saved to a file named. Hisdaa.csv.
Please note; it may take a few minutes after the USB flash drive is inserted before it is recognized by the recorder.
6.6 Alarm Display Screen (AlarmList Button)
The Alarm Display screen is entered by pressing the AlarmList button. The Alarm Display Screen allows the user to view both real time and historical alarm data in a tabular form. When the Real button is displayed the real time alarm is displayed. The Alarm Display Screen shows the date and time of the alarm condition, the channel (Object) which triggered the alarm, the type of alarm which occurred, the value read after the alarm condition, the limit value which was set that triggered the alarm and the value read after the alarm was reset back to a non-alarm state.
Pressing the Real button will switch the display to the historical alarm data mode. Pressing the His. button will switch back to the real time alarm view.
Click NextPage button to scroll to the next page of data and click on the PrePage button to scroll the previous page of data
6.6.1 Export Alarm Data
To export the alarm data, insert a USB flash disk into the slot on the back of the recorder and click on the top Export button. A confirmation screen will appear. Press the Enter button to confirm and save the data. The currently displayed alarm table will be exported to the USB drive to an Excel compatible file named almdata.csv.
Please note; it may take a few minutes after the USB flash drive is inserted before it is recognized by the recorder.
6.7 Channel Configurations Screen (MeterOpt Button)
The channel configuration screen provides access to viewing and modifying the major setting related to the recorder operation. Upon entering the channel configuration screen all of configuration parameters for the current channel will be displayed. By pressing the PreCH and NextCH buttons the previous and next channels parameters may be viewed/modified.
Modifying the current channel parameters
Clicking on a parameter will bring up a menu that will allow the entry to be changed either by direct entry or from a selection of multiple choices. Once all the parameters have been changed press the DownLoad button to save the changes to the recorder.
CH Name: A label which is applied to the given channel.
Meter Type: Factory set identifier for the recorder.
Unit: Is a label for the units appearing in association with a given channel. This menu is fixed for some of the input modules.
Save Interval
This sets the logging interval. The minimum logging interval is 1 second. Although larger intervals may be entered, we recommend a maximum interval of 300s.
Reread Button
Restores the last settings saved to the recorder’s memory
DownLoad Button
Saves the current settings to the recorder’s memory
SetCode
Used to change the password.
SetTime
Used to set the real time clock.
Channel Parametesr
A summary of the channel parameters is given below. A more complete description is provided in the Appendix.. .
| Setting | Function |
| AF | Advanced Function (AF)* |
| ALP | Alarm Output Position Assignment |
| DF | Hysteresis Deadband |
| dIH | Upper Limit of the Scaled Input |
| dIL | Lower Limit of the Scaled Input |
| dIP | Decimal Point Position |
| dL | Digital Filtering Value |
| HIAL | High Alarm Limit Value |
| LOAL | Low Alarm Limit Value |
| nonc | Normally open / normally closed* |
| OPH | Output Current High Limit* |
| OPL | Output Current Low Limit* |
| OPn | Output Type |
| Sc | Offset Correction |
| Sn | Input Specification |
* This parameter is not active in the current configuration of the recorder.
Appendix
7.1 Channel Parameters
| Setting | Description |
| High Alarm Limit Value (HIAL) | High alarm value for the selected input channel (n). When the measured value is goes above the corresponding channel HIAL a high limit alarm is triggered. The alarm will stay active until the process value drops below the alarm limit less the hysteresis value (ie, HIAL- dF) |
| Low Alarm Limit Value (LOAL) | Low alarm value for the selected input channel(n). When the measured value drops below the corresponding channel LOAL a low limit alarm is triggered. The alarm will stay active until the process value rises above the alarm limit plus the hysteresis value (ie, LOAL+ dF) The alarm function should not be set to the limit value to avoid the alarm action. |
| Hysteresis Deadband (DF) | The hysteresis deadband is used to avoid rapid fluctuations of the alarm state condition caused by input values which hover around the limit alarm value. For a high limit alarm condition to reset the value must not only drop below the high limit alarm but below the high limit alarm minus the hysteresis deadband Low limit alarms will not reset until a process value goes above the low limit alarm plus the hysteresis deadband.. |
| Input Specification (Sn) | Allows the input type is set for each channel. The input types are specific to the input module installed: Thermocouples: K, S, R, T, E,J, B, N, WRe3-WRe25, WRe5-WRe26 IR Thermometer: F2 RTDs:Cu50, PT100, PT100*((- 100.00~+ 300.00 °C) Millivolt: 0-20mV, 0-75mV, 0-100mV Voltage: , 0-5V, 1-5V Milliamp: 0-20mA, 4-20mA Calculations: Square root of 4-20mA (J4 module), Square root of 1-5V(J3 module) |
| Decimal Point Position (dIP) | dIP is used to set the decimal point position. (1) For linear Input (eg. voltage): dIP = 0 => 0 dIP = 1 => 0.0 dIP = 2=> 0.00 dIP = 3=> 0.0 (2) For thermocouples or RTD input: dIP = 0 => 1 ℃. dIP = 1 => 0.1 ℃. NOTE: This setting is only valid for display, the measurement resolution is fixed at an internal value of 0.1 ℃, it does not affect communication or transmission output. When set to 0.1 ℃, the temperature measurements above 1000 ℃ will automatically switch to 1 ℃ resolution. |
| Lower Limit of the Scaled Input (DI) | This parameter applies to voltage and current inputs. It sets the upper limit of the input value so it may be scaled to engineering units |
| Upper Limit of the Scaled Input (dIH) | This parameter applies to voltage and current inputs. It sets the lower limit of the input value so it may be scaled to engineering units |
| Offset Correction (Sc) | Sc is an offset correction applies to the process value. It is most often use with temperature sensors to correct errors in the sensor |
| Digital Filtering Value (dL) | dL is the intensity setting for the digital filter. The value may be set from 0-40 where, 0 is no filtering and 40 is the maximum digital filter level. Increasing the digital filter will produce a more stable measurement reading but will also slow the response time. It is generally recommended to start with no filtering and increase the filtering as needed. |
| Alarm Output Position Assignment (ALP) | ALP assigns the physical outputs associated with the internal alarms generated by HIAL and LOAL. The value for ALP is a two-digit value where the least significant digit (units’ position) assigns the HIAL alarm and the most significant digit (tens position) assigns the LOAL.alarm. Valid values are 0, 3 and 5 where 0 is no alarm, 3 is the relay in slot ALM and 5 is the relay in slot AUX. A typical assignment is for the same relay to be used for both the high and low alarm condition resulting in a value of 33 or 55. If more than one channel is set to activate an output, the control of that output is determined by a logical OR of the alarms. That is if any channel goes into an alarm state, the output will be activated. |
| Advanced Function (AF) | Currently used for internal configuration. |
| Normally Open / Normally Closed Setting (nonc) | This parameter is not active in the current configuration of the recorder. |
| Output Type (OPn) | Sets the output configuration. Alarm output is the only valid setting for the recorder’s current configuration. |
| Output Current Low Limit (OPL) | This parameter is not active in the current configuration of the recorder. |
| Output Current High Limit (OPH) | This parameter is not active in the current configuration of the recorder. |
Warranty Terms
IOThrifty LLC (“IOThrifty”) warrants that for a period of one year following delivery, the IOThrifty products you have purchased will (a) perform in accordance with published specifications, and (b) will be free from defects in materials or workmanship. In the event an IOThrifty Product does not meet this warranty, subject to the conditions set forth in these terms and conditions, IOThrifty’s sole obligation will be, at its election, to repair or replace the product in question or to refund the purchase price.
IOThrifty MAKES NO OTHER WARRANTIES, EXPRESS OR IMPLIED, AND ALL IMPLIED WARRANTIES OF MERCHANTABILITY, NON-INFRINGEMENT AND FITNESS FOR A PARTICULAR PURPOSE ARE HEREBY DISCLAIMED. IN NO EVENT WILL IOTHRIFTY BE LIABLE FOR PUNITIVE, SPECIAL OR CONSEQUENTIAL DAMAGES, OR FOR AN AMOUNT IN EXCESS OF THE PURCHASE PRICE OF THE DEFECTIVE IOTHRIFTY PRODUCT OR PRODUCTS.
This warranty will not apply to any IOThrifty Products that have been (a) damaged by lightning, water, or power surges, (b) neglected, altered, abused, or used for a purpose other than the purpose for they were provided, (c) repaired by you or any other party without IOThrifty’s prior written authorization, (d) used in conjunction with a third
party product or products not approved in advance by IOThrifty, or (e) otherwise used in a manner inconsistent with any instructions provided by IOThrifty.
Return Procedures
To return an item first contact IOThrifty’s Customer Service Department to obtain an RMA number. Email: [email protected], Telephone: (860) 733-1117
Copyright
© Copyright 2018 IOThrifty LLC. All rights reserved. This document may not be copied, photocopied, reproduced, translated, or reduced to any electronic medium or machine-readable form, in whole or in part, without the prior written consent.















