VULCAN 00-913102-0176A Steamer Replacement Timer Kit

OBSOLETE
NOTE: You will receive either the Mallory or Precision Timer in the kit. Both timers work on all models. Timers are wired similarly with some differences.

| Part Number | Description | QTY |
| 00-856621-00001 | Mallory Timer | 1 (if applicable) |
| 00-858593-00001 | Precision Timer (Countertop Models) | 1 (if applicable) |
| 00-854693-00001 | Shaft, Rotary Seal | 1 |
| 00-856773-00001 | Knob, Timer | 1 |
| 00-833652 | Lubricant, Petro-Gel, 4 oz. | 1 |
WARNING
Disconnect the electrical power to the machine and follow lockout / tag out procedures.
- Remove Right side panel.
- Remove screws from bottom of panel.

- Pull bottom of panel out and slide down to clear top cover.
- Remove screws from bottom of panel.
- Note and disconnect timer wiring and remove old timer.
NOTICE:
Handle new timer with care not to touch cams or switch levers with hands or tools. Do not remove any jumper wires on the Precision brand timer. - Connect new timer wiring.
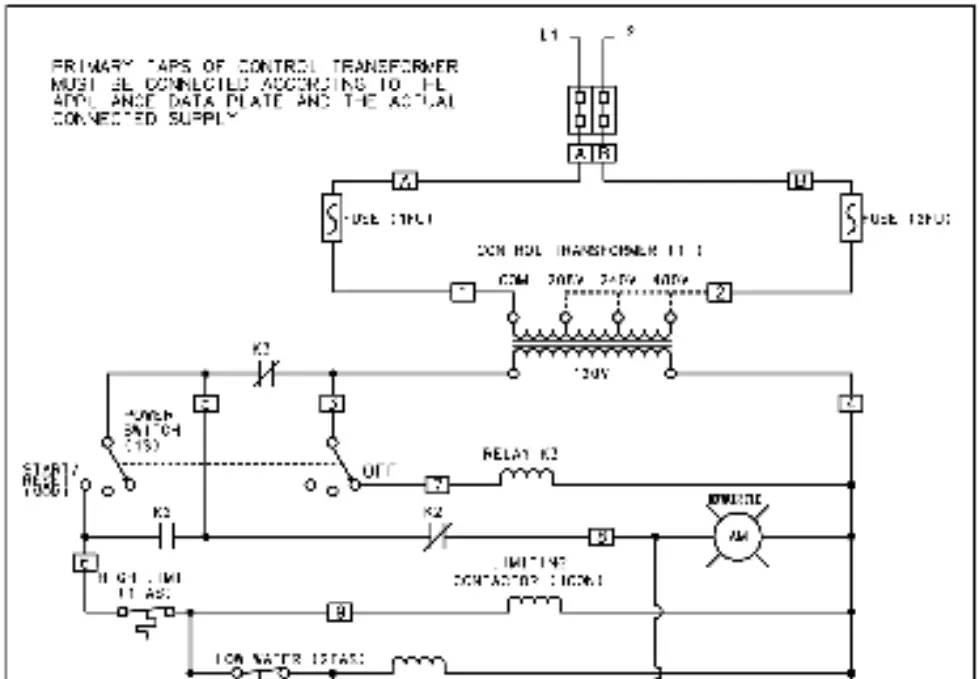
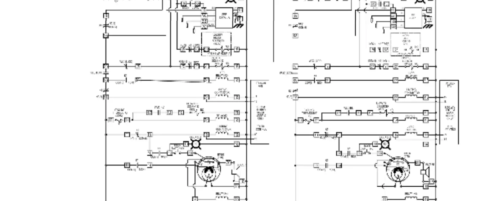
- MODELS C24EA6/10, OR C24GA6/10 – REFER TO: Fig. 3
NOTE: Upper and lower indicate to which compartment the timer is being installed.- Wire # 6 (RED) on Upper (1, Timer terminal 11)
- Wire # 9 (BLUE) on Lower (1, Timer terminal 11)
- Wire # 27 (WH) on Upper (2, Timer motor)
- Wire # 30 (WH) on Lower (2, Timer motor)
- Wire # 12 (BRN) on Upper (3, Timer terminal 14)
- Wire # 14 (BRN) on Lower (3, Timer terminal 14)
- Wire #15 (ORG) on Upper (4, Timer terminal 23)
- Wire #20 (YEL) on Lower (4, Timer terminal 23)
- Wire on timer terminal #21 should be taped off and insulated.
NOTE: Wire on terminal #21 is not used on the Precision Timer with exposed micro switches.
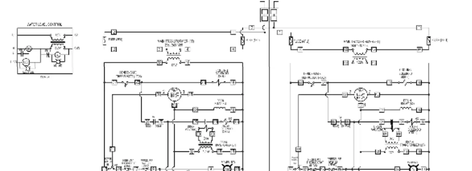
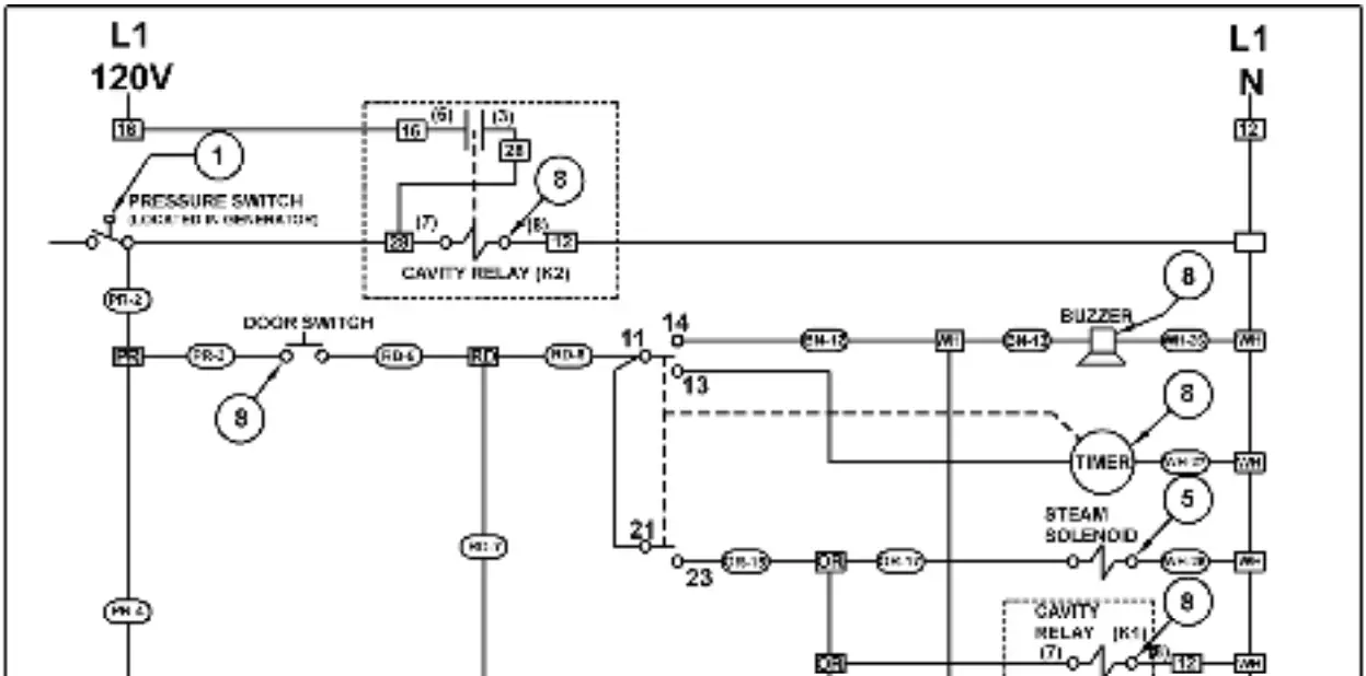
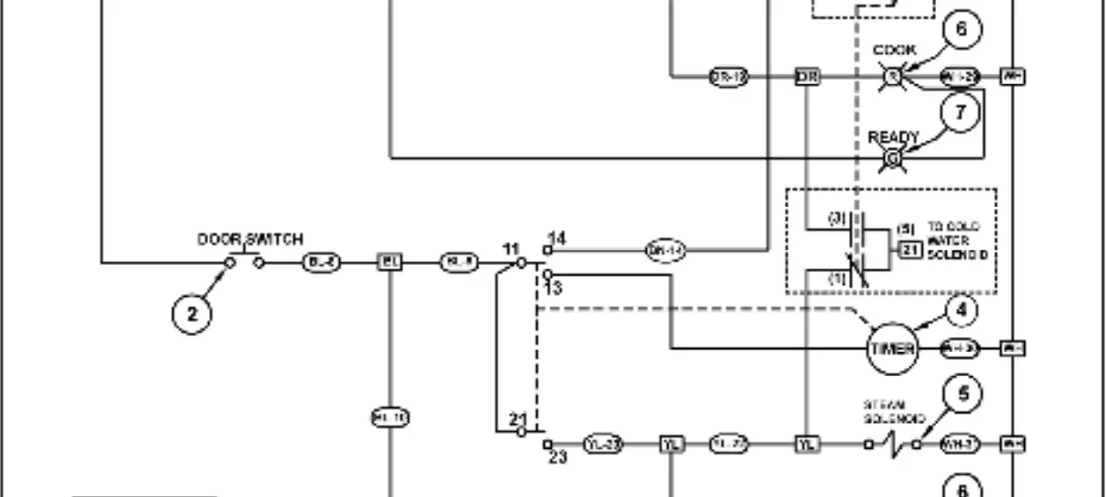
- MODELS C24EA3/5, HC24EA3/5, C24EO3/5, HC24EO3/5 – REFER TO: Fig. 4
- Wire # 14 (RED) (1, Timer terminal 11)
NOTE: PRO MODEL ONLY: Insulate one #14 terminal connection. PRO model requires only one terminal connection for #14. - Wire # 18 (2, Timer Motor)
- Wire # 20 (3, Timer terminal 14)
- Wire # 19 (4, Timer terminal 23)
- Wire on terminal #21 should be taped off and insulated.
NOTE: Wire on terminal #21 is not used on the Precision Timer with exposed micro switches.
- Wire # 14 (RED) (1, Timer terminal 11)
- MODELS C24EA6/10, OR C24GA6/10 – REFER TO: Fig. 3
- Verify the orientation nub on front face of timer engages the small hole on back side of steamer front panel.
- Secure shaft to steamer panel using new seal nut in kit.
NOTICE
Torque seal nut up to, but not over 15 in. lbs. - Install right side panel.
- Restore power to steamer.
- Check timer operation.
- Turn steamer on.
- Set timer on 5 minutes when steamer is ready to cook.
- Verify alarm sounds and cook light goes out simultaneously or near 0 minutes.
C24EO3/5 and HC24EO3/5


C24EA3/5, and HC24EA3/5 LWE MODELS


C24ET6/10 Pro & LWE MODELS


C24GA MODELS



C24DA MODELS






































