Daily Programming Clock Kit
Instruction Manual
Cod. 1.046610 – Rev. ST.005829/000
DAILY PROGRAMMING CLOCK KIT FOR RECIRCULATION PUMP CODE 3.015431
GENERAL WARNINGS
All Immergas products are protected with suitable transport packaging.
The material must be stored in a dry place protected from the weather.
This instruction manual provides technical information for installing the Immergas kit. As for the other issues related to kit installation (e.g. safety at the workplace, environmental protection, accident prevention), it is necessary to comply with the provisions specified in the regulations in force and with the principles of good practice.
Improper installation or assembly of the Immergas appliance and/or components, accessories, kits and devices can cause unexpected problems for people, animals and objects. read the instructions provided with the product carefully to ensure proper installation.
Installation and maintenance must be performed in compliance with the regulations in force, according to the manufacturer’s instructions, and by professionally qualified staff, meaning staff with specific technical skills in the plant sector, as envisioned by the law.
DESCRIPTION OF THE PRODUCT.
This kit, which can be paired with the recirculation pump, can be used to program the switch-on and switch-off of the pump at preset intervals, so as to immediately use hot water at the preset times and without unnecessary consumption.
INSTRUCTIONS FOR THE INSTALLER.
N.B.: the programming clock must be installed near the boiler in order to use the wiring pre-assembled on the terminal board and for convenience when programming the clock itself. The power supply cable must be connected to 230V ±10% / 50Hz mains, respecting L-N polarity and the earthing connection; this network must have a multi-pole circuit breaker that ensures a contact opening
distance of at least 3 mm Proceed as follows to assemble the Kit:
-Fasten the base of the clock by using the two plugs supplied with the kit.
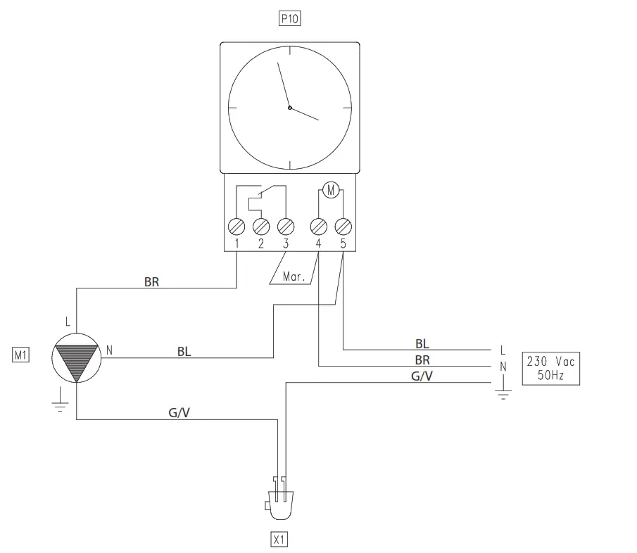
– Perform the electrical connections between the clock, the recirculation pump, and the electrical power supply as shown in the wiring diagram.
-Assemble the various parts that make up the kit as shown in the exploded drawing.
– The two cable glands supplied with the kit through which the electrical wiring is inserted must be fitted after the pre-sections break (see exploded drawing).
PROGRAMMING CLOCK ADJUSTMENT:
The programmer clock is equipped with mobile snap cams (2).
– Time adjustment: to synchronize the clock with the exact time, rotate the dial clockwise or anti-clockwise so that the time in which the operation is carried out matches the arrow (A) on the dial.
– Switch-on:
bring the cams outside to the desired switch-on period.
– Switch-off: Bring the cams inside to the desired switch-off period.
The switch (1) of the programmer clock allows the user to choose between three types of operation:
– POS. : clock exclusion.
– POS. I: operation in MANUAL MODE (programmer exclusion).
– POS. Auto: operation in AUTOMATIC MODE (based on the program set).

Legenda:
M1 – Circolatore Ricircolo
P10 – Programmatore giornaliero
X1 – Morsetto volante
Legenda colori cavi:
BR – Marrone
BL – Blu
G/V – Giallo/Verde
Key:
M1 – Recirculation Pump
P10 – Daily programmer
X1 – Loose clamp
Cable color key:
BR – Brown
BL – Blue
G/V – Yellow/Green

SMONTAGGIO CORPO OROLOGIO CLOCK BODY DISASSEMBLY

Cod. 1.046610
Rev. ST.005829/000

















