RAM Audio AS 1K5 DSP Power Pack ASYM Series
Module Assembly
Installation Requirements
For the installation of the ASYM module, you need an internal chamber inside the acoustic enclosure, separate from the chamber where the speaker is mounted. If preferred, the ASYM module can be supplied with a rear metal case for this purpose, avoiding having to make this space airtight.
The module is fixed to the enclosure with 8 M4 or M5 screws, sealing foam should be placed in the joint between the module and the box to avoid vibrations (it is not advisable to put foam in the joint between the module and the optional rear metal case).
In the drawings below you can see: (1) the external dimensions of the module (front/profile), (2) the optional rear metal case, and also (3) the recommended machining of the acoustic enclosure.
Connection and Description
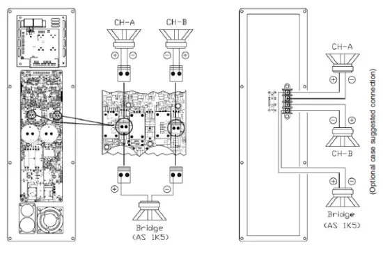
Speakers Connection
The connection of the speakers to the module is done using two JST VHR-2N connectors provided. A cable should be crimped to the terminals (1.25mm2 section maximum) and placed on the connector box, so that the metallic tab fits into place.
The connection is as follows: 
front Panel Description
- Signal Input: Female XLR Connector for signal input.
- Signal Link: Male XLR Connector for the signal link.
- Ethernet Connectors: RJ45, two ports Ethernet switch.
- USB Connector: B type USB connection.
- LED ON: power supply ON. Blinking indicates StandBy mode. LED SIGNAL: input signal presence indication.
LED LIMIT: lights when the DSP limiters are working.
LED CLIP: the maximum input or output has been reached. - Quick Preset: press the button for 3 seconds to change the desired output preset.
ON: press the SET1 button for 2s to turn on (in StandBy mode). LEVEL: push SET 3-4 buttons simultaneously to enter LEVEL mode (both LEDs light up).
Then use 3 and 4 to change the level. - Mains connection: inlet and outlet powerCON True1 connection. It works also as a main switch, as it is a connector with breaking capacity.
Technical Specifications
DSP Specifications
Overall:
- High performance 96kHz 120dB 32 bits AD/DA converters
- 64 bit double-precision 96kHz DSP process
- 0.6ms minimum process latency time
- Up to 2700 taps custom FIR process
Input Section:
- Gain, Mute and Phase inversion
- Input Delay: 0 to 130 meters
- Input EQ: 10 PEQ (Parametric, Shelving, LP, HP, BP, SB, AP)
Output Section:
- Crossover Filters: FIR and IIR (up to 48dB/oct, Butterworth /Linkwitz-Riley / Bessel)
- Output Delay: 0 to 18 meters (52ms) per channel
- Output IIR EQ: 12 filters per channel (Parametric, Shelving, LP, HP, BP, SB, AP)
- Output FIR EQ: 20 filters per channel (Parametric, Shelving, LP, HP, BP, SB, AP), or Custom up to 2700 taps
- RMS and Peak limiter per channel
RAM_OCS Control
Control & Monitor:
- Standby mode for remote turn-on
- Real-time impedance monitor
- Stay., Signal, Lim, Clip, Temp, and Prot monitor
- Input, Output, Temperature and Current meters
Communications:
- Two ports Ethernet switch for daisy chain connection
- USB 2.0, Type B connector
Overall:
- 20 Manufacturer preset memories library
- 5 User preset memories library
- 4 Quick Preset selection
- Manufacturer/Installer/User passwords
- Independent selectable output power per channel (Z dependant)
- User control groups for virtual Equalization, Gain and Delay
- Zone management for library, stand-by and alerts information
- Smaart® analysis software integration
Amplifier Specifications
| (Selectable | by | channel) | CH-A | CH-B | CH-A | CH-B | ||
| 8 ohm | 1500W | 400W | 400W | 400W | ||||
| 4 ohm | 1500W | 750W | 750W | 750W | ||||
| 2 ohm | 750W | 750W | 750W | 750W | ||||
| Bridge 8 ohm | – | 1500W | ||||||
| Bridge 4 ohm | – | 1500W | ||||||
| Total Harmonic Distortion | <0.05% | <0.05% | ||||||
| Efficiency | >90% | >90% | ||||||
| Damping Factor (20-500Hz @8Ω) | >400 | >400 | ||||||
| Voltage Gain | 26dB-38dB | 26dB-38dB | ||||||
| Operational Mains voltage | 85-265V AC/50-60Hz | 85-265V AC/50-60Hz | ||||||
| Consum. @4Ω, 1/8 r.p., 230V AC | 1.7 A | 1.2 A | ||||||
| Power Factor | >0.95 | >0.95 | ||||||
| Efficiency | >90% | >90% | ||||||
| Dimensions | ||||||||
| External Plate WxH | 130×443 mm | 130×443 mm | ||||||
| Internal Enclosure WxHxD | 100x423x55 mm | 100x423x55 mm | ||||||
| Occupied Volume (optional case) | 2 l | 2 l | ||||||
| Weight | 1.5 kg | 1.5 kg | ||||||
The exclamation point inside an equilateral triangle indicates the existence of internal components whose substitution may affect safety.
The lightning and arrowhead symbol warns about the presence of uninsulated dangerous voltage.
CAUTION
To avoid fire or electrocution risk do not expose the unit to rain or moisture. To avoid electric shock, do not open the unit. No user-serviceable parts inside. In the case of disfunction, have the unit checked by qualified agents? Class I devise.
©2018 by C.E. Studio-2 s.l. – Pol.Ind. La Figuera – C/Rosa Luxemburgo nº34 – 46970 Alaquas – Valencia – SPAIN
Phone:+34 96 127 30 54 Fax:+34 96 127 30 56 – http://ramaudio.com – e-mail: [email protected]
RAM Audio®, ICL™, PMS™, and PowerPack™ are registered trademarks of C.E. Studio-2 s.l. All other names are trademarks of their respective companies.





















