
Ethernet shield for Arduino®
KA04
ILLUSTRATED ASSEMBLY MANUAL HKA04IP’1
WPK04 Expansion Board
Configure your Arduino™ as a simple web server or let it get data from the worldwide web.
Features
- For use with Arduino Uno™, Arduino Mega™
- Based on Microchip ENC28J60
- IEEE 802.3 compatible Ethernet controller
- Integrated MAC & 10BASE-T PHY
- SPI interface
- With RJ45 connector
Specifications
- Max. clock speed: 20MHz
- Transmit/receive buffer: 8kB
- Dimensions: 68 x 53mm / 2.67 x 2.08”
http://www.velleman.eu/newsletter/
http://forum.velleman.eu/![]()
Assembly
(Skipping this can lead to troubles ! )
Ok, so we have your attention. These hints will help you to make this project successful. Read them carefully.

1.1 Make sure you have the right tools:
- A good quality soldering iron (25-40W) with a small tip.
- Wipe it often on a wet sponge or cloth, to keep it clean; then apply solder to the tip, to give it a wet look. This is called ‘thinning’ and will protect the tip, and enables you to make good connections. When solder rolls off the tip, it needs cleaning.

- Thin raisin-core solder. Do not use any flux or grease.
- A diagonal cutter to trim excess wires. To avoid injury when cutting excess leads, hold the lead so they cannot fly towards the eyes.

- Needle nose pliers, for bending leads, or to hold components in place.
- Small blade and Phillips screwdrivers. A basic range is fine.

For some projects, a basic multi-meter is required, or might be handy
1.2 Assembly Hints :
- Make sure the skill level matches your experience, to avoid disappointments.
- Follow the instructions carefully. Read and understand the entire step before you perform each operation.
- Perform the assembly in the correct order as stated in this manual
- Position all parts on the PCB (Printed Circuit Board) as shown on the drawings.
- Values on the circuit diagram are subject to changes, the values in this assembly guide are correct*
- Use the check-boxes to mark your progress.
- Please read the included information on safety and customer service
* Typographical inaccuracies excluded. Always look for possible last minute manual updates, indicated as ‘NOTE’ on a separate leaflet.
1.3 Soldering Hints :
- Mount the component against the PCB surface and carefully solder the leads

- Make sure the solder joints are cone-shaped and shiny

- Trim excess leads as close as possible to the solder joint


DO NOT BLINDLY FOLLOW THE ORDER OF THE COMPONENTS ONTO THE TAPE. ALWAYS CHECK THEIR VALUE ON THE PARTS LIST!
CONSTRUCTION
- Resistors

- Ceramic capacitors

- Crystal

- Push button

- Voltage regulator

- IC socket
Watch the position of the notch! - Female header


- Electrolytic capacitors

- LAN connector

- IC

CONNECTION DIAGRAM

DOWNLOAD SAMPLE CODE FROM KA04 PAGE ON WWW.VELLEMAN.BE
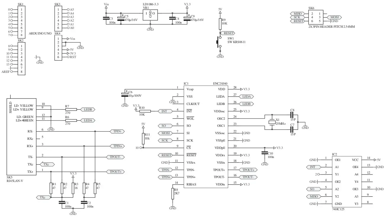
Schematic diagram

PCB

Leds and how to use them
Leds feature a specific voltage drop, depending on type and colour. Check the datasheet for exact voltage drop and rated current !


Never connect leds in parallel

How to Calculate the series resistor:
Example: operate a red led (1.7V) on a 9Vdc source.
Required led current for full brightness: 5mA (this can be found in the datasheet of the led)

LEDs in series:
Example: 3 x red led (1.7V) on 9V battery
Required led current for full brightness: 5mA
(this can be found in the datasheet of the led)

Open collector outputs
An open collector output can be compared to a switch which switches to ground when operated

Example: How to switch an LED by means of an open collector output

The new Velleman Projects catalogue is now available. Download your copy here: www.vellemanprojects.eu


Modifications and typographical errors reserved –
© Velleman nv. HKA04’IP (Rev.1)
Velleman NV, Legen Heirweg 33 – 9890 Gavere.











Watch the position of the notch!






















