AGROWTEK DXV4 DC Output Module

AGROWtEK is a technology that is designed to help you grow. The DX series modules are specifically designed for DIN rail mounting in electrical control cabinets. It is important to note that the modules should be enclosed due to the exposed terminal design. In the event that DIN rail is not available, brackets include mounting holes for surface mounting.
Quick Start Guide
DXV4
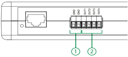
The DXV4 has several terminals that are important to note:
- Common DC ground terminals for connections
- GND
- GND
- Sinking/Sourcing DC outputs for driving lighting dimming controls and other equipment with a 0-10Vdc analog control signal. Each channel is capable of driving up to 50 light fixtures (50mA max. per channel.)
- OUT1
- OUT2
- OUT3
- OUT4
Connections
It is important to follow the instructions for making connections:
- Connect ballast negative (-) dimming lead to GND.
- Connect ballast positive (+) dimming lead to one of the four output channels (OUT1 – OUT 4.) Typical connections for most industry standard fixtures are shown in the diagrams below.
When making connections, it is important to perform them with power disconnected from fixtures and with the RJ-45 connection removed. If using a 6-wire cable, do not use outer wires.
RJ-11, RJ-12
Ballasts that use RJ12 or similar phone cord modular jack connections have a standard pin-out using the center to pins as DC- (GND) and the two pins outside of the center pins as DC+ (0-10V).
Gavita RJ-45
Gavita ballasts that use RJ45 connections have the same standard pin-out as RJ-12/14 connectors utilizing the center four pin connections. Always confirm wiring and polarity are correct according to the fixture manufacturer’s documentation. Be sure to set the light fixtures into their external dimming configuration (see operation manual.)
Mounting the Module
DX series modules are designed for DIN rail mounting in electrical control cabinets and should be enclosed due to the exposed terminal design. If DIN rail is not available, brackets include mounting holes for surface mounting.
Terminals
- Common DC ground terminals for connections.
- Sinking/Sourcing DC outputs for driving lighting dim-ming controls and other equipment with a 0-10Vdc analog control signal. Each channel is capable of driving up to 50 light fixtures (50mA max. per channel.)

Connections
- Connect ballast negative (-) dimming lead to GND.
- Connect ballast positive (+) dimming lead to one of the four output channels (OUT1 – OUT 4.) Typical connections for most industry standard fixtures are shown in the diagrams below.
NOTICE: Perform connections with power disconnected from fixtures and with the RJ-45 connection removed.

RJ-11, RJ-12
If 6-wire cable, do not use outer wires.
Shown wired to output channel #2.
0-10V RJ-12
Ballasts that use RJ12 or similar “phone” cord modular jack connections have a standard pin-out using the center to pins as DC- (GND) and the two pins outside of the center pins as DC+ (0-10V).
RJ-45
Shown wired to output channel #3.
Gavita RJ-45
Gavita ballasts that use RJ45 connections have the same standard pin-out as RJ-12/14 connectors utilizing the center four pin connections.
WARNING: Always confirm wiring and polarity are correct according to the fixture manufacturer’s documentation.
NOTE: Be sure to set the light fixtures into their external dimming configuration (see operation manual.)
© Agrowtek Inc© A. | wgrowwwt.agek Irowtncek. | w.cwom | wT.agrowtechnologytek.como Help You Grow™



















