DMP LT-0585 708 Bus Extender Modules

DESCRIPTION

Model 708 Bus Extender Modules allow you to increase the length of LX‑Bus or Keypad Bus wiring to a maximum of 4,000 ft while providing immunity to wire noise.
Use 708 Modules in applications such as long wire runs, noisy environments, or where the bus run is bundled with other wires, such as telephone company wire.
The included pair of 708 modules connect between the panel and LX‑Bus or Keypad Bus devices.
These modules are referred to as the Panel Module and Devices Module respectively.
Compatibility
- All DMP XT and XR Series panels
- All DMP LX‑Bus and Keypad Bus devices
What is Included?
- One pair of 708 Bus ExtenderModules in Universal Housings
- Hardware pack
MOUNT THE MODULES
The 708 comes in a high‑impact plastic housing that you can mount directly to a wall, backboard, or other flat surface. For easy installation, the back of the housing contains multiple holes that allow you to mount the module on a single‑gang switch box or ring. The module can also be mounted in a DMP enclosure using the standard 3‑hole mounting pattern. Refer to Figure 2 and Figure 3 as needed during installation.
- Hold the plastic standoffs against the inside of the enclosure side wall.
- Insert the included Phillips head screws from the outside of the enclosure into the standoffs. Tighten the screws.
- Carefully snap the module onto the standoffs.


WIRE THE PANEL MODULE
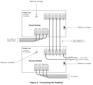
Use 18 to 22 AWG wire to connect the Panel Module directly to the Keypad Bus or use a dual‑ended 4‑wire harness to connect directly to the LX‑Bus. This connection allows the module to communicate with the panel and receive 12 VDC power. For more information about wiring, refer to Wiring Specifications. Refer to Figure 4 and Figure 5 when wiring the module.
Caution: To avoid potential equipment damage from lightning strikes, do not run LX‑Bus, Keypad Bus, or 708 bus wires underground.
Connect to the LX‑Bus
At the Panel Module, connect wires to the RED, YEL, GRN, and BLK terminals. Connect the red, yellow, green, and black wires to the corresponding 4‑wire harness leads. Connect the other end of the harness to the LX‑Bus header.
Connect to the Keypad Bus
At the Panel Module, connect wires to the RED, YEL, GRN, and BLK terminals. Connect the red, yellow, green, and black wires to panel Terminal 7, 8, 9, and 10 respectively
CONNECT THE MODULES
Use 18‑24 AWG straight, shielded, or twisted pair wire. Maximum wiring distance between the two modules is 4,000 ft. Connect Terminal 2, 3, 4, and 5 from the Panel Module to the corresponding terminals on the Devices Module. For more information, refer to Figure 4.
Note: The connection between the two modules is for data transfer only. Do not connect any devices or power sources between the two modules.
WIRE THE DEVICES MODULE
Observe polarity and connect a 12 VDC power supply, such as a Model 505‑12, to Terminal 1 (positive) and Terminal 6 (negative). Connect RED, YEL, GRN, and BLK Terminals from the Devices Module to devices compatible with LX‑Bus or Keypad Bus connections. Refer to the appropriate module installation guide as needed. For more information, refer to Figure 4 and Figure 5.
Note: The modules should be powered by a 24-hour power source that cannot be interrupted by a sensor reset. It is not necessary to wire the negative power supply wire in common with the panel Terminal 10 (black) wire.


ADDITIONAL INFORMATION
Wiring Specifications
DMP recommends using 18 or 22 AWG for all LX-Bus and Keypad Bus connections. The maximum wire distance between any module and the DMP Keypad Bus or LX-Bus circuit is 1,000 feet. To increase the wiring distance, install an auxiliary power supply, such as a DMP Model 505-12. Maximum voltage drop between a panel or auxiliary power supply and any device is 2.0 VDC. If the voltage at any device is less than the required level, add an auxiliary power supply at the end of the circuit.
To maintain auxiliary power integrity when using 22-gauge wire on Keypad Bus circuits, do not exceed 500 feet. When using 18-gauge wire, do not exceed 1,000 feet. Maximum distance for any bus circuit is 2,500 feet regardless of wire gauge. Each 2,500 foot bus circuit supports a maximum of 40 LX-Bus devices.
For additional information refer to the LX-Bus/Keypad Bus Wiring Application Note (LT-2031) and the 710 Bus Splitter/ Repeater Module Installation Guide (LT-0310).
Balance the 708 Buses
Each 708 has two balance jumpers that ensure communication is balanced between the two modules. Refer to Figure 4 for balance jumper locations. Before changing module jumper settings, test the LXBus or Keypad Bus to ensure proper system communication.
For a Panel Module connected to the LXBus, run the Diagnostics LXBus test to verify communication. For more information about testing the LXBus, refer to the Diagnostics Function section in the appropriate panel programming guide.
For a Panel Module connected to the Keypad Bus, ensure other Keypad Bus devices are working properly and check all Panel Module wiring connections.
If test results indicate faulty 708 communication, change the jumper settings as follows.
Install the jumper across the W1 header on the Panel Module, then install the jumper across the W3 header on the Devices Module. If communication is still faulty, remove all four jumpers from the 708 modules.
Factory Jumper Settings
The 708 modules come installed from the factory with the jumper across the W2 header on the Panel Module and across the W4 header on the Devices Module. Jumpers are not installed across the W1 header on the Panel Module or the W3 header on the Devices Module.
708 BUS EXTENDER MODULES
Specifications
| Operating Voltage | 12 VDC |
| Operating Current Device 708 Panel 708 | 10 mA 10 mA |
| Dimensions | 4.50” W x 2.75” H x 1.75” D 11.43 cm W x 6.99 cm H x 4.45 cm D |
| Maximum Distance | 4,000 ft between the two modules |
Compatibility

All DMP XT and XR Series panels
All DMP LX-Bus and Keypad Bus devices
Designed, engineered, and manufactured in Springfield, MO using U.S. and global components.
LT-0585 20271
INTRUSION • FIRE • ACCESS • NETWORKS
2500 North Partnership Boulevard
Springfield, Missouri 65803-8877
800.641.4282 | DMP.com




















