Hoffman A7230SOF19 Swing Out Rack Mounting Frames

Product Information
The Mounting Accessories Rack-Mount accessories are designed to provide additional functionality and convenience for rack-mount installations. These accessories include chassis guides, slides, fan speed control, joining kits, panel adapters, rack unit labels, mobile bases, and swing-out rack mounting frames.
Chassis Guides
The chassis guides are made of 14 gauge steel and mount between two pairs of rack-mounting angles that have accessory mounting legs. They provide support and stability for equipment installed in the rack. The guides and mounting hardware are plated for durability.
Slides
The slides are available in three different lengths: 15.00 inches (381.0 mm), 21.00 inches (533.4 mm), and 26.00 inches (660.4 mm). They are designed to fit one rack unit and provide easy access to equipment for maintenance or installation.
Fan Speed Control
The rack-mount fan speed control allows manual adjustment of fan speed. It is UL 508A Listed and cUL Listed per CSA C22.2 No. 14 industry standards. The control housing is made of light-gray polycarbonate or RAL 9005 black polyester powder paint.
- Application: Fan speed adjustment
- Voltage and Frequency: 120V, 60 Hz
- Current Draw: 4A max.
- Temperature Settings (C): Continuously variable
- Temperature Settings (F): Continuously variable
Joining Kit
The joining kit is made of steel with a plated finish and is used to join two open-frame racks together. It provides stability and strength to the rack system.
Panel Adapter
The panel adapter is used to adapt a 23-inch open-frame rack to accept 19-inch equipment. It provides a flush mounting surface and is made of steel with a plated finish.
Rack Unit Label
The rack unit label is a self-adhesive clear Mylar label with white numbers. It enables numbering along the sides of open frame racks or rack angles. The numbers are spaced one rack unit apart, allowing for easy equipment installation. Each label is provided in two pieces (numbers 1-29 and 30-58) for easier installation.
Mobile Base
The mobile base is designed for 19-inch 2- and 4-post open frame racks. It includes four non-locking casters and can also accept standard levelers. The base provides greater stability with mobility and is made of steel with a RAL 9005 black polyester powder paint finish.
- Catalog Number A19MB600: Fits 2-post open-frame racks
- Catalog Number A19MB1000: Fits 4-post open-frame racks with depth adjustable between 17.7 and 29.5 inches (450 and 750 mm) in 0.98-inch (25 mm) increments
Swing-out Rack Mounting Frames
The swing-out rack mounting frames are designed to fit specific enclosure sizes. They provide easy access to equipment and allow for efficient installation and maintenance.
- Catalog Number A7230SOF19: Fits enclosure size 72.06 x 30.06 inches (1830 x 764 mm)
- Catalog Number A7236SOF19: Fits enclosure size 72.06 x 36.06 inches (1830 x 916 mm)
- Catalog Number A9036SOF19: Fits enclosure size 90.06 x 36.06 inches (2287 x 916 mm)
Product Usage Instructions
To use the Mounting Accessories Rack-Mount accessories:
- Ensure that you have the appropriate rack-mounting angles with accessory mounting legs installed in your rack system.
- For chassis guides, mount them between two pairs of rack-mounting angles using the provided hardware.
- For slides, install them into the rack system to allow for easy equipment access. Choose the appropriate slide length based on your requirements.
- For fan speed control, connect it to the power source and adjust the fan speed manually as needed.
- If you need to join two open-frame racks, use the joining kit and follow the provided instructions for installation.
- To adapt a 23-inch open-frame rack to accept 19-inch equipment, use the panel adapter and ensure a flush mounting surface.
- For rack unit labeling, peel off the self-adhesive clear Mylar label and apply it along the sides of open frame racks or rack angles. Use the provided numbers to number the rack units.
- If using the mobile base, attach it to the bottom of the open-frame rack using the provided mounting hardware. Ensure that the casters are securely attached and adjust the levelers if necessary.
- For swing-out rack mounting frames, select the appropriate frame size based on your enclosure size and install it according to the provided instructions.
For more detailed instructions or specific information, refer to the user manual or contact the manufacturer.
guides

14 gauge steel chassis guides mount between two pairs of rack-mounting angles that have accessory mounting legs. Guides and mounting hardware are plated. (XSFG mount on one pair of Type RA rack-mounting angles that have accessory mounting legs.)
Bulletin: p20
slides

Heavy-duty ball bearing, plated, three-section Slides are 16-in. (406-mm) long and allow 17-in. (423-mm) extension. They are attached to supports that mount between two pairs of rack-mounting angles that have accessory mounting legs. Mounting hardware is furnished. Equipment 16.75-in. (425-mm) wide can be mounted between Slide assemblies installed on 19-in. rack angles. A pair of Slides can support up to 160 lb. (73 kg) at the extended position when load is distributed evenly along the 16-in. (406-mm) Slide length. Requires Rack Angle Adapter Bracket to fit PROLINE. Needs to be used with the Rack Angle Adapter Bracket (PBRAA, PBRAA19 or PBRAA24).
Bulletin: p20




Fan speed control, rack-Mount

industry standards
UL 508A Listed; File No. E249700
cUL Listed per CSA C22.2 No. 14; File No. E249700
Application
These Hoffman Fan Speed Controls provide a means to optimize airflow in a cabinet or rack, balancing air volume requirements with noise level and power use. The AFANTSC Panel Mount Fan Speed Control adjusts fan speed automatically based on remote temperature sensor inputs. The A19FANSC 19-in. Rack-Mount Fan Speed Control allows manual control over fan speed. Both units are designed to work with Hoffman 3-, 6- and 10-in. Compact Cooling Fans and with 19-in. fan trays, as well as door- and top-mount fan trays. These fan speed controls are ideal for offices, classrooms and other acoustic noise-sensitive areas.
specification
- Continuously variable fan speed control knob with minimum speed adjustment
- Uses 1 RU rack space
- Steel construction
- Two NEMA 5-15R outlets provide power to fan
- Six-foot (1.83-m) power cord plugs into standard 120V 60 Hz outlet
Finish
AFANTSC: Light-gray polycarbonate control housing A19FANSC: RAL 9005 black polyester powder paint
Bulletin: DtHRM

Joining kit
Hardware kit to join two open-frame racks. Made of steel with plated finish.
Bulletin: DOFRY


panels Adapter
Adapts 23-in. open frame rack to accept 19-in. equipment. Offset provides flush mounting surface. Steel with plated finish. Furnished in pairs.
Bulletin: Dace


racks unit label

Mobile base For open Frame racks

Models for 19-in. 2- and 4-Post Open Frame Racks. Includes four non-locking casters. Will also accept standard levelers. Order catalog number PMBLM12 separately. The rack mounts on the base to provide greater stability with mobility. Made of steel with RAL 9005 black polyester powder paint finish. Mounting hardware included.
Bulletin: DOFRY

swing-out rack Mounting Frames

Self-adhesive clear Mylar label with white numbers enables numbering along sides of open frame racks or rack angles. Numbers spaced one rack unit apart. Can be used for bottom-
up or top-down numbering of rack units to simplify equipment installation. Each label provided in two pieces (numbers 1-29 and 30-58) for easier installation. Two labels per catalog number. Label shown mounted on rack angle.
Mylar is a registered trademark of DuPont Tejin Films.
Bulletin: DOFRY


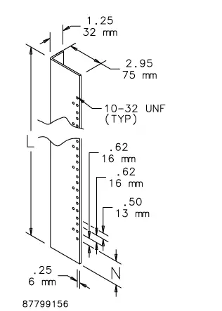
Full-length 10 gauge swing-out rack mounting frames are available for mounting 19-in. (483-mm) rack mounting equipment. The frame pivots within the enclosure to allow access to the back of the mounted equipment. The frames can be installed in 72.00-in.
(1829-mm) and 90.00-in. (2286-mm) high enclosures that are 30.00-in. (762-mm) or 36.00-in. (914-mm) wide. They can be installed in 60.00-in. (1524-mm) or 72.00-in. (1829-mm) wide enclosures if a center panel support is used. Mounting holes are tapped with #10-32 threads spaced per EIA standard. The design features smooth operation and secure positioning anywhere along the horizontal mounting channels. Frame swings from the left side.
All frames are white and furnished with plated mounting hardware.
Bulletin: A80


rack Mounting Angles – u style (type rA)
For Free-Stand Enclosures, Type 12 (Bulletin A30), Free-Stand Enclosures, Type 4 (Bulletin A4L) and One-Door Free-Stand Fiberglass Enclosures, Type 4X (Bulletin A17).
Pairs of full-length rack mounting angles are available for mounting 19-in. (483-mm) and 24-in. (610-mm) rack-mounted equipment. Type RA rack mounting angles are 14 gauge steel with mounting holes .281 in. (7 mm) in diameter and spaced per EIA standard RS-310-D universal spacing. Use clip nut package AN1032 to provide tapped holes at desired locations.
Angles and mounting hardware are plated. All mounting hardware is furnished. Includes two full-length angles.
Bulletin: A80


One unit equals 1.75 inches (44 mm).


rack Mounting Angles – l style (tYpe rp)

For Free-Stand Enclosures, Type 12 (Bulletin A30), Free-Stand Enclosures, Type 4 (Bulleting A4L) and One-Door Free-Stand Fiberglass Enclosures, Type 4X (Bulletin A17). Pairs of full-length or half-length rack mounting angles are available for mounting 19-in. (483-mm) and 24-in. (610-mm) rack-mounted equipment. Type RP rack mounting angles are 10 gauge steel with mounting holes tapped #10-32 thread and spaced per EIA standard RS-310-D universal spacing. Angles and mounting hardware are plated. All mounting hardware is furnished.
Bulletin: A80
One unit equals 1.75 inches (44 mm).




rack Mounting Angle kit – l style

Designed for mounting 19-in. (483-mm) rack-mount equipment in standard 24-in. (610-mm) wide one-door, wall-mount Type 4 and 12 enclosures. Heavy 10 gauge steel angles are tapped with #10-32 threads spaced to meet EIA RS-310-D. To install, drill small holes in the sides of the enclosure and bolt angles in place.
All mounting hardware and instructions are furnished. Sealing washers also are provided to maintain original enclosure standards rating after installation. Rack angles are zinc-plated. External screws are stainless steel. Special sizes, materials and finishes are available on custom order.
Bulletin: A80
One unit equals 1.75 inches (44 mm).


19-in. And 23-in. rAck Angles

Made of 14 gauge steel with square holes or 12 gauge steel with 10-32 tapped holes. Provides 19- or 23-in. rack spacing depending on frame width. Finished with flat black RAL 9005 polyester powder paint or plated. Furnished in pairs.
Bulletin: DncY


nVent.com/HOFFMAN
PH 763.422.2211
Spec-00500 H

















