Wilo Drain TM 32 Industrial Super Pump
About this document
Safety
These operating instructions contain basic information which must be adhered to during installation, operation, and maintenance. For this reason, these operating instructions must, without fail, be read by the service technician and the responsible specialist/operator before installation and commissioning.
It is not only the general safety instructions listed under the main point “safety” that must be adhered to but also the special safety instructions with danger symbols included under the following main points.
Personnel qualifications
The installation, operating, and maintenance personnel must have the appropriate qualifications for this work. Area of responsibility, terms of reference and monitoring of the personnel are to be ensured by the operator. If the personnel are not in possession of the necessary knowledge, they are to be trained and instructed. This can be accomplished if necessary by the manufacturer of the product at the request of the operator.
The danger in the event of non-observance of the safety instructions
Non-observance of the safety instructions can result in a risk of injury to persons and damage to the environment and the product/unit. Nonobservance of the safety instructions results in the loss of any claims to damages.
In detail, non-observance can, for example, result in the following risks
- Danger to persons from electrical, mechanical, and bacteriological influences,
- Damage to the environment due to leakage of hazardous materials.
- Property damage
- Failure of important product/unit functions
- Failure of required maintenance and repair procedures
Safety consciousness on the job
The safety instructions included in this installation and operating instructions, the existing national regulations for accident prevention together with any internal working, operating and safety regula-tions of the operator are to be complied with.
Safety instructions for the operator
This appliance can be used by children aged 8 years and above and persons with reduced physical, sensory or mental capabilities or lack of experience and knowledge if they have been given supervision or instruction concerning use of the appliance in a safe way and understand the hazards involved. Children shall not play with the appliance. Cleaning and user maintenance shall not be made by children without supervision.
- If hot or cold components on the product/the unit lead to hazards, local measures must be taken to guard them against touching.
- Guards protecting against touching moving components (such as the coupling) must not be removed whilst the product is in operation.
- Leakages (e.g. from the shaft seals) of hazardous fluids (which are explosive, toxic or hot) must be led away so that no danger to persons or to the envi-ronment arises. National statutory provisions are to be complied with.
- Highly flammable materials are always to be kept at a safe distance from the product.
- Danger from electrical current must be eliminated. Local directives or general directives [e.g. IEC, VDE etc.] and local power supply companies must be adhered to.
Safety instructions for installation and maintenance work
The operator must ensure that all installation and maintenance work is carried out by authorized and qualified personnel, who are sufficiently informed from their own detailed study of the operating instructions.
Work on the product/unit must only be carried out when at a standstill. It is mandatory that the procedure described in the installation and operating instructions for shutting down the product/unit be complied with.
Immediately on the conclusion of the work, all safety and protective devices must be put back in position and/or recommissioned.
Unauthorized modification and manufacture of spare parts
Unauthorized modification and manufacture of spare parts will impair the safety of the product/personnel and will make void the manufacturer’s declarations regarding safety.
Modifications to the product are only permissible after consultation with the manufacturer. Original spare parts and accessories authorized by the manufacturer ensure safety. The use of other parts will absolve us of liability for consequential events.
Improper use
The operating safety of the supplied product is only guaranteed for conventional use in accordance with Section 4 of the operating instructions. The limit values must on no account fall under or exceed those specified in the catalog/datasheet.
General
See start of the document.
Safety
See start of the document.
Transport and interim storage
As soon as the product arrives:
- Check the product for damage in transit,
- In the case of transport damage, initiate the necessary procedures with the forwarding agent within the time stipulated.
CAUTION! The danger of property damage! Incorrect transport and incorrect intermediate storage can lead to product damage.
- The pump may only be suspended/carried by the strap provided for transport purposes. The cable should never be used for lifting!
- The pump must be protected against moisture, frost and mechanical damage when transported and stored.
Intended use
The Drain TM series drainage and submersible wastewater pumps are used.
- for the automatic drainage of pits and shafts, for keeping dry yard areas and basement rooms exposed to flooding,
- for lowering surface water, if the waste water is not able to flow off into the sewer system through natural fall.
- The pumps are suitable for pumping slightly contaminated water, rainwater, drainage water and washing water.
- TMR pumps versions are intended for pumping down to 2 mm suction level from the floor. This version is recommended for mobile installation and pumping clear water.
- The pumps are usually installed under water (submerged) and can only be permanently or transportable installed vertically. Because of the sheath current cooling, the pumps can also be operated unsubmerged.
- Submersible pumps with a mains connection cable of less than 10 metres are (according to EN 60335) only permitted for use inside buildings, i.e. not for operating outside.
Pumps that are intended for use in or at gar-den ponds or similar places must have a mains connecting cable that is not lighter than rubber
sheathed cables reference H07 RN-F (245 IEC
66) according to EN 60335.
DANGER! Mortal danger due to electric shock
The pump may not be used to drain swimming pools/garden ponds or similar places if anyone is in the water.
WARNING! Hazardous to health!
Owing to the materials used, the pumps are not suitable for potable water! Unpurified foul and waste water represent a health hazard.
CAUTION! Danger of property damage! Pumping unpermitted substances can lead to prod-uct damage.
The pumps are not suitable for water with coarse contamination such as sand, fibres or combustible, caustic fluids or for use in potentially explosive areas.
Correct use of the product also includes following these instructions.
Any use over and beyond these is interpreted as incorrect use.
Product information
Type key
| Example TM 32/8 -10M – TMW 32/11 HD | |
| TM | Submersible pump |
| W | W = with whirl system (TWISTER-Function) R = low suction version |
| 32 | Nominal diameter of pressure port [mm]: 32 = Rp 1¼ |
| /8 | Max. delivery head [m] when Q = 0m³/h |
| HD | For aggressive water (material 1.4435 (AISI316L) |
| 10M | Length of mains connecting cable [m]: 10 |
| 5.2 Technical data | |
| Main voltage: | see name plate |
| Main frequency: | see name plate |
| Protection class: | IP 68 |
| Insulation class: | 155 |
| Speed: | see name plate |
| Max. current consumption: | see name plate |
| Power consumption P1: | see name plate |
| Max. flow rate: | see name plate |
| Max. delivery head: | see name plate |
| Operating mode S1: | 200 operating hours a year |
| Operating mode S3 (optimum): | Intermittent duty, 25 % (2.5 min. operation, 7.5 min. interval). |
| Recommended switching frequency | 20/h |
| Max. switching frequency | 50/h |
| Free ball passage: | 10 mm (model TMR: 2 mm) |
| Nominal diameter of the pressure port: | Ø 32 mm (Rp 1¼), grooved hose connector Ø 35 mm supplied with TM32/7 and TM32/8-10M |
| Admissible fluid temperature: briefly 3 min.: | +3 to 35 °C 90 °C |
| Max. submersion depth : | 4 m connecting cable = 1m 10 m (30 m) connecting cable = 3 m |
| Flat suction up to: | 14 mm (model TMR: 2 mm) |
| Maximum fluid density: | 1060 kg/m3 |
Scope of delivery
Pump with
- 4 m connecting cable with mains plug
(Model TM … 10M: 10 m) - Connected float switch
(except TM32/8-10M) - Whirl self cleaning system (TWISTER function) for TMW
- Pressure port Rp 1¼
(Model TM32/7 and TM32/8-10M: grooved hose connector Ø 35 mm) - Non-return valve
(except TM32/7 and TM32/8-10M) - Installation and operating instructions
Accessories
Accessories must be ordered separately (see cat-alogue):
- Switchgear for 1 or 2 pump operation
- Alarm switchgear AlarmControl with mini float switch and plug
- External monitoring devices / tripping unit
- Level control (e.g. flow switch)
- Accessories for transportable wet sump installa- tion (e.g. hose couplings, hoses, etc.).
- Accessories for stationary wet sump installation (e.g. check valves, non-return valves, etc.)
The use of new accessories is recommended.
Description and function
Description of the product (Fig. 1)
- Cable
- Screw
- O-Ring
- Motor housing
- Screw
- External housing
- Float swich
- Screw
- Screw
- Nut
- Impeller
- Whirl system (TWISTER-Funktion)
- Screw
- Diffusor
- Strainer
- Mechanical seal
- O-Ring
- Rotary shaft seal
- O-Ring
- Non-return valve
- Pressure port Rp 1¼
- Handle
- Grooved hose connector
The pump can be completely submerged in the fluid.
The electric motor is protected against the pump chamber by a rotary shaft seal to seal the motor against the oil chamber and a mechanical seal to seal the oil chamber against the fluid. The mechanical seal chamber is filled with medical
white oil so that the mechanical seal is lubricated and cooled during a dry run. A further rotary shaft seal protects the mechanical seal facing the fluid. The motor is cooled by the surrounding fluid.
The pump is installed on the floor of a shaft. For a stationary installation, it is bolted to a fixed pressure pipe or for a transportable installation, it is connected to a hose connection.
The pumps are commissioned by plugging in the protective contact plug.
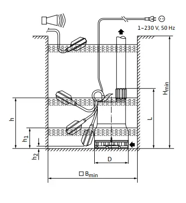
They operate automatically when the float
switch switches the pump on from a certain water level “h” (Fig. 2) and switches it off at a minimum water level “h1”.
The motors are equipped with thermal motor protection, which switches off the motor auto-matically if it overheats and switches it on again when it has cooled down. The condenser is inte-grated in the single-phase motor.
Version with whirl system (TWISTER-Function)
For wastewater with precipitating and float-ing particles, the submersible pump has been equipped with a whirl system at the suction strainer. Precipitating particles are continuously whirled up in the suction area of the pump and pumped off with the water. Therefore, mud accumulation in the pump shaft, with problematic consequences such as clogging of the pump and odour formation, is largely prevented.
If the removal of the waste water does not allow any interruption, a second pump (automatic standby pump), together with the necessary switchgear (accessory), increases the operating reliability if the 1st pump develops a fault.
Installation and electrical connection
DANGER! Risk of fatal injury
Incorrect installation and improper electrical.
- The installation and electrical connections should only be done by properly skilled staff and in compliance with the applicable regulations!
- Follow all accident prevention regulations!
Installation
The pump is designed for stationary or transportable installation.
CAUTION! The danger of property damage!The danger of damage due to incorrect handling. Only suspend the pump by the strap with the aid or a chain or rope, never by the electrical or float switch cable or the pipe/hose connection.
The installation site or shaft for the pump must be free of frost.
The shaft must be cleared of coarse material such as rubble before setting up and starting the pump. The quality of the shaft must guarantee the unhindered mobility of the float switch.
Installation dimension / shaft dimensions (cf. Fig 2).
| Pump | Hmin | Bmin | L | D |
| (mm) | ||||
| TM 32/7 | 280 | 350 x 350 | 294 | 165 |
| TM 32/8 | 280 | 350 x 350 | 293 | 165 |
| TM 32/11 | 280 | 350 x 350 | 323 | 165 |
| Pump | hmax | h1min | h2min |
| (mm) | |||
| TM 32/7 | 237 | 50 | 14 |
| TM 32/8 | 250 | 50 | 14 |
| TM 32/11 | 280 | 50 | 14 |
In the case of a stationary wet sump installation of the pump with a permanent pressure pipe, the pump must be positioned and secured so that.
- The pressure pipe connection does not support the weight of the pump.
- The load of the pressure pipe does not act on the connecting socket.
- The pump is installed stress-free.
- To protect against any backflow from the public drainage pipe, the pressure pipe must be taken in an arc over the locally established backflow level (usually street level). A non-return valve does not represent a guaranteed backflow seal.
- The attached non-return valve should be installed if the pump is installed permanently.
- Seal the pipe connections to the pressure port with Teflon tape.
NOTE: Permanent leakage in this area can lead to destruction of the non-return valve and of the screwed connection.
Transportable wet sump installation
In the case of a transportable wet sump installa- tion with hose connection, the pump must be secured in the shaft to prevent it from falling over and wander-ing (e.g. secure chain / rope with slight pre-tension). NOTE: When used in a sump without a firm base, the pump must be put on a sufficiently large plate or hung from a rope or a chain in a suitable position.
Electrical connection
DANGER! Risk of fatal injury!
If the electrical connection is not made properly, there is a risk of fatal injury from electric shock. Only allow the electrical connection to be made by an electrician approved by the local electric- ity supplier and in accordance with the local reg- ulations in force.
- The type of mains connection current and volt-age must correspond to the details on the name plate,
- Fuse in the power supply: 10 A, slow,
- Earth the installation according to the regula-tions,
- The installation of a leakage current protection switch to be provided on site for a trip current of 30 mA is recommended (caution when installing outside).
- The pump is ready to connect.
- To connect the pump to the switchgear, the shock-proof plug is disconnected and the con- necting cable is then connected as follows (see Installation and operating instructions for the switchgear): 3- wire connection cable: 3 x 1,0 mm²
| Conductor | Terminal |
| brown | L1 |
| blue | N |
| green/yellow | PE |
Socket and switchgear must be installed in a dry
room and protected against flooding.
Commissioning
DANGER! Danger through electric shock!
The pump may not be used to drain swimming pools / garden ponds or similar place if anyone is in the water.
CAUTION! Danger of property damage!
Do not allow the mechanical seal to run dry! Dry running shortens the service life of the motor and the mechanical seal. If the mechanical seal is damaged, small amounts of oil may escape into the pumped fluid.
- When filling the shaft or lowering the pump into the pit, make sure that the float switches can move freely. The switch must switch off the pump before the intake openings of the pump can draw in air.
- After filling the shaft and opening the check valve on the pressure side (if provided), the pump starts up automatically when the switch-on level “h” is reached and switches off as soon as the switch-off level “h1” responds.
- Do not direct the jet of water to be fed into the shaft at the suction strainer of the pump. Entrained air can prevent the operating pump from functioning if the vent slit in the housing is blocked.
- The maximum volume of water entering the shaft must not exceed the performance of the pump. Keep an eye on the shaft when commis-sioning the pump.
NOTE: The venting of the pump when commis- sioned for the first time will be improved by sub- mersion in the fluid at an angle or by positioning it at a slight angle.
Adjusting the switching level of the float switch
The perfect functioning of the level control sys- tem is guaranteed if the details according to the table in 7.1 and Fig. 2 are observed.
The switching level (switch-on/off point) can be changed via the free float switch cable by moving the cable within the clip on the pump handle. The level “h2 min” must be respected (see Fig. 2).
On version TMR, to reach the maximum low suc- tion level, the float switch must be manually lifted.
A small degree of water evacuation (lateral slit between suction strainer and housing) when level “h2” is reached is normal and necessary to ensure the operational safety of the pump. - Do not direct the jet of water to be fed into the shaft at the suction strainer of the pump. Entrained air can prevent the operating pump from functioning if the vent slit in the housing is blocked.
- The maximum quantity of water feeding into the shaft may not exceed the pump‘s capacity. Monitor the sump during commissioning.
- To increase the required capacity (by approx.16%of the delivery head) the whirl system device of the TMW pump can be shut down as follows (fig. 3):
- Pull the mains plug
- Remove pump from the sump,
- Remove the 4 screws (pos. 2) below the suc-tion basket,
- Remove the whirl device (pos. 1), rotate by 180° and secure again with the 4 screws,
- Lower pump again and start up.
Maintenance
Maintenance and repairs may only be carried out by qualified experts!
DANGER! Risk of fatal injury!
There is a mortal danger through shock when working on electrical equipment.
- Before any maintenance and repair work, the pump must be switched off and prevented from being switched on again in an unauthor-ised manner.
- Damage to the connecting cable may only berepaired by a qualified electrical contractor in principle.
- When checking the function following long downtimes, avoid contact with the fluid.
In order to prevent blockage of the pump result-ing from long downtimes, its ability to function should be checked at regular intervals (every 2 months) by manual raising of the float switch or direct switching-on and brief start-up of the pump.
Minor wear of the rotary shaft seal and mechani-cal seal can lead to fouling of the liquid following an oil leak from the oil chamber.
The pump should therefore be serviced after approx. 2,000 operating hours by a specialist or Wilo After-sales Service, mainly in order to check the seals.
Only specialist companies or Wilo After-sales Service may open the encapsulated motor.
Cleaning the pump
Depending on the use of the pump, fouling can occur within the suction strainer and the impel-ler. Rinse off he pump under running water after use.
- Switch off the power supply. Disconnect the mains plug!
- Drain the pump TMW
- The whirl device is screwed to the suction strainer (Fig. 3).

- Loosen 4 screws (∅3.5 x 14),
- Remove whirl device,
- The suction strainer is screwed to the pump housing,
- Loosen 4 screws (∅4 x 60),
- Remove suction strainer, handle O-ring (∅155 x 2) between suction strainer / pump housing and O-ring (∅14 x 2) in the bypass hole (neces- sary for the whirl function) with care.
TM/TMR 4 – The suction strainer is screwed to the pump housing, - Loosen 4 screws (∅4 x 60),
- Remove suction strainer, handle O-ring (∅155 x 2) between suction strainer / pump housing with care.
- Clean the impeller and pump housing under running water. The impeller must turn freely.
- Replace damaged or worn parts with original spares.
- Re-assembly the pump in the reverse order.
Faults, causes and remedies
- Only have faults remedied by qualified personnel!
- Observe safety instructions in 9 Maintenance.
| Fault | Cause | Remedy |
| The pump does not start or stops during operation | Current supply interrupted | Check fuses, cables and electrical connec- tions |
| Motor protection switch has tripped | Allow the pump to cool down, it will start again automatically | |
| Fluid temperature too high | Allow to cool down | |
| Pump silted up or blocked | Disconnect the pump from the mains and remove from the shaft. Remove the suction strainer and rinse the suction strainer / impeller under run- ning water | |
| Pump does not switch on/off | Float switch blocked or cannot move freely | Check float switch and ensure mobility |
| Pump does not pump | Air in the installation cannot escape | Place the pump at an angle in water briefly until the air escapes. Vent the installation / drain if necessary Dismantle suction strainer / whirl device, rinse suction strainer / vent slit under run- ning water Check the switch-off level “h1” |
| Water level below the intake port | If possible, submerge the pump deeper (observe the switch-off level) | |
| Pressure pipe / hose diameter too small (losses too high) | Bigger dimensioning of the pressure pipe / hose diameters | |
| Non-return valve sticking in the pressure port | Check function | |
| Hose kinked / check valve closed | Clear kink in hose / open check valve | |
| Flow rate drops during operation | Suction strainer blocked / impeller blocked | Disconnect the pump from the mains and remove from the shaft. Remove the suction strainer and rinse the suction strainer / impeller under run- ning water |
If the fault cannot be remedied, please contact the trade or your nearest Wilo-After-sales Service or agent
Spare parts
Spares should be ordered through local trade outlets and/or the Wilo-After-sales Service. To avoid queries and incorrect orders, all the data on the name plate must be indicated when ordering.
Disposal
Information on the collection of used electrical and electronic products
Proper disposal and appropriate recycling of this product prevents damage to the environment and dangers to your personal health.
NOTICE: Disposal in domestic waste is forbidden !In the European Union, this symbol can appear on the product, the packaging or the accompa-nying documentation. It means that the electrical and electronic products in question must not be disposed of along with domestic waste.
To ensure proper handling, recycling and disposal of the used products in question, please note the following points:
- Only hand over these products at designated, certified collecting points.
- Observe the locally applicable regulations! Please consult your local municipality, the near-est waste disposal site, or the dealer who sold the product to you for information on proper disposal. For further information on recycling,
go to www.wilo-recycling.com.
Subject to change without prior notice!
Wilo Drain TM 32 Industrial Super Pump




















