LASER SMT-APTDORLOC Smart Apartment Doorlock User Manual

Notice
Thanks for choosing our product, please read this guide carefully before installing or operating. We suggest employing a professional to install, following this guide’s instructions. Do not separate included items and please retain your proof of purchase for any warranty issues. Contact our distributors or customer service department if you have any questions.
- By default (out of the box) any password can unlock the doorlock, please register admin password immediately after installation, do not close the door before checking everything is working OK.
- Unlock 3 ways: Passcode, Keycard & Physical Key.
- Power can be supplied 2 ways: 4 x AA Battery for normal use & external 5V for emergencies.
- Recommended for door thickness 38 – 90mm.
- Take care with the password, we recommend changing it regularly for security purposes.
- Do not operate the device with wet hands, and keep the doorlock away from liquids.
- Lock the door when leaving home.
- Please replace with new batteries when the low-voltage battery alarm is triggered.
- Please keep the physical key in a suitable place for emergency situations.
- After installation, please do a full test using the below steps to make sure the installation is 100% successful, if any fault found, please re-install the device again, according to instructions.

Diagrams

Front Panel Diagram

Back Panel Diagram

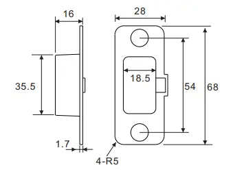
Single Latch Diagram

Plate Box Diagram

Strike Plate Diagram
Packing List

Installation Guide
Installation requirement
Door thickness requires 38 – 90mm.
Depth for latch is 100mm.

Tools Required

Drilling
Find a suitable place to drill on the door.
Make sure the door lock has small amount of wiggle room in the hole.
Note:
Do not close the door after installing lock, please first check the lock and make sure it works properly e.g. Touch the screen with your hand, input default password (123456#), then press door lock handle and it should unlock.
Setting Guide
1. Factory Default Reset
Reset the device when receiving the lock for the first time, if password was forgotten or if the keycard was lost. To reset – hold the SET button approx 7 seconds then release, the door lock will be reset. A Factory default reset will reset all users (including passwords and cards).
2. Admin Mode & Menu
Tap anywhere on the keypad to wake up, then press *# input admin password then # (default admin password is 123456). The menu is now available.
3. Add User
The door lock supports password user and keycard user. Only the Admin User can add/delete users, normal users cannot. Max supporteduser capacity is 230, each user has a unique ID 001~230, Admin User ID is from ID 001~009, Normal User from ID is from ID 010~230.
3. 1 Add Admin User
Admin user can add/delete admin or normal user, and unlock. The operation for adding users is:

Note:
Password should be 4~6 digits, if it’s less than 6 digits, please input II to end. If it is 6 digits, no need to input#.
3. 2 Add Normal User
Normal user can only lock/unlock, cannot add/delete any user. ID010~230 for normal user. The operation for adding users is below:

Note:
Password should be 4-·6digits, if it’s less than 6 digits, please input# to end. If it’s 6 digits, no need to input#.
4. Delete User

Note: You should delete a user if you disable it.
5. Always Open Mode
Always open mode means the door lock is always open, anyone can open the door without using the password or keycard. Please be mindful if using this setting.

6. Vacation Mode
Once users execute vacation mode, it means only the ad min user can unlock the door. Once admin user unlocks the door, it will exit Vacation Mode automatically.

7. Sound Settings
Users are able to set voice prompts, change volume or language.

8. Time Setting
Set time according to 24hr format YYYY/MM/DD HH:MM:SS

9. Verify Mode
Users can choose Single Verify or Double Verify unlock modes. Single Verify means only 1 password or keycard is required. Double Verify means 2 methods are required, e.g. 2 passwords or password + keycard.

10. Network Setting
Users can enable or disable network connection completely or set door lock to connect to WiFi (required if using with APP).

Get the APP

Recommended APP Settings

Pairing Lock to the APP
Put door lock into pairing mode then open the APP

NOTE:
Only 2.4GHz networks are supported. 5GHz networks will not work. If your device is not found please check you are only connecting on a 2.4GHz WIFI connection.
REMOTE UNLOCK
To unlock remotely, press *O on the lock. The APP will now receive a request to “Accept/Reject”. Move the slider to “Accept” to unlock remotely or “Reject” to decline the request.
PRIVACY LOCK
When Privacy Lock is engaged (RED) the Door can only be opened from the inside or when using Administrator unlocking methods i.e. Physical Key or Admin Password.
DOORBELL
You can send a silent notification to the APP by simply pressing # on the lock. The APP will show “Doorbell Ring” in the Alarm notification section.
Specifications

TROUBLESHOOTING
Q. The lock is not connecting to the APP.
A. Make sure the lock is in pairing mode first and also make sure you are only connecting to 2.4GHz networks as the 5GHz band is not supported.
Q. My pass code for entry is not working.
A. Check the pass code matches the user ID and try again. If you have forgotten a pass code we recommend using the ADMIN function and deleting that pass code for security purposes.
Q. I can’t locate the “SET” button.
A. The SET button is located inside the battery compartment.
Q. I can’t remember my passwords and keycode, or I would like to factory reset the lock.
A. Press and hold the SET button for approx 7 seconds. The lock will beep each second and stop beeping when you can let the button go.
This will factory reset the lock and the admin password to the default as advised in this instruction manual.
The default password is: 123456 (# to confirm).
Warranty Against Defects
Laser Corporation Pty Ltd (“Laser”) warrants your new product to be free from defects in materials and workmanship for 12 months, from the date of purchase, provided that the product is used in accordance with accompanying recommendations or instructions where provided. The benefit of this warranty is in addition to your rights under the Australian Consumer Law and to other rights and remedies of the consumer under a law in relation to the goods or services to which the warranty relates.
Through a network of retailers and resellers, Laser will provide you with your choice of a repair, exchange (where possible) or refund (within Dead on Arrival period) for this product if it becomes defective within the warranty period. This warranty will no longer apply where the defect is a result of alteration, accident, misuse, abuse, normal wear and tear, neglect or improper storage. Please retain your receipt as proof of purchase.
How to make a product warranty claim:
Step 1: Find your receipt which proves the date of purchase. Where the date of purchase cannot be verified, your place of purchase or Laser will make an assessment based on the date of manufacture, the condition of the Laser Product and the type of defect.
Step 2a): Contact your place of purchase. They will assess the nature of the fault and repair, replace or fund the product as per their store refund or warranty policy.
Step 2b): If your place of purchase cannot be contacted, then you can contact Laser. Customer Service with details of your defective Laser Product: Phone: (02) 9870 3388; or Email: [email protected] or online www.laserco.com.au/warranty. Our business address is at 1/6-8 Byfield Street, North Ryde, NSW 2113
Step 3: Laser will issue you with a Return Authorisation (RA) number within 48 hours. When requested, send us the defective Product and a copy of your receipt. Laser will cover the cost of the return delivery.
Step 4: Wait for us to contact you. Once we have received your defective Laser Product for inspection, we will inform you of our assessment of your claim within 7 days. When we contact you, we will firstly let you know whether you have a valid claim under this Warranty, and if so, we will inform you whether your defective Laser Product will be replaced or repaired, together with the number of days you can expect to wait to receive your replaced or repaired Laser Product. Step 5: For further details on warranty cover and returns, please check Terms and Conditions for Warranty Returns section on http://www.laserco.com.au/warranty.
Our goods come with guarantees that cannot be excluded under the Australian Consumer Law. You are entitled to a replacement or refund for a major failure and compensation for any other reasonably foreseeable loss or damage. You are also entitled to have the goods repaired or replaced if the goods fail to be of acceptable quality and the failure does not amount to a major failure.


















