DRAZICE OKCE 125 2-2 kW Tank Type Water Heater for Vertical Mounting

CAREFULLY READ THIS MANUAL BEFORE INSTALLING THE WATER HEATER!
Dear Customer,
Družstevní závody Dražice – strojírna s.r.o., would like to thank you for your decision to use a product of our brand. With this guide, we will introduce you to the use, construction, maintenance and other information on electrical water heaters.
The product is not intended to be controlled by
a) people (including children) with reduced physical, sensual or mental capacities, or
b) people with insufficient knowledge and experiences unless supervised by responsible person, or unless properly instructed by such responsible person.
The manufacturer reserves the right for engineering modification of the product. The product is designed for permanent contact with drinkable water.
It is recommended to use the product in indoor environment with air temperatures from +2 °C to +45 °C and a relative humidity up to 80 %.
Product’s reliability and safety is proven by tests implemented by the Engineering Test Institute in Brno.
Made in the Czech Republic
Meaning of pictograms used in the Manual
Important information for heater users.
Abiding by the recommendations of the manufacturer serves to ensure trouble-free operation and the long service life of the product.
Caution!
Important notice to be observed.
PRODUCT TECHNICAL SPECIFICATION
FUNCTION DESCRIPTION
The storage water heater (hereinafter referred to as the heater) is intended for the accumulation heating of utility water using electric energy. The water is heated by electrical bodies in an enameled thermally insulated reservoir. At the time of heating, the bodies are controlled by thermostats on which the required temperature can be set continuously (in the range of 5 to 75 °C). When the selected temperature is reached, the heating is automatically interrupted. The water accumulated in the heater is then used for consumption. There is a constant water pressure level in the vessel. When the hot water valve of the mixing facet is open, the water flows out of the heater, which is forced out of the water supply pipeline by the pressure of the cold water. The hot water flows from the upper part and the incoming water remains in the lower part of the heater. The pressure principle allows the hot water to be taken away from the heater at any point.
ADVICE FOR CUSTOMERS
HOT WATER CONSUMPTION
Consumption of hot water in households depends on the number of people, amount of sanitary equipment, length, diameter and insulation of piping in the flat, or on individual habits of users. The cheapest option of water heating comes at the time when the electricity rate is reduced.
Find out in what time intervals your electricity supplier provides reduced tariff and, depending on that information, select relevant volume and power input of the heater so that your hot water consumption covered the needs of your household.
ENERGY SAVING
The heater is insulated with quality polyurethane Freon free foam. Set the temperature of the heater’s thermostat to that level only that you need to run your home. Thus, you will reduce electricity consumption, as well as the amount of lime sediments on the walls of the receptacle and on the electric body.
EMERGENCY POWER CONSUMPTION
According to current legislation, the standby consumption is stated in the value of annual consumption of electric energy (kWh), which is measured according to the corresponding load profile and calculated according to the formulas and requirements of EU Regulation No. 812/2013.
DESIGN AND GENERAL HEATER DIMENSIONS
The heater vessel is made of sheet steel and tested at 1.5 multiple of the operating pressure. The inside of the vessel is enameled. A flange is welded to the bottom of the vessel to which the flange cover is screwed. A sealing ring is inserted between the flange cover and the flange. In the flange cover, there are sumps for the placement of the heater body and thermostat sensors as well as the safety fuses. An anode rod is mounted onto the M8 nut. The wiring is located under a plastic removable cover. Description of basic parts of the heater – Figure 1. Heater dimensions – Figure 2, Figure 3 and Table 2, Table 3.

- Temperature indicator
- Heating element well
- Ceramic heating element 2000 W and 2200 W for OKCE 2/2 kW Ceramic heating element 2200 W and 4000 W for OKCE 2/4 kW
- Service thermostat with external control and safety pipe
- Electric installation cover
- Cold water supply pipe
- Thermowell
- Hot water withdrawal pipe
- Mg anode
- Enamelled steel receptacle
- Polyurethane insulation
- Heater shell
OKCE 125 2/2 kW, OKCE 160 2/2 kW

Table 2
➀ | 3/4″ outer |
| OKCE 125 2/2 kW | OKCE 160 2/2 kW | |
| A | 1067 | 1255 |
| B | 562 | 562 |
| C | 14 | 14 |
| D | 524 | 524 |
| E | 760 | 1000 |
| F | 682 | 925 |
| H | 297 | 245 |
| K | 116 | 116 |
| R | 450 | 450 |
OKCE 200 2/2 kW, OKCE 200 2/4 kW

Table 3
➀ | 3/4″ outer |
| OKCE 200 2/2 kW | OKCE 200 2/4 kW | |
| A | 1300 | 1300 |
| B | 617 | 617 |
| C | 14 | 14 |
| D | 584 | 584 |
| E | 806 | 806 |
| F | 600 | 600 |
| H | 480 | 480 |
| K | 116 | 116 |
| R | 450 | 450 |
OPERATION AND FITTING INSTRUCTIONS
OPERATING CONDITIONS
The tank shall only be used in accordance with the conditions specified on the power plate and in instructions for electric wiring. Besides legally acknowledged national regulations and standards, also conditions for connection defined in local electric and water works have to be adhered to, as well as the installation and operation manual.
The temperature at the place of heater installation must be higher than +2 °C; and the room must not freeze. The appliance has to be mounted at a convenient place, it means that the appliance must be easily available for potential necessary maintenance, repair or replacement, as the case may be.
If water is strongly calcareous, we recommend that any of the common decalcifying devices was installed with the appliance, or that the thermostat was set to the minimum operating temperature of 55 °C (setting to position „OPTIMUM“) – Figure 11. For proper operation, drinkable water of adequate quality shall be used. To avoid potential sediments, we recommend that the device was installed together with a water filter.
WALL MOUNTING
Prior to the mounting check the bearing capacity of the wall and the material it is made of, considering the weight of the heater filled with water. Depending on the wall material choose adequate fixtures. We recommend entrusting wall mounting and anchoring to a specialist company or discussing the anchorage with an expert. When mounting the anchor bolts follow the guide provided by the anchor bolts’ manufacturer.
Both the electric and water installation must follow and meet the requirements and regulations relevant in the country of use!
Mount the anchors by the dimensional drawing (Figure 3) in 450 mm spacing. The heater verticality after the release of the connecting screws can be aligned by means of slight turning.
Universal suspension
The use of the suspension even for the screw spacing during the replacement with a heater of another type.
The heater verticality after the release of the connecting screws can be aligned by means of slight turning.
If the hot water heater is mounted in a tight, small space, or in an intermediate ceiling, etc., you have to make sure that the connecting side of the appliance (connections to water supply, area for electric plugging) remained accessible and no heat accumulation occurs. Free space of up to 600 mm from the bottom edge of the heater has to be available under the heater.
When mounted directly under the ceiling, the distance from the ceiling has to be 50 mm at least.
If the water heater is mounted in enclosed areas, inter-ceilings, built-in structures and recesses, ensure sufficient access to service fittings, electrical terminal boards, anodes and manholes. Minimum spacing from manhole is 600 mm.
PLUMBING FIXTURE
The heater connects to water distribution tubes with G1/2“ thread in the bottom part of the heater. Blue – cold water supply, red – hot water outlet. For potential disconnection of the heater, the service water inlets and outlets must be provided with screw coupling Js 1/2“. The safety valve is mounted on the cold water inlet identified with a blue ring.
The heater must be equipped with a membrane, spring-loaded safety valve. Safety valves with fixed pressure settings from the manufacturer are used for the assembly. Each individually lockable heater must be fitted with a cap on the cold water inlet, a test valve or a stopper to check the operation of the check valve, with a check valve and a relief valve (Figure 5).
The safety valve with a check valve is supplied with the heater.
It is necessary to check the safety valve each time before putting it into operation. It is checked by manual moving of the membrane from the seat, turning the make-and-break device button always in the direction of the arrow. After being turned, the button must click back into a notch. Proper function of the make-and-break device results in water draining through the safety valve outlet pipe. In common operation, such a check needs to be implemented at least once a month, and after each heater shutdown for more than 5 days. Water may be dripping off the drain pipe of the safety valve; the pipe must be open into the air, pointed down; environment temperatures must not drop below zero.
Find necessary pressure values in the below – Table 4.
Heaters must be provided with a discharge valve mounted on the cold service water inlet to the heater for potential disassembly or repair. When assembling the security equipment, follow the standard.
Table 4
SAFETY VALVE START-UP PRESSURE [MPa] | ALLOWABLE OPERATING OVERPRESSURE OF WATER HEATER [MPa] | MAXIMUM PRESSURE IN COLD WATER PIPES [MPa] |
0.6 | 0.6 | up to 0.48 |
U – Closure
P – Safety valwe with backflow flap
M – Manometer
Z – Test valvel
V – Drain valve
TANK TYPE ELECTRIC WATER HEATER HOT WATER DISTRIBUTION

ELECTRICAL INSTALLATION
GENERAL INFORMATION FOR ELECTRICAL INSTALLATION
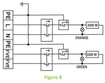
Perform the connection according to the scheme. Factory connection must not be changed! (Figure 8, Figure 9) the electric wiring casing remove the partition corresponding with the input wire diameter of Ø8 or Ø10 (Figure 7). The degree of protection of electric parts of the heater is IP 44. Power input of electric element is 2000 W and 2200 W for heater OKCE 2/2 kW. Power input of electric element is 2000 W and 4000 W for heater OKCE 2/4 kW.
It is necessary to observe the below requirements during the electric wiring.

- The electric wiring scheme is attached to the water heater on the side of the electric installation guard (Figure 9)
- Connection, repairs, and wiring inspections may only be implemented by a company (person) authorized to such activity.
- Expert connection must be confirmed on the warranty certificate.
- The OKE 2/2 kW heater is connected to the 2x 230 V/50 Hz electrical network using a fixed moving conductor with the circuit breaker (protector), 2x cable 3x 2.5 mm2 , fuse protection 2×16 A/B.
- The OKCE 2/4 kW heater is connected to the 1x 230 V and 3x 230 V /50 Hz electrical network using a fixed moving conductor with the circuit breaker (protector). Cable 3x 2.5 and 5x 2.5 mm2 , fuse protection 1×16 A/B and 3×16 A/B.
- Installations in bathrooms, laundry rooms, rest rooms and showers, must be in compliance with standard.
- The degree of protection of electric parts of the heater is IP 44.
- Adhere to the protection against electric shock injury according to standard.
Electrical wiring diagram for heater OKCE 2/2 kW

Electrical wiring diagram for OKCE 2/4 kW heater

OPERATING ACTIVITY FOR HEATER OKCE 2/2 KW
- Heating basic, using power 2 kW /230 V/8.7 A – 1 phase – controlled by thermostat Te1. The temperature can be set by the controller on the heater panel in the range of approx. 5 °C to approx. 75 °C. Operation is indicated by the light of the orange control lamp.
- For long-term operation without using heated volume of water, it is necessary to set the thermostat to the position of 5 °C to 10 °C (set to the “snowflake” mark on the thermostat control) to avoid freezing. Setting the thermostat to the zero position does not mean turning off the heater.
- Heating – power 2.2 kW/voltage 1x 230 V
- This type of heating can be used, for example, to utilize surpluses from photovoltaic panels. For the possibility of storing surpluses, it is recommended to set Te1 to the minimum comfortable temperature of hot water and Te2 to the maximum. Operation is indicated by green light.
- The thermostat is mounted, hidden inside the controller, the temperature adjustment can be made after removing the wiring cover. From the factory, the thermostat is set to a maximum water temperature of approx. 75 °C, this temperature can be changed by turning the knob.
- Thermostat Te2 includes emergency safety thermostat, lock. If the fuse opens (if the water temperature in the heater rises above 90 °C), the wiring cover must be removed. After fixing the cause of the temperature control failure and cooling the water to room temperature in the non-energized state, we can manually close the fuse by pressing the lock.
- Important notice! When setting the thermostat to the maximum temperature, the water outlet temperature is higher than 65 °C (according to the Te2 setting) – we recommend installing a thermostatic mixing valve at the hot water outlet!
OPERATING ACTIVITY FOR HEATER OKCE 2/4 KW
- Heating basic, using power 2 kW/230 V/8.5 A – 1 phase – controlled by thermostat Te1. The temperature can be set by the controller on the heater panel in the range of approx. 5 °C to approx. 75 °C. Operation is indicated by the light of the orange control lamp.
- For long-term operation without using heated volume of water, it is necessary to set the thermostat to the position of 5 °C to 10 °C (set to the “snowflake” mark on the thermostat control) to avoid freezing. Setting the thermostat to the zero position does not mean turning off the heater.
- Heating – power 4 kW/voltage 3 x 230 V (400 V) – 3 phases, Y
- This type of heating can be used, for example, to utilise surpluses from photovoltaic panels. For the possibility of storing surpluses, it is recommended to set Te1 to the minimum comfortable temperature of hot water and Te2 to the maximum. Operation is indicated by green light.
- The thermostat is mounted, hidden inside the controller, the temperature adjustment can be made after removing the wiring cover. From the factory, the thermostat is set to a maximum water temperature of approx. 75 °C, this temperature can be changed by turning the knob.
- Thermostat Te2 includes emergency safety thermostat, lock. If the fuse opens (if the water temperature in the heater rises above 90 °C), the wiring cover must be removed. After fixing the cause of the temperature control failure and cooling the water to room temperature in the nonenergized state, we can manually close the fuse by pressing the lock.
- Important notice! When setting the thermostat to the maximum temperature, the water outlet temperature is higher than 65 °C (according to the Te2 setting) – we recommend installing a thermostatic mixing valve at the hot water outlet!
FIRST COMMISSIONING
Before opening the power supply, the tank must be filled with water. The process of first heating must be executed by licensed professional who has to check it. Both the hot water outlet pipe and safety armature parts may be hot.
During the heating process the pressurized connection water that increases its volume due to heating must drip off the safety valve. In non-pressurized connection water drips off the overflow combination faucet. When heating is finished, the set temperature and the actual temperature of consumed water should be roughly equal. After connecting the heater to the water main and electrical power system, and after checking the safety valve (following the instructions attached to the valve), the heater can be put into operation.
Before fist putting into service or after a longer shutdown the appliance has to be rinsed out and flushed yet before heating is activated. Before heating starts, the tank must be completely filled with water and the system properly flushed and vented. First heating of the tank has to be watched.
Procedure of putting the heater into operation:
- Check the water main and wiring. Check proper placement of operating and safety thermostat sensors. The sensors must be inserted all the way in; first the operating and then the safety thermostat.
- Open the hot water valve on the combination faucet.
- Open the cold water inlet valve to the heater.
- As soon as the water starts running through the hot water valve, the heater is filled, and the valve can be closed.
- In case of leakage (of flange lid), we recommend that the flange lid bolts are fastened.
- Screw down the electric installation guard.
- When hot service water is heated by electric energy, switch on the power supply.
- When commencing operation, flush the heater until the cloudiness in the water is gone.
- Make sure to fill in properly the warranty certificate.
PUTTING OUT OF SERVICE, DISCHARGE
If the hot water heater is put out of service for a longer time, or if it is not going to be used it has to be drained and disconnected from the electric supply network. The switch for the supply lead or the fuse cut-outs has to be shut off.
At places with permanent risk of frost the hot water heater must be drained before the cold season starts if the appliance remains out of service for several days and if the power supply is disconnected.
Drainage of service water shall be performed after closing the shut-off valve in the cold water supply piping (through the discharge valve for safety valve combination), and with simultaneous opening of all hot water valves of connected fittings (water can be also drained through safety valve; for that purpose, the safety valve is turned to the “Check” position). Hot water may outflow during the drainage! If there is a risk of frost it has to be considered that not only the water in the hot water heater and in the hot water piping may get frozen but also the water in the entire cold water supply piping. It is therefore advisable to drain all fittings and piping that carry water, up to the part where the house water meter is installed (connection of the house to water main) which is not jeopardized by frost. When the tank is to be used again, it has to be filled with water and one needs to make sure that the water flowing out at the hot water valves did not contain any bubbles.
INSPECTION, MAINTENANCE & CARE FOR THE APPLIANCE
During the heating process the water that increases its volume during the heating must visibly drip off the safety valve outlet (in non-pressurized connection this water drips off the combination faucet valve). In full heating (about 75 °C) the volumetric water gain is approx. 3 % of the tank capacity. The function of the safety valve has to be checked regularly. If the safety valve control knob is lifted or turned to the “Control” position, the water must flow out easily, without any obstacles, from the safety valve element to the outfall line. In common operation, such a check needs to be implemented at least once a month, and after each heater shutdown for more than 5 days.
Attention! In doing so, the cold water supply pipe and the connection fitting of the tank may get heated! If the hot water heater does not work, or if hot water is not withdrawn, no water shall drip off the safety valve. If water drips, then the water pressure in the supply piping is either too high (if higher than 4.8 bars, a pressure control valve has to be fitted), or the safety valve is defective. Please call a specialized plumber immediately!
If water contains too many minerals, an expert has to come to remove the scale that forms inside the tank, as well as free sediments. This has to be performed after one or two years of operation. The cleaning is carried out through the hole in the flange – dismantle the flange lid and clean the tank. A new sealing has to be used for re-fitting. Since the inside of the heater has special enamel, which must not get in contact with the scale removing agent – do not work with a lime pump. Remove the lime layer with a timber and suck it off or wipe it off with a clout. After that, the appliance must be rinsed thoroughly, and the heating process is checked the same as during the initial putting in operation. Do not use any abrasive cleaning agents (such as liquid sand, chemicals – acid, alkaline) or dye thinners (such as cellulose thinner, trichlor, and the like) to clean the outer shell of the heater. For cleaning use a wet clout and add a few drops of liquid cleaning agent for household applications. Repeated heating causes lime scale settling on the receptacle walls and mostly on the lid of the flange. Lime scale settling depends on hardness of heated water, its temperature and on the volume of hot water used.
We recommend checking and cleaning the tank from scale and eventual replacement of the anode rod after two years of operation. The anode life is theoretically calculated for two years of operation; however, it changes with water hardness and chemical composition in the place of use. Based on such an inspection, the next term of anode rod exchange may be determined. If the anode is only blocked with sediments clean its surface and, if used up, mount a new one. Have a company in charge of service affairs deal with the cleaning and exchanging of the anode. When draining water from the heater, the combination faucet valve for hot water must be open, preventing occurrence of under-pressure in the heater tank which would stop the water from draining.
MOST FREQUENT FUNCTION FAILURES AND THEIR CAUSES
Table 5
| FAILURE SYMPTOM | INDICATOR | SOLUTION |
| Water is cold |
|
|
| Water is cold |
|
|
| Water is not warm enough |
|
|
| Temperature of water is not corresponding with the temperature set on the control |
| |
| Water is constantly dripping off the safety valve |
|
|
Do not attempt to repair the failure yourselves. Seek either expert or service help. It does not take much for an expert to remove the defect. When making a repair appointment, report the type and serial number you find on the performance plate of your water heater.
OPERATION OF THERMOSTAT
OPERATING DEVICES OF THE HEATER
Electrical installation cover for heaters OKCE 2/2 kW and OKCE 2/4kW
Thermostat and no other part of the control panel is not a bearing part which can be used for any handling with the heater.
TEMPERATURE SETTING
Water temperature is set by turning the thermostat knob. The desired symbol is adjusted against the fixed point on the control panel (Figure 11). The thermostat knob for Te2 (Figure 12) is under the electrical installation cover.
Te1

Adjusting the thermostat knob to the left backstop does not mean permanent shutoff of the heating element. When the heater is in use without blocking the daily rate, we do not recommend the temperature to be set above 60 °C. Select the “60” symbol as the maximum.
Te2

IMPORTANT NOTICES
INSTALLATION REGULATIONS
- Without a confirmation of performed electrical installation issued by an authorized company, the warranty certificate shall be void.
- Check and exchange the Mg anode regularly.
- You have to apply for approval of a local power supplier to connect the heater.
- No stop valves can be put between the heater and the safety valve.
- If the overpressure in the water main exceeds 0.48 MPa, a pressure control valve must be mounted before the safety valve.
- All hot water outputs must have a combination faucet.
- Before filling the heater with water for the first time, it is recommended to fasten the flange connection nuts of the tank.
- It is not allowed to handle the thermostat, aside from temperature resetting with a control button.
- All electric installation handling, adjustment and replacement of the regulation elements shall only be performed by an authorized service company.
- The thermal fuse must not be turned off! In case of thermostat defect, the thermal fuse interrupts electric power input to the heating element if the water temperature in the heater exceeds 90 °C.
- If you don’t use the heater (hot water tank) for longer than 24 hours, or if the facility with heater is unattended, close the cold water inlet to the heater.
- The heater (hot water tank) shall be used exclusively in accordance with the conditions specified on the performance plate and in the instructions for electric wiring.
- The recommended operating pressure in the hot water circuit is 0.48 MPa.
Both the electric and water installation must follow and meet the requirements and regulations relevant in the country of use!
TRANSPORT & STORAGE INSTRUCTIONS
The device shall be transported and stored in dry place and protected from weather effects with temperature range from -15 to +50 °C. During loading and unloading the instructions stated on the packaging shall be observed.
DISPOSAL OF PACKAGING MATERIAL AND NONFUNCTIONING PRODUCT

A service fee for providing return and recovery of packaging material has been paid for the packaging in which the product was delivered. The service fee was paid pursuant to Act No 477/2001 Coll., as amended, at EKO-KOM a.s. The client number of the company is F06020274. Take the water boiler packages to a waste disposal place determined by the town. When the operation terminates, disassemble and transport the discarded and unserviceable heater to a waste recycling center (collecting yard), or contact the manufacturer.
PRODUCT ACCESSORIES
The product is supplied with a safety valve, temperature indicator, fan mat Φ 8.4 – 2pcs, nuts M8. The above parts are packed and placed in the packaging in the top part of the heater.
It is in your own interest to check the completeness of the accessories.
CUSTOMER SUPPORT
Družstevní závody Dražice-strojírna s.r.o.
Dražice 69, 294 71 Benátky nad Jizerou
tel.: +420 / 326 370 911
fax: +420 / 326 370 980
e-mail: [email protected]
Traditions since 1956
22-9-2022



















