HOSHIZAKI KM-1301SAJ-E Stackable Crescent Cuber

Models
- KM-1301SAJ-E
ListNumber: 71413
Issued: 5-8-2018
Revised: 12-22-2021
Auxiliary Codes
KM-1301SAJ-E
- H-0 April 2018
- J-0 January 2019
- J-1 April 2019
- J-2 August 2019
- K-0 November 2020
- L-0 May 2021
- L-1 August 2021
Auxiliary Code Breakdown
The auxiliary code is the first two characters in the serial number. The first character indicates the year. Years progress or regress in alphabetical order. The series runs from “A” through “V” and the letters “I” and “O” are skipped. The second character indicates significant part changes within a year. Base is “0” and this number advances for each change.
Note About Ordering Parts
Most assemblies cannot be ordered as complete units; parts in the assemblies generally must be ordered separately.
IMPORTANT
IEC standards require that the clamping means of earthing terminals be adequately secured against accidental loosening and that accessible metal parts of the icemaker which may become live in the event of an insulation fault be permanently and reliably connected to an earthing terminal within the icemaker or to the earthing contact of the icemaker inlet. This is accomplished in this icemaker through the use of stainless steel lock washers.
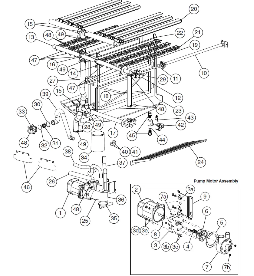
Main Assembly & Refrigeration Circuit
KM-1301SAJ-E H-0 to L-1
| Title: A. Main Assembly & Refrigeration Circuit Model: KM-1301SAJ-E | ||||||||||||
|
Index No. |
Description |
Material or Model Number |
Part Number | Required Number | ||||||||
| H-0 to L-1 | ||||||||||||
| Main Assembly | ||||||||||||
| 1 | Front Panel | 2A2224-02 | 1 | |||||||||
| 2 | Gasket | L=1219 mm | 4A6408L02 | 1 | ||||||||
| 3 | Air Filter | 2A2063G01 | 4 | |||||||||
| 4 | Louver | 1A0548-01 | 4 | |||||||||
| 4a | Push Retainer | 4A2414-01 | 12 | |||||||||
| 5 | Top Panel | 2A2255-01 | 1 | |||||||||
| 6 | Right Side Panel | 2A2226G01 | 1 | |||||||||
| 7 | Control Box Cover | 3A2386-02 | 1 | |||||||||
| 8 | Front Insulation | 324215G01 | 1 | |||||||||
| 8a | Thumbscrew | 415949G12 | 1 | |||||||||
| 9 | Top Insulation | 324216G01 | 1 | |||||||||
| 10 | Spacer | 324321-01 | 1 | |||||||||
| 11 | Junction Box Cover | 4A1767-02 | 1 | |||||||||
| 12 | Main Transformer | 4A5262-01 | 1 | |||||||||
| 13 | Mechanical Bin Control | 2A8598G01 | 1 | |||||||||
| 13a | Thumbscrew | 415949G12 | 2 | |||||||||
| 14 | Bin Control Mounting Bracket | 3A5726-01 | 1 | |||||||||
| 14a | Thumbscrew | 415949G12 | 2 | |||||||||
| Refrigeration Circuit | ||||||||||||
| 15 | Compressor | 4A1749-03 | 1 | |||||||||
| 16 | Condenser | 2A7966-01 | 1 | |||||||||
| 17 | Left Evaporator Bank | SP-5430 | 2A8124G01 | 1 | ||||||||
| 18 | Right Evaporator Bank | SP-5431 | 2A8124G01 | 1 | ||||||||
| 19 | Separator Hook | 324152-01 | 8 | |||||||||
| 20 | Thermostatic Expansion Valve | 4A1482-01 | 2 | |||||||||
| 21 | Thermostatic Expansion Valve Cover | 3A0944-01 | 2 | |||||||||
| 22 | Thermostatic Expansion Valve Bulb Holder | 3A0107-01 | 2 | |||||||||
| 23 | Clamp | 443461-02 | 2 | |||||||||
| 24 | Hot Gas Valve Body | 4A3978-01 | 1 | |||||||||
| 25 | Liquid Line Valve Body | 4A3276-01 | 1 | |||||||||
| 26 | Valve Coil | 4A3277-01 | 2 | |||||||||
| 27 | Check Valve | 4A1373-01 | 2 | |||||||||
| 28 | High-Pressure Switch | 463180-01 | 1 | |||||||||
| 29 | Thermistor | 429006-03 | 1 | |||||||||
| 30 | Thermistor Holder | 427430-01 | 1 | |||||||||
| 31 | Fan Motor | 4A3158-01 | 1 | |||||||||
| 32 | Fan Motor Capacitor | 5MFD, 250VAC | 4A6435-02 | 1 | ||||||||
| 33 | Fan Blade | 4A0197-01 | 1 | |||||||||
| 34 | Strainer | 441569-02 | 1 | |||||||||
| 35 | Drier | 4A1113-01 | 1 | |||||||||
Water Circuit KM-1301SAJ-E H-0 to L-1
| Title: B. Water Circuit Model: KM-1301SAJ-E | ||||||||||||
|
Index No. |
Description |
Material or Model Number |
Part Number | Required Number | ||||||||
| H-0 to L-1 | ||||||||||||
| 1 | Pump Motor Assembly (includes items 2 through 9) | S-0862 | 215692A04 | 1 | ||||||||
| 2 | Pump Motor | 2U0106-01 | 1 | |||||||||
| 3 | Pump Motor Flange | 215662-01 | 1 | |||||||||
| 3a | Tooth Washer | 7R22-0600 | 2 | |||||||||
| 3b | Hex Bolt | 6×40, SS | 7B02-0640 | 4 | ||||||||
| 3c | Flat Washer | 7W22-0600 | 4 | |||||||||
| 3d | Split Lock Washer | 7L22-0600 | 4 | |||||||||
| 3e | Hex Nut | 7N12-0600 | 4 | |||||||||
| 4 | Mechanical Seal | 4A3820-01 | 1 | |||||||||
| 5 | Packing | 428547-01 | 1 | |||||||||
| 6 | Impeller | 334706G01 | 1 | |||||||||
| 7 | Pump Housing | 213687-01 | 1 | |||||||||
| 7a | Hex Bolt | 4×55, SS | 7B02-0455 | 4 | ||||||||
| 7b | Hex Flange Nut | 7J02-0400 | 4 | |||||||||
| 8 | Pin | 4A0648-01 | 1 | |||||||||
| 9 | Pump Motor Bracket | 323904-01 | 1 | |||||||||
| 10 | Water Supply Pipe | 4A5216G07 | 1 | |||||||||
| 11 | Rubber Gasket | 413854-03 | 1 | |||||||||
| 12 | Inlet Water Valve | 4A5251-02 | 1 | |||||||||
| 13 | Distributor Hose A | 439266-01 | 1 | |||||||||
| 14 | Distributor Hose B | 439239-01 | 1 | |||||||||
| 15 | Distributor Hose C (Tee) | 439238-01 | 1 | |||||||||
| 16 | Joint Pipe | 439297-01 | 1 | |||||||||
| 17 | Bypass Hose | 439237-02 | 1 | |||||||||
| 18 | Joint Hose | 439309-02 | 1 | |||||||||
| 19 | Flange | 439267-02 | 1 | |||||||||
| 20 | Spray Tube | 437049G01 | 6 | |||||||||
| 21 | Spray Guide | 2A4282-02 | 6 | |||||||||
| 22 | Separator A | 213622-01 | 2 | |||||||||
| 23 | Separator B | 2A0100-01 | 2 | |||||||||
| 24 | Cube Guide | 214243-01 | 2 | |||||||||
| 25 | Hose A | 435091-01 | 1 | |||||||||
| 26 | Hose B | 436599-01 | 1 | |||||||||
| 27 | Vinyl Hose | L=365 mm | 7716B2732 | 1 | ||||||||
| 28 | Vinyl Hose | L=165 mm | 7716B2732 | 1 | ||||||||
| 29 | Vinyl Hose | L=40 mm | 7716B1216 | 1 | ||||||||
| 30 | O-Ring | 7611-G035 | 1 | |||||||||
| 31 | Drain Valve Spring | 322110-01 | 1 | |||||||||
| 32 | Drain Valve Seat | 433705-01 | 1 | |||||||||
| 33 | Drain Valve Housing | 323613-01 | 1 | |||||||||
| 34 | Overflow Cap | 323978-01 | 1 | |||||||||
| 35 | Float Switch Connector | 426799-04 | 1 | |||||||||
| 36 | Float Switch | 4A7077G01 | 1 | |||||||||
| 37 | Silicone Hose | L=140 mm | 7730I3896 | 1 | ||||||||
| 38 | Silicone Hose | L=390 mm | 7730I3896 | 1 | ||||||||
| Title: B. Water Circuit Model: KM-1301SAJ-E | ||||||||||||
|
Index No. |
Description |
Material or Model Number |
Part Number | Required Number | ||||||||
| H-0 to L-1 | ||||||||||||
| 39 | Drain Hose | 324757-01 | 1 | |||||||||
| 40 | Drain Plug | 309246-01 | 1 | |||||||||
| 41 | Drain Plug O-Ring | 7611-P015 | 1 | |||||||||
| 42 | Cleaning Valve Handle | 215383-01 | 1 | |||||||||
| 43 | Cleaning Valve Micro Switch | 4A2546-01 | 1 | |||||||||
| 44 | Cleaning Valve Ball Valve | 439293-01 | 1 | |||||||||
| 45 | Cleaning Valve Male Adopter | 325826-01 | 2 | |||||||||
| 46 | Splash Guard | 4A6116-01 | 2 | |||||||||
| Hose Clamps | ||||||||||||
| 47 | Hose Clamp | 13.5 mm | 427443-07 | 6 | ||||||||
| 48 | Hose Clamp | 25 mm | 427443-03 | 9 | ||||||||
| 49 | Hose Clamp | 32 mm | 427443-09 | 6 | ||||||||
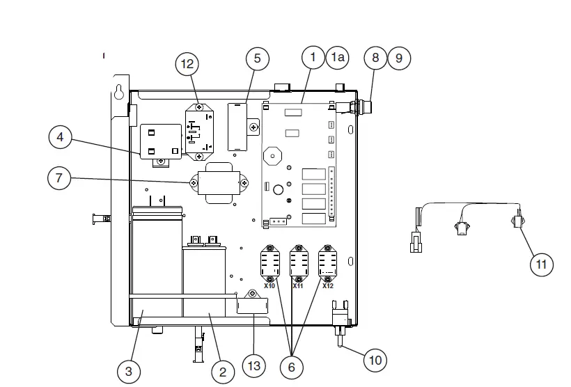
Control Box Assembly KM-1301SAJ-E H-0 to L-1
| Title: C. Control Box Assembly Model: KM-1301S_J-E | ||||||||||||
|
Index No. |
Description |
Material or Model Number |
Part Number | Required Number | ||||||||
| H-0 to L-1 | ||||||||||||
| 1 | Control Board | 2A7664-04 | 1 | |||||||||
| 1a | Control Board Support | 4A0336-03 | 4 | |||||||||
| 2 | Run Capacitor | 35MFD, 440VAC | 3A2005-12 | 1 | ||||||||
| 3 | Start Capacitor | 160MFD, 330VAC | 4A1094-01 | 1 | ||||||||
| 4 | Start Relay | 4A1107-13 | 1 | |||||||||
| 5 | Pump Motor Capacitor | 15MFD, 250VAC | 4A2128-02 | 1 | ||||||||
| 6 | Relay X10 – Pump Motor Relay X11 – Control Relay X12 – Slush Control Relay | 406132-07 | 3 | |||||||||
| 7 | Control Transformer | 3A0172-01 | 1 | |||||||||
| 8 | Fuse Holder | 4A5443-01 | 1 | |||||||||
| 9 | Fuse | AGC-10A, 250VAC | 4A0893-07 | 1 | ||||||||
| 10 | Control Switch | 4A2436-01 | 1 | |||||||||
| 11 | Bin Control Wire Harness | 4A5197G01 | 1 | |||||||||
| 12 | Compressor Relay | 4A3140-01 | 1 | |||||||||
| 13 | Fan Motor Capacitor | 5.0MFD, 250VAC | 4A6435-02 | 1 | ||||||||
Accessories & Labels KM-1301SAJ-E H-0 to L-1

| Title: D. Accessories & Labels Model: KM-1301SAJ-E | ||||||||||||
|
Index No. |
Description |
Material or Model Number |
Part Number | Required Number | ||||||||
| H-0 to L-1 | ||||||||||||
| 1 | Hoshizaki Emblem Label | 4A0560-01 | 1 | |||||||||
| 2 | Penguin Label | 475552L02 | 1 | |||||||||
| 3 | Universal Brace | 4A0363-02 | 2 | |||||||||
| 3a | Hex Bolt | 5×12, SS | 7B02-0512 | 4 | ||||||||





















