BRINK Evap-WTW HomEvap HRV Humidifier

This product may be used by children aged 12 years and over, persons with reduced mental capacity, physical limitations or lack or experience and knowledge if they are supervised or have been instructed in the use the product safely and are aware of the possible hazards. Children should not play with the product. Cleaning and maintenance by the user may not be carried out by children without supervision.
Delivery
Scope of supply
Before installing the Evap, check that the Evap Air Humidifier is complete and undamaged.
The following components are supplied with the Evap humidifier:
A housing fitted with 2 round connections of R200 mm. The following components are attached to the housing:
- One fibreglass (1) absorbent matrix cassette with LegioSafe water filter,
- One (1) PTC electric heating element,
- One (1) cord with connection adapter for SHC80 sensor (L=1m),
- One (1) water supply hose (L=1m; Ø=4mm; adapter ¾” outside and filter),
- One (1) cord with coupling for cord with mains plug (L=1m),
- One (1) cord fitted with a temperature sensor T3 (L=2m),
- One (1) water drain hose (L = 1500mm¹; Ø = 16mm¹) with wire spring clamp¹.
Supplied separately are:
- One (1) combined humidity-temperature sensor (SHC80)

- One (1) cord with coupling for cord with mains plug (230VAC; L=1m)

Evap accessories
| Product description | Product code |
| Evap controller | 351020 |
| Evap reducer-set D200 – D125 | 351032 |
| Evap reducer-set D200 – D150 | 351033 |
| Evap reducer-set D200 – D180 | 351034 |
Operation
The purpose of the Evap is to humidify air passing through wetted media in an energy-efficient, silent and safe way. The adiabatic humidification process is carried out in the humidifier unit and increases the humidity in the air supply to the room.
The Evap humidifier must be installed in the air duct to the building.
Principle of operation
The Evap is installed in the air duct to the building. The humidifier operates completely independently and switches on when the (absolute) outside air humidity becomes too low.
The switching is linked to the prevailing outside temperature, using an average meteorological year as the reference year. This value is controlled by the T3 temperature sensor, which must be installed in the outdoor air duct. The default temperature setting for triggering the Evap humidification unit is 12°C.
The Evap then humidifies the supplied air until that air reaches a maximum relative humidity of 78%.
The integrated PTC preheater is only operational when the air temperature is lower than 17°C after humidification. This limits the energy usage of the PTC preheater.
The maximum moisture supply capacity is 4 kg/h (approx. 4 liters per hour) and is highly dependent on the air temperature and air flow across the Evap humidifier. The maximum air flow capacity of the Evap is 600 m3/h
Safety
The water is legionella-safe because of the built-in, patented, legionella-free LegioSafe water distributor. The supply water first passes through the LegioSafe before it moistens the matrix. As a result there is no risk for the inhabitants of houses or buildings. Only fresh water is used. There is no recycling of water. The matrix is completely dry if there is no demand for humidification.
The SHC80 duct sensor also supplied measures the relative humidity and temperature in the duct after the Evap. This position guarantees the maximum operation and condensate-free ducts under the normal conditions of use of our design.
The Evap air humidifier has several safety features:
- A mechanical Klixon temperature switch that switches off the PTC preheater if the set temperature is exceeded.
- An additional temperature sensor in the humidifier unit that also switches off the PTC preheater if the set temperature is exceeded.
- Legionella shutdown protection. If the air humidifier unit is switched off for 72 hours, the water valve will automatically open and flush the pipes and the Evap cassette for 30 seconds to prevent legionella from forming.
- Water valve security. The filter in the water supply coupling ensures that dirt can not damage the water valve.
Use
The Evap can be used on any central balanced ventilation system.
Description of the components
The main components of the Evap are:
The inner part
The inner part of the Evap is made of EPP (expanded polypropylene). The advantages of this material are its low weight, good water tightness, good air tightness and recyclability. The housing consists of an upper and a lower part that are fixed to one another by two fixing rings. At the bottom is the compartment with the water valve, the controller board and the transformer, sealed by an EPP cover bearing safety symbols. On both sides there is a round duct connection of d=200 mm internal and d=250 mm external dimensions.
Internal construction
The internal construction has been developed to provide an optimum air flow that is safely humidified. A cassette is fitted in the Evap humidifier, in which the patented legionella-safe filter, LegioSafe and the matrix are installed. The supply water passes through the filter, after which the filtered water humidifies the matrix. The supplied air is passed through the matrix; humidifying occurs through contact between the air and the wet matrix surface. Surplus water is drained. The PTC preheater is only operational when the air infeed temperature falls below the set minimum temperature.
Humidity and temperature sensor (SHC80)
The SHC80 duct sensor also supplied measures the relative humidity and temperature in the duct after the Evap. This position guarantees the maximum operation and condensate-free ducts under the normal conditions of use of our design.
Temperature sensor (T3)
The temperature sensor T3 is a temperature probe that must be fitted in the outside air intake duct of the HRV unit. The T3 determines automatically when the Evap humidifier is switched on or off.
Description of accessories
- Controller (optional)
The Evap humidifier can be operated, read and set using a (wireless) separate controller.
The control panel is fitted with 4xAAA batteries and is linked solely to the Evap humidifier. The relevant instructions are in the Evap controller manual. - Operation
As soon as the relative humidity sensor in the controller measures a lower humidity than the set value, the Evap humidifier is activated. The software has been designed to achieve an optimum output with minimum water consumption and at lower energy costs. - Safety
In addition the control has a number of other built-in safety devices and indication functions.
The signalling lights of the control PCB are at the bottom of the humidifier.
The necessary reports are also transferred to the display.
Technical specifications
Specifications
| Description | |
| Dimensions LxBxH | 258 x 344 x 335 mm |
| Humidification capacity | 0-4 litre |
| Load capacities | 230V/ 50HZ |
| Maximum power consumption | 900 W/h |
| Average annual consumption | 160 kWh |
| Maximum water consumption | 5 litre per hour |
| Water supply connection | ¾ internal thread with connection to 4mm |
| Water drainage connection | 16 mm spiral hose¹ |
| Maximum air volume | 600 m3/u |
| Duct connection | Standard d= 200 mm |
| Weight | 6 kg |
| Starting point Water quality | Water hardness <9dgH, TDS <350ppm See chapter 7 Maintenance |
Illustrations

Installation
Order of operation
- Locate the Evap air humidifier in the air supply duct as close as possible to the HRV unit. The minimum distance after a bend is 150mm.
- It is important during installation that sufficient clearance is available so that the Evap humidifier can be rotated at all times without the need for dismantling when replacing the Evap cassette.
WARNING ! The Evap humidifier must be installed perfectly level! - Keep at least 100 millimetres clear space at the bottom.
- Install the Evap humidifier horizontally between the ducts or air hoses.
The Evap humidifier must hang level to guarantee good water drainage. - Use brackets with M8 thread connection to hang the unit.
- Connect the black 4mm hose with the ¾” adapter to the mains water supply, for this use a ¾” washing machine tap with check valve.
- Make sure that the water pressure is between 1.5 bar and max. 3.5 bar.
- The Evap humidifier is supplied with a 16 millimetres¹ drain hose with a length of 1500 millimetres¹.
WARNING: N. B.! The drain hose must be connected to the sewer depressurized and with sufficient fall! NO water may remain in the hose! - Fit the temperature sensor (T3) in the air supply duct of the outside air duct.
- Fit the humidity and temperature sensor (SHC80) as close as possible after the Evap in the air duct to the dwelling, with a minimal distance of 20 centimeters and a maximum distance of 100 centimeters.
WARNING: N. B.! The sensor(s) may not be damaged or get wet! - Insert the plug into the socket. Check the voltage, green power LED comes on.
- Open the water supply tap and check for leaks in the water supply and the drain.
- The Evap humidifier automatically activates a pre-programmed test program. During the test cycle, the service light will flash at intervals of 5 seconds.
- After the test cycle, check the entire system for leaks (water supply and drainage).
- After 1 hour, check the entire system again for leaks (water supply and drainage).
- The Evap is now ready for operation.
- Optional
Open the controller packaging and follow the instructions in the manual.

Faults
When the control in the Evap detects a fault, this is displayed at the bottom of the product by the alarm symbol (bell) by means of an LED. To reset the alarm the product must be briefly disconnected from the power supply by removing the plug from the socket and then replacing this in the socket after 10 seconds. A TEST cycle of approximately 3 minutes will start, during which the service LED flashes. The light stops flashing when the test is over. The Table¹ below shows different causes of an alarm and the repair or control action.
| Alarm LED | Meaning | Action | Reset | |
| Alarm LED on | Contact System On/Off broken, unit switches off | Restore contact System On/Of, see wiring diagram | Automatic | |
| Alarm LED blinks 3 times | Contact with SHC80 sensor broken | Check SHC80 wiring and if necessary repair, check that the light on SCH80 sensor flashes regularly, if not replace faulty sensor. | Automatic | |
| Alarm LED blinks 5 times | T3 sensor outside air faulty | Check wiring for break or wear, in case of doubt replace sensor. | Automatic | |
|
Alarm LED blinks 9 times |
There is no increase in channel RH% (T1 SHC80), for a period of 3 hours. The unit turns off. | – Check if the water tap is open. | Automatic | |
| If the tap is open and there is a demand (outside | ||||
| temperature below 12 ° C) check the strainer in the | ||||
| connection coupling, it must be clean. | ||||
| – Check the functioning of the water valve. Disconnect the black supply hose from the knee on the unit, and reset the unit by plugging out and plugging in again; if water comes out and the water valve and this stops after 90sec, then the valve is OK, the water keeps flowing or no water comes out of the hose, then the water valve is defective, replace the water valve. If the water valve works and the matrix does not get wet after the valve has switched, the | ||||
| legionella filter is clogged; replace the cassette. | ||||
| If the matrix does get wet and still has an alarm, the | ||||
| matrix is contaminated and the cassette must be | ||||
| replaced. Product No .: 351025 | ||||
| Alarm LED blinks 15 times | Heating faulty | Check air temperature after the humidifier, this must be >8ºC, if not air heater is faulty. Call installer for replacement. | Automatic | |
| Alarm LED blinks 17 times | No airflow | Check if HRV is working. If this works, the matrix is contaminated and must be replaced. Product No .: 351025 | Automatic | |
| Alarm LED blinks 19 times | T2 sensor faulty | Check wiring for break or wear, in case of doubt replace sensor. | Automatic | |
|
Service LED |
The cassette | To be able to humidify safely it is necessary to replace the complete cassette; Order product code 351025 from your dealer. | Reset the service alarm | |
| at the bottom by pressing and holding the reset button for 30 seconds. The opening | ||||
| In the interim, you can reset the service alarm at the bottom by pressing and holding the reset button for | is located next to the service LED.
| |||
| continuously on | must be replaced | 30 seconds. The opening is located next to the | ||
| service LED. | ||||
| ATTENTION the LegioSafe filter will soon become | ||||
| obstructed, after which proper and safe operation is | ||||
| no longer guaranteed!! | ||||
Maintenance
The Evap humidifier is equipped with a removable EVAP cassette
(article code 351025) in which an EVAP matrix and LegioSafe filter are mounted. The matrix cannot be cleaned. The EVAP cassette must be replaced if the RV% measured by the duct sensor (SHC80) is no longer above 50%.
If this happens, an alarm is generated. See chapter 6. The service life depends on the number of dissolved minerals in the water. The water hardness is an indication of this. With a water hardness of> 9dgH, the service life is probably shorter than the service indication.
The LegioSafe filter is in the EVAP cassette. The lifespan of this is determined by the number of sediments in the water. The service indication is valid for water that has a TDS value of less than 350ppm. (TDS Total Disolved Solids)
If you want to know what the water quality is in your area, you can request this from your water company. If these values are higher in the water, we advise you to take appropriate measures. For example, consider a sediment filter or a reverse osmosis water filter.
If the values are higher than stated in table 4.1, the service life of the cassette is shorter.
The Evap cassette must be replaced at least every 2 years or if the service indicator light for filter replacement comes on. The visible service message is an LED light (next to the key symbol) on the bottom of the humidifier.
ATTENTION: the operations for replacing the cassette must be carried out by an authorized person.
Procedure for replacing cassette
- Remove the plug from the socket.
- Disconnect the water supply.
- Make sure that the drain hose is free and can move with the movement that is necessary to gain access to the top.
- Make sure that the water supply hose has sufficient room to move with it, or disconnect from the tap.
- Undo the screws on the side of the brackets so that the Evap humidifier can be turned in the bracket. Use a crosshead 2 or 3 screwdriver.
- Turn the Evap humidifier 90° so that the cassette is accessible. Take into account any leakage water from the side of the unit!
- Disconnect the Evap cassette from the water supply by pushing in the ring of the knee joint (on side of the housing) and sliding the whole knee off of the black hose. In this way the cassette is disconnected and can be removed.

- Pull/slide the cassette from the Evap humidifier, using the supplied tool (large plug).
- Clean the inside of Evap with a soft cloth if necessary.
Do NOT use a cleaning product! - Remove the new Evap cassette from the packaging.
- Push/slide this into the unit.
- Push the black elbow coupling (on the Evap cassette) onto the black hose.
- Turn the Evap humidifier so that it is sitting level.
- Tighten the brackets.
- Open the water supply duct
- Insert the plug into the socket.
- Your Evap humidifier is again safe, reliable and ready for a new period!
Specific actions are required when replacing the cassette. Should you have any doubts about how to replace the cassette, we recommend that you contact your installer.
NB: The entire used Evap cassette, including the residual waste, may be disposed of.
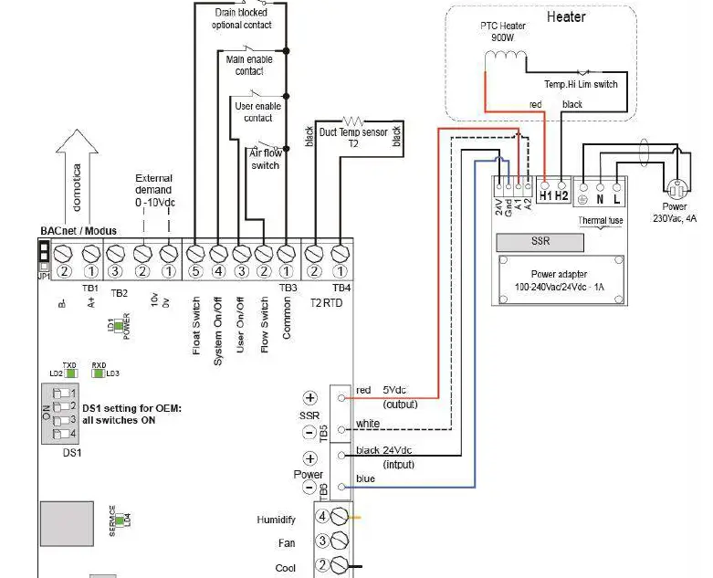
Wiring diagram


Service
Service products
| Product description | Product code | |
| 1 | Evap cassette + LegioSafe | 351025 |
| 2 | Evap air heater | 351027 |
| 3 | Evap water valve | 351028 |
| 4 | Evap drain set | 351038 |
| 5 | Evap PCB 3 | 351039 |
| 6 | Evap SHC80 sensor | 351035 |
| 7 | Evap Outside-temperature sensor | 351036 |
| 8 | Evap Powerplate humidifier 3 | 351040 |
| Vervangingset AC DC | 351041 |
Exploded view

Version adjustment
The following components and table apply up to serial number BR2018-H-00025:
- Length of drain hose 500mm
- Drain hose Ø = 15mm
- Knee on drain instead of wire spring clamp
- Alarm and alarm table:
| Alarm LED | Meaning | Action |
| Alarm LED flashes | No airflow | Check that the HRV unit fan is moving air. |
| Alarm LED continuously on | Contact with SHC80 sensor broken | Check SHC80 wiring and if necessary repair, check that the light on SCH80 sensor flashes regularly, if not replace faulty sensor. |
|
Alarm LED continuously on |
No water supply | – Check if the water tap is open. If the tap is open and there is a demand (outside temperature below 12 ° C) check the strainer in the connection coupling, it must be clean. – Check the functioning of the water valve. Disconnect the black supply hose from the knee on the unit, and reset the unit by plugging out and plugging in again; if water comes out and the water valve and this stops after 90sec, then the valve is OK, the water keeps flowing or no water comes out of the hose, then the water valve is defective, replace the water valve. If the water valve works and the matrix does not get wet after the valve has switched, the legionella filter is clogged; replace the cassette. If the matrix does get wet and still has an alarm, the matrix is contaminated and the cassette must be replaced. Product No .: 351025 |
| Alarm LED continuously on | Heating faulty | Check air temperature after the humidifier, this must be >17ºC, if not air heater is faulty. Call installer for replacement. |
| Alarm LED continuously on | T3 sensor outside air faulty | Check wiring for break or wear, in case of doubt replace. Testing can be done by keeping the sensor at 8°C or colder in water or air; the Evap must then be activated because the water valve opens. |
|
Service LED continuously on |
The cassette must be replaced | To be able to humidify safely it is necessary to replace the complete cassette; Order product code 351025 from your dealer.
In the interim, you can reset the service alarm at the bottom by pressing and holding the reset button for 30 seconds. The opening is located next to the service LED.
ATTENTION the LegioSafe filter will soon become obstructed, after which proper and safe operation is no longer guaranteed!! |
|
Power LED flashes | There is no communication between optional controller and humidifier | Check status of the batteries on controller. If necessary replace (4xAAA). Reduce distance between the Evap module and the controller if WIFI symbol is not visible, press (MODE) button to restore and test connection. |
Declaration of Conformity
Under the EC Low Voltage Directive 2014/35/EU and EMC Directive 2014/30/EU we declare that the product Evap humidifier has been developed and constructed in accordance with these Directives.
- Supplier: Brink Climate systems B.V.
- Address: Postbus 11 NL-7950 AA Staphorst, The Netherlands
- Product: Humidifier type: Evap
Standards
Standards used for the components of the Evap are:
- EN ISO 12100:2010
- EN 60335-1:2012/A12:2017
- EN 60335-2-98:2003/A2:2008
- EN 62233.:2008
- EN 61000-3-2:2014
- EN 61000-3-3:2013
- EN 55014-2:2015
- EN 60204-1:2018
Fire safety of Matrix material used
Fire test of evaporative media: EN ISO1182 & EN13823 declared Euro Class ‘’A2-S2, d0’’
Hygiene assessment
The Evap is fitted with a registered LegioSafe water filter, this filter reduces the number by 99.9999% (log6).
Upon use according to the manual, water will always contain less than 100 CfU/ml legionella
M. Schouten
Technical Director
BRINK CLIMATE SYSTEMS B.V.
Postbus 11 NL-7950 AA Staphorst Wethouder Wassebaliestraat 8 7951SN Staphorst T. +31 (0) 522 46 99 44
F. +31 (0) 522 46 94 00
[email protected]
www.brinkclimatesystems.nl



WARNING ! The Evap humidifier must be installed perfectly level!





















