MAINSTREET EQUIPMENT 541EC1D Electric Convection Ovens

INTRODUCTION
Congratulations on your purchase of Main Street Equipment commercial cooking equipment! At Main Street Equipment, we take pride in the design, innovation, and quality of our products. When used as intended and with proper care and maintenance, you will experience years of reliable operation from your Main Street Equipment equipment. To ensure optimal performance, we have outlined the following instructions and guidelines in this manual carefully for your review. Main Street Equipment declines any responsibility in the event users do not follow the instructions or guidelines stated here.
WARNING
- Any incorrect installation, maintenance, or self-modification can lead to property loss, bodily harm, or death.
Please contact Main Street Equipment for any adjustment or maintenance. Service must be performed by an authorized technician. - For the safety of everyone involved, please keep the equipment away from any flammable or explosive objects and substances. Do not store or use any such items in the vicinity of this unit.
- This equipment should not be operated by persons with insufficient experience or knowledge of the equipment (including children), nor should it be used by those with physiological, perceptual, or mental disabilities without proper supervision.
- Keep children away from the equipment for their safety.
- Always keep this manual accessible. When transferring possession of the equipment to a third party, the manual must also be handed over. All users must operate the unit in compliance with this manual.
- Any nearby walls, surfaces, kitchen supplies, etc. should be noncombustible and heat resistant. Please pay special attention to fire prevention regulations.
PRODUCT OVERVIEW
The 541EC1D/C features a sturdy steel construction with 4 adjustable legs. It is equipped with a built-in two speed convection fan for temperature uniformity throughout the cavity. This oven features high efficiency heating elements and an electronic thermostat to ensure accurate temperate for precise cooking.
STACKING OVEN INSTRUCTIONS
NOTE: Requires two like ovens and stacking kit (#54117046014)
NOTE: We require the stacking to be performed by an authorized service agent or installer. It takes two people to lift the ovens.

- Install the caster plate (Fig. 1A)
- Install the caster or legs (fig, 1B)
- Align the top notches of the lower oven with the notches on the bottom of thee upper oven (fig.2)


Attach the top and bottom unit with connecting plates and screws.(fig.3)
Stacking is complete (Fig.4)
SPECIFICATIONS
| 541EC1C | 541EC1D | |||
| 1 Phase | 3 Phase | 1 Phase | 3 Phase | |
| Total Power | 11.5 kW | 10.1-11.9 kW | ||
| Voltage | 208 | 240 | ||
| Amps | 55 | 34 | 50 | 30 |
| Overall Dimensions (Single Oven) | 381/8” × 411/2” × 541/8” | |||
| Overall Dimensions (Stacked Oven) | 381/8” × 411/2” × 631/2” | |||
| Oven Chamber Dimensions | 29” × 221/4” × 20” | |||
| Temperature Changes | 150-500°F | |||
| Fan Speed (High) | 0.5 HP | |||
| Fan Speed (Low) | 0.14 HP | |||
| Weight (Single Oven) | 403.45 lb. | |||
| Clearance | 0” sides, 2” rear, 6” from heat producing equipment | |||
NOTE: 541EC2D/C ovens consist of two like 541EC1D/C ovens – please see the spec table above for the individual oven/cavity specifications.
NOTE: Each oven requires its own electrical connection.
NOTE: Please note that while the phases on these ovens are convertible, the voltages cannot be converted.
If you have the wrong voltage, you will need to purchase a unit with the correct voltage.
STARTUP
- Remove packaging before beginning
NOTE: Some parts are protected with an adhesive film. Remove any glue residue with approved substances, such as Noble Chemical Strike All Purpose Cleaner (#147STRIKE1G); never use abrasive substances. (See Cleaning & Maintenance on pg. 12 for our other recommended cleaning agents and further cleaning instructions).
- Mount the feet, adjusting them to make the unit
- The electrical connections must be close to the equipment and easy to
- Place the unit under an exhaust hood to comply with your local
- Install the unit at least 2” from the wall and at least 6” from other heat-producing
Any wall, surface, cabinet, table, etc. in close proximity to the equipment should be made of non-combustible materials with proper thermal insulation.
- Law provisions, technical regulations, and directives: The manufacturer requires the installation to be performed according to national and local codes and must be performed by a licensed
- Checking the functions: The serial plate, like the example to the right, is located on the right side panel. Please ensure that the voltage stated on the serial plate is compatible before performing the electrical connection.

NOTES FOR THE INSTALLER
- Explain and demonstrate to the user how the equipment works according to the instructions, and ensure that the user manual is
- Remind the user that any structural alterations or modifications made to the room that houses the equipment will warrant a recheck of the equipment
- Do not install the equipment close to other units that can reach high temperature, as the electrical components could be A 6” minimum clearance is required from such equipment.
ELECTRICAL CONNECTION
The oven must be electrically grounded in accordance with all local and national codes (in the USA, the National Electrical code ANSI/NFPA no. 70 is applicable).
PHASE CONVERSION INSTRUCTIONS
Please follow the below steps to convert the phase of your oven to match your application.
NOTE: Only phase can be converted. The voltage of these ovens cannot be converted.
Please ensure that your oven is the proper voltage to be used with your electrical connection.

- Remove wires ‘a’, ‘B’, ‘b’, and ‘C,’ from their terminal block locations
- Secure wires ‘A’, ‘B’, and ‘C,’ to the same terminal block location
- Secure wires ‘a’, ‘b’, and ‘c,’ to the same terminal block location
Reference image above
- Remove wires ‘a’, ‘B’, ‘b’, ‘C,’ from their terminal block locations
- Secure wires ‘A,’ and ‘a,’ to the same terminal
- Secure wires ‘B,’ and ‘b,’ to the same terminal block location
- Secure wires ‘C,’ and ‘c,’ to the same terminal block location
Reference image above
EXHAUST SYSTEM
The room where the equipment is installed must be fitted with air intakes to guarantee the correct operation of the unit and air exchange.
- During installation, make sure the air suction and evacuation ways are free from any
- This unit must be installed per all applicable hood
- This unit is not designed to be directly connected to an evacuation duct for the discharge of combustible
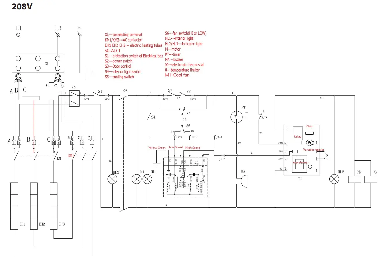
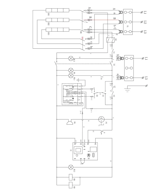
ELECTRICAL DIAGRAMS

240V

OPERATING INSTRUCTIONS
CONTROL PANEL

COOKING INSTRUCTIONS:
- Turn the oven ON using the Power Switch at the top of the control
- Select the desired fan speed using the Fan Speed The appropriate fan speed (HI or LOW) depends on the type of food being cooked.
- Switch the Fan Mode to The fan will run continuously when the oven doors are closed (the fan does not cycle on and off with the burners). If this switch is set to COOL, the fan will continue to run when the oven doors are open.
- Set the cooking temperature by turning the Cook Temperature Control until the indicator mark on the knob is pointed to desired cooking The HEAT ON indicator will light when the burners are on and will remain on while the oven preheats.
- Wait until the HEAT ON indicator has gone out. At that time the oven will have reached the set cooking
- Open the oven doors, load the product into the oven, and close the
- You can use the Cook Timer as a reminder of when to remove the product from the Turn the Cook Timer knob until the indicator mark points to the desired cooking time (up to 55 minutes). The timer knob will rotate counterclockwise as the timer runs down, indicating how much time remains. You can turn the knob while cooking to increase or decrease the remaining time. When the timer runs out, a buzzer will sound for a short time, then turn itself off. (To immediately silence the buzzer, turn the Cook Timer knob to the OFF position.) The timer is a reminder to you; it does not control the oven.
- If you open the oven doors, the burners and fan will shut off until the doors are closed. However, the timer will continue running even if the doors are
- To turn on the oven light, press and hold the switch located at the bottom of the control.
- To rapidly cool the oven cavity when finished cooking: Turn thermostat down to lowest level, open the oven door, switch the fan to COOL mode, and fan speed to This will cause the fan to run even with the doors open.
- When you are done cooking, turn the Cook Temperature Control to the lowest setting (fully counterclockwise) and flip the Power Switch to the lowest setting (fully counterclockwise)
and flip the Power Switch to OFF.
HIGH TEMPERATURE RESET :
WARNING: PLEASE UNPLUG AND DISCONNECT UNIT BEFORE REMOVING THE BOLT AND OPENING THE CONTROL PANEL TO AVOID INJURY.
- Remove the 7mm bolt that secures the control (Fig. 1/2)


- Open the control panel by carefully pulling down, lowering it from the (Fig. 3)

- Reset the temperature The temperature limiter is installed on a small bracket behind the control panel (Fig. 4). Press the reset button manually. The unit will operate under the new settings once powered on.

- Close the control panel and re-install the 7mm bolt to
- Power the unit on for
WARNINGS
- Always ensure proper supervision while the equipment is in
- Simple adjustments to knobs, leg height, do
not require assistance from specialized personnel. For more technical adjustments, please consult a qualified technician.
- Use only parts and accessories recommended by Mainstreet
- During the initial uses of the equipment, an acrid or burning smell may be detected. This will disappear after two or three uses. Or set unit to 450-500°F for 30 min. or until smell starts to disappear, then turn unit off and let
- The equipment will remain hot for a short time after use (residual heat). Avoid all physical contact with the unit during this time to prevent
- This equipment is strictly for professional use and must be used by qualified
- The installation, startup, and maintenance of this equipment must be carried out by a qualified
- All installation must be carried out according to the Mainstreet Equipment is not responsible for damages due to an incorrect installation, improper maintenance, or incorrect use.
NOTE: These are very important regulations; if they are neglected, the equipment may not perform properly or the user may be placed at risk and void manufacturer warranty.
CLEANING & MAINTENANCE
- Before cleaning, turn off the unit and let it cool
- Carefully clean the equipment daily to promote proper operation and long.
- Steel surfaces must be cleaned with cleaning agents such as Noble Chemical Sun bright, Noble Chemical Knockout, or Noble Chemical Blast, diluted in very hot water using a soft cloth; do not use abrasive powder detergents or corrosive substances. The use of acids can affect the unit’s operation and Do not use brushes, steel cottons, or abrasive disks made with other metals or alloys that may cause rust stains due to contamination. For the same reason, avoid contact with iron objects. Do not use stainless steel brushes, as they can cause damaging scratches.
- Metal powder, metal shavings, and iron material in general can cause stainless steel to Superficial rust stains may be present on new equipment and they can be removed with a detergent diluted in water and a scouring pad. If dirt is difficult to remove, a sponge may be used. Please note that rust is not covered by
the warranty.
- Use only approved substances to clean the unit as some chemicals could damage the unit. Rinse properly after cleaning with clean water, do not spray directly with water
- We recommend that the user subscribes to a maintenance agreement to have the equipment checked at least once per year by an authorized
- Before carrying out any maintenance or repair, disconnect and unplug the equipment. Use only original spare parts supplied by Main Street
- If the equipment is not going to be used for a long period of time, it is advised to clean the equipment and surrounding areas























