Laney Lionheart L5-Studio USB Head User Manual

Introduction
Designed, engineered and built with pride in Great Britain.
The Lionheart range brings boutique Single-Ended & Parallel Single-Ended Class ‘A’ tube tone to the discerning player who is looking for uniquely responsive BRITISH tube tone.
The L5-STUDIO’s 5W Class A Single Ended output stage oozes classic, warm tube tones. The harder you drive it, the better it sounds. Plus with enough gain for contemporary tones, it also has a mean, spiteful side to it as well – making it ideal for any style of playing. Perfect for studio and practice use (using the 5W or 0.5W output), but equally at home on stage plugged into a Laney LT112 or LT212 cabinet. The sound will blow you away. Utilising the T-USB technology first released in the IRT-Studio, the L5-STUDIO lets you combine the worlds of VALVE tone and digital flexibility in a way not previously available to players who were looking for vintage aesthetics, great valve tone all combined with modern features.
Every Lionheart product is extensively play tested by experienced guitarists before being shipped to our customers. Only when the unit is finished to our complete satisfaction is it assigned its own unique build number which is then hand stamped onto the rear mounted plaque.
Your L5-STUDIO should give you years of trouble-free amplification, however please take time to read this manual and familiarise yourself with the controls as it will allow you to get the best from your amplifier. We hope you enjoy using your L5-STUDIO as much as we enjoyed designing and making it.
Best wishes from all at Laney.
L5-STUDIO FEATURES

- HI INPUT: ‘Hi’ stands for high gain. This input is designed for the connection of low output level guitars making it well suited for guitars with single coiled or low gain hum bucker type pickups. Use of high gain pickups in this input may drive the preamp too hard causing a “mushy” sound. Only use good quality guitar cable.
- LO INPUT: ‘Lo’ stands for low gain. This input is attenuated down approximately 50%
from the Hi input and is designed for high output level guitars. It is useful in obtaining output that is “tight” not “mushy” from high gain humbucker type pickups. Also use this
input for the cleanest full range sound with extended low end response. Only use good quality guitar cable. - CLEAN VOLUME: Sets how loud the clean channel is. Try cranking it up a little to drive
the power tubes harder for that real retro sound and feel that only a quality tube amplifier
can deliver. Now use your guitar volume to control the amount of distortion. (Wind it up for distortion back it off a little for clean). - BRIGHT: Adds brightness and life to the treble frequencies of your guitar when on the clean channel. Adds edge and picking emphasis when on the drive channel. The switch has
more effect at low Clean Volume/Drive control settings. Use in conjunction with the Treble
and Tone controls for optimum performance. Switch up to enable.
- DRIVE: Sets the level of tube preamplifier drive or how dirty your sound is. This control
should be used in conjunction with the Drive Volume (6) Setting low levels of gain with high
levels of volume will give a clean preamplifier sound with tube output stage overdrive.
Setting a medium drive level and medium Drive Volume will give a nice crisp bluesy lead
tone, again with the ability to drive the output stage at higher Drive Volume settings.
Setting a high level on the Drive control and a low setting on the Drive Volume will give you a punchy hard rock lead tone, with the ability to again drive the output tubes at higher Drive volume settings. Having set the Drive and Drive Volume controls to your desired sound try backing off your guitar volume and tone controls for lots of other cool sounds. Good tube amplifiers have the unique ability to produce a wide range of sounds by using only your guitar controls, playing weight and style. - DRIVE VOLUME: Sets how loud the ‘Drive’ channel is. It is useful to experiment with drive levels and drive volumes. If you want a very open, warm and semi overdriven sound try reducing the amount of drive and increasing the drive volume. This reduces pre-amp gain but pushes the power amp section and makes it work harder giving you a very desirable
level of power amp distortion which is a very pleasing “retro” style sound. - DRIVE SWITCH: Switch up to enable the ‘Drive’ channel. (This switch must be in the down (OFF) position in order for the drive to be switched remotely via a foot switch.)
- DRIVE LED: This LED will illuminate when the Drive channel is activated with the Drive
switch (8) or the included Laney FS2-MINI remote footswitch. - BASS, MIDDLE, TREBLE: These are a traditional set of passive tone controls. Passive
controls have the advantage of always sounding musical at any of their settings mainly due
to their unique interactive nature. This gives players a more natural set of tools to create
their ideal sound. (Try them all set at midway (5) as a good starting point).
- REVERB: Controls how loud the built in reverb sounds.
- TONE: The tone control works in a similar fashion to the Tone control you probably have
on your guitar except that it uniquely works at the other end of the amplification chain. This
has the ability to not only control the overall top end response but also reduce upper end
harmonics on the output stage and preamplifier overdrive sounds. This will give you bright
cutting sounds at high settings and smooth rounded sounds at lower settings. (Midway (5)
is a good starting point). - STANDBY SWITCH: Disconnects the main HT voltage from the tubes but keeps the tubes warm so that they are ready to go instantly. Switch to standby for short breaks when you don’t want to wait for the tubes to warm up again.
- POWER LED: This led will be lit when the amplifier is switched on. (Always switch off and disconnect the power cord when not in use).

- POWER INLET SOCKET: POWER INLET SOCKET: Connect to your power source. Make sure the specified voltage is correct for your country!
- POWER FUSE: This drawer contains the main safety fuse for the unit. USE ONLY THE
CORRECT SIZE AND RATING OF FUSE AS SPECIFIED ON THE PANEL. If a fuse blows or fails and a replacement of the same size and rating is installed and it in-turn blows, the amplifier has suffered a malfunction internally and needs immediate service from a qualified technician. DO NOT TRY USING A FUSE OF HIGHER RATING. This may cause serious, irreparable damage to the amplifier and presents a serious fire hazard. The mains fuse ratings are detailed in the specification section at the rear of this manual. - POWER: Main power switch for unit.
- SERIAL NO: Displays the model and serial number of the unit.
- HT FUSE: This fuse protects the DC power to the tubes within the amplifier. USE ONLY
THE CORRECT SIZE AND RATING FUSE AS SPECIFIED ON THE PANEL. If the HT fuse blows or fails, and a replacement of the same size and rating is installed and it in turn blows, the amplifier has suffered a malfunction. Firstly check the output tubes and replace faulty ones if required. If the tubes aren’t the cause of the problem, the amplifier should be checked out by a qualified technician. DO NOT TRY USING A FUSE OF HIGHER RATING. Again, this may cause serious, irreparable damage to the amplifier. Fuses are designed to protect, do not take chances. - DI: This connector provides balanced direct feed primarily go to a PA sound desk. It carries
an adjacent ground lift switch to remove any hum loop problems. It is sourced from post
output section and can be used with or without a speaker load. The socket has a fully balanced output, (switchable +4dB/-30dB & Ground Lift) for maximum noise reduction. You may use this socket to record without a loudspeaker connected for silent recording as there is a protective load applied when the speaker socket (25) is not used. - EMULATION: This provides continuous 4×12 cabinet emulation to the Phones and
switchable emulation for USB and the D.I. output. - USB: A standard USB 2.0 audio in/out connector is provided for recording purposes. For
further explanation of USB and associated controls, see page 9. - PHONES: A stereo jack is provided which can be used for headphones or a stereo feed to
a PA system. A Source switch allows you to listen to whatever is on the speaker outputs
or the stereo return from the USB. A level control is included for comfortable listening. In
‘amp’ mode, the level arriving at the phones is dependant on the pre-amplifier controls as
well as the phones level; make sure you set the pre-amplifier before setting the phones
level. - AUXILIARY INPUT: This input allows the connection of backing tracks (or any line level
audio signal) to be mixed in post FX loop.
- FOOTSWITCH SOCKET: Provided for connection of the included Laney FS2-MINI
footswitch. This allows you to remotely switch between the clean/drive channel and switch
the built in reverb On/Off. - SPEAKER CONNECTORS: An 8-16 ohm cabinet can be connected directly to these
sockets. Please note mismatched impedance will reduce the amplifiers performance and in
some cases may cause damage to your amplifier. The 0.5W attenuated socket provides the
same sound and feel as the 5W output, but with the maximum output set to around 0.5W.
Unlike many valve amplifiers, the L5-Studio is designed to run either with or without speakers connected.
- FX LOOP:
RETURN: A mono jack socket to connect to the output of an external FX unit. This can also be used as a slave in for the power amp. As the FX Loop is an insert type, a connector in the Return socket will mute the pre-amp signal.
ATTENUATION SWITCH: Selects the FX Loop mode of operation:
-10dBu – For connection of FX units with a -10dBu nominal output level. As this
is intended for devices with a lower output level, this switch increases the gain of
the FX Loop by 10dB.
0dBu – For connection of FX units with a 0dBu nominal output level.
Bypass – Removes the FX Loop from the signal path.
FX SEND: Mono jack socket for connection to the input of an external FX unit.

USB: The USB 2.0 audio I/O connector supporting the following:
- Ability to simultaneously record the RAW untreated sound to channel 1 (left) and the full amplifier sound to the channel 2 (right).
- Ability to play back USB stereo information to headphones for monitoring.
Tip: Link from the Headphone output back into the Auxiliary input with a 3.5mm to 6.5mm stereo jack lead allowing simultaneous USB play back.
Tip: This feature will also allow external DSP effects on your DAW to use the RAW signal
as a left input then the effected signal sent directly back to the Aux input for mixing with the amp “through” signal all via USB and without affecting your direct sound. - Re-Amp Send socket allows for the recorded RAW channel to be sent back to the
amplifier input for re-processing via a standard mono instrument jack lead. For the best
level match, use the HI input on the amplifier front panel. To fine tune the level, use the Dry Recording Gain control. A good starting position for unity gain is the12 o’clock position. High output pickups or lots of gain produced by FX pedals before the amp may require a slight reduction in level via the Dry Recording Gain Level control to prevent overloading of the input stage in your DAW.
Record out via USB: To run into iPad or iPad mini connect via a Camera USB adaptor,
PC/MAC connects via standard A-B USB cable, for use with the likes of Garage Band ®,
Audacity ®, MixPad Audio Mixer ®, Pro Tools and similar. It should be noted that the audio output of an iPad or iPad mini is disengaged and returned via the USB. This can be picked up via a rear panel monitor switch on the amplifier headphones in stereo, or if required, routed into a PA system/powered cabinets. Re-Amp Facility: During recording the amplifier processed signal is sent to the right hand
channel. The left hand channel carries the guitar signal totally unprocessed. On an iPad
using Garage Band if the track is recorded in stereo then copied with one track panned
left and the other track panned right, then both raw and processed signals are available
independently.
This allows for the re-amplifying of a sound that may have been over processed initially. To
re-amp via Garage Band on the iPad, solo the original channel and record a new one with
the link in place from the rear re-amp socket and the guitar input. The newly processed
signal will now appear on the right channel with the guitar direct signal again on the left.
Other effects may be added into the link cable but the guitar original sound will not be
recorded. It will instead record to the left channel the sound directly after the effects with no amplifier and the fully processed signal after the amplifier and effects on the right.
TUBE AMPLIFIER SURVIVAL TIPS
- Tube amplifiers: generally, sound much warmer/sweeter than solid state transistor
amplifiers but they also need a little more respect due to the fragile glass tubes themselves.
The L5-STUDIO uses top quality tubes, three ECC83 preamp tubes, and an EL84 output
tube which should give you years of trouble-free service, however like all tube amps; it is
important to treat it with a certain amount of care. - Tubes are fragile glass components: they can easily be damaged if thrown in and out
of vehicles. - Make sure the impedance: of your cabinets matches the setting on your amplifier.
Improper impedance matching will result in reduced output power output and compromised
sound at best and amplifier failure/premature tube failure at worst. - Allow the amplifier: to warm up to room temperature before switching it on, the sudden
thermal shock generated can crack the cold glass tube housing plus any moisture is bad
news around high voltage electronics. - Allow the amplifier: to cool down after playing before moving. Hot tubes are more
susceptible to damage than cool ones. Use good quality loudspeaker leads, cheap leads
are often not up to the job of handling the large requirements for loudspeakers and can
often short out. - Tube amplifiers: don’t like running into an open circuit. A tubes life expectancy is based
upon a number of factors which include operating temperature, how hard and how often
it is played, vibration due to travel etc. Tubes should be changed in your amplifier if you
notice any change in your amplifier’s performance etc. They need not be changed at any
regular interval. - Typical problems: with preamp tubes, can be a crackly noise, hiss, hum and microphony.
The preamp tubes can safely be changed with no other action required if they fail or
reduce in performance. Typical output tube problems can be blown HT fuse; sound lacking
in punch, sound lacks extreme highs or lows and low-level hum. The Output tubes can be
replaced singularly if you replace them with the exact same type AND grade as factory fitted otherwise, they should be replaced as a set. See the diagram following to see how to check the tube grade fitted. Exact replacement preamp tubes and matched sets of output tubes are available from Laney via your dealer. - To change a tube: switch off the unit and unplug from the mains supply. Wait for the tubes to cool down. Lay amplifier down on its front face and remove the protective grille
held in place with four screws. You should now be able to access the underside of the amplifier chassis. Preamp tubes are protected with a screen can, to remove; gently twist
the screen can anti clockwise and then pull up. The tube can then be gently pulled out.
Take care when pushing the new tube in to make sure the pins are all aligned properly.
Output tubes have a spring retainer which must be pulled away before the tube will come
out. - Amplifier connection: To avoid damage, it is advisable to establish and follow a pattern for turning on and off your equipment. With all system parts connected, effects processors
etc. BEFORE turning on your guitar amplifier. Many products have large transient surges at turn on and off which can cause damage to your speakers. By turning on your guitar amplifier LAST and making sure its volume controls are set to minimum any transients from other equipment will not reach your loudspeakers. Wait until all system parts have stabilised; usually a couple of seconds. Similarly when turning off your system always turn down the Volume controls on your guitar amplifier and then turn off its power before turning off other equipment. - Cables: never use shielded or microphone cable for any speaker connections as this will not be substantial enough to handle the amplifier load and could cause damage to your amplifier system.
- Caution: These professional loudspeaker systems are capable of generating very high sound pressure levels. Use care with placement and operation to avoid exposure to excessive levels that can cause permanent hearing damage.
Servicing: The user should not attempt to service these products. Refer all servicing to qualified service personnel.


TUBE TABLE

QUICK START SETTINGS – suggestions only.


USER SETTINGS


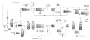
SAMPLE SYSTEM CONNECTIONS


Technical Specifications



L5-STUDIO
In the interest of continued product develoment, Laney reserve the right to amend product specification without prior notice.
In order to take full advantage of your new product and enjoy long and trouble-free performance, please read this owner’s manual carefully, and keep it in a safe place for future reference.
1) Unpacking: On unpacking your product please check carefully for any signs of damage that may have occurred whilst in transit from the Laney factory to your dealer. In the unlikely event that there has been damage, please re-pack your unit in its original carton and consult your dealer. We strongly advise you to keep your original transit carton, since in the unlikely event that your unit should develop a fault, you will be able to return it to you dealer for rectification securely packed.
2) Amplifier Connection: In order to avoid damage, it is advisable to establish and follow a pattern for turning on and off your system. With all system parts connected, turn on source equipment, tape decks, cd players, mixers, effects processors etc, BEFORE turning on your amplifier. Many products have large transient surges at turn on and off which can cause damage to your speakers. By turning on your bass amplifier LAST and making sure its level control is set to a minimum, any transients from other equipment should not reach your loud speakers.Wait till all system parts have stabilised, usually a couple of seconds. Similarly when turning off your system always turn down the level controls on your bass amplifier and then turn off its power before turning off other equipment.
3) Cables: Never use shielded or microphone cable for any speaker connections as this will not be substantial enough to handle the amplifier load and could cause damage to your complete system.
4) Servicing: The user should not attempt to service these products. Refer all servicing to qualified service personnel.
Intended to alert the user to the presence of uninsulated ‘Dangerous Voltage’ within the products enclosure that may be sufficient to constitute a risk of electrical shock to persons.
Intended to alert the user of the presence of important operating and maintenance (Servicing) instructions in the literature accompanying the product.
CAUTION: Risk of electrical shock – DO NOT OPEN.
To reduce the risk of electrical shock, do not remove the cover. No user serviceable parts inside. Refer servicing to qualified personnel.
WARNING: To prevent electrical shock or fire hazard, do not expose this appliance to rain or moisture. Before using this appliance please read the operating instructions for further warnings.
FCC COMPLIANCY STATEMENT
This device complies with Part 15 of the FCC rules Operation is subject to the following two conditions:
- This device may not cause harmful interference
- This device must accept any interference received, that may cause undesired operation.
Warning: Changes or modification to the equipment not approved by Laney can void the user’s authority to use the equipment.
Note: This equipment has been tested and found to comply with the limits for Class B digital device, pursuant to Part 15 of the FCC Rules. These limits are designed to provide reasonable protection against harmful interference in a residential installation.This equipment generates, uses and can radiate radio frequency energy and if not installed and used in accordance with the instructions, may cause harmful interference to radio communications.
However, there is no guarantee that interference will not occur in a particular installation. If this equipment does cause harmful interference to radio or television reception, which can be determined by turning the equipment off and on, the user is encouraged to try and correct the interference by one or more of the following measures.
- Reorient or relocate the receiving antenna.
- Increase the separation between the equipment and receiver.
- Connect the equipment into an outlet on a circuit different from that to which the receiver is connected.
- Consult the dealer or an experienced radio/TV technician for help.
This product conforms to the requirements of the following European Regulations, Directives & Rules: CE Mark (93/68/EEC), Low Voltage (2014/35/EU), EMC (2014/30/EU), RoHS (20 I I /65/EU), ErP (2009/ 125/EU).
In order to reduce environmental damage, at the end of its useful life, this product must not be disposed of along with normal household waste to landfill sites. It must be taken to an approved recycling centre according to the recommendations of the WEEE (Waste Electrical and Electronic Equipment) directive applicable in your country.
SIMPLIFIED EU DECLARATION OF CONFORMITY
Hereby, Laney Electronics Ltd. declares that the radio equipment is in compliance with Directives 2014/53/EU, 20 I I /65/EU, 2009/ 125/EU
Full text of the EU declaration of conformity is available at the following internet address:
support.laney.co.uk/approvals
IMPORTANT SAFETY INSTRUCTIONS
WARNING: When using electrical products, basic cautions should always be followed, including the following:
- Read these instructions.
- Keep these instructions safe.
- Heed all warnings.
- Follow all instructions.
- Do not use this apparatus near water.
- Clean only with a dry cloth.
- Do not block any of the ventilation openings. Install in accordance with manufacturer’s instructions.
- Do not install near any heat sources such as radiators, heat registers, stoves or other apparatus (including amplifiers) that produce heat.
- An apparatus with Class I construction shall be connected to a mains socket outlet with a protective connection. Do not defeat the safety purpose of the polarized or grounding-type plug. A polarized plug has two blades with one wider than the other. A grounding type plug has two blades and a third grounding prong. The wide blade or third prong is provided for your safety. If the provided plug does not fit into your outlet, consult an electrician for replacement of the obsolete outlet.
- Protect the power cord from being walked on or pinched, particularly at plugs, convenience receptacles, and the point they exit from the apparatus.
- Only use attachments/accessories provided by the manufacturer.
- Use only with a cart, stand, tripod, bracket, or table specified by the manufacturer, or sold with the apparatus. When a cart is used, use caution when moving the cart/apparatus combination to avoid injury from tip-over.
- The mains plug or appliance coupler is used as the disconnect device and shall remain readily operable. The user should allow easy access to any mains plug, mains coupler and mains switch used in conjunction with this unit thus making it readily operable. Unplug this apparatus during lightning storms or when unused for long periods of time.
- Refer all servicing to qualified service personnel. Servicing is required when the apparatus has been damaged in any way, such as when power-supply cord or plug is damaged, liquid has been spilled or objects have fallen into the apparatus, the apparatus has been exposed to rain or moisture, does not operate normally, or has been dropped.
- Never break off the ground pin. Connect only to a power supply of the type marked on the unit adjacent to the power supply cord.
- If this product is to be mounted in an equipment rack, rear support should be provided.
- Note for UK only: If the colours of the wires in the mains lead of this unit do not correspond with the terminals in your plug‚ proceed as follows:
a) The wire that is coloured green and yellow must be connected to the terminal that is marked by the letter E‚ the earth symbol‚ coloured green or coloured green and yellow. b) The wire that is coloured blue must be connected to the terminal that is marked with the letter N or the colour black. c) The wire that is coloured brown must be connected to the terminal that is marked with the letter L or the colour red. - This electrical apparatus should not be exposed to dripping or splashing and care should be taken not to place objects containing liquids, such as vases, upon the apparatus.
- Exposure to extremely high noise levels may cause a permanent hearing loss. Individuals vary considerably in susceptibility to noise-induced hearing loss, but nearly everyone will lose some hearing if exposed to sufficiently intense noise for a sufficient time.
Intended to alert the user to the presence of high ‘Dangerous Voltage’ within the products enclosure that may be sufficient to constitute a risk of electrical shock to persons.
c) The wire that is coloured brown must be connected to the terminal that is marked with the letter L or the colour red.
The U.S. Government’s Occupational Safety and Health Administration (OSHA) has specified the following permissible noise level exposures: According to OSHA, any exposure in excess of the above permissible limits could result in some hearing loss. Earplugs or protectors to the ear canals or over the ears must be worn when operating this amplification system in order to prevent a permanent hearing loss, if exposure is in excess of the limits as set forth above. To ensure against potentially dangerous exposure to high sound pressure levels, it is recommended that all persons exposed to equipment capable of producing high sound pressure levels such as this amplification system be protected by hearing protectors while this unit is in operation.

20. Symbols & nomenclature used on the product and in the product manuals, intended to alert the operator to areas where extra caution may be necessary, are as follows:
Intended to alert the user to the presence of high ‘Dangerous Voltage’ within the products enclosure that may be sufficient to constitute a risk of electrical shock to persons.
Intended to alert the user of the presence of important operating and maintenance (Servicing) instructions in the literature accompanying the product.
Risk of electrical shock – DO NOT OPEN. To reduce the risk of electrical shock, do not remove the cover. No user serviceable parts inside. Refer servicing to qualified personnel.
To prevent electrical shock or fire hazard, do not expose this appliance to rain or moisture. Before using this appliance please read the operating instructions.

Read More About This Manual & Download PDF:

























