
L20H Lionheart
User Manual

Introduction
Designed, engineered and built with pride in Great Britain.
The Lionheart range brings boutique Single-Ended & Parallel Single-Ended Class ‘A’ tube tone to the discerning player who is looking for uniquely responsive BRITISH tube tone.
The Dark Art: In an age where guitar players have developed an unhealthy fascination with pre-amp distortion, the fabled sound of a tube power amp being pushed hard has almost passed into history.
Until now that is!
The 20W Parallel Class A Single Ended output stage installed in the L20H oozes classic, warm tube tones: The harder you drive it, the better it sounds. Plus with enough gain for contemporary tones, it also has a mean, spiteful side to it as well – making it ideal for any style of playing. Equally at home on stage plugged into a Laney LT112 or LT212 cabinet or perfect for studio use.
Every Lionheart product is extensively play tested by experienced guitarists before being shipped to our customers. Only when the unit is finished to our complete atisfaction is it assigned its own unique build number which is then hand stamped onto the rear mounted plaque.
Your L20H should give you years of trouble-free amplification, however please take time to read this manual and familiarise yourself with the controls as it will allow you to get the best from your amplifier.
We hope you enjoy using your L20H as much as we enjoyed designing and making it.
Best wishes from all at Laney.
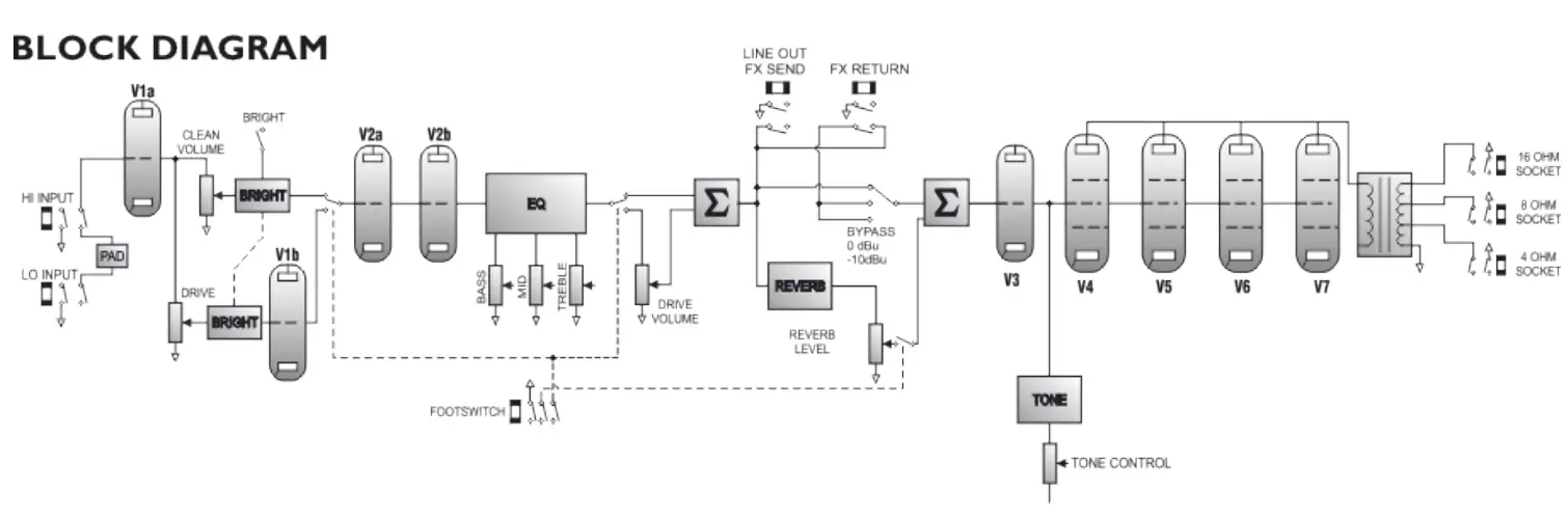
L20H FEATURES

- HI INPUT: ‘Hi’ stands for high gain. This input is designed for the connection of low output level guitars making it well suited for guitars with single coiled or low gain hum bucker type pickups. Use of high gain pickups in this input may drive the preamp too hard causing a “mushy” sound. Only use good quality guitar cable.
- LO INPUT: ‘Lo’ stands for low gain. This input is attenuated down approximately 50% from the Hi input and is designed for high output level guitars. It is useful in obtaining output that is “tight” not “mushy” from high gain humbucker type pickups. Also use this input for the cleanest full range sound with extended low end response. Only use good quality guitar cable.
- CLEAN VOLUME: Sets how loud the clean channel is. Try cranking it up a little to drive the power tubes harder for that real retro sound and feel that only a quality tube amplifier can deliver. Now use your guitar volume to control the amount of distortion. (Wind it up for distortion back it off a little for clean).
- BRIGHT: Adds brightness and life to the treble frequencies of your guitar when on the clean channel. Adds edge and picking emphasis when on the drive channel. The switch has more effect at low Clean Volume/Drive control settings. Use in conjunction with the Treble and Tone controls for optimum performance. Switch up to enable.

- DRIVE: Sets the level of tube preamplifier drive or how dirty your sound is. This control should be used in conjunction with the Drive Volume (6) Setting low levels of gain with high levels of volume will give a clean preamplifier sound with tube output stage overdrive. Setting a medium drive level and medium Drive Volume will give a nice crisp bluesy lead tone, again with the ability to drive the output stage at higher Drive Volume settings. Setting a high level on the Drive control and a low setting on the Drive Volume will give you a punchy hard rock lead tone, with the ability to again drive the output tubes at higher Drive volume settings. Having set the Drive and Drive Volume controls to your desired sound try backing off your guitar volume and tone controls for lots of other cool sounds. Good tube amplifiers have the unique ability to produce a wide range of sounds by using only your guitar controls, playing weight and style.
- DRIVE VOLUME: Sets how loud the ‘Drive’ channel is. It is useful to experiment with drive levels and drive volumes. If you want a very open, warm and semi overdriven sound try reducing the amount of drive and increasing the drive volume. This reduces pre-amp gain but pushes the power amp section and makes it work harder giving you a very desirable level of power amp distortion which is a very pleasing “retro” style sound.
- DRIVE SWITCH: Switch up to enable the ‘Drive’ channel. (This switch must be in the down (OFF) position in order for the drive to be switched remotely via a foot switch).
- DRIVE LED: This led will illuminate when the Drive channel is activated with the Drive switch (8) or the included Laney FS2-MINI remote footswitch.
- BASS, MIDDLE, TREBLE: These are a traditional set of passive tone controls. Passive controls have the advantage of always sounding musical at any of their settings mainly due to their unique interactive nature. This gives players a more natural set of tools to create their ideal sound. (Try them all set at midway (5) as a good starting point).

- REVERB: Controls how loud the built in reverb sounds.
- TONE: The tone control works in a similar fashion to the Tone control you probably have on your guitar except that it uniquely works at the other end of the amplification chain. This has the ability to not only control the overall top end response but also reduce upper end harmonics on the output stage and preamplifier overdrive sounds. This will give you bright cutting sounds at high settings and smooth rounded sounds at lower settings. (Midway (5) is a good starting point).
- STANDBY SWITCH: Disconnects the main HT voltage from the tubes but keeps the tubes warm so that they are ready to go instantly. Switch to standby for short breaks when you don’t want to wait for the tubes to warm up again.
- POWER LED: This LED will be lit when the amplifier is switched on. (Always switch off and disconnect the power cord when not in use).

- POWER INLET SOCKET: Connect to your power source. Make sure the specified voltage is correct for your country!
- POWER FUSE: This drawer contains the main safety fuse for the unit. The fuse protects the AC power to the amplifier. USE ONLY THE CORRECT SIZE AND RATING OF FUSE AS SPECIFIED ON THE PANEL. If a fuse blows or fails and a replacement of the same size and rating is installed and it in turn blows, the amplifier has suffered a malfunction internally and needs immediate service from a qualified technician. DO NOT TRY USING A FUSE OF HIGHER RATING. Using a fuse that is too large in current rating may cause serious, irreparable damage to the amplifier and presents a serious fire hazard. The mains fuse ratings are detailed in the specs section at the rear of this manual.
- POWER: Main power switch for unit.
- HT FUSE: This fuse protects the DC power to the tubes within the amplifier. USE ONLY THE CORRECT SIZE AND RATING FUSE AS SPECIFIED ON THE PANEL. If a fuse blows or fails and a replacement of the same size and rating is installed and it in turn blows, the amplifier has suffered a malfunction, at this point check the output tubes and replace faulty ones if required. Should tubes not be the problem the amplifier should be checked out by a qualified technician. Do not try using a fuse of greater value. Using a fuse that is too large in current rating may cause serious, irreparable damage to the amplifier. Fuses are designed to protect, do not take chances.
- EXTENSION CABINET: Use to connect an 8-16 ohm extension cabinet. Please note mismatched impedance will reduce the amplifiers performance and in some cases may cause damage to your amplifier.

- FX-LOOP: FX RETURN: Mono jack socket for the connection of the output of an external FX unit. This can also be used as a slave in for the power amp. As the FX loop is an insert type, this will mute the preamp.
FXLOOP SWITCH: Selects the FX loop mode of operation
• 10 dBu – For connection of FX units with a -10dBu nominal output level. As this is intended for devices wth a lower output level, this switch increases the gain from the FX loop by 10dBu.
• 0 dBu – For connection of FX units with a 0 dbu nominal output level.
• Bypass – Removes the FX loop from the signal path.
FX SEND: Mono jack socket for connection to the input of an external FX unit. - FOOTSWITCH SOCKET: Provided for connection of the included Laney FS2-MINI footswitch. This allows you to remotely switch between the clean/drive channel and switch the built in reverb On/Off.
TUBE AMPLIFIER SURVIVAL TIPS
- Tube amplifiers: generally, sound much warmer/sweeter than solid state transistor amplifiers but they also need a little more respect due to the fragile glass tubes themselves.
The L20H uses top quality tubes, three ECC83 preamp tubes, and 4 x EL84 output tubes which should give you years of trouble-free service, however like all tube amps; it is important to treat it with a certain amount of care. - Tubes are fragile glass components: they can easily be damaged if thrown in and out of vehicles.
- Make sure the impedance: of your cabinets matches the setting on your amplifier. Improper impedance matching will result in reduced output power output and compromised sound at best and amplifier failure/premature tube failure at worst.
- Allow the amplifier: to warm up to room temperature before switching it on, the sudden thermal shock generated can crack the cold glass tube housing plus any moisture is bad news around high voltage electronics.
- Allow the amplifier: to cool down after playing before moving. Hot tubes are more susceptible to damage than cool ones. Use good quality loudspeaker leads, cheap leads are often not up to the job of handling the large requirements for loudspeakers and can often short out.
- Tube amplifiers: don’t like running into an open circuit. A tubes life expectancy is based upon a number of factors which include operating temperature, how hard and how often it is played, vibration due to travel etc. Tubes should be changed in your amplifier if you notice any change in your amplifier’s performance etc. They need not be changed at any regular interval.
- Typical problems: with preamp tubes, can be a crackly noise, hiss, hum and microphony. The preamp tubes can safely be changed with no other action required if they fail or reduce in performance.
- Typical output tube problems can be blown HT fuse; sound lacking in punch, sound lacks extreme highs or lows and low-level hum. The Output tubes can be replaced
singularly if you replace them with the exact same type AND grade as factory fitted otherwise, they should be replaced as a set. See the diagram following to see how to check the tube grade fitted. Exact replacement preamp tubes and matched sets of output tubes are available from Laney via your dealer. - To change a tube: switch off the unit and unplug from the mains supply. Wait for the tubes to cool down. Lay amplifier down on its front face and remove the protective grille held in place with four screws. You should now be able to access the underside of the amplifier chassis. Preamp tubes are protected with a screen can, to remove; gently twist the screen can anti clockwise and then pull up. The tube can then be gently pulled out. Take care when pushing the new tube in to make sure the pins are all aligned properly. Output tubes have a spring retainer which must be pulled away before the tube will come out.
- Amplifier connection: To avoid damage, it is advisable to establish and follow a pattern for turning on and off your equipment. With all system parts connected, effects processors etc. BEFORE turning on your guitar amplifier. Many products have large transient surges at turn on and off which can cause damage to your speakers. By turning on your guitar amplifier LAST and making sure its volume controls are set to minimum any transients from other equipment will not reach your loudspeakers. Wait until all system parts have stabilised; usually a couple of seconds. Similarly when turning off your system always turn down the Volume controls on your guitar amplifier and then turn off its power before turning off other equipment.
- Cables: never use shielded or microphone cable for any speaker connections as this will not be substantial enough to handle the amplifier load and could cause damage to your amplifier system.
- Caution: These professional loudspeaker systems are capable of generating very high sound pressure levels. Use care with placement and operation to avoid exposure to
excessive levels that can cause permanent hearing damage.
Servicing: The user should not attempt to service these products. Refer all servicing to qualified service personnel.
TUBE TABLE
| V1 | ECC83 | 5570 |
| V2 | ECC83 | 5570 |
| V3 | ECC83 | 5570 |
| V4-V7 | EL84 | 5563 |

QUICK START SETTINGS – suggestions only.

Technical Specifications
| Product | L20H GUITAR Amplifier |
| Power | 20 Watts RMS |
| Channels | Twin Channels |
| Features | Clean volume Bright switch Drive Drive volume Drive switch Bass Middle Treble Reverb Tone External Speaker socket FX loop/LINE OUT send FX Loop Return Footswitch socket (FS2-MINI) |
| Unit Size/mm | L20H 255x565x255 (HxWxD) |
| Unit Weight | L20H 15.5 Kg. |
| Carton Size mm | L20H 375x740x375 (HxWxD) |
| Packed Weight | L20H 18.5 KG |

























![Eld Fleet R3002 User Manual [raven] Eld Fleet R3002 User Manual [raven]](https://static-data1.manualsee.com/1/img/386/122310/2021/04/ELD-Fleet-R3002-featured-1568x763.png)