Allen Heath PlayDifferently MODEL1

Introduction
MODEL 1 is a 6 channel professional mixer designed for use in the club environment by professional DJs and producers but is equally at home in a small studio or as a compact outside broadcast desk that does not require microphone inputs. It is unique in offering six fully featured input channels plus two stereo returns in an industry standard “10” format and has many features not currently available on any comparable device, such as Input pre-amplifier drive control, hybrid Filter/swept Bell EQ, Dual Cue system, Mixer and Cue linking system, and a fully balanced “Tascam format DB25” connector system for easy interfacing to external soundcards.
MODEL 1 is a purely analogue mixer and features technology normally found on the finest classic studio desks, such as a fully balanced mix buss, zero crossing detection for seamless Filter routing and high voltage differential power rails.
MODEL 1 is also internally fully modular.
Front Panel Overview

Return Section

Description The Return section is located on the upper left-hand side of the front panel and consists of two basic stereo channels for use as return inputs from external effects processors. Connection to the Return channels is via 4 x 1/4” TRS Jack sockets mounted on the rear panel, however the Return channels can also be fed from the DB25 connector DSUB IN 2 – see page 12 for details.
TRIM – Adjusts the level of the return signal. Each Return input pre-amplifier is equipped with a Hard-Limiter circuit and an excess of gain (+28dB) allowing the return signal to be driven into distortion (as an effect). Turning the Trim control clockwise beyond the “0” and into the regain marked “DRIVE” will progressively distort the signal until it reaches maximum clipping. See page 9 for more information on Drive.
CUE – Routes the pre-level signal to both the Cue A and Cue B monitor systems. Return Meters – Provides a visual indication of each Return signal level. The Peak (PK) LED will illuminate at signal levels above +8dBu. This is set lower than on the main channels due to the fixed Drive circuit – note that signal levels above PK will activate the distortion circuits.
LEVEL – A rotary fader to adjust the amount of the Return signal fed into the main Mix.
RETURN 1-2 LOW CUT – Activates a filter that attenuates the low frequency response on both Return 1 and Return 2. The filter has a slope of 6dB per octave and is set at 320Hz (-3dB).
RETURN 1-2 TO MASTER FILTER – This routes both Return 1 and Return 2 to the Master Filter section. This switch is controlled by the zero-crossing detection system so can be used as a performance effect.

Master Filter

Description The Master Filter section consists of a High-Pass Filter (HPF), a Low-Pass Filter (LPF), and a Resonance control (RES) to adjust the sharpness of the High-Pass filter. Unlike a Voltage-Control Filter system, (VCF) the filter elements are passive in order to minimise distortion and eliminate DC voltage breakthrough and because the filter is passive there is also zero thermal frequency drift. The Master Filter can be used as a swept frequency performance effect, or as pre-set frequency mix tool to instantly cut the low or high frequencies of any channel routed to the Filter.
HPF RES – Adjusts the sharpness (Q) of the High-Pass Filter. Set to minimum the HPF will have a smooth roll off with a low Q. Turning the control clockwise will progressively increase the Q of the
HPF and the gain at the cut-off point – see graph below for illustration. Because high Q levels at low frequency can damage the PA system, high Q settings are automatically reduced as the HPF control is turned counter clockwise.
LPF – Progressively attenuates the high frequency content as it is rotated counter clockwise. A virtually flat frequency response up to about 20kHz is achieved with the control fully clockwise. With the control set fully counter clockwise all frequencies above 500Hz will be progressively attenuated. The Q of this filter is fixed and is not effected by the resonance control.
HPF – Progressively attenuates the low frequency content as it is rotated clockwise. A flat frequency response down to 30Hz is achieved with the control fully counter clockwise. With the control set fully clockwise all frequencies below 1kHz will be attenuated. The Q of this filter is adjusted by the Resonance control.
MASTER FILTER ON – Turns the Master Filter ON. This switch is controlled by the zerocrossing detection system so can be used as a performance effect. The zero crossing system minimises audible clicks and switching artifacts when routing channels to the Master Filter or switching the filter ON.

This graph illustrates how the resonance of the High-Pass Filter is automatically reduced as the frequency is lowered.
Main Channel strip


Description
Input drive control, a unique hybrid EQ filter system, Dual Cues, and a high quality 60mm twin rail fader. The input to each channel is via an RCA connector on the rear panel, or via the fully balanced DB25 system (see page 12). Channels 3, 4, and 5, are also equipped with an RIAA pre-amplifier for use with turntables. AUX Sends – The two AUX controls send the channel signal to the Auxiliary mix output jack sockets (and the DB25 Out) for use with external effects processors or, in some applications, local monitors. The PRE FADE switch selects whether AUX 1 sources its signal Pre or Post the channel fader; default is post fader, (switch up position). AUX 2 is always post fader, though there is an internal option to allow AUX 2 to be switched Pre or Post fader along with AUX 1.
LINE/PHONO/DSUB – This switch selects which input connector the channel signal is sourced from. The default (switch up position) sources the signal from its associated RCA connector on the rear panel. Pressing the switch routes the signal from the DSUB (DB25) connector system – see page 12. Channels 3, 4, and 5 can be configured for use with turntables (Phono) by selecting the small red button on the rear panel, situated below its associated earth binding post. If this button is pressed the LINE/ PHONO/DSUB switch cap will glow red, (only in the up position), to indicate that this channel has been configured as a turntable input.
DRIVE – This unique control varies the maximum signal level the channel input preamplifier can pass (headroom) before it is driven into clipping (distortion). With the control fully counter clock-wise the channel headroom is unaffected, and signal levels of > +20dBu will remain clean. As the drive control is rotated clockwise input headroom is progressively reduced, until at maximum rotation the pre-amplifier will start to clip at signal levels above –4dBu. The shaft of the drive control is illuminated and will light red to give a visual indication of the clip function. See page 9 for more information on the drive control.
CONTOUR/SCULPT – Unique Hybrid EQ. See page 6 for details.
FILTER – This switch routes the channel signal through to the Master Filter section, see page 4 for more information on the Master Filter. This switch is controlled by the zero-crossing detection system so can be used as a performance effect.
CUE A, CUE B – MODEL 1 is equipped with two independent Cue systems, CUE A and
CUE B. CUE A sends the channel pre-fader, post-EQ, signal to the right headphone monitor section, and CUE B to the left headphone monitor. CUE A has an auto-cancel function, where selecting one Cue will automatically cancel the previous selection.
VCA FADER – The 60mm fader controls the DC level for the channel VCA (voltage control amplifier). These twin rail faders have been carefully chosen to ensure long life and smooth operation, and feature a heavy feel for greater precision.
Contour and Sculpt

Description PLAY differently mixers provide a unique alternative to the standard type of fixed frequency EQ, which we feel offers greater creativity and the ability to perform smoother mixes. Whereas a standard EQ has three or four controls providing cut or boost at a fixed frequency, MODEL 1 utilises a combination of high and low pass filters plus a wide frequency range, swept equaliser, with asymmetric cut and boost.
CONTOUR – As the name implies these two controls allow you to “contour” the frequency range of the audio signal. They consist of low Q, High-Pass and Low-Pass filters designed not to add colour to the sound as they are swept across their frequency range. Due to the low Q , these filters only cut, they do not boost, and are shown in the position to a give a frequency response. The two graphs below illustrate how the frequency response is gently rolled off as these controls are operated, and show the high degree of out-of-band attenuation they offer, cutting the high or low frequency content of the audio signal.

SCULPT – “SCULPT” is a semi-parametric swept bell filter, and consist of two controls,
FREQ which sets the centre frequency and CUT/BOOST which adjusts the gain or attenuation at this frequency. The level of cut/boost is asymmetric; maximum boost is limited to +8dB, while the cut is extended to -20dB. Sculpt has a wide Q and a frequency range that covers almost seven octaves. The Boost/Cut control is detented in the centre 0 position to indicate a flat frequency response. The FREQ control isn’t detented and can be swept smoothly across its range.
This graph shows the Cut/Boost response of Sculpt at Max/Min frequency

Master Section

Description The Master section includes the two Mix level controls, the Master EQ, main buss metering, record output and the Booth monitor section.
RECORD OUT – 3.5mm TRS Jack socket feeds the post Master EQ signal as a pre-fader record output. Nominal level is –6dBu.
LEFT/RIGHT – Two, ten point peak reading LED meters provide visual indication of the mix buss level. Although MODEL 1 has a considerable 28dB of headroom and is unlikely to suffer from clipping due to high signal levels, it is recommended to keep the average signal level between 0 and +6. Occasional peaks to +9 is acceptable but operation with the PK LED ON is best avoided due to the possibility of damaging any connected PA systems or clipping soundcards, record devices etc. Play into the red and orange but avoid operating in the white!
MASTER 1, 2 – These controls set the output level for the two main mix outputs. Master 1 controls the XLR outputs and Master 2 the TRS outputs.
MASTER EQ – Three-Band asymmetric EQ affects all mix outputs, including Booth and Record. The EQ ON switch is controlled by zero-crossing detection circuitry which allows it to be used as a performance effect, as well as a frequency correction tool. The response of the Master EQ is shown below.

BOOTH – This section controls the level and frequency response of the Booth outputs. The Booth section incorporates a 2-Band equaliser allowing the user to adjust the frequency response of the Booth monitors to suit their own preference.
This graph shows the response of the Booth EQ.
Headphone Cue system

Description MODEL 1 has two independent Cue systems, A and B. Cue A routes to the right hand side headphone monitor and the Cue B routes to the left hand headphone monitor. The dual Cue system makes it much easier for two DJs to perform on the mixer together as each can select a separate channel to monitor without interfering with the other performer’s monitoring. This dual system also allows for Cue interaction between two mixers linked together. See page 13 for details of mixer linking. Each headphone monitor is equipped with both 1/4” and 3.5mm TRS jack sockets.
CUE A has an auto-cancel function, meaning that selecting one channel Cue will automatically turn off the previous selection.
CUE B does not auto-cancel, meaning that each channel Cue operates independently of the other Cue switches.
SPLIT CUE/SOURCE – Split Cue works in conjunction with the Source control. When the Split Cue switch is up the Source Control adjusts the level balance between the Cue and Mix Busses. When the switch is pressed down the Source control pans between the Cue signal in the left earphone and the Mix signal in the right earphone. Level – Sets the headphone volume level. Warning – The headphone amplifiers are capable of driving sensitive headphones to very high sound pressure levels (SPL) which could result in permanent hearing damage!
Specification
Maximum output power
- Headphone A 850mW RMS into 45 Ohms 1kHz
- Headphone B 500mW RMS into 100 Ohms 1kHz
- Headphone Impedance range 30 Ohms to 150 Ohms
Drive Control

Description PLAY differently mixers incorporate a unique feature on every input, the Drive control. This control allows the user to adjust the level at which the channel pre-amplifier clips the input signal, thus creating harmonic distortion as an effect. This is achieved by adjusting the conduction threshold of circuitry in the feedback loop of the pre-amplifier by rotating the “Drive” control. The Drive control incorporates an LED which illuminates the transparent shaft to indicate when the clip threshold has been reached.
The Drive control and Trim work in combination with each other and the amount of distortion is dependant on several factors; the level of the input signal, the position of the Trim and the position of the Drive. With the Drive control fully counter clockwise the distortion circuitry is disabled and the channel can be run cleanly well beyond the level at which the Peak LED lights. With the control fully clockwise, any signal level above approximately -4dBu will trigger the distortion circuits.
The Drive control is also linked to the channel fader VCA and automatically adds make-up gain at extreme clip levels, therefore it is normal behaviour for there to be a discrepancy between the Channel and Master buss metering signal levels. Post –fader level also influences brightness of the Drive LED illumination. Fixed level Drive circuitry is built into the Return input pre-amplifiers, and can be triggered by driving the Return signal level beyond that which lights the Peak LEDs

This trace shows two signals, one running through the drive circuit and one not. As the clip threshold has not been reached, both signals are identical.
This trace shows the signal level at the clip threshold with the peaks being slightly rounded or “soft clipped” which will add warmth and strong 2nd harmonics.
Driving the signal level higher results in greater compression of the signal peaks.
This shows the signal very heavily clipped, virtually to a square wave.
Rear Panel

Rear Panel Connections – Outputs

MASTER 1 – Main mix outputs for direct connection to the system PA.
Balanced XLR, conventionally configured for:
- Pin 1 = Ground
- Pin 2 = Positive Phase
- Pin 3 = Negative Phase
Nominal output level 0dBu, maximum output level +28dBu.
MASTER 2 – Secondary mix outputs for feeding a separate zone or PA. Impedance balanced 1/4” TRS Jack sockets. Nominal output level 0dBu, maximum output level +23dBu.
BOOTH – Output to the Booth Monition system. Impedance balanced 1/4” TRS Jack sockets. Nominal output level 0dBu, maximum output level +23dBu.
AUX 1, 2 – Outputs to external effects units or local monitor system. These signals are also sent to the DSUB output connector. Impedance balanced 1/4” TRS Jack sockets. Nominal output level -2dBu, maximum output level +23dBu.
DSUB OUT – Conforms to the TASCAM DB25 connector standard and allows multiple channels to be sent fully balanced down a single connector for rapid connection to external soundcards. The DSUB Output can also be used to feed the main House PA, bypassing the Mix 1 Level control if desired. Balanced TASCAM DB25 Nominal output level +4dBu, maximum level +28dBu.

DSUB OUT Pinout
- 1 = Mix Left
- 2 = Mix Right
- 3 = Aux 1 Left
- 4 = Aux 1 Right
- 5 = Aux 2 Left
- 6 = Aux 2 Right
- 7 = Cue B Left (Post Level)
- 8 = Cue B Right (Post Level)
Tip! DSUB OUT channels 7-8 can be configured as a third FX send using the Cue B phones to adjust the level, and the Cue B Cue switches to choose the channels to send from.
Rear Panel Connections – Inputs

RETURN 1,2 – TRS Jack inputs for the two Return channels. These Jacks are “normalled” to the DSUB2 IN connector, therefore if nothing is plugged into these sockets the Returns source their signal from the DSUB system.
- Input impedance = 5K Ohms
- Maximum signal input level +23dBu.
RCA Inputs – These are the default inputs to all six channels. On channels 3, 4, and 5 these inputs can be configured for use with turntables by pressing the small red buttons located below each earth binding post. Channels that are configured for turntables (phono) will show the input selector switch illuminating red.
- Input impedance = 5K Ohms
- Maximum signal input level +26dBu
- PHONO – Press this switch to configure the channel for use with vinyl turntables. Nominal level 5 – 10mV 1kHz. Maximum input level 108mV 1kHz Input impedance 47K Ohms. Input capacitance 250pF
DSUB IN 1,2 – Conforms to the TASCAM DB25 connector standard and allows multiple channels to be sent fully balanced down a single connector for rapid connection to external Line Level devices. In a fixed installation these connectors are ideal for connecting multiple CD players, soundcard etc, leaving the RCA connectors free for guest DJs to use without disconnecting the House system.
Balanced TASCAM DB25 Nominal input level +4dBu, maximum level +28dBu.

DSUB IN 1 Pinout
- 1 = Channel 1 Left
- 2 = Channel 1 Right
- 3 = Channel 2 Left
- 4 = Channel 2 Right
- 5 = Channel 3 Left
- 6 = Channel 3 Right
- 7 = Channel 4 Left
- 8 = Channel 4 Right
DSUB IN 2 Pinout
- 1 = Channel 5 Left
- 2 = Channel 5 Right
- 3 = Channel 6 Left
- 4 = Channel 6 Right
- 5 = Return 1 Left
- 6 = Return 1 Right
- 7 = Return 2 Left
- 8 = Return 2 Right
Mixer Linking
PLAY differenly devices incorporate a unique system that allows multiple mixers to be linked together, either for use with two or more performers, or as a way to expand the number of channels. When Linked together the mixers share a common mix buss so only one set of outputs are needed for feeding the PA and Booth monitors. In addition, the two Cue systems are joined allowing interactive cueing between multiple performers.
The illustration below shows a typical link scenario, with the MODEL 1 linked to a MODEL 1.4 mixer.

In this setup Performer 1 and 2 each have their own individual Cue system. If Performer 1 (using Cue A) wants to send a Cue signal to Performer 2 they can, by selecting Cue B, and vice versa for Performer 2.
IMPORTANT! – When linking two mixers together, one will need to be assigned to feed its buss signal through the Link Cable and on to the main PA and Booth Monitor connected to the other mixer. In the above diagram it is Mixer 2 that will need to be assigned.
To assign the mixer, turn it over and locate the small 3mm hole underneath the back right hand side rubber foot. Peel back the foot to expose the hole and using a thin bladed tool, (small screwdriver or similar), press in the switch located just below the base panel. It is a good idea to check that this switch on the other mixer (Mixer 1) is not selected, i.e. switched out.
If the mix signal is not being passed through to the other mixer it is likely that this switch has not be assigned correctly on one of the mixers.

In order to link mixers you will need a 9 pin female to female DSUB cable. An inexpensive computer RS232 cable would probably suffice, (as long as it is connected pin 1 to pin1, pin 2 to pin 2 etc.), as all Mix buss connections are fully balanced, however for best performance we would strongly recommend using an audio grade cable.
LINK OUT Pin connections

- 1 = Mix Out Left Hot +
- 2 = Mix Out Right Hot +
- 3 = Mix Out Left Cold –
- 4 = Mix Out Right Cold –
- 5 = Ground
- 6 = Cue B IN Right
- 7 = Cue B IN Left
- 8 = Cue A OUT Right
- 9 = Cue A OUT Left
LINK IN Pin connections

- 1 = Mix IN Left Hot +
- 2 = Mix IN Right Hot +
- 3 = Mix IN Left Cold –
- 4 = Mix IN Right Cold –
- 5 = Ground
- 6 = Cue B OUT Right
- 7 = Cue B OUT Left
- 8 = Cue A IN Right
- 9 = Cue A IN Lef
Power Supply
MODEL 1 is powered by an external 90W 24V universal voltage PSU. There are many advantages to powering the mixer in this way, firstly it frees up internal and rear panel space for extra circuitry for greater functionality in a compact format, it reduces heat build up inside the mixer, it removes the danger of electrical shock in case of liquid spills, and it virtually eliminates mains hum fields for better noise performance. It also allows the addition of a unique feature (on such a compact mixer) of powering with dual supplies, a feature usually only found on premium live sound and recording consoles.
Internally, the 24 volts from the external supply, is converted to just under +/- 20V for the analogue power rails using high frequency switching technology, giving MODEL 1 some of the highest signal headroom of any professional mixer, irrespective of its application.

Power

The power supply shipped with the MODEL 1 has been carefully selected to ensure reliable operation over extended periods, and in most environmental conditions – do not use any other type of supply as it could damage the mixer or impair its performance.
A single supply is perfectly adequate to power the MODEL 1, and this supply can be plugged into either PSU 1 or PSU 2 sockets. However in certain applications having a second supply powering the mixer can offer greater security, such as at a festival where each supply is powered from separate mains phases. In the event of one phase going down the other supply will automatically take over powering the mixer.
When connecting the PSU to the mixer, ensure that the FLAT face of the plug is towards the left, looking from the rear. Make sure the pins are lined up and push the plug fully into the socket until it latches. This is a locking connector and is released by pulling back the spring loaded sleeve on the plug, which allows the lock to release. NEVER plug out the connector by pulling on the power lead as this could damage the locking mechanism.
Make sure the rear panel POWER SWITCH is in the OFF position before connecting or disconnecting the power supply.
Correct orientation of the power lead connector with the FLAT facing Left
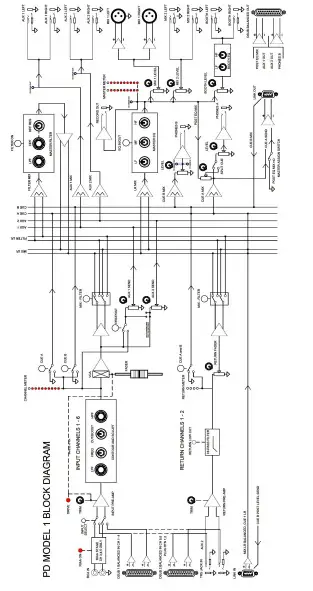
Block Diagram

Specifications
- Maximum output level +28dBu Balanced, +23dBu Unbalanced
- Output Impedance 50R Balanced, 68R Unbalanced
- Noise Line in to Line out Unity -90dBu Un-weighted, 22Hz to 20kHz
- Residual Noise -100dBu Un-weighted, 22Hz to 20kHz
- Dynamic range > 112dB
- Frequency Response 20Hz – 40kHz +0/-2dB
- Distortion (THD+N) 0.008% Line In to Mix 1 out, 0dBu Unity Gain
- Control Attenuation Better than 80dB
- Inter-channel Crosstalk < -100dB Left/Right Crosstalk -80dB 1kHz
- Maximum Headphone Output 850mW RMS into 45 Ohms (Cue A)
- Power consumption 50W maximum
- Weight 5.40kg (Packed 9.10kg)
- Dimensions L 37cm x W 32cm x H 11.5cm (Packed L 62cm x W 45cm x H 26cm)
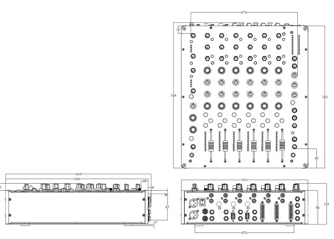
Mixer Dimensions


Headphone Cue system

















