EK-Quantum
Reflection² Torrent DDC 4.2 PWM D-RGB – Plexi
DISTRIBUTION PLATE
USER GUIDE
EK-Quantum Reflection2 Torrent DDC 4.2 PWM D-RGB – Plexi
The installation of the product is intended to be undertaken by an adequately trained and experienced person. You are installing the product at your own risk. If you are not sufficiently trained or experienced or feel unsure about the installation procedure, please refrain from installing the product yourself and contact our tech support for assistance. We disclaim our liability for any damages to the product and incidental, consequential, or indirect damages incurred due to improper or inappropriate installation.
Before you start using this product, please follow these basic guidelines: Read this manual carefully before beginning the installation process.
The EK-Quantum Torque fittings require only a tiny amount of force to screw them firmly in place since the rubber O-ring gaskets ensure the liquid seal.
Corrosion-inhibiting purpose-made coolants are always recommended for any liquid cooling system. EK recommends EK-CryoFuel coolants for worry-free usage.
BOX CONTENT

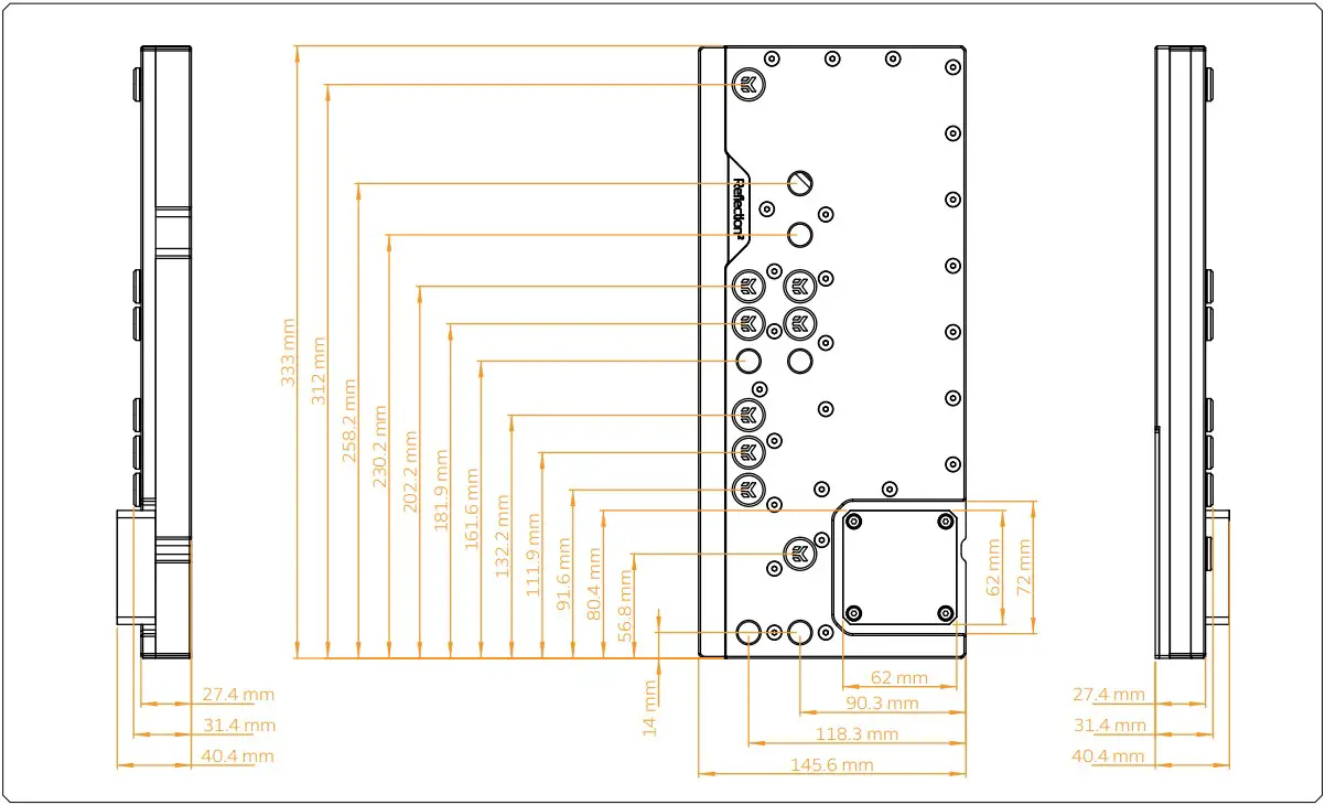
DISTRIBUTION PLATE DIMENSIONS

TECHNICAL SPECIFICATIONS AND PRODUCT PARTS

Technical Specification:
Dimensions with the attached pump (W x D x H): 145.6 x 40.4 x 333 mm
– D-RGB LED count: 18
– D-RGB cable length: 500 mm
– D-RGB connector: standard 3-pin (+5V, Data, Blocked, Ground)
| Position | EAN | Description | Quantity |
| 1 | 105689 | TOP Plexi (Block part) | 1 |
| 2 | 105694 | Inox Backplate | 1 |
| 3 | 105690 | TOP Plexi (Lid part) | 1 |
| 4 | 3.83E+12 | EK-DDC 4.2 PWM (12V SATA) | 1 |
| 5 | 5154 | OR 52 x 3 NBR50 | 1 |
| 6 | 9018 | Screw M4 x 25 DIN7984 | 4 |
| 7 | 8207 | Screw M4 x 14 DIN7991 | 33 |
| 8 | 101556 | LED D-RGB strip 500/300 mm | 1 |
| 9 | 102639 | EK – Plug G1/4 | 9 |
| 10 | 105693 | LED Cover (Black) | 1 |
| 11 | 104599 | Mylar sticker | 1 |
| 12 | 8472 | Screw M3 x 6 DIN7991 | 12 |
| 13 | 105697 | OR – 216 x 2 | 1 |
| 14 | 105698 | OR – 75 x 2 | 1 |
| 15 | 105699 | OR – 151 x 2 | 1 |
| 16 | 105700 | OR – 19 x 2 | 2 |
| 17 | 105701 | OR – 85 x 2 | 1 |
| 18 | 105702 | OR – 55 x 2 | 1 |
| 19 | 3.83E+12 | Plug cover (Acetal) | 9 |
PREPARING THE FRACTAL TORRENT CHASSIS
STEP 1
Remove the front and side panels of your Fractal Torrent case.

STEP 2
Remove the front fans with upper and lower front bracket covers. Then unscrew the bottom bracket thumb screws and carefully pull them outside the case. If you are installing a bottom radiator, remove all fans from the bottom of the case. Otherwise, you just need to remove the one closest to the front panel.
Before inserting the EK-Quantum Reflection2 Torrent DDC 4.2 PWM D-RGB – Plexi distribution plate, you must remove all the abovementioned elements.

OPTIONAL: INSTALLING THE BOTTOM RADIATOR IN THE FRACTAL TORRENT CHASSIS
Important: These steps are to be followed if you are using the EK-Quantum Surface P240 radiator and hard tubing. 360mm or longer radiators cannot be used in the bottom of the chassis when EK-Quantum Reflection2 Torrent DDC 4.2 PWM D-RGB distribution plate is installed. Also note that EK-Loop Vertical GPU holder is NOT compatible with the bottom radiator in this case.
STEP 1
Position the Quantum Surface fittings and end tank plugs as seen in the image so that you can use tubing parallel to the longest side of the radiator.

For this step, you need:

STEP 2
Once you have successfully pulled the bottom bracket outside the chassis, mount the radiator and carefully tighten the screws without completely fixing it in place. This step is crucial if you want to install hard tubing without difficulties.

STEP 3
Place the bottom bracket with the installed radiator inside the chassis and tighten the thumb screws. After that, move the radiator as far back as possible against the PCI slot brackets.

PREPARING THE EK-Quantum Reflection² Torrent DDC 4.2 PWM D-RGB DISTRIBUTION PLATE
STEP 1
Take the metal radiator bracket and tighten it on the EK-Quantum Reflection2 Torrent DDC 4.2 PWM D-RGB distribution plate with two (2) M4x8 DID7991 screws from the mounting mechanism packaging.

For this step, you need:

STEP 2
Optional Step 2.1 (Using the Front and Bottom Radiator – GREEN)
Install the following in this sequence: EK-Quantum Torque Extender Rotary MF 14mm, EK-Quantum Torque Angled – 90°, and EKQuantum Torque HTC fitting on the radiator port closer to the distribution plate. EK-Torque HTC fittings should be installed on the other radiator port and the bottom two distribution plate holes.
Optional Step 2.2 (Using the Front Radiator Only – RED):
Execute the previous “GREEN” steps with an additional EK-Quantum Torque Extender Static MF 28mm for the radiator port further from the distribution plate.

After either of these steps, push the radiator on the bracket with ports on the bottom, as seen in the image. Make sure you cut the tubes just right, with the position of the radiator matching the screw holes on the metal bracket. We suggest the shorter tube be 51 mm and the longer one 107 mm. Once you’re finished with the placement, tighten the radiator screws.
Important: Optional steps apply when using EKQuantum Surface P360 or P240 radiators, or in case of S360 and S240 radiators when extra 14 mm extenders on both radiator ports are needed.
INSTALLING THE EK-Quantum Reflection² Torrent DDC 4.2 PWM D-RGB DISTRIBUTION PLATE INTO CHASSIS
STEP 1
A) Tilt the whole distribution plate assembly, so it fits inside the case.
B) When the assembly is inside the case, push it as far to the upper right corner as possible.
C) Then rotate the bottom assembly until it’s aligned with the front case mounting holes.

STEP 2
Use six (6) M4x4 DIN7984 screws from the mounting mechanism packaging to secure the assembly to the front chassis mounting holes. For extra rigidity, find the distribution plate screw holes that match the cutout slots of the back side panel and use two (2) Metal Washers M4 x 0.8 and two (2) M4 x 6 DIN7984 screws to tighten the distribution plate.

For this step, you need:

STEP 3
If you plan to use the bottom radiator and the front radiator, make one straight tube that will go directly from the front to the bottom radiator and one 90° tube from the distribution plate to the radiator. We suggest the straight tube be 93.5mm long and match its end with the 90° tube. Then you can push the tubes into radiator ports and tighten the fittings.

Now, tilt the case on its side panel and tighten the bottom radiator screws you can reach.
RECOMMENDED DISTRIBUTION PLATE CONFIGURATIONS

All ports must be used as marked in the image to complete your loop.
The remaining unused ports must be closed with the supplied plugs using the EK-Loop Multi Allen Key.
If one of the prescribed components will not be installed (eg. bottom radiator or GPU water block) then one INLET and one OUTLET port still must be joined in order for this distribution plate to function!
Note that the bottom and front radiator are entirely optional – the liquid cooling system without either one can be closed.
Only one INLET and one OUTLET port for the GPU connection can be used, while all other INLET and OUTLET GPU ports must be closed with G1/4 plugs (enclosed in the packaging).
FLOW DIAGRAM

CONNECTING THE D-RGB LED STRIP
Plug the 3-pin connector of the distribution plate’s D-RGB LED light into the D-RGB HEADER on the motherboard. The LEDs will work if the pin layout on the header is as follows: +5V, Digital, Empty, Ground.

CONNECTING THE PUMP
The EK DDC 4.2 PWM pump has two connectors.
- SATA Connector: It must be connected directly to your PSU at all times since it powers the pump.
- 4-Pin PWM Fan Connector: It can be connected to your motherboard’s CPU, fan, or designated water pump header. It can also be connected to a controller. This cable controls and reports the rotational speed of the pump. The pump will run at its maximum speed (100% PWM) if not connected.

TESTING THE LOOP
To ensure the installation of EK components was successful, we recommend you perform a leak test for 24 hours or use the EK-Loop Leak Tester to do the same within minutes.
When your loop is complete and filled with coolant, connect the pump to a PSU outside your system. Do not connect power to any of the other components. Turn on the PSU and let the pump run continuously. It is usual for the coolant level to drop during this process as air collects inside the distribution plate.
Inspect all parts of the loop, and in case the coolant leaks, fix the issue and repeat the testing process. Ensure that all hardware is dry before the system is powered to prevent damage.
SUPPORT AND SERVICE
If you need assistance or wish to order spare parts or a new mounting mechanism, please contact: https://www.ekwb.com/customer-support/
For spare part orders, refer to the page with Technical Specifications and Product Parts, where you can find the EAN number of each part you might need. Mounting Mechanism EAN can be found under the Box Content section of this manual.
Include the EAN number and desired quantity in your request.
Thermal pads are readily available in the EK Shop.
SOCIAL MEDIA
EKWaterBlocks
@EKWaterBlocks
ekwaterblocks
EKWBofficial
ekwaterblocks



















