NMEA2000® AC MONITOR
Part Numbers: 3420
USER MANUAL

Revision 1.00
1 INTRODUCTION
The Oceanic Systems NMEA2000® 3420 AC Monitor is designed to monitor any AC source including single-phase (phase A), two-phase (phase A, B), three-phase (phase A, B, C) and split-phase (phase A, B). This unit is designed to operate in a protected marine environment such as an engine room. It is very important that it is installed and set up correctly according to this manual. Please read and follow the installation and setup instructions carefully to achieve the best results.
1.1 FIRMWARE REVISION
The information in this manual corresponds to firmware revision 1.00
1.2 PRODUCT FEATURES
The NMEA2000® 3420 AC Monitor has the following features:
- Inputs for AC Voltage (300 VAC MAX)
- Inputs for 200 Amp AC Current Transformers
- User Settable Circuit Type
- Heartbeat LED Confirming NMEA Transmission
- NMEA2000® Micro-C Interface Plug
- Robust environmentally protected enclosure and connections
- The unit reports, AC Voltage, Current, Frequency, Power
- The unit reports all measurements with 1% Accuracy.
2 INSTALLATION
2.1 UNPACKING THE BOX
You will find the following items in the shipping box:
1 x 3420 AC Monitor
1 x 3420 User Manual (This document)
1 x 3423 200 Amp AC Current Transformer
1 x Deutsch Connector and Crimps Pack
2.2 MOUNTING THE UNIT
The unit should be mounted to a flat surface using 4 M4 mounting screws. The unit dimensions and mounting hole locations are shown on the following drawing.

Note: Whilst the unit is designed to be water resistant, it should be mounted away from sources of condensation and moisture
2.3 CONNECTING THE NMEA2000® CABLE
The unit is connected to the NMEA2000® network by the 5-way micro-C socket on the front. Carefully attach the plug of the network drop cable to this socket and tighten by hand until it is fully seated. Take care to match the orientation of the pip inside the socket to the recess inside the drop cable plug. The other end of the drop cable should be connected to a suitable Tee connector on the NMEA2000 network backbone cable.
Male Female


- Connector Threads
- Pins
- Sockets
Pin1: Shield
Pin2: NET-S (power supply Positive, +V)
Pin3: NET-C (power supply common, -V)
Pin4: NET-H (CAN-H)
Pin5: NET-L (CAN-L)
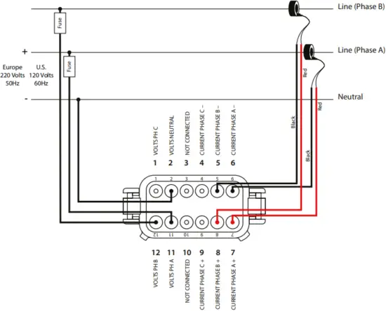
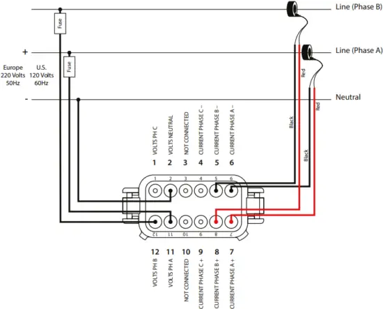
2.4 CONNECTING THE VOLTAGE & CURRENT TRANSFORMER INPUT CABLES TO THE DEUTSCH CONNECTOR
WARNING: RISK OF ELECTRIC SHOCK
This device contains potentially hazardous voltages. Ensure that power is removed from all AC circuits that will be connected to the AC monitor. Do not attempt to disassemble the device. This device contains no user serviceable parts. Connecting the AC monitor must be performed by QUALIFIED ELECTRICAL ENGINEER ONLY.
The cables from the power-source are connected to the AC Monitor using a DT15-12PA Deutsch Connector. Each wire should be stripped and crimped with matching socket crimps (PN: 5099 Male Deutsch Adaptor Kit). Connections to a mating Deutsch socket housing should be made as in the following table:
2.5 DEUTSCH CONNECTOR PINOUT

| Terminal 1 | Voltage Phase C Line |
| Terminal 2 | Neutral |
| Terminal 3 | No Connection |
| Terminal 4 | Current Transformer Phase C- |
| Terminal 5 | Current Transformer Phase B- |
| Terminal 6 | Current Transformer Phase A- |
| Terminal 7 | Current Transformer Phase A + |
| Terminal 8 | Current Transformer Phase B + |
| Terminal 9 | Current Transformer Phase C + |
| Terminal 10 | No Connection |
| Terminal 11 | Voltage Phase A Line |
| Terminal 12 | Voltage Phase B Line |
WARNING: Unit must be installed by a qualified electrical engineer. Incorrect connections may result in damage to the unit, PERSONAL INJURY or DEATH.
3 CONFIGURATION
Before using the 3420 for the first time, it needs to be configured with a suitable Oceanic Systems Display Unit, or our Monex PC Software. The 3420 can be pre-configured when ordering direct from Oceanic Systems - please state the required mode and instance when purchasing. The following items can be configured on the 3420:
Attributing the device can be configured using the xxxx configurement unit. Which can then be connected to the interface. Please contact Oceanic Systems for further details
3.1 NMEA DEVICE INSTANCE
You can select a unique device instance up to 254. The data instance will match the device instance. Data instances and device instances must be unique on a network to avoid data conflicts.
3.2 DEVICE CIRCUIT TYPE
The 3420 AC Monitor can be configured to operate in 1 of 4 modes.
| Phase Mode | AC Circuit Type |
| 1 | Single Phase |
| 2 | Two Phase |
| 3 | Three Phase |
| 4 | Split Phase |
Single Phase Connection

This must be configured with one of the methods outlined in (3) before the device can be used.
Two Phase Connection

This must be configured with one of the methods outlined in (3) before the device can be used.
Three Phase Connection

This must be configured with one of the methods outlined in (3) before the device can be used.
Split Phase Connection

This must be configured with one of the methods outlined in (3) before the device can be used.
3.3 NMEA2000® Parameter Group Numbers (PGNs)
| Type | PGN No | PGN Name |
| Monitor | PGN 127744 | AC Power / Current - Phase A |
| PGN 127745 | AC Power / Current - Phase B | |
| PGN 127746 | AC Power / Current - Phase C | |
| PGN 127747 | AC Voltage / Frequency - Phase A | |
| PGN 127748 | AC Voltage / Frequency - Phase B | |
| PGN 127749 | AC Voltage / Frequency - Phase C | |
| Protocol | PGN126464 | Tx/Rx PGN List |
| PGN126996 | Product Information | |
| PGN126998 | Configuration Information | |
| PGN059392 | ISO Acknowledgment | |
| PGN059904 | ISO Request | |
| PGN060928 | ISO Address Claim | |
| PGN126208 | Command/Request Group | |
| PGN126993 | Transmit Heartbeat |
Note: The “Line to Line” voltage values on PGN’s PGN127747, PGN127748 and PGN127749 are calculated from the “Line to Neutral” voltage.
Note: The frequency values on PGNs PGN127747, PGN127748 and PGN127749 are measured from the voltage lines when in range of 40Hz – 70Hz, if the frequency sways outside this range the frequency will be transmitted as 49.9Hz.
Design Standards
| Parameter | Comment |
| NMEA2000® | Level B |
| Maritime Nav and RadioComm Equipment | IEC60945 |
| CE and FCC | Electromagnetic Compatibility |
Electrical and Mechanical
| Parameter | Value | Comment |
| Operating Voltage | 9 to 28 Volts | DC Voltage |
| Power Consumption | 30mA | Average Operating |
| Load Equivalence Number | 1 | LEN |
| Reverse Battery Protection | Yes | Indefinately |
| Load Dump Protection | Yes | SAE J1113 |
| Size | mm | 123 x 104 x 47 |
| Weight | gr | 350 |
Environmental
| Parameter | Value |
| IEC 60954 Classification | Protected |
| Degree of Protection | IP64 |
| Operating Temperature | -25°C to 50°C |
| Storage Temperature | -40°C to 70°C |
| Relative Humidity | 93%RH @40° per IEC60945-8.2 |
| Vibration | 2-13.2Hz @ ±1mm, 13.2-100Hz @ 7m/s2 per IEC 60945-8.7 |
| Electromagnetic Emission | Conducted and Radiated Emission per IEC 60945-9 |
| Electromagnetic Immunity | Conducted, Radiated, Supply, and ESD per IEC 60945-9 |
| Safety Precautions | Dangerous Voltage, Electromagnetic Radio Frequency per IEC 60945-12 |
4 WARRANTY
Oceanic Systems warrants this product to be free from defects in materials and workmanship for one year from the date of original purchase. If within the applicable period any such products shall be proved to Oceanic Systems satisfaction to fail to meet the above limited warranty, such products shall be repaired or replaced at Oceanic Systems option. Purchaser’s exclusive remedy and Oceanic Systems sole obligation hereunder, provided product is returned pursuant to the return requirements below, shall be limited to the repair or replacement, at Oceanic Systems option, of any product not meeting the above limited warranty and which is returned to Oceanic Systems; or if Oceanic Systems is unable to deliver a replacement that is free from defects in materials or workmanship, Purchaser’s payment for such product will be refunded. Oceanic Systems assumes no liability whatsoever for expenses of removing any defective product or part, or for installing the repaired product or part or a replacement therefore or for any loss or damage to equipment in connection with which Oceanic Systems products or parts shall be used. The foregoing warranties shall not apply with respect to products subjected to negligence, misuse, misapplication, accident, damages by circumstances beyond Oceanic Systems control, to improper installation, operation, maintenance, or storage, or to other than normal use or service.
THE FOREGOING WARRANTIES ARE EXPRESSLY IN LIEU OF AND EXCLUDES ALL OTHER EXPRESS OR IMPLIED WARRANTIES, INCLUDING BUT NOT LIMITED TO THE IMPLIED WARRANTIES OF MERCHANTABILITY AND OF FITNESS FOR A PARTICULAR PURPOSE.
Statements made by any person, including representatives of Oceanic Systems, which are inconsistent or in conflict with the terms of this Limited Warranty, shall not be binding upon Oceanic Systems unless reduced to writing and approved by an officer of Oceanic Systems.
IN NO CASE WILL OCEANIC SYSTEMS BE LIABLE FOR INCIDENTAL OR CONSEQUENTIAL DAMAGES, DAMAGES FOR LOSS OF USE, LOSS OF ANTICIPATED PROFITS OR SAVINGS, OR ANY OTHER LOSS INCURRED BECAUSE OF INTERRUPTION OF SERVICE. IN NO EVENT SHALL OCEANIC SYSTEMS AGGREGATE LIABILITY EXCEED THE PURCHASE PRICE OF THE PRODUCT(S) INVOLVED. OCEANIC SYSTEMS SHALL NOT BE SUBJECT TO ANY OTHER OBLIGATIONS OR LIABILITIES, WHETHER ARISING OUT OF BREACH OF CONTRACT OR WARRANTY, TORT (INCLUDING NEGLIGENCE), OR OTHER THEORIES OF LAW WITH RESPECT TO PRODUCTS SOLD OR SERVICES RENDERED BY OCEANIC SYSTEMS, OR ANY UNDERTAKINGS, ACTS OR OMISSIONS RELATING THERETO.
Oceanic Systems does not warrant that the functions contained in any software programs or products will meet purchaser’s requirements or that the operation of the software programs or products will be uninterrupted or error free. Purchaser assumes responsibility for the selection of the software programs or products to achieve the intended results, and for the installation, use and results obtained from said programs or products. No specifications, samples, descriptions, or illustrations provided by Oceanic Systems to Purchaser, whether directly, in trade literature, brochures or other documentation shall be construed as warranties of any kind, and any failure to conform to such specifications, samples, descriptions, or illustrations shall not constitute any breach of Oceanic Systems limited warranty.
WARRANTY RETURN PROCEDURE
To apply for warranty claims, contact Oceanic Systems or one of its dealers to describe the problem and determine the appropriate course of action. If a return is necessary, place the product in its original packaging together with proof of purchase and send to an Authorized Oceanic Systems Service Location. You are responsible for all shipping and insurance charges. Oceanic Systems will return the replaced or repaired product with all shipping and handling prepaid except for requests requiring expedited shipping (i.e. overnight shipments). Failure to follow this warranty return procedure could result in the product’s warranty becoming null and void.
Oceanic Systems reserves the right to modify or replace, at its sole discretion, without prior notification, the warranty listed above.
5 TECHNICAL SUPPORT
If you require technical support for any Oceanic Systems products you can reach us using any of the following ways:
- Tel (UK): +44(0)1425 610022
- Tel (USA): (844)898 6462
- Fax: +44(0)1425 614794
- Email: [email protected]
- Web: www.osukl.com
- Post: Oceanic Systems (UK) Ltd
Unit 10-11 Milton Business Centre
Wick Drive, New Milton, Hampshire BH25 6RH
Oceanic Systems (UK) Ltd
Unit 10 -11 Milton Business Centre, Wick Drive,
New Milton, Hampshire, BH25 6RH, United Kingdom
Tel (UK): +44(0)1425 610022 Tel (USA): (844)898 6462
Fax: +44(0)1425 614794 Email: [email protected]
Web: www.osukl.com
Copyright © 2022 Oceanic Systems (UK) Ltd. All rights reserved. Our policy is one of continuous product improvement so product specifications are subject to change without notice. Oceanic Systems products are designed to be accurate and reliable. However, they should be used only as aids to vessel monitoring, and not as a replacement for traditional navigation and vessel monitoring techniques. NMEA2000® is a registered trademark of the National Marine Electronics Association.
NMEA2000® AC MONITOR
















