Directed 3100L Avital 1-Way Security System
what is included
- The control module
- Two 3-button remote transmitters
- The plug-in LED system status indicator
- The plug-in Valet/Program switch
- An on-board zone 2 impact sensor
- A high-powered siren
- The 12-pin primary harness
- The 3-pin door lock harness
- The plug-in starter interrupt harness
Wiring quick reference guide
primary harness (H1) wire connection guide
H1/1 ORANGE (-) ground-when-armed 500 mA output
This wire supplies (-) ground as long as the system is armed. This output ceases as soon as the system is disarmed. It can be used to turn on an optional sensor or to control an optional accessory, such as a window module or pager.
H1/2 WHITE (+/-) selectable light flash output
As shipped, this wire should be connected to the (+) parking light wire. If the light flash polarity jumper inside the control module is moved to the opposite position (see Internal Programming Jumper section of this guide), this wire supplies a (-) 200 mA output. This is suitable for driving (-) light control wires in Toyota, Lexus, BMW, some Mitsubishi, some Mazda, and other model cars.


H1/3 WHITE/BLUE (-) channel 3 output
This wire provides a (-) 200 mA output whenever the transmitter code controlling Channel 3 is received. This output will continue as long as that transmission is received. Use for options such as 551T Valet® Start system, 529T or 530T power window controllers, etc.
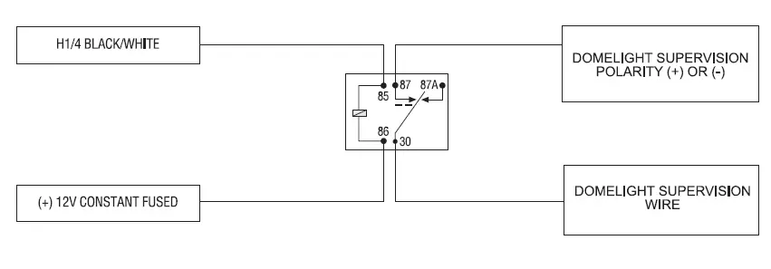
H1/4 BLACK/WHITE (-) interior light illumination output
Connect the H1/4 BLACK/WHITE wire to an optional relay for interior light illumination (p/n 8617 or standard automotive SPDT relay).
H1/5 GREEN (-) door trigger input, zone 3
Most vehicles use negative door trigger circuits. Connect the green wire to a wire which shows ground when any door is opened. In vehicles with factory delays on the domelight circuit, there is usually a wire that is unaffected by the delay circuitry. This wire will report Zone 3.
H1/6 BLUE (-) multiplex trigger input, zone 1
This wire will respond to a negative input with an instant trigger. Inputs shorter than 0.8 seconds will trigger the Warn Away response, while triggers longer than 0.8 seconds will instantly trigger the full alarm cycle. This wire is ideal for hood and trunk pins and will report on Zone 1. This wire can also be used with DEI’s 506T Glass Breakage Sensor, as well as other DEI single stage sensors. The H1/6 BLUE multiplex trigger wire can be used to shunt sensors during operation, using the auxiliary channels. When any of the auxiliary channels are transmitted, the H1/6 BLUE wire monitors for a ground. If ground is detected within 5 seconds of transmission, the sensors and the multiplex trigger input on the BLUE wire will be shunted until 5 seconds after the ground is removed. This allows the customer to access the trunk, remote start the vehicle, or roll the windows down without first disarming the alarm. (See Bypassing Sensor Inputs section of this guide.)
H1/7 VIOLET (+) door trigger input, zone 3
This wire is used in vehicles that have a positive (+) switched dome light circuit. Connect the violet wire to a wire that shows (+)12V when any door is opened, and ground when the door is closed. This wire will report Zone 3.
H1/8 BLACK (-) chassis ground connection
Remove any paint and connect this wire to bare metal, preferably with a factory bolt rather than your own screw. (Screws tend to either strip or loosen with time.) We recommend grounding all your components, including the siren, to the same point in the vehicle. See the following diagram.
H1/9 YELLOW (+) ignition input, zone 5
Connect this wire to an ignition source. This input must show (+)12V with the key in run position and during cranking. Make sure that this wire cannot be shorted to the chassis at any point. This wire will report Zone 5.
H1/10 BROWN (+) siren output
Connect this to the red wire of the siren. Connect the black wire of the siren to (-) chassis ground, preferably at the same point you connect the control module’s black ground wire.
H1/11 RED (+)12V constant power input
Before connecting this wire, remove the supplied fuse. Connect to the positive battery terminal or the constant 12V supply to the ignition switch
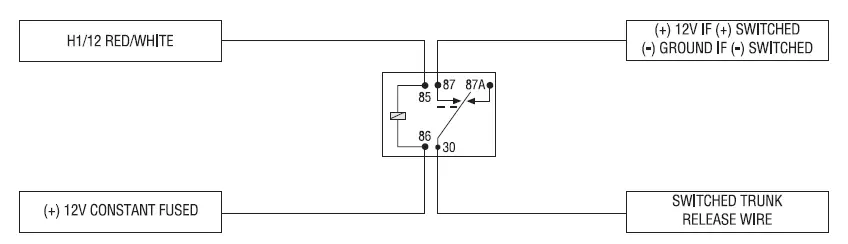
H1/12 RED/WHITE channel 2, (-) 200mA output
When the system receives the code controlling Channel 2, for longer than 1.5 seconds, the red/white wire will supply an output as long as the transmission continues. This is often used to operate a trunk/hatch release or other relay-driven function
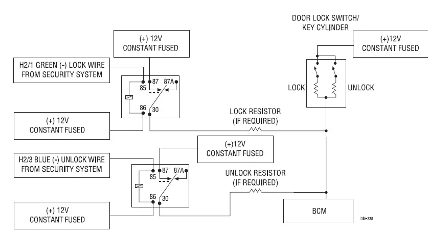
Door lock harness (H2) wire connection guide
type A: positive (+) 12V pulses from the switch to the factory relays
This security system can control Type A door locks directly, with no additional parts. The switch will have three wires on it, and one will test (+)12V constantly. The others will alternately pulse (+)12V when the switch is pressed to the lock or unlock position. If you cannot get to the switch, and you find a set of wires that pulse (+)12V alternately on lock and unlock, you must take care to ensure that it is not a Type C direct-wire system.
IMPORTANT! If you mistake a Type C direct-wired system for a Type A positive-pulse system, the module will be damaged! Here is a test: Cut the wire which pulses (+)12V on lock, and then operate the switch to unlock.
- If all doors unlock, the vehicle uses a Type A system.
- If you lose all door lock operation in both directions, you are operating the master switch in a Type C system.
- If one or more, but not all, motors stop operating, you have cut a wire leading directly to one or more motors.
Reconnect the wire and look for another wire. Many domestically-made GM vehicles use Type A locks. However, many more GM vehicles are Type C than in previous years. The full-size pickups (1989-later), many of the S10 Blazers, the Corvette, ’95 Cavalier/Sunfire 1993 and newer, Camaro/Firebird all use Type C door locks, and cannot be controlled without a 451M! Almost all domestically- built Fords are Type C. Ford builds almost no Type A systems. Chrysler builds both Type A and Type C, so test carefully.
type B: negative (-) pulses from the switch to the factory relays
This system is common in many Toyota, Nissan, Honda, and Saturn models, as well as Fords with remote-controlled door lock/unlock (some other Fords also use Type B). The switch will have three wires on it, and one wire will test ground all the time. One wire will pulse (-) when the switch locks the doors, and the other wire will pulse (-) when the switch unlocks the doors. This type of system is difficult to mistake for any other type.
type C: reversing polarity
Interfacing with a reversing polarity system requires either two relays or one 451M (not included). It is critical to identify the proper wires and locate the master switch to interface properly. Locate wires that show voltage on lock and unlock. Cut one of the suspect wires and check operation of the locks from both switches. If one switch loses operation in both directions and the other switch operates in one direction only, you have located one of the target wires. The switch that lost all operation is the master switch. If one switch works both directions and the other switch works only one direction, you have a Type A system. If both switches still operate, but one or more doors have stopped responding entirely, you have cut a motor lead. Reconnect it and continue to test for another wire. Once both wires have been located and the master switch identified, cut both wires and interface as shown below.
Type D: after-market actuators
In order for this system to control one or more after-market actuators, a 451M or two relays (optional) are needed. Vehicles without factory power door locks require the installation of one actuator per door. This requires mounting the door lock actuator inside the door. Other vehicles may only require one actuator installed in the driver’s door if all door locks are operated when the driver’s lock is used. The fuse used on 12-volt inputs should be 7.5A per motor installed in the vehicle.
Type E: mercedes-benz and audi (Certain years only)
Door locks are controlled by an electrically activated vacuum pump. Some Mercedes and Audi models use a Type D system. Test by locking doors from the passenger key cylinder. If all the doors lock, the vehicle’s door lock system can be controlled with just two relays (optional). The control wire can be found in either kick panel and will show (+)12V when doors are unlocked and (-) ground when doors are locked. To interface, see diagram below. The system must be programmed for 3.5 second door lock pulses. (See Operating Settings Remote Control Code Learning section of this guide.)
Type F: one-wire system
This system usually requires a negative pulse to unlock, and cutting the wire to lock the door. In some vehicles, these are reversed. It is found in some Nissan Sentras, some Nissan 240SX, and Nissan some 300ZX. It is also found in some Mazda MPV’s and some Mitsubishi’s. One relay (optional) is used to interface to this type of system as follows:
Type G: positive (+) multiplex
This system is most commonly found in Ford, Mazda, Chrysler and GM vehicles. The door lock switch or door key cylinder may contain either one or two resistors. When interfacing with this type of door lock system, two relays or a 451M must be used.
Single-resistor type
If one resistor is used in the door lock switch/key cylinder, the wire will pulse (+)12V in one direction and less than (+)12V when operated in the opposite direction
Two-resistor type
If two resistors are used in the factory door lock switch/key cylinder, the switch/key cylinder will read less than (+)12V in both directions
determining the proper resistor values
- To determine the resistor values, the door lock switch/key cylinder must be isolated from the factory door lock system. For all testing, use a calibrated digital multimeter that is set to ohms.
- Cut the output wire from the door lock switch/key cylinder in half.
- Test with the meter from the switch side of the cut door lock switch/key cylinder wire to a reliable constant (+)12V source. Some good constant (+)12V references are the power input source to the door lock switch/key cylinder, the ignition switch power wire, or the (+) terminal of the battery.
- Operate the door lock switch/key cylinder in both directions to determine the resistor values. If the multimeter displays zero resistance in one direction, no resistor is needed for that direction.
- Once the resistor value(s) is determined, refer to the wiring diagram for proper wiring.
Type H: negative (-) multiplex
The system is most commonly found in Ford, Mazda, Chrysler and GM vehicles. The door lock switch or door key cylinder may contain either one or two resistors. When interfacing with this type of door lock system, two relays or a 451M must be used.
Single-resistor type
If one resistor is used in the door lock switch/key cylinder, the wire will pulse (+)12V in one direction and less than (+)12V when operated in the opposite direction
Two-resistor type
If two resistors are used in the factory door lock switch/key cylinder, the switch/key cylinder will read less than (+)12V in both directions
determining the proper resistor values
- To determine the resistor values, the door lock switch/key cylinder must be isolated from the factory door lock system. For all testing, use a calibrated digital multimeter that is set to ohms.
- Cut the output wire from the door lock switch/key cylinder in half.
- Test with the meter from the switch side of the cut door lock switch/key cylinder wire to a reliable constant (+)12V source. Some good constant (+)12V references are the power input source to the door lock switch/key cylinder, the ignition switch power wire, or the (+) terminal of the battery.
- Operate the door lock switch/key cylinder in both directions to determine the resistor values. If the multimeter displays zero resistance in one direction, no resistor is needed for that direction.
- Once the resistor value(s) is determined, refer to the wiring diagram for proper wiring.
starter interrupt harness (H3) wire connection guide

plug-in LED and valet/program switch
The LED and the Valet/Program switch both plug into the control module. The LED system status indicator plugs into the white two-pin port, while the Valet®/Program switch should be plugged into the blue two-pin port. The status LED and Valet®/Program switch each fit into 9/32-inch holes.
internal programming jumper
light flash jumper
This jumper is used to determine the light flash output. In the (+) position, the on-board relay is enabled and the unit will output (+)12V on the H1/2 WHITE wire. In the (-) position, the on-board relay is disabled. The H1/2 WHITE wire will supply a (-) 200 mA output suitable for driving factory parking light relays. To access the jumper, open the control module.
on-board dual stage zone 2 impact sensor
There is a dual-stage impact sensor inside the control unit. Adjustments are made via the rotary control as indicated above. Since the impact sensor does not work well when mounted firmly to metal, we recommend against screwing down the control module. We recommend mounting the control module to a large wiring loom
bypassing sensor inputs
There are times when you need to temporarily bypass all sensor inputs to the unit, such as when remote starting the vehicle. Anytime an auxiliary channel output is used, all inputs are bypassed for 5 seconds. During the 5 second bypass period, ground can be supplied to the H1/6 BLUE wire without triggering the unit. When the 5 second bypass period ends, if the unit detects ground on the H1/6 BLUE wire, all trigger inputs except the door trigger input will remain bypassed until 5 seconds after ground is removed from the BLUE wire. This can be done using the status output of a 551T remote start unit as shown below
transmitter/receiver remote control code learning
The system comes with two transmitters that have been taught to the receiver. Use the following transmitter/receiver remote control code learning to add transmitters to the system or to change button assignments if desired. The Valet®/Program button, plugged into the blue port, is used for programming. There is a basic sequence to remember whenever programming this unit: Door, Key, Choose, Transmit and Release.
- Open a door. (The GREEN wire, H1/5, or the VIOLET, H1/7 must be connected.)

- key. Turn the ignition on. (The H1/9 YELLOW switched ignition input must be connected.)

- Select the receiver channel. Press and release the Valet®/Program switch the number of times necessary to access the desired channel. Once you have selected a channel, press and HOLD the Valet®/Program switch once more. The siren will chirp and the LED will blink the number of times corresponding to the channel that has been accessed


- Press the transmitter button. While HOLDING the Valet®/Program switch, press the transmitter button that you wish to assign to that channel. The unit will chirp indicating successful programming. You cannot teach a transmitter button to the system more than once.

- Release. Once the code is learned, the Valet®/Program button can be released.

Code Learning will be exited if:
- Ignition is turned off.
- Door is closed.
- Valet®/Program button is pressed too many times.
- More than 15 seconds elapses between steps.
transmitter configuration
The transmitters can be programmed with the Standard Configuration by using the Channel 7 Auto-learn* function in the Transmitter/Receiver Remote Control Code Learning. When programmed for Standard Configuration, the 3-button transmitter buttons are assigned to the following functions:
Operating settings remote control code learning
Many of the operating settings of this unit are programmable. They can be changed whenever necessary through Operating Settings Remote Control Code Learning. The Valet®/Program push-button switch, plugged into the blue port, is used together with a programmed transmitter to change the settings. The operating settings dictate how the unit operates. It is possible to access and change any of the feature settings using the Valet®/Program switch.
To enter Operating Settings Code Learning:
- Open a door. (The GREEN wire, H1/5, or the VIOLET, H1/7 must be connected.)

- Ignition. Turn the ignition on, then back off. (The H1/9 YELLOW switched ignition input must be connected.)

- Choose. Within 10 seconds, press and release the Valet®/Program switch the number of times corresponding to the feature number you want to program (see the Features Menu section of this guide). The LED ON settings listed in the Features Menu table are the factory default settings.

- Once the Valet/Program switch has been pressed and released the number of times corresponding to the feature you wish to program, press it once more and HOLD it. After a second, the LED will flash to indicate which feature you have accessed. For example, groups of five flashes would indicate access to Feature 5. The siren will also chirp five times.

- Transmit. While HOLDING the Valet®/Program switch, you can select the desired feature settings using the remote transmitter. As shipped, the unit is configured to the default LED ON settings. Pressing Button I while HOLDING down the Valet/Program switch will program the feature to the LED ON settings. The siren will chirp once to indicate the one-chirp setting has been selected. Pressing Button II while HOLDING down the Valet/Program switch will change the setting to the LED OFF setting.
- The siren will chirp twice indicating that the LED OFF setting has been selected.

- Release. Release the Valet®/Program switch.

To access another feature:
You can advance from feature to feature by pressing and releasing the Valet®/Program switch the number of times necessary to get from the feature you just programmed to the feature you wish to access. For example, if you just programmed Feature 1 and you want to program Feature 2:
- Release the Valet®/Program switch.
- Press and release the Valet/Program switch once to advance from Feature 1 to Feature 2.
- Press the Valet®/Program switch once more and HOLD it.
- The siren will chirp two times to confirm that you have accessed Feature 2.
To exit the Code Learning, do one of the following:
- Close the open door.
- Turn the ignition on.
- No activity for longer than 15 seconds.
- Press the Valet®/Program switch too many times.
feature descriptions
- ACTIVE/PASSIVE ARMING: When active arming is selected, the system will only arm when the transmitter is used. When set to passive, the system will arm automatically 30 seconds after the last door is closed. Passive arming is indicated by the rapid flashing of the LED when the last protected entry point is closed.
- CONFIRMATION CHIRPS ON/OFF: This feature controls the chirps that confirm the arming and disarming of the system.
- IGNITION-CONTROLLED DOOR LOCK/UNLOCK ON/OFF: When turned on, the doors will lock three seconds after the ignition is turned on and unlock when the ignition is turned off. If the ignition key is turned on while the vehicle door(s) are open, the door(s) will not lock.
- ACTIVE/PASSIVE LOCKING: If passive arming is selected in Feature 1, then the system can be programmed to either lock the doors when passive arming occurs, or only lock the doors when the system is armed with the transmitter. Active locking means the system will not lock the doors when it passively arms. Passive locking means that the system will lock the doors when it passively arms.
- DOOR LOCK PULSE DURATION: Some European vehicles, such as Mercedes-Benz and Audi, require longer lock and unlock pulses to operate the vacuum pump. Programming the system to provide 3.5 second pulses will accommodate door lock interface in these vehicles. The default setting is 0.8 second door lock pulses. See Mercedes-Benz and Audi – 1985 and Newer (Type E Door Locks section) diagram.
- DOUBLE PULSE UNLOCK OFF/ON: Some vehicles require two pulses on a single wire to unlock the doors. When the double pulse unlock feature is turned on, the H2/3 BLUE wire will supply two negative pulses instead of a single pulse. This makes it possible to directly interface with double pulse vehicles without any extra parts.
- COODE HOPPING TECHNOLOGY ON/OFF: This system features Code Hopping Technology as an option. Code Hopping Technology is a feature that uses a mathematical formula to change the system’s code each time the transmitter and receiver communicate. This makes the group of bits or “word” from the transmitter very long. The longer the word is, the easier it is to block its transmission to the unit. Disabling the Code Hopping Technology feature lets the receiver ignore the Code Hopping Technology part of the transmitted word. As a result, the unit may have better range with Code Hopping Technology off.
nuisance prevention circuitry™
NPC™ requires that you change the way you test the system, as NPC™ will bypass an input zone for 60 minutes. If the system “sees” the same zone trigger three times AND the triggers are spaced less than an hour apart, the system will bypass that input zone for 60 minutes. If that zone does not attempt to trigger the system during the 60-minute bypass period, the zone’s monitoring will begin again at the end of the hour. If it does attempt to trigger while bypassed, the 60-minute bypass starts over again. Disarming and rearming the system does not reset NPC™. The only way to reset NPC™ is for the 60 minutes to pass, without a trigger, or for the ignition to be turned on. This allows the system to be repeatedly triggered, disarmed and rearmed, and still allow NPC™ to bypass a faulty zone. When disarming the system, 5 chirps indicate NPC is activated. The LED will report the zone that has been bypassed. (See Table of Zones section of this guide.)
table of zones
When using the Diagnostic functions, use the Table of Zones to see which input has triggered the system. It is also helpful in deciding which input to use when connecting optional sensors and switches
troubleshooting
- Door input does not immediately trigger full alarm. Instead, first I hear chirps for 3 seconds:
- That’s how the progressive two-stage door input works! This is a feature of this system. This is an instant trigger, remember, since even if the door is instantly re-closed, the progression from chirps to constant siren will continue.
- Closing the door triggers the system, but opening the door does not:
- Have you correctly identified the type of door switch system? This often happens when the wrong door input has been used. (See H1/5 GREEN Door Trigger Input, Primary Harness Wire Connection Guide section of this guide.)
- System will not passively arm until it is remotely armed and then disarmed:
- Are the door inputs connected? Is the H1/6 blue wire connected to the door trigger wire in the vehicle? Either the H1/5 green or the H1/7 violet should be used instead. (See Primary Harness Wire Connection Guide section of this guide.)
- Door input does not respond with the progressive trigger, but with immediate full alarm:
- Does the LED indicate that the trigger was caused by the impact sensor? (See Table of Zones section of this guide.) The impact sensor, if set to extreme sensitivity, may be detecting the door unlatching before the door switch sends its signal. Reducing the sensitivity can solve this problem.
- The Valet®/Program switch does not work:
- Is it plugged into the correct socket? (See Plug-In LED and Valet/Program Switch section of this guide.)
- The LED system status indicator does not work:
- You’ve probably guessed already, but here goes: is it plugged in? Is the LED plugged into the correct socket? (See Plug-In LED and Valet/Program Switch section of this guide.)
- Starter interrupt does not work:
- Is the correct wire being interrupted? If the vehicle starts when the starter interrupt is completely disconnected, the wrong wire has been cut.
- Is the yellow H1/9 ignition wire connected to true ignition? This wire must be powered in the run and start positions in order to work properly.
FAQS
Yes u can program up to 4 remotes per unit. Remote start systems can be for any vehicle but keep in mind about the factory security system that comes with the vehicle you might need a BYPASS MODULE For the remote start to work
But basically if your key has a chip in it that works with a factory security. .. you will need a bypass module to remote start properly
Yes a universal bypass will work just make sure you use the correct ground while starting wire from avital unit.
Yes I need a bypass module for a 2010 Toyota Corolla LE
yes it is have adiesel delay and if the car not start from first time the dives will retarn to start engin for 2 more time
Cindy I’m sorry I really don’t know much about these. I am hoping they will work on the cars I bought them for. I have asked several people that said they are a pain to put in so yes will need to hire someone to put them in.
nope you need to remove 30amp fuses before connecting 12v wires
Check Avital’s website to see whether or not it will work….
Remote starters operate only for a set time limit, then shut the car down. This particular unit has a 10-15 minute limit, then the ar needs to be restarted either by remote or key. The answer to the second question is that you will always need your keys
yes it work on that car you will need a bypass, If you have never installed and remote start in the vehicle I would not recommend you trying to could damage your control module which is very expensive. I recommend you going to a professional installer.
Stan, yes this will work on any vehicle. The bypass module is the part that differs from vehicle to vehicle. You will need a 556uw which requires you to place an actual working key inside of it for the remote starter to work.
yes it will but you will need a bypass module…i would recommend that if you are looking for an alarm to spend the little extra on the avital 5303 which also includes the remote start…bypass it needed regardless
Easy. Just don’t connect the lights and lock wires. Just connect the wires necessary for remote start only.
Depends on the year… I installed it on a 2006 model
































