velleman WSEDU02 Solar Energy Experiment Kit

Product Information
The Solar Energy Experiment Kit WSEDU02 is a kit that allows users to conduct 10 exciting solar projects. The kit is suitable for individuals aged 12 and above. It comes with various components including a 4V / 30mA solar cell, breadboard, ultrabright yellow & red LED, wire jumper, resistors, diode, battery holder, transistors, piezo speaker, and a programmable device. The solar cell converts sunlight into electricity, which is used in all projects. It is important to point the black surface of the solar cell towards the sun for optimal performance. The breadboard is used to hold all the experiments. The white lines on the breadboard show how the holes are electrically connected with each other. The ultrabright yellow & red LED provides a lot of light and requires a very low current to operate. It is important to watch the polarity of the LED. Resistors with various values are supplied in the kit. They serve as current limiters or voltage dividers. Resistors do not have a polarity and their values are indicated by colored rings. The diode in the kit allows the current to flow in one direction. The battery holder is designed for two AAA rechargeable batteries and has a specific polarity that needs to be observed. The transistors in the kit are amplification devices. They come in NPN and PNP types and are controlled by a small current to allow a much larger current to flow. The kit includes a BC557 (PNP) transistor. The piezo speaker in the kit converts an electric signal into sound. It does not have a polarity. The programmable device included in the kit can perform various tasks such as playing musical notes or generating the sound of a cricket. It has a specific polarity that needs to be observed.
Product Usage Instructions
Project 1: Solar Powered LED Required parts: Solar cell, 100-ohm resistor (brown black brown gold), yellow LED How it works: A closed circuit is required to make the current flow. Connect the positive (+) terminal of the solar cell to one end of the resistor. Connect the other end of the resistor to the positive (+) terminal of the LED. Finally, connect the negative (-) terminal of the LED back to the negative (-) terminal of the solar cell. On a sunny day, the solar cell will generate 3-4 volts, while the LED only requires 2 volts to operate. The resistor converts the excess voltage into heat, protecting the LED from damage. Experiment: Swap the positive (+) and negative (-) terminals of the LED and observe what happens. Replace the 100-ohm resistor with a 47,000-ohm resistor (yellow purple orange gold) and observe the effect. Project 2: Solar Flashing LED This project aims to create a solar-powered attention grabber.
Attention: All projects require direct sunlight or a strong incandescent lightbulb (min 60W). Fluorescent, energy-saving, led and certain halogen light sources are not suited or will not give satisfactory results.
PARTS SUPPLIED WITH THIS KIT:4V / 30mA solar cell
This device will convert sunlight into electricity, which we will use in all projects. More light means more electricity. Point the black surface towards the sun.

Breadboard
Will hold all your experiments. The white lines show how the holes are electrically connected with each other (Velleman part# SDAD102)

Ultrabright yellow & red LED
The yellow & red LED provides a lot of light and requires a very low current to operate. Watch the polarity! (Velleman part# L 5YAC & L-7104LID) Wire jumper Just a piece of bare wire to connect two points in a circuit.

Resistors Various resistor values are supplied

They serve as current limiters or as voltage dividers. Resistors do not have a polarity. Resistors values are indicated by means of colored rings. The unit of resistance is called ’Ohm’. Diodes allow the current to flow in only one direction, from (+) to (–). Current flow in the opposite direction is blocked.

(Velleman part# BAT85)
A special case: Zener diodes allow the current to flow from (+) to (-), as regular diodes do. If you invert the polarity, they drop a certain voltage, which can be found on the body of the zener diode, e.g. 2V4= 2.4V (Velleman part# ZA2V4) Holder for two AAA rechargeable batteries. Mind the polarity (Velleman part# BH421A)

Transistors

A transistor is an amplification device. By means of a small current, a much larger current is controlled. Transistors come in two flavors, NPN and PNP-types, depending on the polarity. With this kit, you receive a BC557 (PNP) transistor. A transistor has 3 pins: Base, Emitter, and Collector. (Velleman part# BC557B)

Piezo speaker
A piezo speaker converts an electric signal into sound. Polarity is not

Microcontroller (µC)
A programmable device that can perform various tasks. We have pre-programmed it so that it will play musical notes or it will generate the sound of a cricket. This device has a polarity. Watch the position of the notch. (Velleman part# VKEDU02)

PROJECT 1: SOLAR-POWERED LED
As long as the sun shines, the led will light… Required parts: Solar cell, 100-ohm resistor (brown black brown gold), yellow led

How it works: A closed circuit is required to make the current flow. Current flows from the (+) of the solar cell through a resistor to the (+) of the led and via the (-) of the led back to the solar cell. On a sunny day, the solar cell will generate 3..4 volts. The lead only requires 2 volts to operate. Resistor R1 converts the excess voltage into (a little) heat, hereby protecting the lead from damage.

Time to experiment:
What happens when you swap (+) and (-) of the lead? What happens when you replace the 100-ohm resistor with a 47000-ohm resistor (yellow purple orange gold) ?
PROJECT 2: SOLAR FLASHING LED

Solar powered attention grabber Required parts: Solar cell, 100 ohm resistor (brown black brown gold), yellow led, microcontroller (µC), wire jumper.
How it works: The controller requires 2-5V to operate. This voltage is supplied by the solar panel. The microcontroller is pre-programmed with software that turns the output on and off in a loop. The signal is output via pin 4. When the output is on, current flows via the led and the resistor, hereby causing the led to the light.

PROJECT 3: SOLAR-POWERED CRICKET
As long as the sun shines, the circuit will
Required parts: Solar cell, microcontroller (µC), piezo sounder, wire jumpers
How it works: The controller requires 2-5V to operate. This voltage is supplied by the solar panel. The microcontroller is pre-programmed with software that generates a realistic cricket chirp. The chirp signal is output via pin 4. The electrical signal is converted to sound via the piezo speaker.

Hint: Use this circuit as a wake-up-at-dawn alarm. It will wake you at sunrise…
PROJECT 4: SIMPLE SOLAR BATTERY CHARGER
Free energy to keep your batteries in
Required parts: Solar cell, BAT85 diode, battery holder for two AAA batteries, and two AAA 1.2V rechargeable batteries.

How it works: As long as the solar cell is exposed to light, a current will flow from the solar cell via the diode through the batteries and back to the solar cell. The charge current depends on the amount of light that reaches the solar cell. Max. current with the supplied cell is 30mA. A diode prevents the discharge of the batteries through the solar cell (e.g. at nighttime), as it only allows the current to pass in one direction.
How long does it take to fully charge the batteries? Check the capacity of your batteries. You can find this info printed on the battery. Usually, it is expressed in mAh, e.g. 300mAh. Multiply by 1.2 = 360mAh. Divide by 30mA = 12 hours
Twelve hours of bright sunlight are required to fully charge the batteries (rule of thumb).
PROJECT 5: SOLAR BATTERY CHARGER WITH ‘CHARGE’-INDICATOR

A led turns on when the batteries are charging…
Required parts: Solar cell, BC557 transistor, 4K7 resistor (yellow, purple, red, gold), yellow led, battery holder for two AAA batteries,
How it works: When the sun shines, a current flows from the (+) of the solar cell via the Emitter/Base of the transistor through the batteries and back to the solar cell. This is the Base current, indicated with the dotted line. In our example, the Base current will also charge our batteries. The fact that there is a current flowing between Emitter and Base causes the transistor to turn on and fully conduct as if it were a switch. Hence, a current can flow from the solar cell via the transistor Emitter/Collector and resistor to the led and back to the solar cell. This current causes the lead to light (solid line).

For advanced users:
The led turns off when the batteries are removed. Why?
In the simple battery charge circuit, there was a diode to prevent discharging of the batteries in low light conditions. In this circuit, it has been omitted. Why?
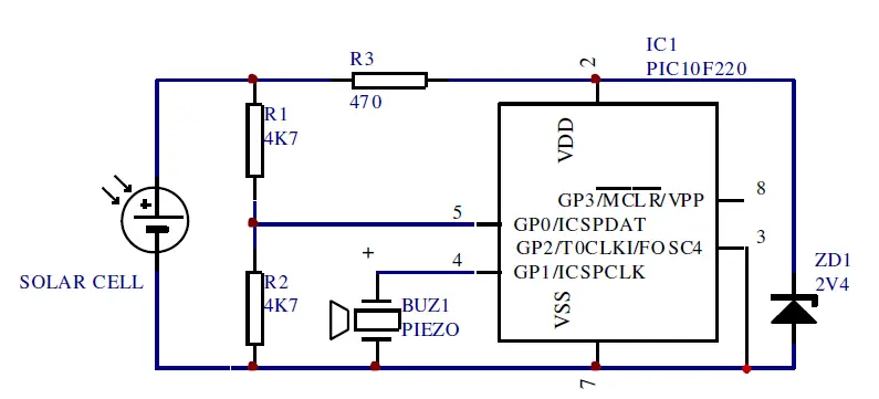
PROJECT 6: SOLAR MUSICAL INSTRUMENTMore light = higher note
Required parts: Solar cell, microcontroller (µC), 2x 4K7 resistor (yellow, purple, red, gold), 470-ohm resistor (yellow, purple, brown, gold), 2V4 zener diode, piezo sounder, wire jumpers, wire.
How it works: The solar cell provides the supply voltage for the microcontroller. Once it receives 2VDC it starts running its internal program. The zener diode and the 470-ohm resistor makes sure the supply voltage of the controller never goes beyond 2.4V, even in bright sunlight. A too-high voltage can damage the device. The voltage generated by the solar cell is also divided by two by means of two equal resistors (4K7) and fed to the analog input of the PIC. Even in bright sunlight, the input receives no more than 4.5/2 = 2.25VDC. The internal software ‘measures’ the voltage at the input and translates it to a variable audio frequency (note). The piezo sounder converts the signal into sound. When the amount of light received by the solar cell changes, the voltage at the input of the controller will also change. The software will notice this and change the tone. With a bit of practice, you could play a tune by waving your hand or a flashlight over the solar cell.

PROJECT 7: IR REMOTE CONTROL TESTER

‘Listen’ to your IR remote
Required parts: Solar cell, piezo sounder, IR remote control (option).
How it works: Solar cells are sensitive to infrared light. When hit by infrared light, they generate a voltage, as they do with sunlight. IR remote controls generate a beam of infrared light when they are operated. This beam of light is turned on and off very fast by the internal electronics of the remote control. The pattern generated by the on-off transitions is different for each button of the remote. This allows the receiver to recognize each individual button. In this circuit, the on-off transitions are translated into sound
by the piezo sounder

More fun:
Try ‘listening’ to different light sources such as led lighting, fluorescent lighting, etc…
PROJECT 8: SOLAR GARDEN LIGHT
Led turns on at dusk and turns off at dawn, fully automatic

Required parts: Solar cell, BC557 transistor, 4K7 resistor (yellow, purple, red, gold), 470-ohm resistor (yellow, purple, brown, gold), BAT85 diode, yellow led, battery holder for two AAA batteries, two AAA 1.2V rechargeable batteries, and a jumper wire. How it works: When the sun shines, the voltage generated by the solar cell will be higher than the voltage of the batteries, so a current will flow from the solar cell to the batteries. This current will charge the batteries. The BAT85 diode prevents discharging of the batteries through the solar cell in low-light conditions. The base of the transistor is tied to the ground (-) by means of the 4K7 resistor. This causes the transistor to turn on and allows a current to flow from the batteries through the transistor, the led, and via a 470-ohm resistor back to the batteries. The led will turn on. However, note that the base of the transistor is also tied to the (+) of the solar cell, so as long as the sun shines, the base of the transistor is kept high enough to prevent turn-on of the transistor, so the led remains off at the daytime.

PROJECT 9: SOLAR MOTION DETECTOR / BEAM BREAK DETECTOR

Announce wanted or unwanted guests
Required parts: Solar cell, microcontroller (μC), 2x 4K7 resistor (yellow, purple, red, gold), 470-ohm resistor, (yellow, purple, brown, gold), 2V4 zener diode, piezo sounder, wire
How it works: The solar cell provides the supply voltage for the microcontroller. Once the controller receives 2VDC it starts running its internal program. The zener diode and the 470-ohm resistor make sure the supply voltage of the controller never goes beyond 2.4V, even in bright sunlight. A too-high voltage can damage the device. The voltage generated by the solar cell is also divided by two by means of two equal resistors (4K7) and fed to the analog input of the controller. Even in bright sunlight, the input receives no more than 4.5/2 = 2.25VDC. The internal software ‘measures’ the voltage at the input and compares it to the previous level. When it detects a sudden change (i.e. When the beam is interrupted or someone casts a shadow on the solar cell ), it generates a sound through the piezo.

PROJECT 10: SOLAR POWERED ‘ALARM ARMED’-LED

Charges during the day, scare burglars at night
Required parts: Solar cell, microcontroller (μC), 4K7 resistor (yellow, purple, red, gold), 100-ohm resistor, (brown, black, brown, gold), BAT85 diode, BC557 transistor, battery
How it works: When the sun shines, the voltage generated by the solar cell will be higher than the voltage of the batteries, so a current will flow from the solar cell to the batteries. This current will charge the batteries. The BAT85 diode prevents discharging of the batteries through the solar cell in low-light conditions. The base of the transistor is tied to the ground (-) by means of the 4K7 resistor. This causes the transistor to turn on and supply power to the μcontroller. The controller will behave identically to Project 2, so the lead will flash. However, note that the base of the transistor is also tied to the (+) of the solar cell, so as long as the sun shines, the base of the transistor is kept high enough to prevent the turn-on of the transistor, so the led remains off at the daytime.

Modifications and typographical errors are reserved. © Velleman Group nv, Legen Heirweg 33 – 9890 Gavere (België) WSEDU02 – 02082021



















